- Hauteur de dépassement
- Soudage à la presse (soudage de bord)
- Tableau 2. Paramètres de l'angle de soudage DVS 2207 (ambiante t 20ºС)
- Méthodes de connexion de bride
- Types de joints soudés et de coutures en soudage au gaz
- La position de la tige lors de la réalisation de différents types de coutures
- Raccords à bride isolante
- Raccords à bride isolante
- Dispositions disponibles
- plus bas
- Horizontal
- vertical
- Plafond
- Classes de pression de bride
- Consommables de soudage
- Gaz utilisés au travail
- substances inertes
- Éléments actifs
- Mélanges gazeux courants
- L'essence du procédé de soudage MIG / MAG
- robinet de gaz
Hauteur de dépassement
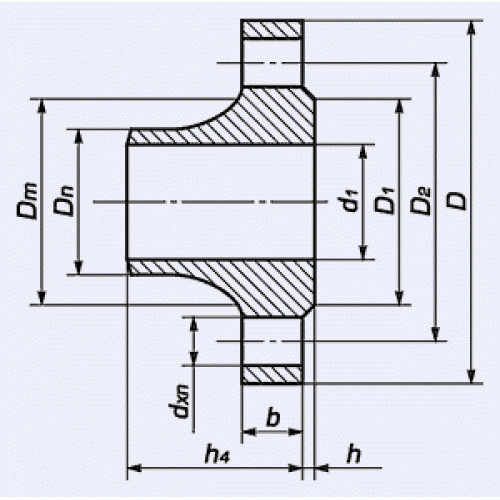
Si vous regardez le dessin d'une bride en acier, elle comporte plusieurs paramètres, dont la hauteur du rebord. Il est désigné par les lettres H et B, il peut être mesuré dans tous les types de produits, à l'exception de celui qui a une connexion de chevauchement. Il convient de rappeler ce qui suit :
- les modèles des classes de pression 150 et 300 auront une hauteur de saillie de 1,6 mm ;
- les modèles des classes de pression 400, 600, 900, 1500 et 2000 ont une hauteur de dépassement de 6,4 mm.

Dans le premier cas, les fournisseurs et fabricants de pièces prennent en compte la surface de la saillie, dans le second cas, la surface de la saillie n'est pas incluse dans le paramètre spécifié. Les brochures de pièces peuvent les énumérer en pouces, où 1,6 mm correspond à 1/16 de pouce et 6,4 millimètre - ¼ de pouce.
Soudage à la presse (soudage de bord)
Les tuyaux en PE peuvent être joints aux points de passage du raccord par soudage à la presse à l'intérieur et à l'extérieur.
Bien que le soudage à la presse soit possible même pour les tuyaux sans manchons, cette méthode de soudage est le plus souvent utilisée dans
puits et réservoirs dans la production de raccords coudés, la production de tuyaux pour des projets spéciaux.
Soudage à la presse pour raccorder des tuyaux destinés à être utilisés dans des conduites à haute pression,
mais uniquement pour les tuyaux et les puits dans les conduites à basse pression. Il existe deux types de machines de soudage à la presse,
qui fonctionnent de la même manière.
- Poste à souder à air chaud avec électrodes.
- Soudeuse à air chaud pressant des matières premières granulaires.
Détails auxquels il faut prêter une attention particulière lors de l'assemblage de tuyaux en PE lors du soudage des bords :
- La température ambiante doit être d'au moins 5ºС.
- Le soudage des bords ne doit pas être utilisé pour les conduites de gaz et d'eau potable sous pression.
- Le matériau des pièces à souder et des électrodes doit être de la même qualité et le diamètre des électrodes doit être de 3 mm ou 4 mm.
- Les surfaces à souder doivent être bien nettoyées, l'oxydation de la surface doit être grattée, puis les surfaces peuvent être soudées.
- Le processus de soudage doit toujours être effectué en maintenant un angle de pression de 45° avec la surface.
- En cas de soudage en vrac et en profondeur d'une épaisseur maximale de 4 mm, le soudage doit être appliqué immédiatement, en observant le processus de refroidissement, puis tout gratter et souder à nouveau, ce processus est répété jusqu'à ce que l'épaisseur souhaitée soit atteinte.
Schéma 3. Préparation des pièces pour le soudage des bords Schéma 4. Type de soudage d'angle horizontal double face Schéma 5. Type de soudage vertical unilatéralType de soudure horizontale unilatérale
Tableau 2. Paramètres de l'angle de soudage DVS 2207 (ambiante t 20ºС)
| Classe de matériel de soudage | Force de soudage (N) | Valeur de chauffage de l'air pour la presse à souder (ºС) | Débit d'air chaud (1/mm) | |
| électrode de 3 mm | électrode de 4 mm | |||
| HPDE | 10….16 | 25….35 | 300….350 | 40….60 |
| polypropylène | 10….16 | 25….35 | 280….330 | 40….60 |
Méthodes de connexion de bride
La méthode de raccordement à bride est utilisée lorsqu'il est nécessaire de raccorder des tuyaux en PE à des éléments tels qu'un tuyau en acier, une vanne, une pompe, un condenseur
ou si le pipeline doit être démantelé dans une certaine partie pendant un certain temps.
Après avoir fixé un anneau en acier, appelé bride, sur le tuyau en PE, le tuyau aura un bord pour supporter cette bride,
appelé adaptateur à bride, qui est soudé au bord du tuyau par soudage bout à bout. Les deux lignes de tuyaux à raccorder sont placées
face à face, puis un joint est placé entre leurs bords, la connexion des brides est réalisée à l'aide de boulons et d'écrous
Il faut faire attention au fait que les boulons doivent être serrés non pas en cercle, mais en rangées opposées.
Il est particulièrement important de ne pas pousser le tuyau lors du serrage des boulons pour éviter toute surcharge.
Diagramme 7
Méthode de connexion à bride
| Les tuyaux sont connectés avec un adaptateur après une coupe verticale le long de l'axe, et le fai est coupé avec un cône à un angle d'environ 15º et le tuyau est vissé par rapport au point d'élévation. Ensuite, les deux tuyaux sont placés et les boulons sont serrés manuellement, c'est ainsi que la connexion est réalisée. Si le diamètre du tuyau 40 mm et plus, il est préférable de visser les boulons avec un tournevis spécial plutôt qu'à la main. Les adaptateurs résistent à une pression allant jusqu'à 20 atmosphères, mais ne sont pas recommandés pour les tuyaux d'un diamètre supérieur à 110 mm. Diagramme 8.Méthode de connexion à l'aide d'un adaptateur de connexion |
Types de joints soudés et de coutures en soudage au gaz
Dans le soudage au gaz, des joints bout à bout, à recouvrement, en T, d'angle et d'extrémité sont utilisés.
Les joints bout à bout (Fig. 1, a - d) sont les plus courants en raison des contraintes résiduelles et des déformations les plus faibles pendant le soudage, de la résistance la plus élevée sous des charges statiques et dynamiques, ainsi que de l'accessibilité pour l'inspection. Une plus petite quantité des métaux de base et d'apport est dépensée pour la formation du joint bout à bout. La connexion de ce type peut être réalisée avec un évasement, sans biseau des bords, avec un biseau à un ou deux bords (en forme de V) ou avec deux biseaux à deux bords (en forme de X).
Les bords sont émoussés pour éviter les fuites de métal lors du soudage à l'arrière du joint. L'écart entre les bords facilite la pénétration de la racine de la couture. Pour obtenir des joints de haute qualité, il est nécessaire d'assurer la même largeur d'écart sur toute la longueur du joint, c'est-à-dire des bords parallèles.

Riz. 1. Types de joints soudés: a - bout à bout sans arêtes coupantes et sans espace; b - bout sans arêtes coupantes et avec un espace; c, d - bout avec bords biseautés à un et deux côtés, respectivement; d - chevauchement ; f, g - tee sans espace et avec espace, respectivement; h - fin ; et - angulaire
Les pièces de faible épaisseur peuvent être soudées bout à bout sans arêtes coupantes, d'épaisseur moyenne - soudées bout à bout avec des bords biseautés d'un côté, de grande épaisseur - soudées bout à bout avec des bords biseautés double face. Un chanfrein double face présente des avantages par rapport à un chanfrein unilatéral, car à épaisseur de métal soudée égale, le volume de métal déposé avec un chanfrein double face est presque 2 fois moindre qu'avec un chanfrein unilatéral.Dans le même temps, le soudage avec un chanfrein double face se caractérise par moins de distorsion et de contraintes résiduelles.
Les joints à recouvrement (Fig. 1, e) sont utilisés dans le soudage au gaz de métaux minces, de foulards, de revêtements, de raccords de tuyaux, etc. Lors du soudage de métaux épais, ce type de joint n'est pas recommandé, car il provoque le gauchissement des produits et peut conduire à la formation de fissures en eux.
Les joints à recouvrement ne nécessitent pas de traitement spécial des bords (autre que le rognage). Dans de tels joints, il est recommandé, si possible, de souder les tôles des deux côtés. L'assemblage du produit et la préparation des tôles pour le soudage par recouvrement sont simplifiés, cependant, la consommation des métaux de base et d'apport est supérieure à soudage bout à bout. Les joints à recouvrement sont moins durables sous des charges variables et de choc que les joints bout à bout.
Les joints en T (Fig. 1, f, g) sont d'une utilité limitée, car leur mise en œuvre nécessite un échauffement intense du métal. De plus, une telle liaison provoque un gauchissement des produits. Les joints en T sont utilisés lors du soudage de produits de faible épaisseur, ils sont fabriqués sans bords biseautés et sont soudés avec des soudures d'angle.
Les raccords d'extrémité (Fig. 1, h) sont utilisés lors du soudage de pièces de faible épaisseur, dans la fabrication et le raccordement de pipelines.

Riz. 2. Types de soudures en fonction de la position dans l'espace : a - inférieure ; b - verticale; c-horizontale ; g - plafond; les flèches indiquent le sens de soudage

Riz. Fig. 3. Types de soudures en fonction de la force agissante F : a - flanc ; b - frontale; c - combiné; g - oblique
Joints d'angle (fig.1, i) sont utilisés lors du soudage de réservoirs, de brides de canalisations à des fins non critiques. Lors du soudage de métaux de faible épaisseur, il est possible de réaliser des joints d'angle avec évasement et de ne pas utiliser de métal d'apport.
Selon les types de joints soudés, on distingue les soudures bout à bout et d'angle.
Selon la position dans l'espace pendant le processus de soudage, les coutures sont divisées en plafond inférieur, vertical, horizontal (Fig. 2). Les meilleures conditions pour se former formation de soudures et de joints sont créés lors du soudage en position basse, par conséquent, le soudage dans d'autres positions dans l'espace ne doit être utilisé que dans des cas exceptionnels.
Selon l'emplacement par rapport à la force agissante, il existe des coutures de flanc (parallèles à la direction de la force), frontales (perpendiculaires à la direction de la force), combinées et obliques (Fig. 3).
En fonction du profil de la section transversale et du degré de convexité, les coutures sont divisées en normal, convexe et concave (Fig. 4).
Dans des conditions normales, des coutures convexes et normales sont utilisées, des coutures concaves - principalement lors de la réalisation de points de serrage.

Riz. 4. La forme des soudures : a - normale ; b - convexe; c - concave

Riz. 5. Soudures monocouche (a) et multicouche (b) : 1 - 7 - séquence de couches

Riz. 6. Soudures continues (a) et intermittentes (b)
Selon le nombre de couches déposées, les soudures sont divisées en monocouche et multicouche (Fig. 5), selon la longueur - en continu et intermittent (Fig. 6).
La position de la tige lors de la réalisation de différents types de coutures
Les connexions sont généralement divisées en amarrage, plafond, coin, horizontal, chevauchement, vertical, té et autres.Les caractéristiques de l'espace entre les pièces déterminent le nombre de passes pour lesquelles il sera possible de poser une couture uniforme et de haute qualité. Les connexions petites et courtes sont réalisées en un seul passage, les longues en plusieurs. Vous pouvez suturer en continu ou ponctuellement.
La technique de soudage choisie déterminera la solidité, la résistance aux contraintes et la fiabilité de la jonction des pièces. Mais avant de choisir un plan de travail, il est nécessaire de déterminer la position de la tige. Il est défini :
- position spatiale de la jonction ;
- épaisseur du métal soudé;
- qualité métallique ;
- diamètre consommable ;
- caractéristiques du revêtement des électrodes.
Le choix correct de la position de la tige détermine la résistance et les données externes du joint, et la technique de soudage des cordons dans différentes positions sera la suivante:
- "De soi", ou "coin avant". La tige pendant le fonctionnement est inclinée de 30 à 600. L'outil avance. Cette technologie est utilisée lors de la connexion de joints verticaux, de plafond et horizontaux. Cette technique est également utilisée pour le soudage de tuyaux - il est pratique de connecter des joints fixes avec un soudage électrique.
- Angle droit. La méthode convient au soudage de joints difficiles à atteindre, bien qu'elle soit considérée comme universelle (vous pouvez souder des endroits avec n'importe quelle disposition spatiale). La position de la tige sous 900 complique le processus.
- "Sur vous-même", ou "coin arrière". La tige pendant le fonctionnement est inclinée de 30 à 600. L'outil avance vers l'opérateur. Cette technique de soudage à l'électrode convient aux joints d'angle, courts et bout à bout.
La position correctement choisie de l'outil garantit la commodité de sceller le joint et vous permet de surveiller la bonne pénétration du matériau.Ce dernier fait garantit une formation et une résistance de haute qualité de la connexion de travail. La technique correcte pour souder avec un onduleur est la pénétration des matériaux à faible profondeur, l'absence de projections, la capture uniforme des bords du joint, la répartition uniforme de la masse fondue. Vous pouvez voir comment la soudure de connexion devrait se dérouler dans une vidéo pour les soudeurs débutants.
Raccords à bride isolante
Ainsi, simultanément, il n'absorbe pas l'humidité et évite le passage du courant électrique à travers la canalisation. Parfois, les joints sont également fabriqués à partir de PTFE ou de plastique vinyle. L'IFS contient également des goujons de serrage, des douilles en polyamide, des rondelles et des écrous. Grâce à ces ferrures, les brides sont rapprochées et fixées dans cette position. Commandez la fabrication de brides uniquement chez nous.
En général, les raccords à bride isolante constituent une connexion solide entre deux éléments de canalisation. Un rôle important y est joué par un joint électriquement isolant, qui permet d'exclure l'entrée de courant électrique dans la canalisation. En moyenne, la résistance d'une connexion à bride isolante est d'au moins 1000 ohms.
Raccords à bride isolante
IFS est une structure composite produite dans les conditions de l'entreprise, qui présente l'étanchéité et l'isolation nécessaires. Sa fonction principale est de protéger cathodiquement les canalisations souterraines et aériennes et ainsi de prolonger leur durée de vie.
Processus d'installation
- L'installation de l'IFS est effectuée à l'endroit où les tuyaux sortent du sol et à l'entrée de celui-ci. La nécessité de son installation est due à la probabilité que le tuyau entre en contact avec des contacts électriques, la mise à la terre et d'autres communications. Y compris aux sorties des pipelines de GDS, GRU, GRP.
- L'installation de l'IFS est immédiatement intégrée au projet lors de sa préparation et est réalisée par des équipes d'installation spécialisées.
Notre société est prête à produire ces conceptions de n'importe quel diamètre spécifié par le client. La production est réalisée sur la base de GOST. Par exemple, nous proposons des produits de la marque à haute teneur en carbone 09g2s avec du matériel en acier 40x., des bagues en fluoroplastique.
Nous gardons tous les invités
Connexions isolantes
Les brides isolantes ne sont pas recommandées pour l'installation sur les conduites de gaz situées dans des zones explosives. Y compris les stations de distribution de gaz, dans les endroits où le gaz est nettoyé et odorisé.
Les IFS sont conçus pour bloquer l'entrée de courant électrique vagabond dans le pipeline. Pour ce faire, la connexion à bride, assemblée dans l'entreprise, est équipée de joints isolants en diélectriques (textolite, paronite, klinergit, etc.). Les matériaux isolants ne sont pas seulement placés entre les brides, le matériel est également fabriqué à partir de matériaux spéciaux :
En d'autres termes, les FSI sont utilisés pour créer un sectionnement électrique de pièces situées sous terre et au-dessus. La sécurité du gazoduc dépend de la forme sous laquelle les brides seront contenues.
Lors de la fabrication de raccords à bride isolante et de l'installation dans des endroits dangereux (avec stations de compression, réservoirs, etc.), où l'intensité du courant dans les canalisations peut être élevée, il est nécessaire de vérifier et d'empêcher régulièrement l'état de fonctionnement de l'IFS . Pour cela, les brides isolantes doivent être situées dans des puits de travail spécialement créés.
De telles structures doivent nécessairement être équipées de conducteurs de commande qui sortent vers l'extérieur. Ceci est nécessaire pour que les techniciens puissent effectuer les mesures électriques nécessaires sans descendre dans le puits.
Les IFS ne sont pas seulement utilisés comme structures de protection sur les pipelines contre les effets corrosifs du courant électrique, ils sont également installés lorsque les produits gaziers et pétroliers s'approchent des stations de pompage et d'autres structures.
Dispositions disponibles
Les positions spatiales pendant le soudage ont quatre options. La plus facile à réaliser est la position horizontale inférieure. Le plus difficile est aussi la position horizontale de la couture, mais située en haut, et portant le nom de l'étagère. La couture dans le sens horizontal n'est pas nécessairement réalisée en bas ou en haut. Il peut être situé au centre d'un mur vertical. L'option restante appartient à la position verticale.

Différentes positions de soudage dans l'espace ont leurs propres nuances lors du soudage. L'emplacement des électrodes dépend du type de positions.
plus bas
Cette position est la plus souhaitable pour tout soudeur. Cette option est utilisée lorsque des pièces simples de petite taille sont soudées ou si des exigences strictes ne sont pas imposées sur la qualité de la couture. La position de l'électrode dans cette vue est verticale. Dans cette position, le soudage est possible, à la fois d'un côté et des deux côtés.
La qualité de la couture en position basse est influencée par l'épaisseur des pièces à souder, la taille de l'écart entre elles et l'amplitude du courant. Cette méthode est très performante. L'inconvénient est l'apparition de brûlures. En position basse, vous pouvez utiliser les méthodes de joints bout à bout et d'angle.
Horizontal
Dans cette forme, les éléments connectés sont dans un plan vertical. La soudure est horizontale. L'électrode appartient au plan horizontal, mais est située perpendiculairement à la couture. La difficulté de fonctionnement provoque une éventuelle projection de métal liquide du bain de soudure et tombant sous l'action de son propre poids directement sur le bord situé en dessous. Avant de commencer les travaux, il est nécessaire d'effectuer des travaux préparatoires, à savoir la coupe des bords.
vertical
Les pièces à souder sont placées dans un plan vertical de sorte que la couture entre elles soit également verticale. L'électrode est située dans un plan horizontal perpendiculaire à la couture.
Le problème des chutes de gouttes de métal chaud demeure. Les travaux doivent être effectués exclusivement sur un arc court. Cela empêchera le métal liquide de pénétrer dans le cratère de soudure. Il est recommandé d'utiliser des électrodes enrobées qui augmentent la viscosité du contenu du puits de soudure. Cela réduira considérablement le flux descendant de métal en fusion.
Parmi les deux méthodes de mouvement existantes, si possible, le mouvement du bas vers le haut doit être choisi. Ensuite, inévitablement, le métal qui coule formera une marche lors de la solidification, empêchant son glissement ultérieur. Cela prend beaucoup de temps. Lors de l'utilisation de la méthode descendante, la productivité est augmentée au prix d'une qualité de soudure réduite.
Plafond
En fait, il s'agit d'une couture horizontale située dans un endroit peu pratique pour le travail. Le soudeur doit rester longtemps dans une position difficile avec le bras tendu. Bien sûr, cela ne dépend pas des qualifications, mais les artisans expérimentés ont leurs propres techniques qui facilitent le processus de soudage dans ce poste. Dans tous les cas, vous devez faire des pauses périodiquement.
La position lors du soudage des pièces sera horizontale et l'électrode - verticale. La couture est située au bas des bords. Le principal risque d'obtenir une soudure de mauvaise qualité est que le métal liquide s'écoule, mais n'entre pas toujours dans le bain de soudure.
Lors du soudage au-dessus de la tête, un petit courant et un arc minimalement court doivent être utilisés. Les électrodes doivent avoir un petit diamètre et un revêtement réfractaire qui retient les gouttes de métal dues à la tension superficielle. Ce type de soudage est particulièrement indésirable lorsqu'il s'agit d'assembler des pièces de faible épaisseur.
Classes de pression de bride
Les pièces fabriquées selon les normes Asme (Asni) sont toujours caractérisées par un certain nombre de paramètres. L'un de ces paramètres est la pression nominale. Dans ce cas, le diamètre du produit doit correspondre à sa pression selon les échantillons établis. Le diamètre nominal est indiqué par une combinaison des lettres "DU" ou "DN", suivies d'un nombre caractérisant le diamètre lui-même. La pression nominale est mesurée en "RU" ou "PN".

Les classes de pression du système américain correspondent à la conversion en MPa :
- 150 psi - 1,03 MPa ;
- 300 psi - 2,07 MPa ;
- 400 psi - 2,76 MPa ;
- 600 psi - 4,14 MPa ;
- 900 psi - 6,21 MPa ;
- 1500 psi - 10,34 MPa ;
- 2000 psi - 13,79 MPa ;
- 3000 psi - 20,68 MPa.
Traduit de MPa, chaque classe indiquera la pression de bride en kgf / cm². La classe de pression détermine où la pièce sélectionnée sera utilisée.
Consommables de soudage
L'assemblage des canalisations principales est réalisé par soudage électrique manuel, semi-automatique et automatique.
À ces fins, les matériaux suivants sont utilisés :
- électrodes de différentes marques,
- flux et
- fil de soudage.
Considérez les exigences de leur qualité.
Pour le soudage automatique gaz-électrique des joints de tuyaux, les éléments suivants sont utilisés:
- fil de soudage avec une surface cuivrée selon GOST 2246-79;
- dioxyde de carbone selon GOST 8050-85 (dioxyde de carbone gazeux);
- argon gazeux selon GOST 1057-79;
- mélange de dioxyde de carbone et d'argon.
Pour le soudage automatique à l'arc submergé des joints de tuyaux, des flux sont utilisés conformément à GOST 9087-81 et du fil de carbone ou allié avec une surface principalement cuivrée conformément à GOST 2246-70. Les nuances de flux et de fils sont sélectionnées conformément aux instructions technologiques, en fonction de l'objectif et de la résistance à la rupture standard du métal des tuyaux à souder.
Pour le soudage mécanisé des joints de tuyaux ou le soudage de tuyaux, on utilise des fils fourrés dont les nuances sont sélectionnées conformément aux instructions technologiques.
Pour le soudage à l'arc manuel des joints de canalisation ou d'une bride et d'une section de tuyau, des électrodes avec des revêtements de type cellulose (C) et basique (B) sont utilisées conformément aux normes GOST 9466-75 et GOST 9467-75.
Le tableau 6.4 fournit des recommandations pour le choix du type d'électrodes.
Pour le coupage au gaz des tuyaux sont utilisés: selon
- oxygène technique selon GOST 5583-78;
- acétylène en bouteilles selon GOST 5457-75;
- mélange propane-butane selon GOST 20448-90.
Tableau 1. Types d'électrodes utilisées dans les canalisations de soudage (bride et tuyau).
| Valeur standard (selon TU) temporaire la résistance rupture de tuyau métallique, 102 MPa (kgf/mm2) | Objectif électrode | Type d'électrode (selon GOST 9467-75) — type d'électrode revêtements (selon GOST 9466-75) |
| Jusqu'à 5,5 (55) | Pour souder le premier (racine) couche de la couture articulations fixes tuyaux | E42-C |
| Jusqu'à 6,0 (60) incl. | E42-C, E50-C | |
| Jusqu'à 5,5 (55) | Pour le soudage à chaud passage fixe raccords de tuyaux | E42-C, E50-C |
| Jusqu'à 6,0 (60) incl. | E42-C, E50-C E60-C | |
| Jusqu'à 5,0 (50) incl. | Pour le soudage et la réparation soudage de la couche racine couture rotative et raccords de tuyaux fixes | E42A-B, E46A-B |
| Jusqu'à 6,0 (60) incl. | E50A-B, E60-B | |
| Jusqu'à 5,0 (50) incl. | Pour doublure de l'intérieur tuyaux | E42A-B, E46A-B |
| Jusqu'à 6,0 (60) incl. | E50A-B | |
| Jusqu'à 5,0 (50) incl. | Pour le soudage et la réparation couches de remplissage et de revêtement de la couture (après passage "à chaud" électrodes C ou après couche racine de la couture, réalisée par les électrodes B) | E42A-B, E46A-B |
| À partir de 5,0 (50) Jusqu'à 6,0 (60) incl. pour le soudage | E50A-B, E55-C | |
| A partir de 5.5 (55) jusqu'à 6,0 (60) incl. | E60-B, E60-C, E70-B |
Gaz utilisés au travail
Dans l'industrie, les mélanges de plusieurs éléments sont plus souvent utilisés. Les substances suivantes peuvent être utilisées séparément : hydrogène, azote, hélium, argon. Le choix dépend de l'alliage métallique et des caractéristiques souhaitées de la future couture.
substances inertes
Ces impuretés donnent de la stabilité à l'arc et permettent une soudure profonde. Ils protègent le métal des effets de l'environnement, tout en n'ayant pas d'effet métallurgique. Il est conseillé de les utiliser pour l'acier allié, les alliages d'aluminium.

Les substances inertes permettent une soudure profonde.
Éléments actifs
La particularité du soudage est que les joints réagissent avec la pièce et modifient les propriétés du métal. Selon le type de tôle, les substances gazeuses et leurs proportions sont sélectionnées. Par exemple, l'azote est actif vis-à-vis de l'aluminium et inerte vis-à-vis du cuivre.
Mélanges gazeux courants
Les substances actives sont mélangées avec des substances inertes afin d'augmenter la stabilité de l'arc, d'augmenter la productivité du travail et de modifier la forme de la couture. Avec cette méthode, une partie du métal d'électrode passe dans la zone de fusion.
Les combinaisons suivantes sont considérées comme les plus populaires :
- Argon et 1-5% d'oxygène. Utilisé pour l'acier allié et à faible teneur en carbone. Dans le même temps, le courant critique diminue, l'apparence s'améliore et l'apparition de pores est empêchée.
- Dioxyde de carbone et 20% O2. Il est appliqué sur une tôle d'acier au carbone lorsque l'on travaille avec une électrode consommable. La capacité oxydante élevée du mélange donne une pénétration profonde et des limites claires.
- Argon et 10-25% CO2. Utilisé pour les articles fusibles. Cette combinaison augmente la stabilité de l'arc et protège de manière fiable le processus contre les courants d'air. L'ajout de CO2 lors du soudage de l'acier au carbone permet d'obtenir une structure uniforme sans pores. Lorsque vous travaillez avec des feuilles minces, la formation des joints est améliorée.
- Argon avec CO2 (jusqu'à 20 %) et O2 (jusqu'à 5 %). Il est utilisé pour les structures en acier allié et en acier au carbone. Les gaz actifs aident à rendre le lieu de fusion propre.

L'argon et l'oxygène sont la combinaison de gaz la plus populaire pour le soudage.
L'essence du procédé de soudage MIG / MAG
Le soudage à l'arc consommable sous protection gazeuse mécanisée est un type de soudage à l'arc électrique dans lequel le fil d'électrode est alimenté automatiquement à une vitesse constante et la torche de soudage est déplacée manuellement le long du joint. Dans ce cas, l'arc, le dépassement du fil électrode, le bain de métal en fusion et sa partie solidifiante sont protégés des effets de l'air ambiant par un gaz de protection alimentant la zone de soudage.
Les principaux composants de ce procédé de soudage sont :
- une source d'énergie qui fournit l'arc en énergie électrique ;
- un mécanisme d'alimentation qui alimente un fil d'électrode dans l'arc à une vitesse constante, qui fond avec la chaleur de l'arc ;
- gaz de protection.
L'arc brûle entre la pièce et le fil d'électrode consommable, qui est alimenté en continu dans l'arc et qui sert de métal d'apport. L'arc fait fondre les bords des pièces et le fil, dont le métal passe au produit dans le bain de soudure résultant, où le métal du fil d'électrode est mélangé au métal du produit (c'est-à-dire le métal de base). Au fur et à mesure que l'arc se déplace, le métal fondu (liquide) du bain de soudure se solidifie (c'est-à-dire cristallise), formant une soudure qui relie les bords des pièces. Le soudage est effectué avec un courant continu de polarité inversée, lorsque la borne positive de la source d'alimentation est connectée au brûleur et que la borne négative est connectée au produit. Parfois, la polarité directe du courant de soudage est également utilisée.
Les redresseurs de soudage sont utilisés comme source d'alimentation, qui doit avoir une caractéristique courant-tension externe rigide ou légèrement plongeante. Cette caractéristique permet une restauration automatique de la longueur d'arc définie en cas de violation, par exemple en raison des fluctuations de la main du soudeur (c'est ce que l'on appelle l'autorégulation de la longueur d'arc). Pour plus de détails sur les sources d'alimentation pour le soudage MIG/MAG, voir Sources d'alimentation pour le soudage à l'arc.
En tant qu'électrode consommable, un fil d'électrode d'une section solide et d'une section tubulaire peut être utilisé. Un fil tubulaire est rempli à l'intérieur d'une poudre de substances d'alliage, de laitier et de formation de gaz. Un tel fil est appelé fil fourré et le procédé de soudage dans lequel il est utilisé est le soudage au fil fourré.
Il existe un choix assez large de fils d'électrodes de soudage pour le soudage dans des gaz de protection, de composition chimique et de diamètre différents. Le choix de la composition chimique du fil électrode dépend du matériau du produit et, dans une certaine mesure, du type de gaz de protection utilisé. La composition chimique du fil d'électrode doit être proche de la composition chimique du métal de base. Le diamètre du fil électrode dépend de l'épaisseur du métal de base, du type de soudure et de la position de la soudure.
L'objectif principal du gaz de protection est d'empêcher le contact direct de l'air ambiant avec le métal du bain de soudure, de sortir de l'électrode et de l'arc. Le gaz de protection affecte la stabilité de l'arc, la forme de la soudure, la profondeur de pénétration et les caractéristiques de résistance du métal fondu. Pour plus d'informations sur les gaz de protection ainsi que sur les fils de soudage, consultez l'article Introduction au soudage à l'arc sous protection gazeuse (TIG, MIG/MAG).
robinet de gaz
La vanne de gaz est utilisée pour conserver le gaz de protection. Il est conseillé d'installer la vanne le plus près possible de la torche de soudage. A l'heure actuelle, la plus répandue électrovannes à gaz. Dans les appareils semi-automatiques, des vannes à gaz intégrées dans la poignée du support sont utilisées. La vanne de gaz doit être ouverte de manière à assurer une alimentation préliminaire ou simultanée à l'allumage de l'arc en gaz protecteur, ainsi que son alimentation après la rupture de l'arc, jusqu'à ce que le cratère de soudure soit complètement solidifié. Il est souhaitable de pouvoir ouvrir également l'alimentation en gaz sans démarrer le soudage, ce qui est nécessaire lors de la mise en place de l'installation de soudage.
Les mélangeurs de gaz sont conçus pour produire des mélanges de gaz lorsqu'il n'est pas possible d'utiliser un mélange pré-préparé de la composition souhaitée.

































