Commutateur par lots: qu'est-ce que c'est et à quoi ça sert + schéma de connexion

Commutateur de lots: schéma de connexion, marquage et analogues modernes

Comment connecter un interrupteur d'éclairage simple

Schéma de connexion d'un interrupteur à clé unique à une ampoule:

Commutateur par lots: qu'est-ce que c'est et à quoi ça sert + schéma de connexion

Le circuit lui-même se compose d'une, deux ou plusieurs lampes connectées en parallèle. De plus, ce circuit ressemble au circuit de connexion d'un commutateur d'intercommunication.

En fait, la façon dont les fils sont situés n'a pas vraiment d'importance. Ils peuvent être situés à l'intérieur du mur lui-même ou être en surface. Un interrupteur extérieur dans l'appartement est recommandé si une réparation de haute qualité a été récemment effectuée et qu'il n'est pas nécessaire de détruire les murs et le besoin de canaux de câblage.

Il existe plusieurs façons de monter un interrupteur simple. Voici une option pour le montage d'un interrupteur externe simple.

Commutateur par lots: qu'est-ce que c'est et à quoi ça sert + schéma de connexion

En règle générale, un autre appareil est situé sous l'interrupteur - une prise ou une "prise avec mise à la terre". Dans cet esprit, rassemblez les câbles de ces appareils en une seule ondulation.

  1. Afin de vérifier l'absence de tension dans le câble, il est nécessaire d'utiliser un tournevis indicateur. Après avoir effectué toutes les manipulations nécessaires pour couper l'alimentation, il est temps de commencer à installer l'interrupteur.
  2. Il est nécessaire d'obtenir l'interrupteur à la main.
  3. Après cela, il est nécessaire de retirer le mécanisme de travail pour fermer / ouvrir le circuit électrique. Il n'a pas de ressorts, de pieds ou de supports spéciaux. Dans cet esprit, l'enlever est assez facile.
  4. Ensuite, vous devez décider où le commutateur sera monté. Après cela, vous devez placer des points sur le mur pour installer les fixations. Pour ce faire, vous devez prendre un boîtier vide et le fixer au mur.
  5. Maintenant, vous devez niveler puis appliquer avec un marqueur des points pour le forage. Après cela, à l'aide d'une perceuse, vous devrez faire des trous pour les fixations. Vous pouvez également choisir une autre méthode de montage.
  6. Vous devez maintenant retirer le bouchon élastique du boîtier de l'interrupteur. Il est généralement au-dessus. Ensuite, il doit être amené dans le trou du fil, puis réalisé jusqu'au bout du tuyau ondulé. Ce tuyau part généralement du plafond.
  7. Au total, une connexion nette et serrée de l'ondulation avec le corps devrait sortir. Il doit avoir un accès libre aux fils pour des travaux ultérieurs.
  8. Vous devez maintenant connecter le commutateur. Au bout des fils se trouve un matériau isolant (8-10 mm). Il doit être nettoyé.
  9. Après cela, un fil blanc doit être connecté à la borne (marquage L). Le fil bleu est connecté à une autre borne (repère 1).
  10. Le fil qui mène à la sortie doit être posé dans la dérivation de l'unité de travail. Ensuite, vous devez l'amener dans le trou du boîtier par le bas. Insérez la deuxième extrémité du tuyau ondulé dans le même trou.
  11. Maintenant, vous devez remonter le commutateur. Pour ce faire, mettez le panneau avant en place, puis fixez la clé.

La dernière étape consiste à tester. Pour ce faire, vous devez allumer l'alimentation et appuyer plusieurs fois sur la touche. Si l'appareil s'allume après l'avoir allumé, tout est fait correctement.

Dispositif

Le commutateur de paquet se compose des parties principales suivantes :

  • corps;
  • système de contact ;
  • mécanisme de commutation ;
  • poignées.

Dispositif de changement de paquet

Le corps est en carbolite, en silumine ou en plastique durable et auto-extinguible. Le système de contact se compose de sections fixes et mobiles. La section fixe a 2 vis auxquelles les fils d'alimentation sont connectés. Contacts mobiles - élastiques, ont des pare-étincelles. Les sections sont assemblées sur une goupille spéciale, avec laquelle elles sont fixées au bon endroit. La broche est équipée d'une poignée permettant d'effectuer manuellement les manipulations nécessaires.

Principe de fonctionnement - le produit ne peut remplir que la fonction d'allumage et d'extinction et peut avoir des positions intermédiaires pour diverses opérations. Par exemple, lors du démarrage d'un moteur asynchrone à une certaine position de la poignée, une alimentation lui sera fournie, il sera connecté à une étoile, un triangle, selon un schéma à double étoile, ou même sera mis hors tension.Pour mettre le sac en marche, vous devez tourner la poignée jusqu'à une certaine marque, il y a des marques correspondantes sur le corps. Cela vous permet de fixer les contacts mobiles dans la position souhaitée. Pour cela, un mécanisme à ressort est utilisé.

Le commutateur de paquet fournit la déconnexion de l'objet de l'el. secteur, mais l'alimentation elle-même ne peut pas être déconnectée.

Mieux encore, leur étiquetage indiquera les types de sacs.

Symbole

Structure du symbole :

G P X X – XXX XX XX XXXX X

1 2 3 4 5 6 7 8 9. où :

  1. hermétique (D) sans lettre - la conception habituelle;
  2. lot (P);
  3. interrupteur (B), interrupteur (P);
  4. nombre de pôles (de 1 à 4) ;
  5. la valeur du courant nominal en ampères (6,3 ; 10 ; 16 ; 25 ; 40 ; 63 ; 100 ; 160 ; 200 ; 250 ; 400) ;
  6. désignation conditionnelle du nombre de directions (H2 - dans deux directions; H3 - dans trois; H4 - dans quatre; P - pour l'inversion du moteur);
  7. version climatique et catégorie de placement (U2 ; U3 ; U4 ; T2 ; T3 ; T4 ; HL2 ; HL3 ; HL4 ; UHL2 ; UHL3 ; UHL4) ;
  8. degré de protection et matériau du boîtier (IP00 - version ouverte ; IP30 - version protégée ; IP56 fort et IP56 carré - version étanche, où fort - boîtier en silumin ; carré - plastique) ;
  9. méthode de fixation (1 - fixation par équerre avant avec installation derrière un panneau jusqu'à 4 mm d'épaisseur ; 2 - fixation par équerre avant avec installation derrière un panneau jusqu'à 25 mm d'épaisseur ; 3 - fixation par équerre arrière avec installation à l'intérieur de l'armoire ; 4 - fixation par le corps (uniquement pour les produits avec degré de protection IP30 et IP56).
Lire aussi :  On décore la salle de bain : 10 solutions originales

Désignation graphique conditionnelle commutateurs par lots sur les schémas électriques

À partir de ce symbole, vous pouvez clairement voir ce que sont les paquets.Ce symbole est indiqué dans le passeport d'un produit spécifique, son étui et dans la documentation technique correspondante.

L'apparence de l'interrupteur scellé de l'emballage

Entrée haut ou bas

Une question très importante qui inquiète à la fois de nombreux électriciens et juste des artisans à domicile : comment brancher la machine, par le haut ou par le bas ? Pour y répondre, vous devrez vous référer à la documentation réglementaire, à savoir les Règles de Construction des Installations Electriques.

Le paragraphe 3.1.6 stipule que la machine doit être connectée au secteur du côté de l'appareil à partir duquel il y a un contact fixe. Cela signifie que la tension dans un réseau monophasé ou triphasé doit être du côté de l'interrupteur qui ne coupe pas le circuit électrique. Le point 3.1.6 s'applique à de nombreux types de technologie de commutation. Il peut s'agir non seulement d'une machine à contact unique, mais également d'une machine bipolaire ou triphasée, ainsi que d'un sac différentiel ou d'un RCD.

Vous ne pouvez connaître l'emplacement de ce contact qu'en démontant le sac, ce qui n'est pas très pratique à chaque remplacement dans l'appartement. Mais la conception de toutes les machines est presque la même, vous devez donc savoir où se trouve le contact fixe sur un seul interrupteur. Et il est situé en haut, respectivement, la connexion d'une machine unipolaire ou bipolaire doit également être effectuée par le haut.

Si, toutefois, un sac d'un fabricant inconnu était entre les mains, il suffit de regarder son boîtier, ou plutôt le panneau avant. À cet endroit, le plus souvent, toutes les informations nécessaires sont appliquées à la machine, telles que le modèle, la classe de précision et le schéma de connexion du disjoncteur avec l'emplacement exact des contacts mobiles et fixes.

Conclusion : le disjoncteur doit être connecté au secteur par le haut. C'est ce que dit le règlement pour éviter toute confusion inutile.

Mais si vous regardez du côté technique : y a-t-il une différence significative dans la connexion du câble d'alimentation ? Réponse : non, peu importe de quel côté la tension de fonctionnement est appliquée au sac. L'appareil fonctionnera correctement avec une connexion par le haut et par le bas.

Types et types de commutateurs

Les commutateurs sont divisés: par type, type, chaque type a ses propres utilisations. Et juste dans le tableau ci-dessous, on voit leur division selon le degré de protection.

À l'heure actuelle, le système de protection internationale (International Protection) IP est largement utilisé. Ces lettres sont suivies de deux chiffres et d'une lettre facultative.

Degrés de protection des disjoncteurs

Le premier chiffre indique que le produit est protégé contre les corps étrangers qui y pénètrent. Ces objets sont de toute taille, jusqu'à la taille des particules de poussière. Le deuxième chiffre indique généralement le degré de protection contre l'humidité. Il a une dépendance de corrélation : plus le nombre est grand, plus le degré est élevé. Les commutateurs diffèrent par leur mode de commutation - ils peuvent être équipés de bornes à vis ou sans vis. Dans le cas des bornes à vis, les fils sont serrés entre les plaques à l'aide d'une vis. Cependant, il y a un inconvénient à cet égard - avec le temps, il y a une forte probabilité de desserrer le contact, vous devez donc serrer périodiquement les vis. La pince sans vis facilite grandement le travail d'installation et, grâce à la conception du mécanisme, un contact fiable du fil avec les raccords conducteurs est assuré.

Interrupteurs à clé

Les interrupteurs sont constitués de contacts fixés à l'intérieur du boîtier et d'un mécanisme à bascule, préchargé par un ressort. Les interrupteurs à clé peuvent être divisés en deux variantes :

Types de commutateur

  1. Avec l'utilisation d'une boule qui, lorsqu'une touche est enfoncée, commence à se déplacer le long d'une bascule à bascule. Passant l'axe, il roule sur l'épaule de la bascule, déplaçant ainsi le mécanisme avec des contacts dans l'autre sens opposé.
  2. Type d'interrupteur utilisant un cadre à ressort. Puisqu'il a la capacité de se balancer sur son axe, il casse ou crée ainsi un contact électrique.

Quel que soit le type d'appareils, l'équipement s'allume et s'éteint en appuyant sur un bouton. De tels interrupteurs, lorsqu'ils sont correctement entretenus, se caractérisent par une longue durée de vie de plusieurs décennies. Et oui, ils sont peu coûteux. Sur le marché, vous pouvez trouver des modèles de différents types: il y en a des plus légers, il y en a des plus complexes - lorsque deux clés ou plus sont fixées sur une base.

Commutateurs à cordon

Cette version de l'époque du siècle dernier est idéale pour les appliques, lampes de table et autres lampes. Étant donné que leur principale caractéristique est la présence d'un cordon solide qui sort du corps de l'interrupteur. En fait, l'activation et la désactivation de cet article se produisent précisément à cause de cette dentelle. Fixé sur le levier, il interagit à son tour avec un bloc de contact mobile. En relâchant le cordon, vous redressez ainsi le ressort fixé dans le corps et le bloc revient à sa place d'origine. L'originalité de ce type se manifeste dans la modification - le contrôle de deux ampoules ou plus. Ils réagissent à la quantité de traction sur le cordon.

Au premier tirage, l'un des blocs d'éclairage s'allume, au second, le suivant, et ainsi de suite. L'arrêt se produit dans l'ordre inverse.

Types de commutateurs

Les interrupteurs sont des dispositifs de commutation à commande manuelle et sont utilisés pour allumer et éteindre les lumières. Ils ont des conceptions et des fonctions différentes, ce qui a conduit à leur division en types.

Lire aussi :  Machines à laver Beko : TOP 6 des meilleurs modèles + avis de marques

Interrupteurs avec détecteur de mouvement intégré

Les interrupteurs avec détecteur de mouvement sont principalement utilisés sur les escaliers et lors de la création de réseaux d'éclairage public. Ils sont assez faciles à utiliser : pour commencer à utiliser ces appareils, il suffit de les installer et de les configurer selon les instructions.

L'apparence des interrupteurs équipés d'un capteur de mouvement peut différer, mais fonctionnellement, ils sont très similaires

La base des interrupteurs avec capteur de mouvement sont des composants électroniques qui analysent en permanence les changements du niveau d'éclairage d'un objet (appartement, rue ou maison), ainsi que tout mouvement dans la zone de fonctionnement du capteur.

Le principe de fonctionnement des interrupteurs avec un capteur de mouvement

Le fonctionnement d'un interrupteur à capteur de mouvement est basé sur le balayage continu du rayonnement infrarouge (IR), couvert par le champ de vision du capteur (capteur), qui est généralement constitué de matériaux pyroélectriques. Fondamentalement, ces interrupteurs ont un grand angle de vue et sont installés au plafond. En plus de surveiller la présence d'objets vivants, ils ont la capacité de modifier l'intensité de l'éclairage et peuvent également être utilisés dans divers systèmes de sécurité internes.

Le capteur de commutation allume l'éclairage lorsque des objets en mouvement apparaissent dans la zone de son action

Interrupteurs à distance

Le télérupteur est un ensemble composé d'une unité de commande compacte et d'une télécommande (il peut y en avoir plusieurs). L'appareil lui-même est assez similaire en apparence à un simple interrupteur de type plat. Une caractéristique distinctive de l'interrupteur à distance est la facilité d'installation, car pour l'installer, il n'est pas nécessaire d'effectuer des travaux préparatoires (stroboscope ou percer des murs), d'effectuer un câblage caché. Il suffit de trouver un endroit pratique, de prendre quelques vis et du ruban adhésif double face et de fixer l'appareil.

L'installation d'un interrupteur à distance ne nécessite pas de travaux électriques complexes

Le principe de fonctionnement des interrupteurs à distance

Le fonctionnement des télécapteurs est basé sur le principe de réception/émission. L'utilisateur appuie sur le bouton d'alimentation de la télécommande, créant ainsi un signal radio, qui reçoit alors un relais qui ferme ou ouvre, selon la commande donnée par la télécommande, un circuit en phase qui alimente la source lumineuse. Selon l'état du circuit, la lumière s'allume et s'éteint. La zone de couverture dépend directement des caractéristiques de conception de l'habitation, ainsi que des matériaux utilisés dans la construction. En général, la zone de couverture des capteurs à distance est de 20 à 25 m.Les émetteurs sont alimentés par des piles conventionnelles de 12 V (généralement suffisantes pour 5 ans).

Vidéo : interrupteur à distance

Commutateurs tactiles

Appareils petits et compacts construits à partir de plusieurs écrans tactiles pour une utilisation facile.Pour utiliser le switch de ce type, il suffit de toucher une fois son écran.

Les interrupteurs tactiles fonctionnent avec une légère pression du doigt

Ces commutateurs comprennent :

  • écran tactile (un élément qui répond au toucher et initialise l'envoi d'une commande pour un traitement ultérieur) ;
  • puce de contrôle (engagée dans le traitement et la conversion de la commande);
  • partie de commutation (fournit une commutation de puissance).

Grâce à l'utilisation de composants électroniques, il est possible de contrôler à distance des appareils d'éclairage et de connecter des éléments supplémentaires : capteurs de mouvement, de température et de lumière.

Les interrupteurs tactiles peuvent être équipés d'une télécommande

Vidéo : interrupteur tactile

Avant d'acheter un interrupteur d'un type ou d'un autre, vous devez vous familiariser avec les critères de sélection, qui seront décrits ci-dessous.

Connexion du commutateur au réseau

Commutateur par lots: qu'est-ce que c'est et à quoi ça sert + schéma de connexion

On rappelle que l'interrupteur est installé pour couper le fil porteur de courant. Le fil "0-th" vient toujours à l'ampoule de la boîte de jonction. Les fils sont connectés dans un certain ordre:

  • couper jusqu'à un centimètre d'isolant du fil;
  • à l'arrière de l'interrupteur, vérifiez le schéma de connexion ;
  • insérez le fil dénudé dans le trou de contact entre les plaques de serrage et serrez la vis de serrage ;
  • vérifier la fiabilité de la fixation du fil (le fil ne doit pas osciller);
  • assurez-vous qu'une veine nue est visible depuis le contact pas plus de deux millimètres;
  • insérez le deuxième fil et fixez-le ;
  • dévissez les boulons du mécanisme d'espacement et insérez l'interrupteur dans le porte-gobelet du mur, alignez-le et fixez-le le long de son horizon;
  • fixez l'interrupteur dans le porte-gobelet du mur et vérifiez sa fixation ;
  • installez le cadre de protection et fixez-le avec des vis ;
  • installez l'interrupteur marche/arrêt à sa place.

Commutateur par lots: qu'est-ce que c'est et à quoi ça sert + schéma de connexion

Les travaux de connexion des interrupteurs, la commutation du réseau électrique ne nécessitent pas une grande force physique, mais il est impératif de respecter les règles de sécurité électrique et de commutation des éléments des circuits électriques.

Commutateur par lots: qu'est-ce que c'est et à quoi ça sert + schéma de connexion

Comment connecter la machine au standard ?

Le remplacement d'un disjoncteur ou l'installation d'un nouveau disjoncteur appartient à la catégorie des opérations qui, avec une habileté appropriée, prennent 5 à 10 minutes. Mais pour que le réseau électrique domestique continue de fonctionner correctement après le remplacement du sac, vous devez savoir comment branchez-le correctement. Le plus souvent, la connexion de l'appareil de commutation se produit dans le tableau.

Lequel est correct : haut ou bas

Une question importante qui est posée par de nombreux nouveaux venus dans le domaine de l'électricité. Une fois le disjoncteur solidement monté sur le rail DIN, l'alimentation doit lui être appliquée, mais tout le monde ne sait pas s'il faut connecter le fil d'alimentation par le haut ou par le bas.

Pour résoudre ce problème, il est nécessaire de se référer à la littérature technique, qui est la principale source d'informations - les règles d'installation des installations électriques.

Le PUE contient la clause 3.1.6, qui stipule que la tension de fonctionnement doit être appliquée au contact fixe du disjoncteur.

Mais pour savoir lequel des deux contacts est fixe, il faut démonter le sac, ou plutôt retirer le capot latéral. Le dispositif ouvert de la machine montre que le contact inférieur est mobile et le supérieur est fixe. Cela signifie que le fil d'alimentation est connecté par le haut et que le fil allant au consommateur est connecté par le bas.

Lire aussi :  Qu'est-ce qu'un système divisé: le dispositif et le principe de fonctionnement des systèmes de climatisation typiques

Séquence de connexion correcte de la machine

Armé d'un tournevis plat et profilé, d'embouts à sertir, d'une presse et d'un couteau de monteur, vous pouvez procéder à l'installation du disjoncteur :

  1. Fixez le rail DIN dans le tableau à l'aide de deux textes - vis autotaraudeuses spéciales pour le métal. Il convient de préciser que dans de nombreux tableaux modernes, un rail DIN est initialement installé.
  2. Insérez la machine avec les rainures dans les supports de rail DIN spécialement fournis et enclenchez le loquet sur le corps du sac.
  1. Coupez la tension du fil d'alimentation, dénudez son extrémité de l'isolant avec un couteau de monteur, mettez et sertissez la pointe dont le diamètre correspond à la section du fil.
  2. A l'aide d'un tournevis, dévisser le boulon de fixation du contact fixe supérieur. Insérez l'extrémité du fil dedans et serrez fermement. Vérifiez la qualité de la connexion en déplaçant doucement le fil d'un côté à l'autre.
  3. Fixez le fil allant au consommateur par le bas.
  4. Allumez le disjoncteur et vérifiez le fonctionnement du circuit.

Lorsque la machine automatique est connectée par le bas, le réseau continuera à fonctionner, mais l'arc qui se produit lorsque le sac est éteint peut être trop important, ce qui réduira considérablement la durée de vie du produit.

Erreurs fréquentes

Ne raccordez pas de fils toronnés sans cosses à sertir spéciales. Cela entraînera un affaiblissement progressif du contact, des étincelles et, bientôt, la défaillance du disjoncteur.

Figure 2 : Sertissage correct des fils

Aussi, il est impossible de pincer deux ou plusieurs fils de sections différentes à l'entrée de la machine.Le contact fixera qualitativement le fil d'une section plus grande et le deuxième conducteur ne sera pas suffisamment fixé.

Le résultat est le même que dans la version précédente - étincelles et défaillance du sac. Pour éviter que cela ne se produise, vous devez utiliser des pointes de sertissage.

Certains électriciens pensent qu'un fil toronné ne peut pas être serti, mais simplement soudé avec une haute qualité, mais ce n'est pas le cas. Même la soudure de la plus haute qualité « s'épuise » avec le temps et le contact s'affaiblit. Un très mauvais contact peut provoquer un incendie et endommager sans ambiguïté le disjoncteur. Par conséquent, il est préférable d'utiliser des astuces et une presse spéciale.

But du changement de lot

Un interrupteur mécanique tel qu'un interrupteur de paquets était destiné à couper l'électricité dans les appartements. Il était directement connecté au réseau, il n'était donc pas possible de se déconnecter du réseau sans couper la tension de l'ensemble du panneau électrique.

Les caractéristiques de conception de ce PV (commutateur par lots) présentent des inconvénients tels qu'une usure rapide des contacts du sac en raison du libre accès de la poussière aux zones de contact du commutateur. Les cordons d'alimentation exposés peuvent provoquer un choc électrique.

La fragilité du boîtier, conçu pour un peu plus de 100 commutations. Les PV étaient destinés à la commutation de petits courants dans les réseaux jusqu'à 660 V. Un sac a été installé dans tous les panneaux électriques, panneaux de commande sous la forme d'un interrupteur d'introduction. Le dispositif de commutation par lots se compose d'un matériau isolant avec des contacts mobiles et fixes installés, qui sont également isolés.

Commutateur de lots, bipolaire-PP

Les bornes de fixation des fils sont sur contacts fixes.Le principe de fonctionnement du commutateur de lot est que le mécanisme manuel doit être tourné à 90. Grâce au mécanisme à ressort et aux saillies de verrouillage, les contacts sont clairement fixés dans la position souhaitée.

Dispositif de commutation de paquet PV-2-16

Les commutateurs de lot peuvent être ouverts, dans un boîtier de protection ou scellé. Des interrupteurs antidéflagrants ont également été utilisés. Le PV ne peut être installé que dans des pièces sèches en l'absence de poussière, dans des panneaux électriques, des boîtiers où il n'y a aucune possibilité de contact ouvert et dans des pièces non inflammables.

Désignations sur le boîtier de l'interrupteur

Le dispositif de commutation de boîtier de la conception de protection a un boîtier en matériau isolant. Les boîtiers photovoltaïques étanches protègent le mécanisme de commutation de l'humidité. Ces commutateurs de package sont désignés selon le schéma PP - commutateur de package ou PV - commutateur de package. Les chiffres indiquent le nombre de pôles et le courant nominal du sac.

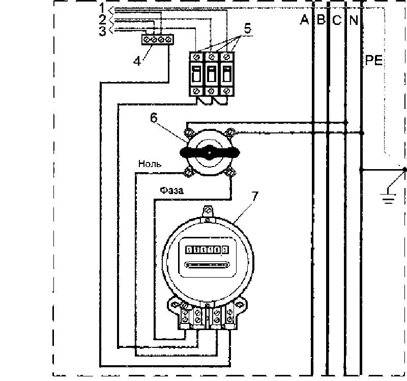
Schéma de câblage du commutateur de lot

Les interrupteurs et les interrupteurs de l'emballage ont plusieurs types de fixation - il s'agit de la fixation sur le panneau avant de 4 mm ou 22 mm, où les fils d'alimentation sont fixés à l'arrière, de la fixation avec un support arrière et de la fixation au corps de l'emballage.

Le nombre de contacts peut être différent selon l'utilisation de la tension d'alimentation pour une tension monophasée (bipolaire) ou triphasée (tripolaire). Maintenant, ces sacs sont restés à Khrouchtchev, où, en cas de défaillance, ils sont remplacés par des disjoncteurs à protection complète.

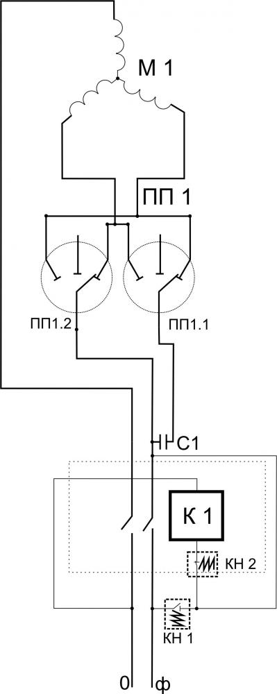
Contrôle de deux systèmes d'éclairage à partir de trois endroits

L'interrupteur à deux gangs traversant le passage est croisé. Il s'installe en kit.C'est-à-dire qu'il comprend également deux interrupteurs de fin de course à deux touches, si vous souhaitez contrôler l'éclairage à partir de trois points. Il aura 4 entrées et 4 sorties.

Commutateur par lots: qu'est-ce que c'est et à quoi ça sert + schéma de connexion

L'installation s'effectue comme suit :

  1. Pour le montage du circuit, un boîtier standard d'un diamètre de 60 mm ne suffit pas. Par conséquent, sa taille devrait être plus grande. Ou vous devez installer séquentiellement 2-3 pièces. ordinaire.
  2. 12 connexions de fils sont faites pour la connexion. Cela nécessitera la pose de 4 câbles à trois conducteurs. Ici, il est nécessaire de marquer correctement les noyaux. 6 contacts conviennent pour deux interrupteurs de fin de course et 8 pour un interrupteur croisé.
  3. Une phase est connectée à PV1. Après vous devez faire les connexions nécessaires. Au dos de l'appareil se trouve un schéma d'un commutateur d'intercommunication à deux touches. Il doit être correctement combiné avec des connexions externes.
  4. PV2 est connecté à partir de lampes.
  5. Quatre sorties de PV1 sont connectées aux entrées du commutateur croisé, puis ses sorties sont connectées à 4 entrées de PV2.

Évaluation
Site sur la plomberie

Nous vous conseillons de lire

Où remplir la poudre dans la machine à laver et combien de poudre verser