- Types de système de chauffage
- Meubles
- Chaudière à vapeur dans une maison privée
- Qu'est-ce que le chauffage à la vapeur ?
- Avantages et inconvénients du chauffage à la vapeur
- Caractéristiques et schéma d'agencement du chauffage à la vapeur
- Conception d'un système de chauffage à la vapeur
- Calcul du système gravitaire
- Le principe de fonctionnement du CO fermé
- Système de chauffage au sol
Types de système de chauffage
En pratique, vous pouvez trouver un assez grand nombre de variantes de chauffage à la vapeur. Par le nombre de tuyaux, on distingue les types de systèmes à vapeur à un et deux tuyaux. Dans le premier cas, la vapeur circule continuellement dans le tuyau.
Dans la première partie de son parcours, il cède de la chaleur aux batteries et passe progressivement à l'état liquide. Ensuite, il se déplace comme un condensat. Pour éviter les obstacles sur le chemin du liquide de refroidissement, le diamètre du tuyau doit être suffisamment grand.

Il arrive que la vapeur ne se condense pas partiellement et pénètre dans la conduite de condensat. Afin d'éviter sa pénétration dans la branche destinée à l'évacuation des condensats, il est recommandé d'installer des purgeurs de condensats après chaque radiateur ou groupe d'appareils de chauffage.
Un inconvénient important d'un système monotube est la différence de chauffage des radiateurs. Ceux situés plus près de la chaudière chauffent davantage. Ceux qui sont plus éloignés sont plus petits. Mais cette différence ne sera perceptible que dans les grands bâtiments.Dans les systèmes à deux tuyaux, la vapeur passe par un tuyau, le condensat sort par l'autre. Ainsi, il est possible de rendre égale la température dans tous les radiateurs.
Mais cela augmente considérablement la consommation de tuyaux. Comme l'eau, le chauffage à la vapeur peut être à un ou deux circuits. Dans le premier cas, le système est utilisé uniquement pour le chauffage des locaux, dans le second - également pour chauffer l'eau pour les besoins domestiques. La répartition du chauffage est également différente.
Trois options sont disponibles :
- Avec câblage supérieur. La conduite de vapeur principale est posée au-dessus des appareils de chauffage, les tuyaux en sont abaissés jusqu'aux radiateurs. Encore plus bas, près du sol, une conduite de condensat est posée. Le système est le plus stable et facile à mettre en œuvre.
- Avec câblage inférieur. La ligne est située sous les appareils de chauffage à la vapeur. En conséquence, la vapeur se déplace dans une direction et le condensat se déplace dans la direction opposée à travers le même tuyau, qui doit être légèrement plus grand que d'habitude en diamètre. Cela provoque des coups de bélier et une dépressurisation de la structure.
- Avec câblage mixte. Le tuyau de vapeur est monté légèrement au-dessus du niveau des radiateurs. Tout le reste est le même que dans le système avec le câblage supérieur, grâce auquel il est possible de conserver tous ses avantages. Le principal inconvénient est un risque de blessure élevé en raison de l'accès facile aux tuyaux chauds.
Lors de l'aménagement d'un schéma avec coercition naturelle, il ne faut pas oublier que la canalisation de vapeur est montée avec une légère pente dans le sens du mouvement de la vapeur et la canalisation de condensat - condensat.
La pente doit être de 0,01 à 0,005, c'est-à-dire pour chaque mètre courant d'une branche horizontale, il doit y avoir une pente de 1,0 à 0,5 cm. La position inclinée des conduites de vapeur et de condensat éliminera le bruit de la vapeur traversant les tuyaux et assurera la libre circulation du condensat.
Les systèmes de chauffage à vapeur sont construits selon un schéma monotube et bitube. Parmi les options monotube avec raccordement horizontal aux appareils de chauffage, prévalent. Dans le cas de la construction d'un circuit avec une connexion verticale des appareils, il est préférable de choisir une version à deux tubes
Selon le niveau de pression interne du système, on distingue deux variétés principales :
- Vide. On suppose que le système est complètement scellé, à l'intérieur duquel une pompe spéciale est installée qui crée un vide. En conséquence, la vapeur se condense à des températures plus basses, ce qui rend un tel système relativement sûr.
- Atmosphérique. La pression à l'intérieur du circuit dépasse de plusieurs fois la pression atmosphérique. En cas d'accident, c'est extrêmement dangereux. De plus, les radiateurs fonctionnant dans un tel système sont chauffés à des températures très élevées.
Il existe de nombreuses options pour organiser le chauffage à la vapeur, afin que chacun puisse choisir la meilleure option pour sa maison, en tenant compte de toutes les caractéristiques du bâtiment.
La figure montre un schéma d'un système de chauffage à vapeur en boucle ouverte
Meubles
Quelques exemples d'aménagement d'une cuisine combinée à un séjour :
- 1. Canapé. Il devient un objet qui zone l'espace. Le canapé est placé dos à l'endroit où la nourriture est préparée. Dans les petites pièces (moins de 20 m²), ils placent un coin situé contre un mur installé perpendiculairement ou parallèlement à la cuisine.
- 2. Casque. Selon les concepteurs, les modèles minimalistes sans détails prétentieux ont l'air modernes. Le service, vases ou verres sont posés sur une étagère ouverte. Vous pouvez leur acheter une vitrine de mode. Les meubles sont placés près du mur. Si l'espace est grand (20 m², 25 m² ou 30 m²), vous pouvez installer un îlot dans la partie centrale, qui comporte également des départements pour les appareils de cuisine.
- 3.Ensemble de meubles. Le style doit être combiné avec la conception des deux pièces. Dans les petites pièces, une table compacte et des chaises en matériau transparent ou peintes dans des couleurs claires ont fière allure. À l'intérieur du salon, vous pouvez mettre une table avec un plateau rond. Dans les pièces spacieuses, le kit s'installe près du mur ou dans la partie centrale. Une table à manger rectangulaire allongée aura fière allure ici.

Chaudière à vapeur dans une maison privée
Une chaudière à vapeur est un type de chauffage alternatif pour les maisons privées et les chalets. Le chauffage de l'eau des bâtiments est appelé à tort «vapeur» - une telle confusion dans les noms est associée au principe du chauffage des immeubles d'habitation, où un liquide de refroidissement externe sous pression s'écoule d'une cogénération vers des maisons individuelles et transfère sa chaleur à un vecteur interne (eau ), qui circule dans un système fermé.
Le chauffage à la vapeur dans une maison privée est utilisé beaucoup moins fréquemment que les autres méthodes de chauffage des locaux. Il est économiquement justifié d'utiliser la chaudière dans une maison de campagne ou une maison de campagne, lorsqu'il n'y a pas de vie toute l'année, et le rôle principal dans le chauffage est joué par la rapidité de chauffage des locaux et la facilité de préparation du système pour la conservation .
La possibilité d'installer un tel équipement en plus de celui existant, par exemple un four, est un autre avantage de l'utilisation de la vapeur comme caloporteur.
À la suite de l'ébullition de l'eau dans la chaudière (générateur de vapeur), de la vapeur se forme, qui est fournie au système de canalisations et de radiateurs. En cours de condensation, il dégage de la chaleur, assurant un chauffage rapide de l'air de la pièce, puis revient à l'état liquide dans un cercle vicieux vers la chaudière.Dans une maison individuelle, ce type de chauffage peut être mis en œuvre sous la forme d'un schéma à circuit simple ou double (chauffage et eau chaude sanitaire).
Selon la méthode de câblage, le système peut être monotube (connexion en série de tous les radiateurs, la canalisation s'étend horizontalement et verticalement) ou bitube (connexion parallèle des radiateurs). Les condensats peuvent être renvoyés au générateur de vapeur par gravité (circuit fermé) ou de force au moyen d'une pompe de circulation (circuit ouvert).
Le schéma de chauffage à la vapeur de la maison comprend:
- Chaudière;
- chaudière (pour un système à deux circuits);
- radiateurs;
- pompe;
- vase d'expansion;
- dispositifs d'arrêt et de sécurité.
Description de la chaudière à vapeur
L'élément clé du chauffage des locaux est le générateur de vapeur, dont la conception comprend :
- four (chambre de combustion du combustible);
- tuyaux d'évaporateur;
- économiseur (échangeur de chaleur pour chauffer l'eau en raison des gaz d'échappement);
- tambour (séparateur pour séparer le mélange vapeur-eau).
Les chaudières peuvent fonctionner avec différents types de combustibles, mais il est préférable pour les maisons privées d'utiliser une chaudière à vapeur domestique avec la possibilité de passer d'un type à l'autre (combiné).
L'efficacité et la sécurité d'un tel chauffage des locaux dépendent d'une approche compétente pour choisir un générateur de vapeur. La puissance de la chaudière doit être en rapport avec ses tâches. Par exemple, pour créer un microclimat optimal dans une maison d'une superficie de 60 à 200 m 2, vous devez acheter une chaudière d'une capacité de 25 kW ou plus. À des fins domestiques, il est efficace d'utiliser des unités à tubes d'eau, qui sont plus modernes et fiables.
Auto-installation d'équipements
Le travail est effectué par étapes, dans un certain ordre:
une.Élaboration d'un projet prenant en compte tous les détails et solutions techniques (longueur et nombre de canalisations, type de générateur de vapeur et son emplacement d'installation, emplacement des radiateurs, vase d'expansion et vannes). Ce document doit être convenu avec les autorités de contrôle de l'État.
2. Installation de la chaudière (réalisée sous le niveau des radiateurs pour assurer la remontée de la vapeur).
3. Tuyauterie et installation de radiateurs. Lors de la pose, une pente d'environ 5 mm doit être définie pour chaque mètre. L'installation des radiateurs s'effectue à l'aide d'un raccord fileté ou d'un soudage. Dans les examens d'un système de chauffage à la vapeur, les utilisateurs expérimentés recommandent d'installer des robinets pour éliminer les problèmes lorsque des poches d'air se produisent et faciliter le fonctionnement ultérieur.
4. L'installation du vase d'expansion s'effectue à 3 mètres au-dessus du niveau du générateur de vapeur.
5. La tuyauterie du groupe chaudière doit être réalisée uniquement avec des tuyaux métalliques de même diamètre avec des sorties de la chaudière (les adaptateurs ne doivent pas être utilisés). Le circuit de chauffage étant fermé dans l'unité, il est souhaitable d'installer un filtre et une pompe de circulation. Une unité de vidange doit être installée au point le plus bas du système afin que la canalisation puisse être facilement vidée pour des travaux de réparation ou de conservation de la structure. Les capteurs nécessaires qui contrôlent le processus et assurent la sécurité sont nécessairement montés sur la chaudière.
6. Il est préférable de tester un système de chauffage à la vapeur en présence de spécialistes qui peuvent non seulement effectuer toutes les procédures conformément aux normes et standards applicables, mais également éliminer de leurs propres mains les lacunes et les inexactitudes du schéma d'installation.
Qu'est-ce que le chauffage à la vapeur ?

Les réseaux de vapeur sont appelés réseaux dans lesquels circule non pas de l'eau, mais de la vapeur.Le système fonctionne comme ceci - à partir du chauffage dans la chaudière, l'eau bout, passe à l'état de vapeur et, sous cette forme, est transportée par des canalisations jusqu'aux radiateurs. En cours de déplacement, la substance se refroidit, le condensat se dépose sur les tunnels internes des tuyaux, des radiateurs, dégageant toute la chaleur - grâce à cette propriété, le chauffage à la vapeur dans une maison privée est considéré comme l'un des plus économes en chaleur. Après décantation, le condensat s'écoule des parois, puis se dirige vers la chaudière, où le cycle de chauffage se répète.
Avantages et inconvénients du chauffage à la vapeur
Les avantages de la méthode comprennent:
- Performances accrues. En raison de l'énorme transfert de chaleur, il ne sera pas nécessaire de former de nombreuses batteries ; dans le cas d'un agencement externe de canalisations, le propriétaire dispose de suffisamment de chaleur provenant de ces éléments.
- Inertie minimale. Le chauffage de la pièce est effectué dans les 10 minutes suivant le démarrage du réseau.
- Rentabilité. La vapeur ne dégage pas de chaleur vers d'autres éléments, ne chauffant que les tuyaux et les radiateurs, de sorte que l'utilisateur a la possibilité d'économiser sur le carburant et l'entretien du réseau.
- Facilité d'installation. Pour former une autoroute, vous n'avez pas besoin de beaucoup d'expérience, le travail est à la portée d'un maître de maison.

Il y a aussi des inconvénients :
- une efficacité thermique élevée augmente le risque de brûlures au contact des batteries, des canalisations ;
- il n'y a aucun moyen d'ajuster l'apport de chaleur en douceur;
- restriction sur le choix du matériau - il est inacceptable d'utiliser des tuyaux en plastique, seuls ceux en métal conviennent;
- difficultés lors de la connexion des robinets à un réseau de travail - les éléments chauffent à +100 C, par conséquent, pour réparer ou renouveler des pièces, vous devez éteindre la ligne principale et attendre qu'elle refroidisse.
Toutes les exigences pour la formation du réseau, y compris la sélection des matériaux, sont respectées avec précision.Les violations augmentent le risque de rupture de tuyau, de la vapeur chaude (+100 C) s'échappera dans la pièce et brûlera gravement.
Les experts recommandent d'équiper les conduites de vapeur d'un système de contrôle automatique pour connecter le réseau au travail lorsque l'air se refroidit. Pour réguler chaque circuit, il est plus pratique d'installer l'automatisation sur une branche séparée - il est plus pratique de démarrer le chauffage via les réseaux.
Caractéristiques et schéma d'agencement du chauffage à la vapeur
Le principe de fonctionnement du réseau est de transférer l'énergie thermique de l'eau chauffée à l'état de vapeur vers les appareils. Une efficacité thermique élevée est obtenue grâce à la propriété physique du liquide - la vapeur n'est convertie en eau qu'avec une perte de chaleur importante, qui est dépensée pour chauffer la maison.
Les caractéristiques dépendent du type de réseau :
- Un système fermé est un schéma dans lequel le condensat décanté retourne à la chaudière par gravité sous l'influence de la différence de température et de pression dans les appareils du réseau. Lors du choix d'une chaudière pour un circuit fermé, il est nécessaire de prendre en compte les paramètres de chauffage (température) et de pression.
- Système ouvert. Le schéma prévoit un réservoir de stockage de raccordement, où le condensat entre, puis se déplace vers une centrale thermique. Pour le transport, une pompe ou une pompe est utilisée. Un point important est d'installer le réservoir au point le plus bas du circuit afin que le condensat s'évacue sans résidu.
Les réseaux diffèrent également en termes de pression de vapeur. Ainsi, un circuit ouvert peut être de 4 types : subatmosphérique, vide-vapeur, à pression réduite ou augmentée. Seuil de chauffage vapeur +130 C, dans les systèmes à vide-vapeur, pression sous-atmosphérique pas plus de +100 C.

Les avantages du chauffage à la vapeur incluent un ensemble minimum d'équipements. Une conduite de vapeur sera nécessaire, une conduite de condensat est composée de deux tuyaux à travers lesquels le liquide de refroidissement est fourni et recirculé. Un bac d'évacuation des condensats est installé en circuit ouvert. Selon le type de système, les conduites de condensat sont sélectionnées, elles peuvent être à gravité et à pression. Les premiers sont conçus pour le drainage arbitraire de liquide, les seconds pour le pompage à travers une pompe ou une pompe.
Conception d'un système de chauffage à la vapeur
Même pour une petite pièce, il est préférable d'élaborer un projet. Un système fait sur le "peut-être" avec un degré de probabilité élevé nécessitera bientôt des remaniements, et un schéma établi sur papier identifiera immédiatement les faiblesses et les corrigera.
Par exemple, afin de créer un système avec circulation naturelle du liquide de refroidissement, l'échangeur de chaleur et, par conséquent, l'appareil de chauffage doivent être situés au point le plus bas de la maison.
La conduite de vapeur et la conduite de condensat des systèmes de chauffage avec un type de mouvement naturel du liquide de refroidissement sont disposées avec une pente dans le sens de son mouvement (+)
Cela signifie que le poêle ou la chaudière doit être en dessous de tous les radiateurs, ainsi que des tuyaux qui ne sont pas verticaux, mais horizontaux ou inclinés par rapport à la verticale.
S'il n'est pas possible de placer l'appareil de chauffage de cette manière (il n'y a pas de sous-sol dans la maison, le sous-sol est utilisé à d'autres fins, etc.), le chauffage à circulation forcée doit être préféré.

Le schéma montre un système de chauffage à circulation forcée. Pour son installation, vous aurez besoin d'une pompe de circulation et d'un réservoir de stockage
Par conséquent, il est nécessaire d'inclure une pompe dans le circuit de chauffage à vapeur, qui pompera l'eau dans l'échangeur de chaleur.Un point important dans la conception du système de chauffage est l'ordre dans lequel les radiateurs sont connectés. La connexion en série ou le soi-disant système monotube implique la connexion de tous les radiateurs dans l'ordre.
En conséquence, le liquide de refroidissement se déplacera séquentiellement à travers le système, se refroidissant progressivement. Il s'agit d'une option de connexion économique, plus facile à installer et moins chère.
Mais l'uniformité du chauffage avec cette méthode en souffrira, car le premier radiateur sera le plus chaud et le dernier liquide de refroidissement entrera dans un état déjà à moitié refroidi.

Le raccordement monotube des radiateurs, comme on peut le voir sur ce schéma, implique une installation en série. Le liquide de refroidissement entre dans le dernier radiateur déjà refroidi
Une solution monotube ne peut être acceptable que lors du raccordement du chauffage à la vapeur dans une maison de campagne ou dans une petite maison, sur une superficie inférieure à 80 mètres carrés. M. Et pour un chalet spacieux ou un bâtiment à deux étages, un système à deux tuyaux est plus approprié, dans lequel les radiateurs sont connectés en parallèle.
Le schéma à un tuyau fournit un flux de liquide de refroidissement simultané plutôt que séquentiel dans chaque radiateur, et le chauffage des locaux est effectué de manière plus uniforme. Mais avec un circuit bitube, il faudra raccorder deux canalisations à chaque radiateur : une droite et un « retour ».
Un tel système est plus difficile à mettre en œuvre et coûtera un peu plus cher que lors de l'installation d'un système monotube. Cependant, la grande majorité des systèmes de chauffage de l'eau sont fabriqués selon un schéma à deux tuyaux, malgré les difficultés, et ils fonctionnent assez bien.

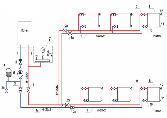
Ce schéma montre un système d'installation à deux tubes pour radiateurs de chauffage à vapeur.Chaque radiateur est relié à une colonne montante commune et possède un tuyau de retour, ce qui assure une distribution uniforme du liquide de refroidissement
Si un poêle à bois est censé être utilisé comme source de chaleur, un échangeur de chaleur spécial doit être immédiatement calculé et conçu. Cela ressemble à une bobine soudée à partir de tuyaux métalliques. Cet élément est intégré directement dans la conception du four et n'est pas installé séparément.
Par conséquent, la conception d'un nouveau four doit également être envisagée au stade de la conception. Vous pouvez également utiliser une fournaise existante, mais elle devra être partiellement démontée afin de monter l'échangeur de chaleur à l'intérieur.
Pour obtenir 9 kW de chaleur, il faut un échangeur de chaleur d'une surface d'environ un mètre carré. Plus la surface à chauffer est grande, plus l'échangeur de chaleur doit être grand.
S'il est censé chauffer la pièce à l'aide d'une chaudière, tout est un peu plus simple: vous devez l'acheter et l'installer. Habituellement, pour le chauffage à la vapeur dans une maison, il est recommandé de prendre un modèle de chaudière à tubes d'eau, comme étant le plus efficace.
Bien que les modèles de tube de fumée, de tube de fumée ou de tube de fumée et de tube de fumée combinés puissent également être une option tout à fait acceptable.
Parfois, une chaudière artisanale est utilisée pour organiser le chauffage à la vapeur, dans lequel l'huile moteur usée est brûlée. Mais cette option est considérée comme appropriée pour une utilisation dans les buanderies, par exemple dans un garage. Pour un immeuble résidentiel, cette option n'est pas très bonne.
Calcul du système gravitaire
Pour calculer et concevoir un chauffage à circulation naturelle, procédez dans cet ordre :
- Découvrez la quantité de chaleur nécessaire pour chauffer chaque pièce. Utilisez nos instructions pour cela.
- Choisissez une chaudière non volatile - gaz ou combustible solide.
- Élaborez un schéma basé sur l'une des options suggérées ici. Divisez le câblage en 2 épaules - les autoroutes ne franchiront alors pas la porte d'entrée de la maison.
- Déterminez le débit de liquide de refroidissement pour chaque pièce et calculez les diamètres des tuyaux.
On note tout de suite qu'il ne sera pas possible de scinder la "Leningradka" en 2 branches. Cela signifie que la canalisation annulaire passera nécessairement sous le seuil de la porte d'entrée. Pour résister à toutes les pentes, la chaudière devra être placée dans une fosse.
Le calcul du diamètre des tuyaux dans toutes les sections du système gravitationnel à deux tuyaux se fait comme suit:
- Nous prenons la perte de chaleur de l'ensemble du bâtiment (Q, W) et déterminons le débit massique du fluide caloporteur (G, kg / h) dans la ligne principale à l'aide de la formule ci-dessous. L'écart de température entre le départ et le "retour" Δt est pris égal à 25 °C. Ensuite, nous convertissons kg / h en d'autres unités - tonnes par heure.
- À l'aide de la formule suivante, nous trouvons la surface de la section (F, m²) de la colonne montante principale en substituant la valeur de la vitesse de circulation naturelle ʋ = 0,1 m/s. Nous recalculons l'aire du cercle en diamètre, nous obtenons la taille du tuyau principal adapté à la chaudière.
- Nous considérons la charge thermique sur chaque branche, répétons les calculs et découvrons les diamètres de ces autoroutes.
- Nous passons aux pièces suivantes, encore une fois nous déterminons les diamètres des sections en fonction des coûts de chauffage.
- Nous sélectionnons des tailles de tuyaux standard, en arrondissant les chiffres résultants.
Donnons un exemple de calcul d'un système de gravité dans une maison à un étage de 100 m². Sur le schéma ci-dessous, les radiateurs de chauffage sont déjà appliqués et les pertes de chaleur sont indiquées. On part du collecteur principal de la chaudière et on se dirige vers les dernières pièces :
- La valeur de la perte de chaleur à la maison Q = 10,2 kW = 10200 W.Consommation de liquide de refroidissement dans la colonne montante principale G = 0,86 x 10200 W / 25 °C = 350,88 kg/h ou 0,351 t/h.
- Section transversale du tuyau d'alimentation F = 0,351 t/h / 3600 x 0,1 m/s = 0,00098 m², diamètre d = 35 mm.
- La charge sur les branches droite et gauche est respectivement de 5480 et 4730 W. Quantité caloporteur : G1 = 0,86 x 5480/25 = 188,5 kg/h ou 0,189 t/h, G2 = 0,86 x 4730/25 = 162,7 kg/h ou 0,163 t/h.
- La section de la branche droite F1 = 0,189 / 3600 x 0,1 = 0,00053 m², le diamètre sera de 26 mm. Branche gauche : F2 = 0,163 / 3600 x 0,1 = 0,00045 m², d2 = 24 mm.
- Les lignes DN32 et DN25 mm viendront à la pépinière et à la cuisine (arrondies). Considérons maintenant les dimensions des capteurs pour la chambre et le salon + couloir avec des pertes de chaleur de 2,2 et 2,95 kW, respectivement. Nous obtenons les deux diamètres DN20 mm.

Pour connecter des petites batteries, vous pouvez utiliser une tuyauterie DN15 (d extérieur = 20 mm), le plan indique les dimensions DN20
Il reste à ramasser les tuyaux. Si vous cuisinez du chauffage en acier, Ø48 x 3,5 ira à la colonne montante de la chaudière, branches - Ø42 x 3 et 32 x 2,8 mm. Le câblage restant, y compris les connexions de la batterie, est effectué avec un pipeline de 26 x 2,5 mm. Le premier chiffre de la taille indique le diamètre extérieur, le second - l'épaisseur de la paroi (gamme de tuyaux en acier pour l'eau et le gaz).
Le principe de fonctionnement du CO fermé
Un système de chauffage fermé (sinon - fermé) est un réseau de canalisations et d'appareils de chauffage dans lequel le liquide de refroidissement est complètement isolé de l'atmosphère et se déplace de force - à partir de la pompe de circulation. Tout SSO doit inclure les éléments suivants :
- unité de chauffage - chaudière à gaz, à combustible solide ou électrique;
- groupe de sécurité composé d'un manomètre, d'une soupape de sécurité et d'une soupape d'air ;
- appareils de chauffage - radiateurs ou contours de chauffage par le sol;
- canalisations de raccordement;
- une pompe qui pompe de l'eau ou du liquide non gelant à travers des tuyaux et des batteries ;
- filtre à grosses mailles (collecteur de boue);
- vase d'expansion fermé équipé d'une membrane (caoutchouc "poire");
- robinets d'arrêt, vannes d'équilibrage.
Schéma type d'un réseau de chauffage fermé d'une maison à deux étages
L'algorithme de fonctionnement d'un système de type fermé à circulation forcée ressemble à ceci:
- Après montage et test de pression, le réseau de canalisations est rempli d'eau jusqu'à ce que le manomètre indique une pression minimale de 1 bar.
- Le purgeur d'air automatique du groupe de sécurité évacue l'air du système pendant le remplissage. Il est également engagé dans l'élimination des gaz qui s'accumulent dans les tuyaux pendant le fonctionnement.
- L'étape suivante consiste à allumer la pompe, à démarrer la chaudière et à réchauffer le liquide de refroidissement.
- En raison du chauffage, la pression à l'intérieur du SSS augmente à 1,5–2 bar.
- L'augmentation du volume d'eau chaude est compensée par un vase d'expansion à membrane.
- Si la pression monte au-dessus du point critique (généralement 3 bars), la soupape de sécurité libère l'excès de liquide.
- Une fois tous les 1 à 2 ans, le système doit subir une procédure de vidange et de rinçage.
Le principe de fonctionnement du ZSO d'un immeuble est absolument identique - le mouvement du liquide de refroidissement à travers les tuyaux et les radiateurs est assuré par des pompes de réseau situées dans une chaufferie industrielle. Il existe également des vases d'expansion, la température est contrôlée par un groupe de mélange ou d'élévateur.
Le fonctionnement d'un système de chauffage fermé est expliqué dans la vidéo :
Système de chauffage au sol
Un excellent moyen d'isoler une propriété privée sera un système de plancher isolé.
La principale commodité est que vous n'avez pas besoin de beaucoup d'équipement, d'équipements différents.
Des tuyaux flexibles mais à haute résistance sont disposés sur la base, à travers lesquels passeront de l'eau chaude ou de la vapeur. D'en haut, la disposition est coulée avec du mortier de ciment, réalisant une chape de sol. En raison de la conductivité thermique du béton, la surface se réchauffe uniformément.
Des sols toujours chauds ne permettent pas de refroidir les locaux.
Dans un climat tempéré, cette mesure est suffisante pour créer du confort.
Certains propriétaires combinent avec succès le chauffage à la vapeur avec un système de base isolé, ce qui est très important pour les résidents des régions froides du pays.
Exemple de chauffage combiné
L'essentiel est que l'installation soit sûre, puis qu'elle réponde aux exigences de la sélection. Ensuite - calculs prenant en compte les facteurs de correction afin d'acheter le bon équipement.
Les calculs et l'établissement d'un schéma sont les étapes les plus importantes de la pose des lignes de chauffage, il est donc préférable de les commander auprès de professionnels.
Le principe de la pose d'un chauffage au sol est clairement illustré dans la vidéo suivante :
note moyenne
notes supérieures à 0
Lien de partage












































