- Options d'auto-assemblage
- de la brique
- D'une bouteille de gaz
- Le principe de fonctionnement des chaudières à pyrolyse et leurs caractéristiques
- Caractéristiques d'un poêle à combustion longue
- Construction de fondation
- Le dispositif des fours à pyrolyse
- Avantages et inconvénients
- Ordre d'assemblage de base
- Avantages et inconvénients du four à pyrolyse
- Principes existants de pose d'un four à pyrolyse
- Instructions de fabrication
- Avantages et inconvénients des générateurs de gaz
- Combustible pour four à pyrolyse
- L'essence du processus de pyrolyse
- Le principe de fonctionnement de la chaudière à pyrolyse
- Comment fabriquer un four à pyrolyse en métal de vos propres mains
- Ce que vous devez faire
- Calculs nécessaires
- Actions préparatoires sur place
- Processus de fabrication
- Caractéristiques de fonctionnement et règles du PPB
- Four à pyrolyse à faire soi-même : procédé de fabrication
Options d'auto-assemblage

Le four à pyrolyse est assez cher, c'est pourquoi de nombreux propriétaires réfléchissent à la façon de le faire eux-mêmes.
Les structures de maison peuvent être fabriquées à partir d'une variété de matériaux tels que des bouteilles de gaz, des bouteilles, des barils, des briques, etc.
En fonction du matériau de production, tous les fours sont conditionnellement divisés:
Bien entendu, ces conceptions ont récemment subi des modifications qui ont considérablement augmenté leur efficacité. Quant aux fours à métaux, ils sont particulièrement populaires.Le fait est qu'ils peuvent même être fabriqués à partir d'une vieille bouteille de gaz.

B Selon le principe de fonctionnement, le combustible et les matériaux utilisés, tous les fours sont répartis en ces types de fours : un four fonctionnant à l'huile traitée ; le four de Kouznetsov ; Fille de Lachin; four booléen ; Bubafon.
Le principe de fonctionnement de toutes ces structures est le même - la postcombustion du gaz éjecté du combustible. Cependant, lors du choix d'un dessin ou modèle industriel, il est nécessaire de prendre en compte certaines spécificités de chaque type.
Par exemple, les poêles à huile usagée ne sont pas souhaitables pour une utilisation dans les salles de bains et autres zones résidentielles. Ils sont idéaux pour chauffer les garages et autres locaux non résidentiels.
Bien sûr, il convient de garder à l'esprit que les petits fours fonctionnant à l'huile usée ont une productivité élevée. Vous n'avez besoin que d'une tasse d'huile pour travailler.
de la brique
Nous devons construire un four:
Briques en céramique et en argile réfractaire; tôles d'acier; grilles en fonte; ventilateur 300 W ; porte de chambre à feu et porte explosive ; Machine de soudage; un exercice; Bulgares et autres.
Avec ces matériaux et ces outils, vous pouvez construire votre propre four. Bien sûr, n'oubliez pas certaines des nuances dont dépendront la résistance et l'efficacité de la structure chauffante.
Si vous avez choisi un four à briques, le processus de construction est le suivant :

Tous les travaux sont effectués conformément à un plan prédéterminé, qu'il vaut mieux convenir avec un spécialiste.
Si nécessaire, le design peut être décoré. Pour cela, on utilise souvent des pierres de parement, des pierres et d'autres matériaux pouvant résister à des températures élevées.
D'une bouteille de gaz

Une particularité du four Boubafon est qu'il peut être utilisé pour cuire différents types de combustibles.
Des outils sont nécessaires pour créer une telle conception de vos propres mains:
marteau; Bulgare; Machine à souder et électrodes ; Pinces.
Le processus de fabrication du four Bubafonya s'effectue dans cet ordre :
Coupez le renflement supérieur du réservoir.
Attention : Coupez le haut du cylindre au-dessous ou au-dessus de la soudure, car la soudure est renforcée de l'intérieur par une plaque métallique, ce qui peut rendre la découpe difficile. Un canal s'ouvre au centre. Il y a un trou pour la cheminée dans la partie supérieure du corps du réservoir
Faire un dispositif de dispersion de gaz avec un tube à travers lequel l'oxygène est fourni à la deuxième chambre. Souder la cheminée
Dans la partie supérieure du corps du réservoir, il y a un trou pour la cheminée. Faire un dispositif de dispersion de gaz avec un tube à travers lequel l'oxygène est fourni à la deuxième chambre. Souder la cheminée
Un canal s'ouvre au centre. Dans la partie supérieure du corps du réservoir, il y a un trou pour la cheminée. Faire un dispositif de dispersion de gaz avec un tube à travers lequel l'oxygène est fourni à la deuxième chambre. Souder la cheminée.
Comme vous pouvez le constater, il est facile de construire un poêle de vos propres mains à partir d'une bouteille de gaz.
Mais vous devez porter une attention particulière à la taille du réservoir. Avant de travailler avec une femme bulgare, assurez-vous qu'il n'y a pas de résidus de gaz dans le réservoir, le réservoir est complètement rempli d'eau
Le principe de fonctionnement des chaudières à pyrolyse et leurs caractéristiques
En créant des chaudières à pyrolyse de leurs propres mains, les gens ont tendance à économiser de l'argent dans leur portefeuille.Si l'équipement à gaz est assez bon marché, les unités à combustible solide sont tout simplement incroyables à leur prix. Un modèle plus ou moins décent d'une capacité de 10 kW coûtera 50 à 60 000 roubles - il est moins cher de conduire du gaz si un gazoduc passe à proximité. Mais s'il n'y en a pas, il existe deux solutions: acheter du matériel d'usine ou le fabriquer vous-même.
Il est possible, mais difficile, de fabriquer soi-même une chaudière à pyrolyse à longue durée de vie. Commençons par comprendre pourquoi la pyrolyse est nécessaire. Dans les chaudières et poêles conventionnels, le bois est brûlé de manière traditionnelle - à haute température, avec dégagement de produits de combustion dans l'atmosphère. La température dans la chambre de combustion est d'environ + 800-1100 degrés et dans la cheminée - jusqu'à + 150-200 degrés. Ainsi, une partie substantielle de la chaleur s'envole simplement.
La combustion directe du bois est utilisée dans de nombreux appareils de chauffage :
Les chaudières à pyrolyse à combustibles solides peuvent utiliser plusieurs types de combustibles, dont les déchets issus du travail du bois et de la transformation agricole.
- chaudières à combustible solide;
- Poêles-cheminées;
- Cheminées avec circuits d'eau.
Le principal avantage de cette technique est qu'elle est simple - il suffit de créer une chambre de combustion et d'organiser l'évacuation des produits de combustion à l'extérieur de l'équipement. Le seul régulateur ici est la porte du ventilateur - en ajustant le dégagement, nous pouvons ajuster l'intensité de la combustion, affectant ainsi la température.
Dans une chaudière à pyrolyse, assemblée de vos propres mains ou achetée dans un magasin, le processus de combustion du combustible est quelque peu différent. Le bois de chauffage y est brûlé à basse température. On peut dire que ce n'est même pas une combustion, mais une lente combustion lente.Le bois se transforme en même temps en une sorte de coke, tout en libérant des gaz de pyrolyse combustibles. Ces gaz sont envoyés à la post-combustion, où ils brûlent en dégageant une grande quantité de chaleur.
S'il vous semble que cette réaction ne donnera pas d'effet spécial, alors vous vous trompez profondément - si vous regardez dans la postcombustion, vous verrez une flamme rugissante de couleur jaune vif, presque blanche. La température de combustion est légèrement supérieure à +1000 degrés, et plus de chaleur est libérée dans ce processus qu'avec une combustion au bois standard.
Pour qu'une chaudière à pyrolyse auto-assemblée puisse montrer une efficacité maximale, du bois de chauffage à faible teneur en humidité est nécessaire. Le bois mouillé ne permettra pas à l'équipement d'atteindre sa pleine capacité.
La réaction de pyrolyse nous est familière depuis le cours de physique de l'école. Dans un manuel (et peut-être dans une salle de laboratoire), beaucoup d'entre nous ont vu une réaction intéressante - le bois a été placé dans un flacon en verre scellé avec un tube, après quoi le flacon a été chauffé sur un brûleur. Après quelques minutes, le bois a commencé à s'assombrir et des produits de pyrolyse ont commencé à sortir du tube - ce sont des gaz combustibles qui pourraient être incendiés et observer la flamme jaune-orange.
La chaudière à pyrolyse à faire soi-même fonctionne de la même manière :
Sur une charge de combustible, les chaudières à pyrolyse fonctionnent pendant environ 4 à 6 heures. Ainsi, un approvisionnement important et régulièrement renouvelé en bois de chauffage doit être assuré à l'avance.
- Le bois de chauffage est allumé dans le foyer jusqu'à ce qu'une flamme stable apparaisse ;
- Après cela, l'accès à l'oxygène est bloqué, la flamme s'éteint presque complètement ;
- Le ventilateur soufflant démarre - une flamme à haute température apparaît dans la postcombustion.
Le dispositif de la chaudière à pyrolyse est assez simple.Les principaux éléments ici sont : une chambre de combustion dans laquelle le bois de chauffage est stocké et une chambre de post-combustion dans laquelle les produits de pyrolyse sont brûlés. La chaleur est transférée au système de chauffage via un échangeur de chaleur
Dans le schéma de la chaudière à pyrolyse, une attention particulière lui est accordée
Le fait est que les échangeurs de chaleur dans les chaudières à pyrolyse à faire soi-même sont disposés différemment que dans les équipements à gaz. Les produits de combustion avec l'air passent ici par de nombreux tuyaux métalliques lavés par l'eau. Pour augmenter l'efficacité, l'eau de la chaudière lave non seulement l'échangeur de chaleur lui-même, mais également tous les autres nœuds - une sorte de chemise d'eau est créée ici, qui évacue l'excès de chaleur des éléments chauds de la chaudière.
Caractéristiques d'un poêle à combustion longue
La première étape consiste à comprendre ce qui se passe lors de la combustion du bois de chauffage. Pour l'apparition d'une flamme, la température du bois doit être portée à environ +150 degrés, en utilisant pour cela une source de chauffage externe. Habituellement, un morceau de papier allumé à partir d'une allumette ordinaire suffit pour cela. Après cela, le processus de carbonisation lente du matériau commence, qui, après avoir atteint la marque de +250 degrés, se transforme en décomposition en éléments chimiques simples. La composition de la fumée blanche qui apparaît à l'allumage de la flamme comprend du gaz et de la vapeur d'eau : ils exsudent du bois chauffé. L'inflammation des composants gazeux libérés est observée lorsque le chauffage atteint +300 degrés: en conséquence, la réaction thermochimique est considérablement accélérée.

La décomposition de la matière organique en éléments plus simples s'appelle la pyrolyse.La pratique montre que lors de la combustion du bois, une partie du potentiel énergétique qu'il contient reste inutilisée. Cela se traduit par une quantité importante de déchets restant après l'extinction de la flamme. Dans les fours à pyrolyse, le combustible est utilisé beaucoup plus efficacement, ce qui est obtenu par une combustion séparée des gaz libérés lors de la combustion du combustible. Dans le même temps, le taux de combustion lente du bois lui-même est très faible, ce qui contribue à augmenter la durée du four sur une languette. Le poêle Bubafonya, qui est un type de chauffage à pyrolyse, garantit une combustion presque complète de tous les combustibles.
Construction de fondation
Les fondations du poêle Bubafonya sont posées de cette manière :
- La première étape consiste à creuser un trou carré. Ses dimensions approximatives sont de 150x150 cm, avec une profondeur de 20-30 cm.
- Le fond de la tranchée est recouvert d'un oreiller en pierre concassée et coulé avec une solution de béton. Pour niveler sa surface, une truelle est utile. Lorsque la zone inondée se grippe, il faut vérifier l'horizontalité de sa surface à l'aide du niveau du bâtiment. Si nécessaire, des ajustements supplémentaires sont effectués.
- Au-dessus d'un support en béton complètement séché, des briques réfractaires sont posées en plusieurs rangées. Généralement 2-3 couches suffisent.
Le dispositif des fours à pyrolyse
La conception prévoit deux compartiments: dans le premier, le combustible solide est déposé et le processus de son oxydation lente a lieu. Lorsque le bois de chauffage couve, une grande quantité de gaz combustibles est libérée, qui pénètre dans le compartiment situé au-dessus et s'éteint. Pour que le carburant ne s'embrase pas, mais couve, l'apport d'oxygène est strictement réglementé. Dans l'ensemble, les dispositifs de pyrolyse fonctionnent au gaz, qui est produit dans l'unité elle-même.
Schéma du four à pyrolyse
L'exploitation d'une installation de combustion à long terme fournit le maximum d'énergie thermique avec des économies significatives de ressources en combustible. Cela est dû au fait que le carburant est traité presque complètement, de sorte que la suie et les cendres ne se forment presque pas et qu'il n'y a pas non plus de fumée.
Avantages et inconvénients
Le dispositif de type pyrolyse possède une longue liste de caractéristiques avantageuses. Concentrons-nous sur les principaux :
- une efficacité élevée est obtenue grâce à la combustion complète du carburant. Un cycle de chargement permet un transfert de chaleur beaucoup plus long, par rapport aux analogues.
- Préchauffage rapide de l'appareil. Cela garantit un chauffage efficace de la pièce en peu de temps.
- Le niveau d'efficacité atteint 85%.
- L'utilisation de matériaux respectueux de l'environnement dans la production, ainsi que pour assurer un fonctionnement qui n'émet pas de substances nocives pour la santé humaine et l'environnement lorsqu'il est chauffé. Le four est pratiquement sans fumée.
- La plage de puissance est réglable en fonction des besoins de l'utilisateur - 5-100%.
- Le dispositif de visualisation peut être couplé à un circuit de chauffage.
- Le dispositif de pyrolyse ne nécessite pas de surveillance constante. Le chargement du biocarburant est effectué une fois par jour et le processus de nettoyage est effectué une fois par semaine, sans qu'il soit nécessaire d'éteindre la machine.
- L'appareil est universel, ce qui permet l'utilisation de différents types de carburant - composition liquide ou solide. Des échantillons fonctionnant à l'huile usagée sont également présentés.
Photo 3 Processus par étapes de génération de chaleur.
Malgré la prédominance des aspects positifs, de telles conceptions présentent également un certain nombre d'inconvénients:
pour assurer un niveau de chauffage suffisant, de grands fours sont nécessaires ;

Photo 4 Un dispositif optionnel d'une conception fonctionnant sur le principe de la pyrolyse.
- il est nécessaire d'équiper le site pour le placement des matériaux combustibles;
- tout processus de combustion s'accompagne du dégagement d'impuretés et d'odeurs. Malgré le fait que la particularité de ce poêle est qu'il n'y a pratiquement pas de fumée, il est toujours nécessaire d'organiser un système de ventilation dans la pièce où se trouve l'appareil.
- Les gaz qui s'échappent ont une température suffisamment basse, de sorte que le condensat s'accumule à la sortie. Sa présence est notée dans la cheminée et dans le canal de sortie. Dans certains modèles d'usine, un lecteur est fourni pour sa collecte, ce qui nécessite un nettoyage périodique.
Conseils! Lors de la reproduction du dispositif de four seul, il est nécessaire de choisir une cheminée de grand diamètre. Selon le même principe, le système de sortie est organisé, nécessairement isolé dans la zone donnant sur la rue. Ainsi, il est possible d'éliminer le problème du gel, avec une diminution des indicateurs de température externe.
Pour assurer le fonctionnement le plus efficace, il est nécessaire de monter un ventilateur dans l'appareil et une pompe est intégrée pour le système de chauffage. Tous ces dispositifs ont conduit à la dépendance de l'ensemble du four vis-à-vis de l'alimentation électrique.
Ordre d'assemblage de base
- Puisque nous essayons d'envisager une conception qui a le droit d'être appelée un four à pyrolyse, dans un premier temps, il faut veiller à fabriquer des canaux internes, à fournir de l'air primaire et secondaire et à la tuyauterie du brûleur. L'habillage du brûleur est en briques d'argile réfractaire. En fait, les buses résistantes à la chaleur de la buse en sont fabriquées.
- De plus, à partir de la tôle, vous devez couper et souder, la chambre de gazéification primaire - c'est aussi un bunker, et la postcombustion de gaz secondaire.Il doit être bien protégé des flammes à haute température et disposer d'une sortie vers des canaux de convection.
- En pratique, un matériau d'une épaisseur de 4 mm est utilisé. Mais il est souhaitable d'utiliser des épaisseurs importantes, afin d'éviter le gauchissement et la rupture prématurée due à la corrosion.
- Prêt - les sections de combustion supérieure et inférieure sont combinées par des buses de liaison et les échangeurs de chaleur à air sont connectés selon le principe Buleryan.
- Après cela, vous pouvez passer à l'étape intermédiaire, le soudage des attaches qui empêchent les déformations hydrauliques de l'enveloppe extérieure. Ce sont des goupilles métalliques qui vont renforcer les éléments internes et externes de la chaudière.
- Les éléments de coque sont soudés avec assemblage simultané de toutes les ouvertures des canaux d'air.
- De plus, il est nécessaire de prévoir à l'avance des trous pour les leviers, les registres de cheminée et les registres de chambre secondaire.
- Après avoir soudé les éléments extérieurs du conduit, des portes sont installées, un tuyau d'alimentation en air extérieur, auquel une pompe d'injection et une trappe pour le nettoyage des cheminées de convection seront fixées.
Avantages et inconvénients du four à pyrolyse
Le mini-générateur de gaz, que l'on retrouve dans tous les appareils de ce type, a une position très avantageuse de par son principe de fonctionnement. Son efficacité dépasse 80%. Grâce à ce facteur, le fonctionnement du poêle est très économique: vous pouvez utiliser rationnellement le combustible, régler vous-même le processus et le degré de combustion.
Un tel poêle fonctionnera avec n'importe quel combustible. Comme combustible, divers déchets de l'industrie du bois peuvent être utilisés. Il peut s'agir de bois de chauffage, de copeaux, de sciure de bois, de petites branches, etc.Il est acceptable de faire fonctionner l'appareil avec des petits déchets ménagers, sous forme de plastique ou de petits produits en caoutchouc.
Le gaz de pyrolyse est respectueux de l'environnement et ne nuit pas à la nature.
Le fonctionnement "propre" du poêle à partir d'une bouteille de gaz est très important. Pendant le fonctionnement de l'appareil, des substances sales telles que, par exemple, de la suie ou des cendres n'apparaissent pas, grâce au principe de fonctionnement du générateur de gaz. Ce facteur facilite grandement l'utilisation de la conception: vous n'aurez pas besoin de passer beaucoup de temps à nettoyer le poêle, en éliminant la saleté de ses surfaces.
Défauts:
- Prix élevé. Le plus souvent, cela arrête les acheteurs. Le modèle le moins cher pour un bain coûtera au moins 10 000 roubles. Si vous voulez un échantillon plus moderne et amélioré, vous devrez payer environ 17 000 roubles. Mais les prix élevés sont pleinement rentables avec une bonne qualité et une polyvalence.
- La nécessité d'une alimentation électrique constante. Ceci est nécessaire pour maintenir le four en marche. Il existe des modèles de poêles qui n'ont pas besoin d'un approvisionnement constant en électricité, mais ils ne sont pas populaires.
Principes existants de pose d'un four à pyrolyse
Les principes dans ce cas seront les mêmes que lors de la pose de n'importe quel poêle. La pose doit être effectuée uniformément, en rangées. Lors du processus de disposition de chacune des rangées, il est nécessaire de vérifier la régularité du placement des briques avec un niveau de construction. Les murs et les guides ne doivent pas s'écarter sur les côtés.
Le mélange de maçonnerie doit être préparé à l'avance. Dans ce cas, vous devrez choisir les bonnes proportions de sable et d'argile, rendre le mélange élastique et facile à utiliser.
Une attention particulière doit être portée à la disposition des ouvertures pour les portes.Il est nécessaire d'exposer le cadre et de poser immédiatement un carton spécial à base de basalte entre celui-ci et la maçonnerie
Le métal se dilatera et se contractera en cas de changements de température, un panneau de basalte est utilisé pour niveler ce moment.
La distance entre les briques et les parois de la chaudière doit être d'au moins 6-7 cm.
Au bas de la structure, vous devrez faire plusieurs petits trous. Dans la première ou la deuxième rangée de maçonnerie, de petits espaces doivent être laissés, approximativement dans la couture, afin que l'air puisse être ventilé. L'échange d'air vous permet de réchauffer rapidement la pièce, car dans ce cas, le principe de la convection naturelle fonctionnera.
À la base de la fondation, il sera possible de disposer une autre rangée avec eux, après quoi il est nécessaire de soulever la base de la chaudière. Ce matériau a un bon niveau de résistance, il est donc recommandé de l'utiliser.
Ainsi, une importante somme d'argent peut être économisée.
À l'étape suivante, le tuyau de cheminée est installé, après quoi il est recouvert de briques. Dans ce cas, vous devrez constamment écraser l'intérieur de la maçonnerie. De cette manière, les problèmes liés à l'apparition d'espaces dans les coutures peuvent être évités. Toutes les quelques rangées de maçonnerie avec un chiffon humide, vous devez essuyer le mur de l'intérieur pour essuyer toutes les coutures.
Il est assez difficile de fabriquer un poêle à pyrolyse de vos propres mains, vous ne pouvez donc pas vous passer de l'aide d'un fabricant de poêles professionnel.
Instructions de fabrication
Commande d'un four à pyrolyse en briques
Nous utiliserons le schéma, effectuerons le balisage avant de procéder à la construction d'un four à pyrolyse de nos propres mains.
Nous faisons la fondation. Nous posons l'imperméabilisation sur une base solide. Verser 10 mm de sable dessus.Nous acceptons la plaque de base avec des dimensions de 1200x1000 mm. Hauteur - 100 mm. Mélangez et versez.
Nous commençons à pondre. La première rangée est la plus importante. Soyez particulièrement attentif et prudent. Construire un tel four à pyrolyse de vos propres mains n'est pas une tâche facile. Nous rendons tous les coins strictement perpendiculaires. Zoom sur la commande d'un four à briques conventionnel. Procéder à la pose au foyer. En tant que liant, utilisez des mortiers prêts à l'emploi pour la pose de fours. Ils sont faciles à trouver dans n'importe quel magasin de matériaux de construction.
Nous réalisons le dispositif de la chambre de combustion
Notez qu'il y a 2 caméras ici. Effectuez d'abord le signet de carburant
L'air et les gaz secondaires entrent dans le second pendant le processus de pyrolyse. C'est le principe de base dans la fabrication d'un four à pyrolyse de vos propres mains. Concentrez-vous sur les dimensions indiquées sur la photo n°1.
Installation de la grille. Assurez-vous de laisser un petit espace lorsque le métal se dilate lorsqu'il est chauffé.
Nous installons notre ventilateur. Sa fonction est de créer un flux d'air supplémentaire pour activer le processus de convection. L'intensité de la combustion sera régulée par une vanne dans la cheminée, ce qui vous permettra d'augmenter ou de diminuer le tirage à votre convenance.
Nous montons les portes sur la chambre de combustion et le ventilateur.
Étalez le reste du four. Portez une attention particulière à la cheminée
Il est important de respecter strictement le schéma choisi. Tout écart peut entraîner de la fumée dans la pièce.
Scellez soigneusement toutes les fissures, joints, etc.
Maintenant, notre four doit être testé, puis séché
Posez une petite quantité de petit bois de chauffage. Environ une demi-heure de combustion. Allumez-le et surveillez l'odeur de monoxyde de carbone.Pour le séchage - chauffez le four pendant 2-3 heures deux fois par jour pendant une semaine.
Avantages et inconvénients des générateurs de gaz
Les unités de combustion par pyrolyse sont très efficaces et présentent de nombreux avantages concurrentiels :
- haute performance - efficacité jusqu'à 95%,
- respect de l'environnement - fumée minimale, pas de suie,
- service confortable - ils chargent du carburant 1 à 2 fois par jour, selon le modèle, il n'est pas nécessaire de surveiller en permanence l'alimentation en carburant,
- variabilité du combustible - la pyrolyse est capable de fonctionner sur n'importe quelle ressource de combustible solide. Il peut s'agir de divers matériaux, notamment de la tourbe, des pellets, du bois, du charbon. La sciure de bois, les balles, le carton et d'autres types de déchets industriels sont également utilisés.
Un autre avantage de la tirelire est la disponibilité de l'auto-assemblage et de l'installation du modèle d'usine du générateur de gaz et la possibilité de fabriquer un four à pyrolyse de vos propres mains.
Le principal inconvénient des unités à combustion longue est le coût élevé du produit. Selon la puissance, les modèles sont vendus entre 30 et 100 000 roubles ou plus. Par conséquent, beaucoup sont attirés par l'idée de fabriquer soi-même un four à pyrolyse pour la maison à partir de matériaux peu coûteux.
Parmi les inconvénients du fonctionnement des dispositifs de pyrolyse, on note également les exigences de qualité du combustible. Le bois de chauffage doit être stocké dans des conditions appropriées pour assurer des niveaux d'humidité optimaux. Sinon, l'efficacité de l'unité est réduite, car la présence de vapeurs humides affecte négativement le processus de traitement du gaz.
Combustible pour four à pyrolyse
Ainsi, il n'y a rien de particulièrement difficile à poser soi-même un four à pyrolyse en brique - la pose s'effectue de la même manière que dans le cas de la plupart des autres poêles, et les différences ne sont présentes qu'au stade de l'aménagement du foyer.
Cependant, il ne suffit pas de disposer simplement un tel four. Encore faut-il savoir comment le chauffer.

Briquettes combustibles
La meilleure option de combustible pour les fours à briques à combustion longue est le bois sec et ses produits transformés (pellets, barres, etc.). Plus le combustible est sec, plus vous le compactez soigneusement lors du chargement, plus le fonctionnement de la fournaise sera efficace et économique.

Briquettes combustibles à base de coques de tournesol
A titre de comparaison: lors de l'utilisation d'un combustible avec une teneur en humidité allant jusqu'à 20%, un four à pyrolyse de taille moyenne peut produire en toute sécurité environ 4 kW d'énergie thermique à partir de 1 kg de charge, et lorsque la teneur en humidité du bois augmente à 50%, la performance l'indicateur, toutes choses égales par ailleurs, diminue de plus de 2 fois. Autrement dit, vous devrez dépenser 2 fois plus de carburant, ce qui signifie que les coûts de chauffage augmenteront également 2 fois.
Briquettes combustibles-evrodrov de tilleul
Par conséquent, le carburant doit être aussi sec que possible. Le chargement humide n'est pas en mesure de dégager suffisamment de chaleur, car le processus de pyrolyse peut tout simplement ne pas démarrer. De plus, lors de l'utilisation de bois humide, beaucoup de fumée avec des impuretés nocives sera libérée. Le bois de chauffage brut affectera négativement l'état et le fonctionnement du poêle dans son ensemble.

Pellets (granulés)
En l'absence d'une quantité suffisante de combustible approprié, il est possible de mélanger le bois disponible avec une variété de déchets de construction - résidus de panneaux de particules, plastiques, produits en caoutchouc, etc.Cela vous permettra d'éliminer les déchets et d'économiser davantage sur le chauffage.
Mais ne vous laissez pas trop emporter non plus - pour assurer le rendement élevé du four, les matériaux en bois doivent représenter au moins 70% de la charge totale.
Désormais, vous n'aurez plus aucun problème avec l'auto-construction d'un four à briques à longue durée de vie. Suivez les instructions, effectuez la pose conformément à l'ordre choisi, rappelez-vous les principales caractéristiques des foyers à pyrolyse et tout ira bien.
Travail réussi !
L'essence du processus de pyrolyse
Dans les chaudières à pyrolyse à combustible solide, on utilise de tels types de matières organiques qui, lors de la décomposition thermique, donnent un rendement élevé en substances combustibles volatiles. De telles chaudières fonctionnent non seulement au bois (et à tous les combustibles issus du bois, comme les granulés ou les briquettes combustibles), mais également au charbon, jusqu'aux grades de cokéfaction, dont la température de combustion atteint des valeurs très élevées !
carburant qui couve
Le combustible dans les chaudières à pyrolyse est placé sur la grille. Après avoir enflammé le lot de carburant chargé, la porte étanche se ferme et l'extracteur de fumée commence à fonctionner. En conséquence, une température élevée monte dans la chambre de combustion, jusqu'à 800 degrés, mais il n'y a pas d'oxygène de l'air pour une combustion intensive normale. Au lieu de cela, les combustibles fossiles couvent et se carbonisent, libérant des gaz volatils, principalement des hydrocarbures.
Sous l'action de la convection, des gaz combustibles volatils pénètrent dans l'espace de la grille. Avec eux, l'azote migre également, qui se trouve dans l'air primaire du four. Sous la grille de la grille, l'oxygène du circuit d'alimentation en air secondaire est mélangé au mélange gazeux. Le mélange résultant a déjà la capacité de brûler.Il brûle, remplissant une fonction utile (par exemple, chauffer l'eau dans un échangeur de chaleur), et en plus, la chaleur libérée retourne au combustible fossile et soutient le processus de combustion lente.
Le principe de fonctionnement de la chaudière à pyrolyse
En ce qui concerne les chaudières de chauffage, la pyrolyse est la combustion d'un combustible avec une quantité insuffisante d'oxygène. Dans le même temps, le carburant émet une grande quantité de gaz, presque tous combustibles. Ces gaz sont envoyés dans une chambre spéciale de combustion et de post-combustion, où l'air secondaire est fourni. Le mélange gaz-air s'enflamme, libérant une grande quantité de chaleur. Beaucoup plus d'énergie thermique est libérée que ce qui peut être extrait par la combustion conventionnelle du bois ou du charbon. Le fait est que de nombreuses substances volatiles formées lors de la combustion du carburant ont une température de combustion très élevée. En conséquence, les chaudières à pyrolyse extraient plus de chaleur de la même quantité de combustible.
Une caractéristique de conception des chaudières à pyrolyse est une chambre de combustion composée de deux chambres. Le combustible est placé dans l'un (il s'agit souvent de la partie supérieure du four), des gaz y sont libérés et cette partie s'appelle donc la chambre de génération de gaz. À travers un col étroit, les gaz pénètrent dans la deuxième chambre - la postcombustion. Ici, ils se mélangent à l'air secondaire, s'embrasent et brûlent presque sans résidus.
Chaudière à pyrolyse avec post-combustion inférieure
En moyenne, le rendement des installations de pyrolyse est supérieur à 85 %. Il existe des modèles qui peuvent donner 92% et même un peu plus. Mais ces indicateurs ne sont possibles que et exclusivement lors de l'utilisation de combustible sec. Son humidité devrait être de 5 à 8 %. À 40 % d'humidité, la combustion peut s'éteindre complètement et à 20 %, elle sera tout simplement inefficace.Et c'est l'un des principaux inconvénients de cette technologie : le bois de chauffage et le charbon doivent être séchés au préalable, par exemple en faisant une plate-forme près de la cheminée. C'est juste que le bois de chauffage séché dans un bûcher n'ira pas, comme le charbon pris d'un tas dans la rue.
La vidéo montre une chaudière dans laquelle la postcombustion est en haut. Bien que les chaudières de ce type aient une structure plus simple (les gaz résultants eux-mêmes montent), les bricoleurs préfèrent une chambre avec un emplacement inférieur de la postcombustion (comme sur la photo ci-dessus).
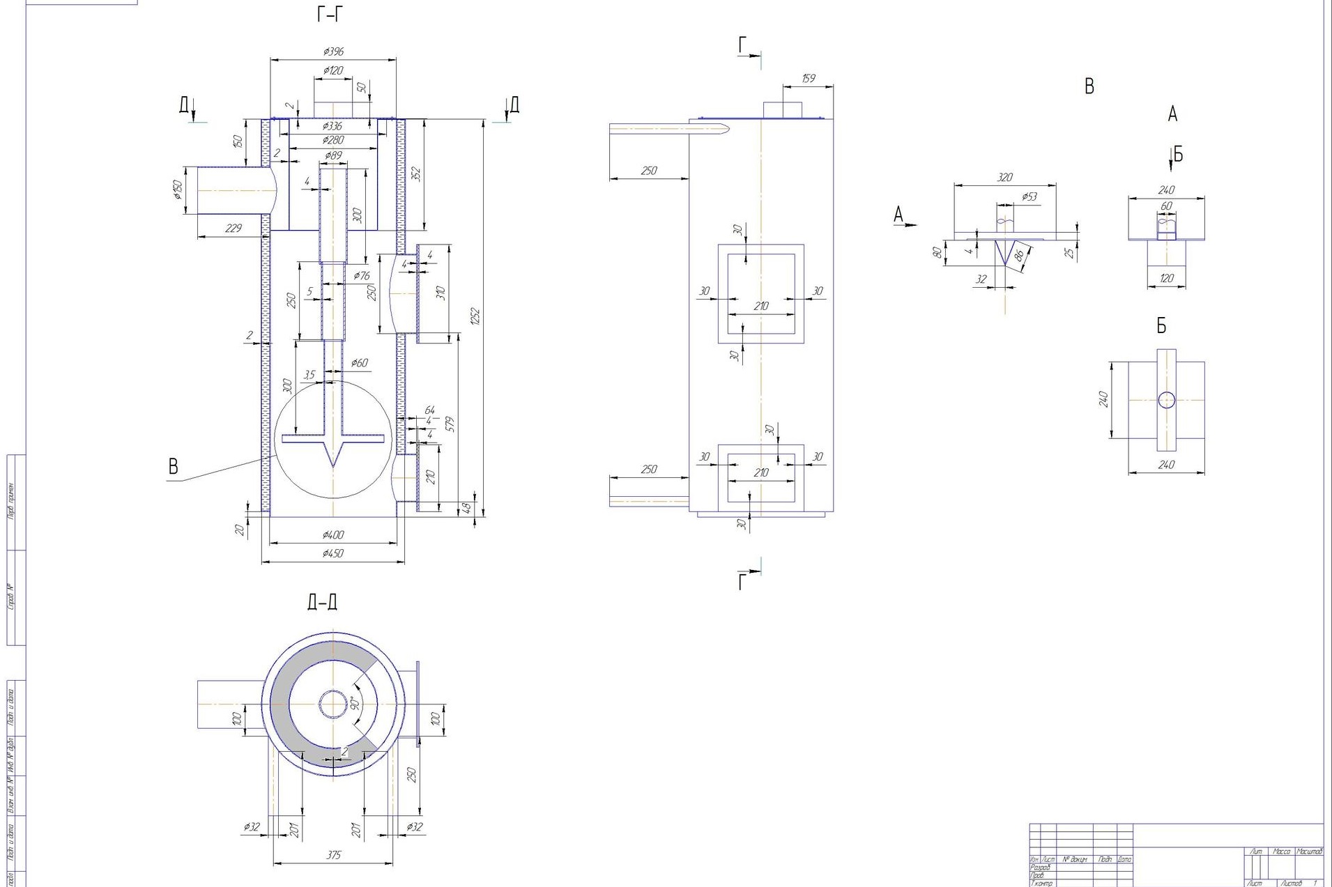
Comment fabriquer un four à pyrolyse en métal de vos propres mains
Comme vous le savez, tous les fours à pyrolyse métallique sont très mobiles et peuvent être déplacés dans l'espace. Par conséquent, beaucoup choisissent ce type de poêle.
À ce jour, un grand nombre de schémas pour leur fabrication ont été présentés, par conséquent, créer votre propre unité de chauffage hautement efficace n'est plus problématique.
Lors de la conception d'un four à pyrolyse fait maison, il faut tenir compte du fait que le processus de pyrolyse n'est pas réglementé, vous devez donc porter une attention particulière au choix des matériaux : ils doivent être de qualité suffisante. Avec les bons matériaux, une chaudière à pyrolyse à faire soi-même peut servir ses propriétaires pendant longtemps
Avec les bons matériaux, une chaudière à pyrolyse à faire soi-même peut servir ses propriétaires pendant longtemps.
Un four à métal est fabriqué à partir de tôles d'acier durables et de haute qualité, généralement 2 parois sont formées dans le four. Entre eux, l'espace est rempli d'eau ou de sable.
Le ventilateur soufflant est un composant essentiel du poêle, dans lequel la chambre à gaz est située en dessous, et fournit un tel élément pour fournir ces gaz vers le bas, où le processus de postcombustion du résidu de gaz a lieu. De plus, les fours à pyrolyse à partir de bouteilles de gaz ne sont pas moins populaires.

Ce que vous devez faire
Il est possible de fabriquer un four à pyrolyse à partir de matériaux improvisés sans recourir à l'achat d'éléments coûteux. Pour créer un four à pyrolyse, vous avez besoin d'un ensemble d'outils de base, ainsi que des principaux composants du four lui-même.
Parmi eux:
- Perceuse.
- Épaisseur du métal 4-7 mm.
- Ventilateur.
- Capteur.
- Machine à souder et électrodes.
- Meules bulgares, de meulage et de coupe.
- Brique réfractaire (pour les chaudières en briques à combustion longue).
- Grilles.
- Tuyaux de différentes sections (rectangulaires et ronds).
- Bande d'acier.
- Deux petites portes.
Calculs nécessaires
Dans le processus de création d'un four à pyrolyse efficace, l'un des points principaux est un dessin bien dessiné et un schéma de la conception future.
À cette fin, il est nécessaire de déterminer à l'avance la taille souhaitée de l'unité, la forme du corps, ainsi que les options d'emplacement des caméras. En outre, vous devez calculer la puissance requise de l'appareil.
Pour ce faire, il existe différentes formules par lesquelles vous pouvez déterminer son efficacité.
Tout d'abord, il convient de déterminer la quantité d'énergie nécessaire pour chauffer toute la pièce.
Ensuite, sélectionnez le carburant souhaité et déterminez le volume du signet de carburant.
Cette valeur est calculée par la formule: M \u003d quantité de chaleur / (15,5 * 0,8 * 0,5) (étant donné que le combustible ne brûle complètement que de 80% et que l'efficacité d'un poêle fait maison est d'environ 50%). Ensuite, le volume requis de combustion de combustible solide est calculé.

Actions préparatoires sur place
Habituellement, l'assemblage du four lui-même a déjà lieu à l'endroit où il se trouvera à l'avenir.
Par conséquent, il est important de bien préparer le site d'installation.
Le poêle lui-même doit être situé à au moins 0,8 m de chaque mur le plus proche. Sur le lieu de son installation, une base est constituée de briques ou d'un autre matériau non combustible, tel qu'une feuille de fer d'environ 0,15 cm d'épaisseur.De plus, la surface de cette base doit être choisie de manière à qu'il est d'un ordre de grandeur plus grand que le poêle lui-même.
Processus de fabrication
Pour la fabrication d'un four à pyrolyse, il est tout d'abord nécessaire de fabriquer des ébauches métalliques spéciales. En soudant tous les détails, ils obtiennent le cadre du poêle.
Après cela, ses murs sont faits, dans lesquels des trous spéciaux pour la chambre de combustion et un trou pour les cendres sont faits.
De plus, dans l'une des parois latérales, il est nécessaire de faire un espace, qui agira comme un ventilateur avec un amortisseur. Il est constitué d'un tuyau de section ronde et son diamètre est de 5-6 cm.
Pour connecter le poêle à la cheminée, il est nécessaire de fixer une branche d'un diamètre d'environ 11-12 cm à l'ouverture du couvercle, à laquelle est attachée une fraise - un amortisseur qui retarde la sortie des gaz de la postcombustion, assurer leur combustion complète.
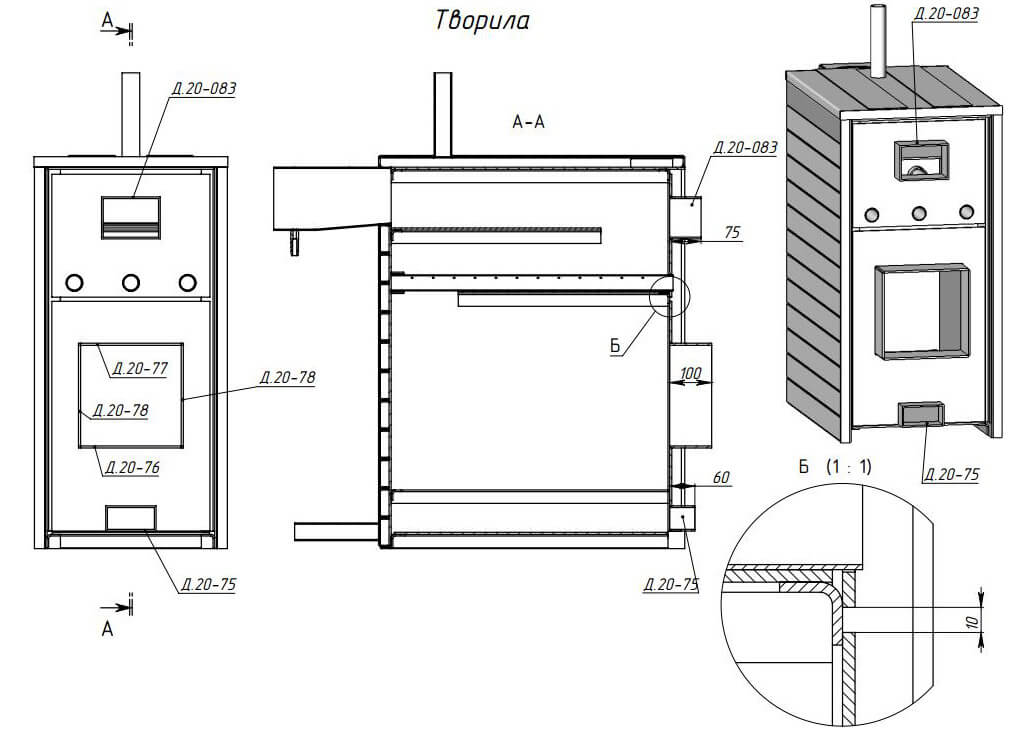
Caractéristiques de fonctionnement et règles du PPB
Il est très facile de faire fonctionner un tel poêle de sauna :
- ils ramassaient du bois de chauffage épais et long;
- remplissez-les avec tout le volume du fourneau;
- ils ont ouvert le registre et le cendrier, vérifié que le tirage était bon et allumé le bois de chauffage.
Tout, comme le bois de chauffage brûle, les pierres chauffent, l'eau chauffe. Vous pouvez appeler des amis, prendre des balais et une provision de décoction à base de plantes ou simplement kvas et éclabousser quelques bols sur les pierres, profiter de la vapeur parfumée et chaude et de la conversation avec vos proches.
Pendant le fonctionnement, il est important de suivre les règles d'utilisation du four en toute sécurité. Il y en a peu et ils sont très simples :
- assurez-vous de vérifier l'état de la cheminée. Au premier signe de son dysfonctionnement ou d'une diminution de la traction, vous devrez immédiatement régler tous les problèmes. Il est recommandé de nettoyer la cheminée au moins une fois par mois ;
- une fois que le bois de chauffage a commencé à brûler, la porte du cendrier doit être fermée ;
- la porte du foyer est ouverte uniquement pour la pose du bois de chauffage et le contrôle de sa combustion. Tout le reste du temps, lorsque le combustible brûle, la porte doit être bien verrouillée ;
- n'essayez pas de chauffer le four en touchant les côtés avec les mains nues - cela entraînerait des brûlures aux mains. Le niveau de chauffage peut être ressenti par la quantité de vapeur des pierres lorsque vous éclaboussez l'eau de la louche dessus.
Four à pyrolyse à faire soi-même : procédé de fabrication
L'ordre de pose du four.
Il est assez difficile de construire un tel four de vos propres mains en brique. Si un ensemble complet de support technique nécessaire est disponible, il y aura un grand nombre de nuances à propos desquelles vous devrez obtenir les conseils d'un spécialiste ayant une expérience de travail pertinente.
Vous devrez travailler avec une température de combustion élevée et respecter les exigences d'étanchéité existantes, ce qui est assez difficile à faire vous-même. Vous devez savoir qu'une telle conception n'a pas besoin d'être connectée au système de chauffage, car cet appareil chauffera simplement l'air des pièces.
Pour améliorer le moment de transfert de chaleur de l'intérieur, il est nécessaire de revêtir le poêle de briques réfractaires spéciales; de l'extérieur, la structure est recouverte de briques réfractaires.
Pour construire une telle chaudière, vous devrez non seulement avoir les compétences nécessaires pour travailler avec une meuleuse et des outils de mesure, mais également être capable de souder du métal.
Il faut comprendre que la fabrication d'un poêle à pyrolyse consiste non seulement à poser des briques, mais également à installer ou à construire une chaudière, qui est l'élément principal de l'ensemble de l'installation.
Le moyen le plus simple consiste à acheter une chaudière prête à l'emploi, puis à la recouvrir de briques. Ainsi, il est possible d'obtenir une structure en brique, qui n'a besoin que d'être installée et connectée.






































