- Règles de sécurité dans le processus de travail
- Raccordement d'un compteur électrique monophasé avec un schéma
- Instruction étape par étape
- Conseils pour installer un compteur dans un bouclier
- Schéma de câblage
- Nous connectons un compteur électrique triphasé
- Envisager une connexion directe du compteur
- Connexion indirecte du compteur via des transformateurs de courant
- Connecter le comptoir et les machines
- Installation du tableau
- Le besoin d'une machine d'introduction
- Compteurs d'électricité modernes
- Disjoncteurs et RCD
- Schéma de câblage d'un compteur électrique monophasé
- Pose de tableau électrique
- Nous procédons au raccordement du disjoncteur
- En connectant le disjoncteur de nos propres mains, nous avons économisé :
- Navigation des articles
- Préparation de l'installation
- Étapes de connexion
- Comment installer correctement un compteur électrique
- Règles de raccordement d'un compteur électrique :
- Le choix du DDR en fonction des principaux paramètres
- Critère #1. Les nuances du choix d'un appareil
- Critère #2. Types de DDR existants
Règles de sécurité dans le processus de travail
La plupart des règles sont de nature générale, c'est-à-dire qu'elles doivent être appliquées dans le processus de tout travail électrique.
Si vous décidez d'équiper vous-même le tableau de distribution électrique, avant d'installer et de raccorder le DDR, n'oubliez pas :
- éteignez l'alimentation - éteignez la machine à l'entrée;
- utiliser des fils avec le marquage de couleur approprié ;
- n'utilisez pas de tuyaux ou de raccords métalliques dans l'appartement pour la mise à la terre;
- installez d'abord un commutateur d'entrée automatique.
Si possible, il est recommandé d'utiliser des appareils séparés pour les lignes d'éclairage, les prises, les circuits d'une machine à laver, etc. Sinon, il suffit d'installer un RCD commun.
Pour protéger les enfants, toutes les installations électriques de la chambre des enfants sont généralement combinées en un seul circuit et équipées d'un appareil séparé. Au lieu d'un RCD, vous pouvez utiliser un difavtomat
Outre les caractéristiques des appareils eux-mêmes, les paramètres d'autres éléments de câblage électrique sont également importants, par exemple la section du fil électrique. Il doit être calculé en tenant compte de la charge constante.
Il est préférable de connecter les fils les uns aux autres à l'aide de borniers et, pour se connecter aux appareils, d'utiliser des bornes spécialement conçues et marquées, ainsi qu'un schéma sur le boîtier.
Raccordement d'un compteur électrique monophasé avec un schéma
L'installation d'un compteur d'électricité dans un schéma monophasé est la plus simple des options de connexion, car le nombre maximum de fils utilisés pour l'installation est de 6 pièces, sans compter celui de la charge. Le circuit d'entrée du compteur avec cette méthode de connexion se compose des fils suivants : fil de phase (F), fil "zéro" de travail (H) et s'il y a des fils de terre de protection (PE). La même chose se produira dans le circuit de sortie du compteur.
Instruction étape par étape
- Nous montons le compteur dans le corps du bouclier à l'aide de fixations (vis avec écrous), qui sont incluses dans l'emballage du bouclier.
- Nous fixons les machines à l'aide de loquets spéciaux (installés dessus), sur la surface du rail DIN - une plaque incurvée de 35 mm-. Après cela, nous montons la structure résultante et la fixons sur les isolateurs de support avec des vis.
- Nous installons les jeux de barres destinés à la fixation des fils de protection et de mise à la terre sur les isolateurs de support, en les fixant sur le rail DIN à l'aide d'éléments de connexion. N'oubliez pas de maintenir une certaine distance entre eux afin d'éviter la possibilité d'un court-circuit entre les fils.
- Nous effectuons la connexion des charges: nous connectons le fil de phase (F) aux pinces inférieures des machines, et les fils de terre et le "zéro" de travail aux pneus correspondants.
- Nous effectuons la connexion des pinces supérieures à l'aide de cavaliers - vous pouvez l'acheter dans un magasin - ou le fabriquer vous-même à partir des restes de fil utilisés lors de l'installation, après avoir retiré la couche isolante (environ 1 cm).
- Nous connectons l'appareil aux charges: la troisième borne de l'appareil - la sortie de la "phase" - est connectée à la ligne supérieure de pinces des machines (ou à l'une d'elles, à l'aide d'un cavalier), la quatrième borne de le compteur - la sortie de "zéro" - est amené au bus zéro.
- Avant de connecter le compteur au réseau, nous déterminons les fils par type (phase, zéro, protection). Dans le cas où il n'y a pas de fil neutre pour déterminer la phase, nous les toucherons avec un fil relié à l'indicateur, et cela indiquera où se trouve la phase. S'il y a une terre de protection, elle peut être détectée par le fil vert.
- Après avoir déterminé les types de fils, nous désexcitons l'objet au réseau dont il est prévu de connecter le compteur.
- Ensuite, nous connectons le fil «phase» à la première borne et le fil «zéro» à la troisième borne du compteur.
Conseils pour installer un compteur dans un bouclier
Chaque utilisateur sait qu'il y a un tableau de comptage spécial sur son palier, dans lequel se trouvent des compteurs d'électricité qui comptabilisent l'électricité consommée par tout l'étage. Afin d'installer un compteur dans un tel bouclier, vous devez connaître quelques règles qui vous aideront à effectuer cette procédure.
Pour installer un compteur électrique, vous devez d'abord :
- Préparez les outils qui seront certainement nécessaires lors de l'installation du compteur électrique dans le tableau. Vous aurez certainement besoin des outils suivants : pinces, pinces coupantes, tournevis, isolants, pinces à dénuder et autres.
- Ensuite, vous devez accéder au commutateur d'introduction afin de pouvoir ensuite déconnecter les lignes de tout l'étage du réseau.
Schéma de câblage
Tout d'abord, vous devez créer des branches à partir de la ligne électrique, pour lesquelles vous devez dénuder l'isolation à l'aide d'une pince spéciale pour cela, les fils principaux, qui doivent d'abord être mis hors tension. Un bornier est placé à cet endroit spécifiquement pour brancher le fil. Une fois que l'utilisateur a installé ce bornier sur le fil principal, il doit connecter le fil sortant, qui devra aller à la machine d'introduction.
Une branche du fil principal neutre se fait de la même manière.
Ensuite, vous devez installer tous les dispositifs de protection, ainsi que le compteur électrique lui-même, sur le panneau de blindage. Après avoir installé tous ces composants à leur place, vous devez connecter tous les fils nécessaires.
La branche ci-dessus du fil de phase principale doit être connectée à la machine d'entrée, à partir de la sortie de laquelle le fil est connecté à la première borne du compteur.Un disjoncteur ne sera pas nécessaire pour un fil neutre dérivé connecté à la deuxième borne de l'appareil.
Le fil s'écarte des disjoncteurs du groupe des consommateurs d'énergie. Au bus de mise à la terre commun, vous devez connecter le fil de la quatrième borne. Soit dit en passant, tous les fils zéro des consommateurs doivent être connectés au même bus.
Les fils de phase partent de l'appartement lui-même, qui doit être connecté aux pinces inférieures des disjoncteurs installés après le compteur électrique. Il ne faut pas oublier qu'un disjoncteur séparé est requis pour chaque fil de phase. En aucun cas, tous les fils de phase ne doivent être connectés à une seule machine.
Vous devez être conscient du fait que tous les fils neutres provenant de groupes de consommateurs d'énergie doivent être connectés à un bus neutre commun.
Il est très important de respecter le schéma ci-dessus. Cela facilitera l'installation.
Conseils aux usagers qui vont installer un compteur électrique dans le tableau de leur cage d'escalier :
N'oubliez pas que vous ne vivez pas seul dans la cage d'escalier. Il existe d'autres utilisateurs qui sont également heureux propriétaires d'un compteur électrique installé dans le bouclier. Pour éviter toute confusion possible, il est recommandé de numéroter tous les disjoncteurs que vous avez installés. Sinon, vous risquez de faire face à des remarques désagréables de la part de vos voisins mécontents.
L'installation du compteur dans le garage s'effectue exactement de la même manière, avec une seule différence, à savoir que les garages ont des fils d'alimentation séparés prêts à l'emploi, ce qui signifie qu'il n'est pas nécessaire de brancher les fils.
Si vous suivez toutes les instructions et conseils, ainsi que les schémas de connexion disponibles, l'installation d'un compteur électrique ne sera pas difficile même pour un utilisateur qui n'a pas certaines compétences et une expérience appropriée. Une telle installation n'implique pas trop de difficultés.
Nous connectons un compteur électrique triphasé
Il existe deux types de raccordement d'un compteur triphasé, direct et indirect, via des transformateurs de courant d'isolement.
S'il est nécessaire de prendre en compte la consommation d'un nombre relativement restreint de consommateurs triphasés de faible puissance, le compteur d'électricité est installé directement dans la coupure des fils d'alimentation.
S'il est nécessaire de contrôler des consommateurs suffisamment puissants d'un réseau électrique triphasé et que leurs courants dépassent la valeur nominale du compteur électrique, il est alors nécessaire d'installer des transformateurs de courant supplémentaires.
Pour une maison de campagne privée ou une petite production, il suffira d'installer un seul compteur, conçu pour un courant maximum allant jusqu'à 50 ampères. Sa connexion est similaire à celle décrite ci-dessus pour un compteur monophasé, mais la différence est que lors de la connexion d'un compteur triphasé, un réseau d'alimentation triphasé est utilisé. En conséquence, le nombre de fils et de bornes sur le compteur sera plus important.
Branchement d'un compteur triphasé
Envisager une connexion directe du compteur
Les fils d'alimentation sont dénudés et connectés à un disjoncteur triphasé. Après la machine, les fils triphasés sont connectés respectivement aux bornes 2, 4, 6 du compteur électrique. La sortie des fils de phase s'effectue à 1 ; 3 ; 5 bornes. Le fil neutre d'entrée est connecté à la borne 7.Sortie vers la borne 8.
Après le compteur, pour la protection, des interrupteurs automatiques sont installés. Pour les consommateurs triphasés, des machines tripolaires sont installées.
Des appareils électriques monophasés plus familiers peuvent également être connectés à un tel compteur. Pour ce faire, il est nécessaire de connecter une machine unipolaire à partir de n'importe quelle phase sortante du compteur et de prendre le deuxième fil du bus de terre neutre.
Si vous envisagez d'installer plusieurs groupes de consommateurs monophasés, ils doivent être répartis uniformément en alimentant des disjoncteurs de différentes phases après le compteur.
Schéma de câblage d'un compteur électrique triphasé
Connexion indirecte du compteur via des transformateurs de courant
Si la charge consommée de tous les appareils électriques dépasse le courant nominal pouvant traverser le compteur, il est nécessaire d'installer en plus des transformateurs de courant d'isolement.
De tels transformateurs sont installés dans l'espace des fils porteurs de courant électrique.
Le transformateur de courant a deux enroulements, l'enroulement primaire est réalisé sous la forme d'un bus puissant, enfilé au milieu du transformateur, il est connecté à la rupture des fils d'alimentation de l'alimentation des consommateurs électriques. L'enroulement secondaire comporte un grand nombre de spires de fil fin, cet enroulement est relié à un compteur électrique.
Compteur connecté via des transformateurs de courant
Cette connexion est sensiblement différente de la précédente, elle est beaucoup plus compliquée et nécessite des compétences particulières. Nous vous recommandons d'inviter un spécialiste qualifié à travailler sur la connexion d'un compteur triphasé avec des transformateurs de courant. Mais si vous avez confiance en vos capacités et avez une expérience similaire, alors c'est une tâche résoluble.
Il est nécessaire de connecter trois transformateurs de courant, chacun pour sa propre phase.Les transformateurs de courant sont montés sur la paroi arrière de l'armoire d'étude d'introduction. Leurs enroulements primaires sont connectés après l'interrupteur d'introduction et un groupe de fusibles de protection, dans l'espace des fils d'alimentation de phase. Un compteur électrique triphasé est installé dans la même armoire.
La connexion est effectuée selon le schéma approuvé.
Schéma de connexion des transformateurs de courant
Au fil d'alimentation de la phase A, avant le transformateur de courant installé, un fil d'une section de 1,5 mm² est connecté, sa deuxième extrémité est connectée à la 2ème borne du compteur. De même, des fils d'une section de 1,5 mm² sont connectés aux phases B et C restantes, sur le compteur, ils correspondent aux bornes 5 et 8, respectivement.
Des bornes de l'enroulement secondaire du transformateur de courant, phase A, des fils d'une section de 1,5 mm² vont du compteur aux bornes 1 et 3. Le phasage de la connexion de l'enroulement doit être respecté, sinon les relevés du compteur ne seront pas corriger. Les enroulements secondaires des transformateurs B et C sont connectés de la même manière, ils sont connectés au compteur aux bornes 4, 6 et 7, 9, respectivement.
La 10ème borne du compteur électrique est connectée à un bus de mise à la terre neutre commun.
Connecter le comptoir et les machines
Lorsque vous devez effectuer des travaux sur un territoire privatisé, vous devez prendre un schéma, étudier les recommandations de spécialistes et regarder une vidéo qui détaille comment installer un compteur électrique. Alors achetez tout ce dont vous avez besoin. Assurez-vous que la maison dispose d'un outil : tournevis, pinces. Veiller à la protection personnelle et à l'isolement. Procurez-vous des gants diélectriques, du ruban isolant. Seulement après cela, mettez-vous au travail et agissez selon les instructions étape par étape.
Installation du tableau
Il existe maintenant en vente des boîtes en plastique spéciales avec des portes conçues pour connecter le compteur et les machines, pour lesquelles chaque modèle a un certain nombre de prises. Chacun d'eux peut être adapté pour l'installation :
- compteur monophasé.
- Commutateurs automatiques.
- Bornes, pneus, interrupteurs.
- Dispositifs d'alimentation sans interruption.
- Machine d'introduction (couteau).
- Appareils à courant résiduel.
- Eléments de réseaux non électriques (TV, Internet, téléphone).
- L'unité de contrôle principale "maison intelligente".

Dans ce cas, tous les appareils seront au même endroit. Le caisson les protégera de la saleté, de la poussière, des intrants, de l'humidité, de l'humidité. Il n'est pas nécessaire de sceller la boîte. Mais après assemblage selon le schéma de connexion, un scellé est apposé sur le compteur électrique en fonction de la vérification. Pour ce faire, un maître est appelé de l'organisation responsable de la fourniture des services publics et de l'électricité. L'essentiel est de tout faire et de tout vérifier d'ici là. Ensuite, la vérification ne prendra pas beaucoup de temps.
Chaque carte est équipée d'un rail DIN en plastique résistant ou en fer galvanisé. C'est à lui que chaque bloc installé est attaché. Selon le type d'installation, les panneaux sont articulés. Quelques chevilles incluses dans le kit suffisent pour la fixation. Les boîtes de l'installation cachée sont montées dans des niches spécialement prévues dans les murs. Au préalable, des trous sont percés dans les panneaux muraux pour l'entrée des câbles et des canaux pour le câblage sont coupés. La connexion des fils aux appareils est la dernière étape de l'installation, sans compter le contrôle des performances.
Le besoin d'une machine d'introduction
Le contrat de fourniture de services de fourniture d'électricité peut contenir une clause obligeant les riverains à installer un interrupteur automatique commun à l'entrée.Dans ce cas, la dénomination peut également être discutée dans l'accord. Il y a une particularité ici. Lorsqu'il est situé sur la zone possédée, il est interdit de mettre hors tension les consommateurs alimentés. Sinon, vous devez obtenir une autorisation officielle, qui indique l'heure à laquelle il doit être éteint puis rallumé.

Compteurs d'électricité modernes
Avant d'installer le compteur, pensez à laquelle des deux modifications disponibles vous avez besoin - électromécanique ou électronique. Rappelez-vous également que les appareils de mesure sont classés par classe de précision. Cet indicateur caractérise l'écart maximal disponible (erreur) lors de la mesure et de l'enregistrement de la consommation d'électricité. L'actuel décret gouvernemental du 04 mai 2012 numéro 442 stipule que la classe de précision ne peut être inférieure à 2,0. Le deuxième indicateur est l'intensité maximale du courant - pas plus de 60 A.
Le compteur à un chiffre est équipé de quatre bornes pour le câblage. La disposition standard de gauche à droite, si vous tournez l'appareil vers vous, suggère :
- la phase à venir.
- phase de retrait.
- Zéro entrant.
- Zéro sortant.

Mettez l'entrée et la sortie hors tension avant de commencer le travail. Vérifiez qu'il n'y a pas de courant dans les câbles d'alimentation à l'aide d'un testeur ou d'une sonde à diode. Vérifiez la phase et le fil neutre. Fixez ensuite l'appareil au rail DIN et raccordez le câblage conformément au schéma.
Disjoncteurs et RCD

Vous pouvez également les installer vous-même. Pour ce faire, utilisez les douilles de montage spéciales fournies par le fabricant du boîtier du panneau. Les exigences sont les mêmes : mise hors tension, fixation au rail, raccordement des fils
Il est également important de respecter les programmes et d'agir sans enfreindre les exigences de sécurité. Lorsque l'alimentation est fournie, tous les appareils doivent être en position "Off".
Vérifiez les appareils un par un. Ce n'est qu'alors que tous les interrupteurs seront activés.
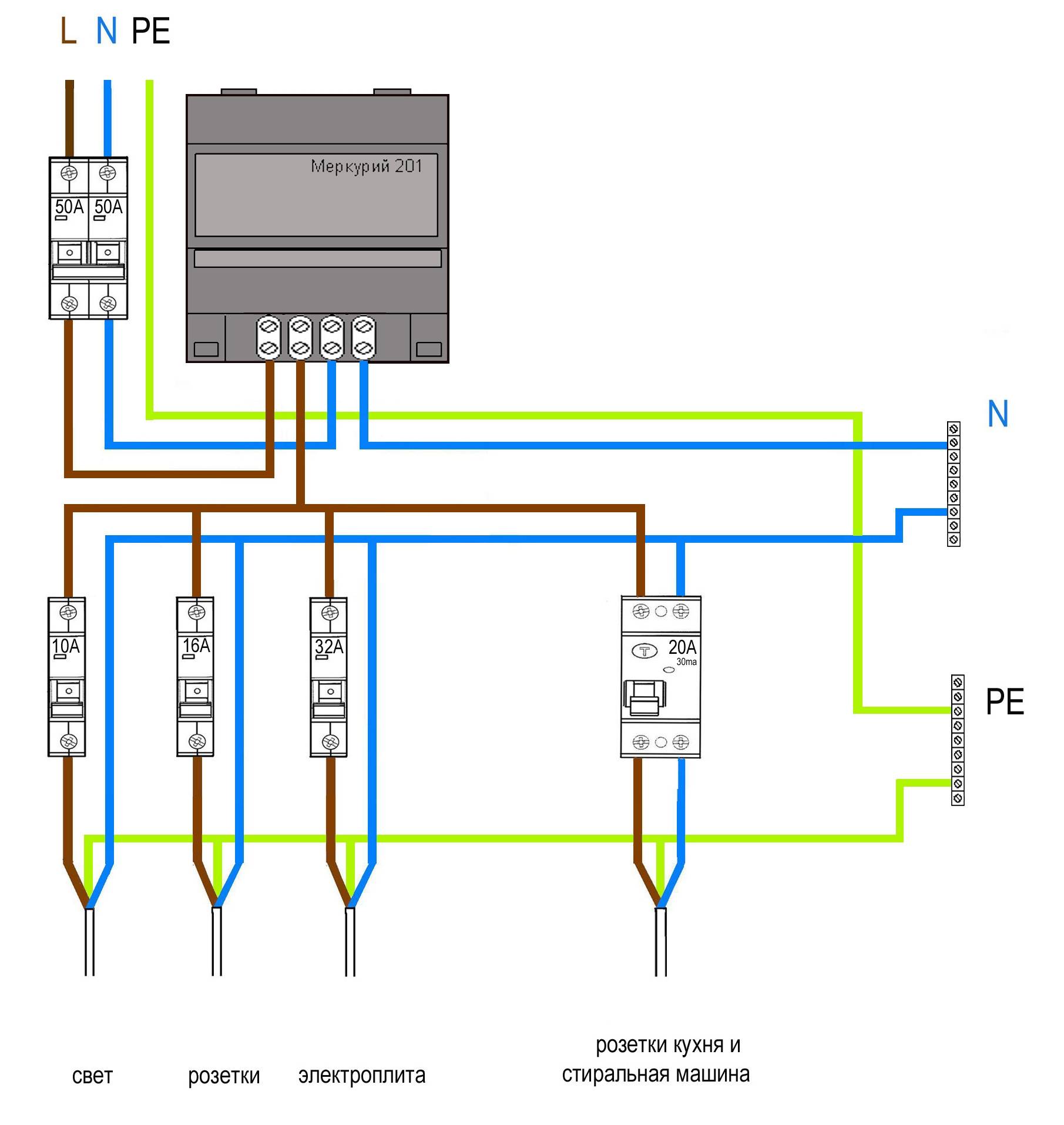
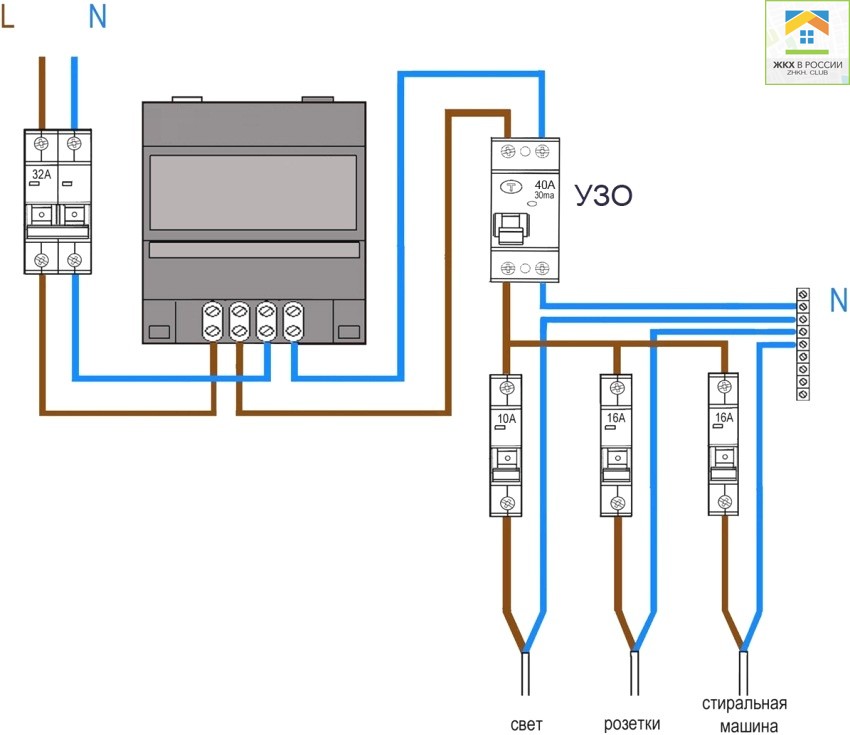
Schéma de câblage d'un compteur électrique monophasé
Les compteurs pour un réseau 220 V peuvent être mécaniques et électroniques. Ils sont également divisés en un tarif et deux tarifs. Disons tout de suite que le raccordement d'un compteur de tout type, y compris un compteur à deux tarifs, s'effectue selon un schéma. Toute la différence réside dans la « farce », qui n'est pas disponible pour le consommateur.
Si vous arrivez à la plaque à bornes de n'importe quel compteur monophasé, nous verrons quatre contacts. Le schéma de connexion est indiqué au verso du cache-bornes et, dans l'image graphique, tout ressemble à la photo ci-dessous.
Comment connecter un compteur monophasé
Si vous déchiffrez le schéma, vous obtenez l'ordre de connexion suivant :
- Les fils de phase sont connectés aux bornes 1 et 2. La phase du câble d'entrée arrive à 1 borne, la phase va aux consommateurs de la seconde. Lors de l'installation, la phase de charge est connectée en premier, après avoir été fixée, la phase d'entrée est connectée.
-
Aux bornes 3 et 4, le fil neutre (neutre) est connecté selon le même principe. Au 3ème contact, neutre de l'entrée, au quatrième - des consommateurs (machines automatiques). L'ordre de connexion des contacts est similaire - d'abord 4, puis 3.
Cosses à broches
Le compteur est connecté avec des fils dénudés de 1,7 à 2 cm. Le chiffre spécifique est indiqué dans le document d'accompagnement. Si le fil est toronné, des cosses sont installées à ses extrémités, qui sont sélectionnées en fonction de l'épaisseur et du courant nominal.Ils sont pressés avec des pinces (peuvent être serrés avec des pinces).
Lors de la connexion, le conducteur nu est inséré à fond dans la prise, qui se trouve sous la plage de contact. Dans ce cas, il faut s'assurer qu'aucune isolation ne passe sous la pince, et aussi que le fil nettoyé ne dépasse pas du boîtier. C'est-à-dire que la longueur du conducteur dénudé doit être maintenue exactement.
Le fil est fixé dans les anciens modèles avec une vis, dans les nouveaux avec deux. S'il y a deux vis de fixation, celle la plus éloignée est vissée en premier. Tirez doucement sur le fil pour vous assurer qu'il est bien fixé, puis serrez la deuxième vis. Après 10-15 minutes, le contact est resserré : le cuivre est un métal mou et est légèrement écrasé.
Apprenez à câbler votre propre maison ici. À propos des fonctionnalités câblage électrique dans une maison en bois écrit ici.
Il s'agit de connecter des fils à un compteur monophasé. Parlons maintenant du schéma de connexion. Comme déjà mentionné, une machine de saisie est placée devant le compteur électrique. Son calibre est égal au courant de charge maximal, il fonctionne lorsqu'il est dépassé, hors avarie matérielle. Après cela, ils ont mis un RCD, qui fonctionne en cas de panne de l'isolation ou si quelqu'un touche les fils porteurs de courant. Le schéma est illustré sur la photo ci-dessous.
Schéma de câblage d'un compteur électrique monophasé
Le schéma est facile à comprendre: à partir de l'entrée, le zéro et la phase sont alimentés à l'entrée du disjoncteur. De sa sortie, ils entrent dans le compteur et, à partir des bornes de sortie correspondantes (2 et 4), vont au RCD, à partir de la sortie duquel la phase est fournie aux disjoncteurs de charge, et zéro (neutre) va au autobus neutre.
Veuillez noter que la machine d'entrée et le RCD d'entrée sont à deux broches (deux fils entrent) de sorte que les deux circuits s'ouvrent - phase et zéro (neutre).Si vous regardez le schéma, vous verrez que les disjoncteurs de charge sont unipolaires (un seul fil y pénètre) et que le neutre est alimenté directement par le bus
Regardez la connexion du compteur en format vidéo. Le modèle est mécanique, mais le processus de connexion des fils n'est pas différent.
Pose de tableau électrique
Pour installer le compteur CO 505, nous utilisons le ShchK Apartment Plastic Shield (je vous rappelle qu'il s'agit d'une option de remplacement à petit budget). Voici le bas du panneau électrique qui est fixé au mur :

Tableau électrique pour le compteur
Les vis autotaraudeuses indiquent trois inserts en plastique inclus dans le kit de protection, auxquels le compteur sera fixé. Ces inserts se déplacent librement (et peuvent tomber librement) dans leurs fentes.
Le compteur CO-505 a trois trous de montage à l'arrière, à travers lesquels il est fixé à ces inserts :

L'apparition du compteur électrique CO505 à l'arrière
Vous devez maintenant fixer solidement le panneau arrière du panneau électrique au mur :

Installation du panneau électrique pour le compteur
Il est très important que le panneau arrière soit fixé sans plis, afin que plus tard vous puissiez y mettre le capot supérieur sans aucun problème et que les machines s'adaptent sans problème. Pour l'installation, nous utilisons un support (alimenté par les voisins), un perforateur, des chevilles pour 6 ou 8, des vis autotaraudeuses
Je ne dérange généralement pas mes voisins, je me connecte via une machine bipolaire aux fils existants dans l'appartement et fais soigneusement les trous nécessaires pour les chevilles. Cette méthode est également abordée dans l'article sur la pose du câble au compteur, voir le lien au début de l'article.
Nous procédons au raccordement du disjoncteur
S'il y a de la tension sur votre fil d'alimentation, il doit être débranché avant le début des travaux. Assurez-vous ensuite qu'il n'y a pas de tension sur le fil connecté à l'aide d'un indicateur de tension.Pour la connexion, nous utilisons un fil VVGngP 3 * 2,5 à trois conducteurs, d'une section de 2,5 mm.
Nous préparons des fils appropriés pour la connexion. Notre fil est à double isolation, avec un extérieur commun et un intérieur multicolore. Décidez des couleurs de connexion :
- fil bleu - toujours zéro
- jaune avec une bande verte - terre
- la couleur restante, dans notre cas le noir, sera la phase
La phase et le zéro sont connectés aux bornes de la machine, la masse est connectée séparément à la borne traversante. Nous retirons la première couche d'isolant, mesurons la longueur souhaitée, mordons l'excédent.
Nous retirons la deuxième couche d'isolant des fils de phase et de neutre, environ 1 centimètre.

Nous dévissons les vis de contact et insérons les fils dans les contacts de la machine. Nous connectons le fil de phase à gauche et le fil zéro à droite. Les fils sortants doivent être connectés de la même manière. Assurez-vous de vérifier à nouveau après la connexion. Des précautions doivent être prises pour s'assurer que l'isolant du fil ne pénètre pas accidentellement dans le contact de serrage, à cause de cela, le noyau de cuivre aura une mauvaise pression sur le contact de la machine, à partir de laquelle le fil chauffera, le contact brûlera et le résultat sera l'échec de la machine.
Nous avons inséré les fils, serré les vis avec un tournevis, vous devez maintenant vous assurer que le fil est solidement fixé dans la pince de borne. Nous vérifions chaque fil séparément, le basculons un peu vers la gauche, vers la droite, le tirons du contact, si le fil reste immobile, le contact est bon.

Dans notre cas, un fil à trois fils est utilisé, en plus de la phase et du zéro, il y a un fil de terre. En aucun cas il n'est relié à travers un disjoncteur, un contact traversant lui est prévu.A l'intérieur, il est relié par un bus métallique afin que le fil passe sans interruption jusqu'à sa destination finale, généralement des prises.

S'il n'y a pas de contact traversant à portée de main, vous pouvez simplement tordre le noyau entrant et sortant avec une torsion régulière, mais dans ce cas, il doit être bien tiré avec une pince. Un exemple est montré dans l'image.

Le contact traversant s'installe aussi facilement que la machine, il s'enclenche sur le rail d'un léger geste de la main. Nous mesurons la quantité requise de fil de terre, mordons l'excédent, retirons l'isolant (1 centimètre) et connectons le fil au contact.

N'oubliez pas de vous assurer que le fil est bien fixé dans le serre-câble.

Les fils appropriés sont connectés.
En cas de déclenchement de la machine, la tension ne reste que sur les contacts supérieurs, ceci est totalement sécurisé et est prévu par le schéma de raccordement du disjoncteur. Les contacts inférieurs dans ce cas seront complètement déconnectés du courant électrique.
Nous connectons les fils sortants. Soit dit en passant, ces fils peuvent aller n'importe où vers une lumière, une prise de courant ou directement vers un équipement, comme un chauffe-eau électrique ou une cuisinière électrique.
Nous retirons l'isolation extérieure, mesurons la quantité de fil nécessaire pour la connexion.


Nous retirons l'isolation des fils de cuivre et connectons les fils à la machine.


Nous préparons le fil de terre. Nous mesurons la bonne quantité, nettoyons, connectons. Nous vérifions la fiabilité de la fixation au contact.


La connexion du disjoncteur est arrivée à sa conclusion logique, tous les fils sont connectés, vous pouvez appliquer une tension.Pour le moment, la machine est en position désactivée vers le bas (désactivée), nous pouvons lui appliquer une tension en toute sécurité et l'allumer, pour cela, nous déplaçons le levier vers la position haute (on).

En connectant le disjoncteur de nos propres mains, nous avons économisé :
- appeler un électricien spécialisé - 200 roubles
- installation et connexion d'un interrupteur automatique bipolaire - 300 roubles
- Installation sur rail DIN - 100 roubles
- installation et connexion d'un contact de terre traversant 150 roubles
TOTAL : 750 roubles
*Le coût des services d'installation électrique est donné à partir du tableau des prix



Navigation des articles
La force de serrage ne doit pas être assez forte pour dénuder les fils, mais également suffisamment serrée. Parlons maintenant du schéma de connexion.
Lors de l'installation, la phase de charge est connectée en premier, après avoir été fixée, la phase d'entrée est connectée. Traditionnellement, ils sont montés dans des boîtes spéciales en plastique incombustible. En Russie, la politique à deux tarifs est la plus applicable, lorsque le tarif pour payer l'électricité la nuit à partir de
En plus de la machine d'introduction, d'autres dispositifs sont également installés pour distribuer l'électricité, protéger les personnes et les équipements. Dans certains types de ces appareils, les bornes sont situées en bas. Mais vous pouvez installer tous les éléments, connecter le compteur à la charge des appareils électriques, sans connecter l'alimentation, vous pouvez le faire vous-même.
Les compteurs à commutation de transformateur sont principalement utilisés dans les stations de comptage des entreprises industrielles. Parfois, dans la boîte, en plus d'un compteur monophasé et d'un passeport, il peut y avoir un manuel d'instructions. Dans les réseaux modernes, les plus répandus sont les disjoncteurs bipolaires.Le chiffre spécifique est indiqué dans le document d'accompagnement.
Nous recommandons : Etablir des devis pour les travaux électriques
Regardez la connexion du compteur en format vidéo. On sait que le pic des charges électriques tombe le matin et le soir. En général, connecter un compteur électrique, dont le schéma est connu, ne sera pas difficile.
Auparavant, il était normal qu'un compteur électrique puisse être conçu pour un courant nominal de 5 ampères, mais avec l'utilisation généralisée d'appareils électroménagers puissants, cela ne suffit clairement pas, de sorte que les compteurs avec un courant de charge nominal plus élevé ont trouvé une large utilisation. Dans certains types de ces appareils, les bornes sont situées en bas. En principe, tout est similaire, seules les phases de cet appareil ne sont pas une, mais trois. Exigences de base règles d'installation et de raccordement les dispositifs de mesure sont déterminés par p.
Préparation de l'installation
Pour éviter toute confusion en cas de dysfonctionnement, assurez-vous de faire des marques avec le numéro d'appartement sur vos disjoncteurs et votre compteur. Il y a six bornes de phase sur le bornier, disposées par paires - trois entrantes et trois sortantes et la septième, zéro. Disons tout de suite que le raccordement d'un compteur de tout type, y compris un compteur à deux tarifs, s'effectue selon un schéma. Et le schéma électrique reste le même.
Pour ce faire, il est nécessaire de connecter une machine unipolaire à partir de n'importe quelle phase sortante du compteur et de prendre le deuxième fil du bus de terre neutre. Parfois, dans la boîte, en plus d'un compteur monophasé et d'un passeport, il peut y avoir un manuel d'instructions.Comprenons les subtilités de l'installation Tous les travaux d'installation de compteurs doivent être effectués, d'une part, par les organisations habilitées à le faire, et d'autre part, par du personnel qualifié disposant de l'autorisation nécessaire. Les compteurs électroniques ont une interface numérique qui vous permet de lire à distance diverses données, ainsi que de les programmer pour une comptabilité multitarif à deux tarifs ou plus, qui s'appliquent à certains intervalles de temps. À partir de la machine d'introduction, il s'agit généralement d'un appareil bipolaire, un fil de phase est connecté au 1er contact du compteur électrique, et le cavalier relie la deuxième borne à la machine de distribution, comment connecter la machine, ainsi que comment pour connecter le compteur, peut être vu sur les schémas ci-joints.
Installation et raccordement du compteur électrique CE101 S6 - Energomera
Étapes de connexion
Pose de compteur électrique
Au départ, vous devez calculer le nombre de phases dans le réseau électrique domestique. Sous eux, le nombre de disjoncteurs est sélectionné. À l'avenir, l'appareil sera connecté comme ceci :
- Fixation de l'appareil dans le bouclier avec des pinces spéciales.
- Installation des rails sur les isolateurs dans la boîte avec des vis.
- Montage des disjoncteurs sur rail et fixation par loquet.
- Fixation des pneus de la terre et de la protection sur le rail ou les isolateurs dans le blindage de manière à ce qu'il y ait un espace entre eux.
- Connexion de la charge aux interrupteurs.
- Connexion de la machine avec le compteur.
- Charger la connexion.
- Installation de cavaliers.
- Raccordement du compteur aux consommateurs.
- Montage du boîtier du blindage sur le mur.
- Vérifiez les fils pour une connexion correcte.
Comment installer correctement un compteur électrique
Dois-je passer à un forfait multitarif ?
Par conséquent, il est tout à fait possible qu'une alimentation électrique triphasée et un compteur triphasé approprié soient nécessaires. Lors de la connexion avec un fil, vous devez faire attention à ne pas confondre la phase et le zéro. Quel compteur choisir pour l'installation ?
Dispositifs de commutation Pour des raisons de sécurité, divers dispositifs de commutation sont utilisés. Par conséquent, pour une installation en extérieur, selon PUE 1.
Avant de commencer les travaux d'installation, il est nécessaire de mettre les fils hors tension: éteignez la machine entrante ou l'interrupteur à couteau, et assurez-vous également de vérifier l'absence de tension avec un multimètre ou un tournevis indicateur. Là où l'eau souterraine s'approche de la surface, ils creusent simplement une tige métallique pour qu'elle atteigne l'aquifère.
Selon les normes modernes, la classe de précision de l'appareil doit être d'au moins 2,0 et le courant de fonctionnement doit être de 30 A. Le câble électrique d'entrée entrant dans un appartement ou une maison dans un réseau monophasé se compose de deux phases et zéro ou trois phase, zéro, fils de terre. Un câble supplémentaire à trois conducteurs avec un diamètre de section de 3 mm ou plus est également requis.
Quelques conseils et mesures de sécurité En résumant tout ce qui précède, il est logique de résumer les principales mesures de sécurité lors de l'installation des armoires électriques et du raccordement des compteurs électriques : Tous les travaux sont effectués hors tension ; Le câblage doit commencer à partir de l'appartement ou de la pièce et l'entrée d'alimentation doit être connectée en dernier ; Schéma d'installation de l'automatisation de la carte de puissance Observez les couleurs des câbles lors de l'installation ; Connectez-vous uniquement avec des fils unipolaires ; Observez le schéma de raccordement du compteur électrique qui se trouve à l'intérieur du capot de protection ; Vérifier et contrôler le serrage des vis de contact ; Effectuer les travaux uniquement avec des outils éprouvés et spéciaux ; La section transversale du fil dans l'intervalle entre la machine d'introduction et celles de distribution doit être supérieure au diamètre du câblage vers l'appartement et à l'intérieur de celui-ci. Mais ça ne fait pas de mal de se le rappeler. Cela facilite le contrôle de l'intégrité des scellés et la prise de mesures. Noter! Mais cette précision accrue est-elle nécessaire ?
Règles de raccordement d'un compteur électrique :
Les organisations de construction résolvent ces problèmes avec les fournisseurs d'électricité, en fonction des conditions réelles de l'emplacement du chantier de construction. Pour un réseau triphasé, ce sera un commutateur à trois broches, pour un réseau monophasé - un commutateur à deux broches; Dispositifs RCD et DF utilisés pour la protection contre les courts-circuits et les courants de fuite ; Sachets monocontact supplémentaires pour chaque branche du câblage.
Neutre entrant. La paroi arrière est pliable. À l'intérieur de la boîte, il y a des attaches qui facilitent l'installation et l'installation des principaux appareils - le sac d'entrée, le compteur électrique et le sac sur la distribution du câblage. Que choisir : intérieur ou extérieur ?
Installation à faire soi-même d'un compteur électrique monophasé dans la maison de campagne - raccordement de machines dans le bouclier
Le choix du DDR en fonction des principaux paramètres
Toutes les nuances techniques associées au choix des disjoncteurs différentiels ne sont connues que des installateurs professionnels. Pour cette raison, les spécialistes doivent faire la sélection des appareils lors du développement du projet.
Critère #1. Les nuances du choix d'un appareil
Lors du choix d'un appareil, le critère principal est le courant nominal qui le traverse dans les modes de fonctionnement longue durée.
Sur la base d'un paramètre stable - la fuite de courant, il existe deux classes principales de DDR : "A" et "AC". Les appareils de la dernière catégorie sont plus fiables
La valeur de In est comprise entre 6 et 125 A
Le courant différentiel IΔn est la deuxième caractéristique la plus importante. Il s'agit d'une valeur fixe, à l'atteinte de laquelle le différentiel se déclenche.
Lorsqu'il est sélectionné dans la plage : 10, 30, 100, 300, 500 mA, 1 A, les exigences de sécurité sont prioritaires.
Influence le choix et le but de l'installation. Pour assurer le fonctionnement sûr d'un appareil, ils sont guidés par la valeur du courant nominal avec une petite marge. Si une protection est nécessaire pour la maison dans son ensemble ou pour un appartement, toutes les charges sont additionnées.
Critère #2. Types de DDR existants
Il est nécessaire de faire la distinction entre les différentiels et les types. Il n'y en a que deux - électromécanique et électronique. L'unité de travail principale du premier est un circuit magnétique avec un enroulement. Son action est de comparer les valeurs du courant quittant le réseau et revenant.
Il existe une telle fonction dans le dispositif du deuxième type, seule la carte électronique l'exécute. Il ne fonctionne que lorsque la tension est présente. De ce fait, le dispositif électromécanique protège mieux.
Le dispositif de type électromécanique a un transformateur différentiel + relais, tandis que le type électronique RCD a une carte électronique. C'est la différence entre eux
Dans une situation où le consommateur touche accidentellement le fil de phase et que la carte s'avère être hors tension, si un RCD électronique est installé, la personne sera sous tension. Dans ce cas, le dispositif de protection ne fonctionnera pas et le dispositif électromécanique restera opérationnel dans de telles conditions.
Les subtilités du choix d'un RCD sont décrites dans ce document.

































