- Pressostat station de pompage
- Relais mécaniques
- Relais électroniques
- Spécifications de l'appareil
- Caractéristiques du travail
- Comment régler correctement le relais et calculer la pression
- Réglage du pressostat
- Avez-vous besoin d'un accumulateur hydraulique
- Comment changer la portée du relais
- Ce qui est pris en compte lors des ajustements
- Causes des problèmes matériels
- Influence de la pression d'air dans le réservoir
- Comment configurer le système pour 50 litres?
- Correction des erreurs dans le travail
- Violation des règles de fonctionnement
- Dysfonctionnements du moteur
- Problèmes de pression d'eau dans le système
- Comment régler correctement le relais ?
Pressostat station de pompage
Le capteur régule automatiquement le processus de pompage de l'eau dans le système. C'est le pressostat qui est responsable de la mise en marche et de l'arrêt de l'équipement de pompage. Il contrôle également le niveau de pression de l'eau. Il y a des éléments mécaniques et électroniques.
Relais mécaniques
Les appareils de ce type se distinguent par une conception simple et en même temps fiable. Ils sont beaucoup moins susceptibles de tomber en panne que leurs homologues électroniques, car il n'y a tout simplement rien à griller dans les relais mécaniques. Le réglage s'effectue en modifiant la tension des ressorts.
Pressostat mécanique réglable par tension de ressort
Le relais mécanique comprend une plaque métallique où le groupe de contact est fixé.Il existe également des bornes pour connecter l'appareil et des ressorts pour le réglage. La partie inférieure du relais est réservée à la membrane et au piston. La conception du capteur est assez simple, il ne devrait donc pas y avoir de problèmes sérieux d'auto-démontage et d'analyse des dommages.
Relais électroniques
De tels appareils séduisent principalement par leur facilité d'utilisation et leur précision. Le pas du relais électronique est sensiblement plus petit que celui mécanique, ce qui signifie qu'il y a plus d'options de réglage ici. Mais l'électronique, en particulier celle à petit budget, tombe souvent en panne. Par conséquent, des économies excessives dans ce cas ne sont pas pratiques.
Pressostat d'eau électronique
Un autre avantage évident d'un relais électronique est la protection de l'équipement contre le ralenti. Lorsque la pression de l'eau dans la conduite est minimale, l'élément continuera à fonctionner pendant un certain temps. Cette approche vous permet de protéger les nœuds principaux de la station. Réparer soi-même un relais électronique est beaucoup plus difficile : en plus des connaissances techniques, il faut un outillage spécifique. Par conséquent, il est préférable de laisser le diagnostic et la maintenance du capteur à des professionnels.
Spécifications de l'appareil
Selon le modèle de la station et son type, l'appareil peut être situé à l'intérieur du boîtier et monté à l'extérieur. Autrement dit, si l'équipement est livré sans relais ou si sa fonctionnalité ne convient pas à l'utilisateur, il est toujours possible de sélectionner l'élément dans une commande séparée.
Les capteurs diffèrent également par la pression maximale admissible. Une bonne moitié des relais classiques sont réglés sur 1,5 atm pour démarrer le système et 2,5 atm pour le désactiver. Les modèles domestiques puissants ont un seuil de 5 atm.
Lorsqu'il s'agit d'un élément extérieur, il est extrêmement important de prendre en compte les caractéristiques de la station de pompage.Si la pression est trop élevée, le système risque de ne pas résister et, par conséquent, des fuites, des ruptures et une usure précoce de la membrane apparaîtront.
Par conséquent, il est si important d'ajuster le relais en tenant compte des indicateurs critiques de la station.
Caractéristiques du travail
Considérez le principe de fonctionnement de l'appareil en utilisant l'exemple de l'un des relais les plus courants pour les stations de pompage - RM-5. En vente, vous pouvez également trouver des analogues étrangers et des solutions plus avancées. Ces modèles sont équipés d'une protection supplémentaire et offrent des fonctionnalités avancées.
PM-5 comprend une base métallique mobile et une paire de ressorts des deux côtés. La membrane déplace le plateau en fonction de la pression. Au moyen d'un boulon de serrage, vous pouvez régler les indicateurs minimum et maximum auxquels l'équipement s'allume ou s'éteint. Le RM-5 est équipé d'un clapet anti-retour, de sorte que lorsque la station de pompage est désactivée, l'eau ne retourne pas dans le puits ou le puits.
Analyse pas à pas du capteur de pression :
- Lorsque le robinet est ouvert, l'eau commence à couler du réservoir.
- Au fur et à mesure que le liquide dans la station de pompage diminue, la pression diminue progressivement.
- La membrane agit sur le piston et celui-ci, à son tour, ferme les contacts, y compris l'équipement.
- Lorsque le robinet est fermé, le réservoir est rempli d'eau.
- Dès que l'indicateur de pression atteint ses valeurs maximales, l'appareil s'éteint.
Les réglages disponibles déterminent la fréquence de la pompe : la fréquence à laquelle elle s'allumera et s'éteindra, ainsi que le niveau de pression. Plus l'intervalle entre le démarrage et la désactivation de l'équipement est court, plus les principaux composants du système et l'ensemble de l'équipement dureront longtemps. Par conséquent, un réglage compétent du pressostat est si important.
Mais non seulement le capteur affecte le fonctionnement de l'équipement. Il arrive que l'appareil soit configuré correctement, mais d'autres éléments de la station annulent le fonctionnement de l'ensemble du système. Par exemple, le problème peut être dû à un moteur défectueux ou à des communications obstruées. Par conséquent, il convient d'aborder l'inspection du relais après avoir diagnostiqué les principaux éléments, en particulier en ce qui concerne les capteurs mécaniques. Dans une bonne moitié des cas, pour éliminer les problèmes de répartition de la pression, il suffit de nettoyer le relais des salissures accumulées : ressorts, plaques et groupes de contact.
Comment régler correctement le relais et calculer la pression
Tous les appareils quittent la chaîne de production avec certains paramètres, mais après l'achat, une vérification supplémentaire doit être effectuée. Lors de l'achat, vous devez vous renseigner auprès du vendeur sur les valeurs que le fabricant recommande d'utiliser lors du réglage de la pression de profondeur. En d'autres termes, la pression à laquelle les contacts se ferment et s'ouvrent.
Si la station tombe en panne en raison d'un mauvais réglage du pressostat de la station de pompage jumbo, il ne sera pas possible d'utiliser la garantie du fabricant.
Lors du calcul des valeurs de pression d'enclenchement, les paramètres suivants sont pris en compte :
- Pression requise au point de soutirage le plus élevé.
- Différence de hauteur entre le point de puisage supérieur et la pompe.
- Perte de pression d'eau dans la canalisation.
La valeur de la pression de commutation est égale à la somme de ces indicateurs.
Le calcul de la pression d'arrêt pour résoudre la question de savoir comment configurer le pressostat est effectué comme suit: la pression d'activation est calculée, un bar est ajouté à la valeur obtenue, puis un bar et demi est soustrait du montant. Le résultat ne doit pas dépasser la valeur de la pression maximale admissible qui se produit à la sortie du tuyau de la pompe.
Réglage du pressostat
Lors du processus d'assemblage de la station de pompage, une attention particulière est portée au réglage du pressostat. La facilité de fonctionnement du système d'alimentation en eau, ainsi que les conditions de service sans problème de tous les composants de l'appareil, dépendent de la précision avec laquelle ses niveaux de limitation sont réglés.

Lors de la première étape, vous devez vérifier la pression créée dans le réservoir lors de la fabrication de la station de pompage. Habituellement, en usine, le niveau marche-arrêt est réglé sur 1,5 atmosphères et le niveau arrêt sur 2,5 atmosphères. Ceci est vérifié avec un réservoir vide et la station de pompage débranchée du secteur. Il est recommandé de vérifier avec un manomètre mécanique automobile. Il est placé dans un boîtier métallique, de sorte que les mesures sont plus précises qu'avec des manomètres électroniques ou en plastique. Leurs lectures peuvent être affectées à la fois par la température de l'air dans la pièce et par le niveau de charge de la batterie. Il est souhaitable que la limite d'échelle du manomètre soit aussi petite que possible. Car sur une échelle de 50 atmosphères par exemple, il sera très difficile de mesurer précisément une atmosphère.

Une autre option est également possible - surveiller attentivement la pression d'arrêt de la pompe. S'il a augmenté, cela signifiera une diminution de la pression d'air dans le réservoir. Plus la pression d'air est basse, plus d'eau peut être créée.Cependant, la pression répartie d'un réservoir complètement rempli à un réservoir pratiquement vide est importante, et tout cela dépendra des préférences du consommateur.
Après avoir choisi le mode de fonctionnement souhaité, vous devez le régler en purgeant l'excès d'air pour cela, ou en le pompant en plus. Il faut garder à l'esprit qu'il ne faut pas réduire la pression à une valeur inférieure à une atmosphère, et aussi trop pomper. En raison de la faible quantité d'air, le récipient en caoutchouc rempli d'eau à l'intérieur du réservoir touchera ses parois et sera essuyé. Et l'excès d'air ne permettra pas de pomper beaucoup d'eau, car une partie importante du volume du réservoir sera occupée par l'air.
Avez-vous besoin d'un accumulateur hydraulique
Une question raisonnable : est-il possible de se passer d'un accumulateur hydraulique ? En principe, cela est possible, mais avec une unité d'automatisation conventionnelle, la pompe s'allumera et s'éteindra très souvent, réagissant même à un léger débit d'eau. Après tout, la quantité d'eau dans la canalisation sous pression est faible et le moindre écoulement d'eau entraînera une chute rapide de la pression et sa même augmentation rapide lorsque la pompe est allumée. C'est justement parce que la pompe ne s'allume pas à chacun de vos "éternuements" qu'ils ont mis un accumulateur hydraulique, du moins un petit. L'eau étant une substance incompressible, de l'air est pompé dans l'accumulateur qui, contrairement à l'eau, se comprime bien et agit comme une sorte d'amortisseur qui régule l'accumulation et le débit d'eau. S'il n'y a pas ou trop peu d'air dans l'accumulateur, il n'y aura rien à comprimer, c'est-à-dire qu'il n'y aura pas d'accumulation d'eau.
Idéalement, la capacité des accumulateurs ne devrait être que légèrement inférieure au débit de votre source d'eau, et la pompe, dans ce cas, ne s'allumera que lorsqu'une quantité d'eau assez décente sera épuisée, c'est-à-diretrès rarement, mais longtemps. Mais alors cela coûtera très cher.
Désormais, des stations de pompage dotées d'unités d'automatisation améliorées avec protection intégrée contre le fonctionnement à sec sont apparues en vente, qui démarrent et arrêtent la pompe en douceur, régulent sa puissance en fonction de la pression donnée. On pense que l'accumulateur, en principe, ils n'en ont pas besoin. Mais tout cela ne fonctionne bien qu'en l'absence de surtensions, dont nos régions éloignées et nos chalets d'été ne peuvent se vanter. Et, malheureusement, les stabilisateurs ne sauvent pas toujours de ce problème. De plus, le prix d'une telle station est très souvent beaucoup plus élevé que d'habitude, ce qui, à mon avis, ne se justifie pas.
Comment changer la portée du relais
Si la pression "inférieure" est normale, mais que vous n'avez besoin que d'augmenter ou de diminuer la pression "supérieure", vous devez utiliser un régulateur plus petit.
- Serrer l'écrou de ce régulateur dans le sens des aiguilles d'une montre augmentera la pression "supérieure", tandis que la pression "inférieure" restera inchangée.
- Le dévissage est le contraire: dans ce cas, la différence entre eux diminuera ou augmentera - ∆P.
- Après avoir modifié le réglage, l'alimentation est allumée et le moment est noté sur le manomètre lorsque la pompe est éteinte - la pression «supérieure».
- Si les résultats sont satisfaisants, le réglage peut être arrêté à ce stade, sinon, le processus est répété jusqu'à ce que le résultat souhaité soit obtenu.
Si la pression «inférieure» et la plage de fonctionnement du relais ne sont pas satisfaites en même temps, il est nécessaire de régler d'abord avec un grand régulateur, puis avec un plus petit, l'ensemble du processus est contrôlé par le manomètre de la station.
Ce qui est pris en compte lors des ajustements
Lors du réglage du fonctionnement du relais d'équipement par vous-même, il est nécessaire de prendre en compte ces points importants:
- Il est impossible de régler la pression "supérieure", qui est supérieure à 80% du maximum du produit, sur ce modèle. En règle générale, elle est indiquée sur l'emballage ou dans la notice, et varie de 5 à 5,5 bar.
Pour régler un niveau supérieur dans le système d'une maison privée, il est nécessaire de sélectionner un relais avec une pression maximale plus élevée. - Avant d'augmenter la pression pour allumer la pompe, il est nécessaire de se familiariser avec ses caractéristiques, si elle peut développer une telle pression. Sinon, s'il ne peut pas être créé, l'unité ne s'éteindra pas et le relais ne pourra pas l'éteindre, car la limite définie ne peut pas être atteinte.
La tête de pompe se mesure en mètres de colonne d'eau : 1 m d'eau. Art. = 0,1 bar. De plus, les pertes hydrauliques dans l'ensemble du système sont également prises en compte. - Il est impossible de serrer les écrous des régulateurs jusqu'à l'échec pendant la régulation, sinon le relais peut complètement cesser de fonctionner.
Causes des problèmes matériels
Les statistiques de dysfonctionnements dans le fonctionnement des stations de pompage domestiques indiquent que le plus souvent, des problèmes surviennent en raison d'une violation de l'intégrité de la membrane de l'accumulateur, du pipeline, des fuites d'eau ou d'air, ainsi que de divers contaminants dans le système.
La nécessité d'intervenir dans son travail peut survenir pour plusieurs raisons :
- Le sable et diverses substances dissoutes dans l'eau peuvent provoquer de la corrosion, entraîner des dysfonctionnements et réduire les performances des équipements. Pour éviter le colmatage de l'appareil, il est nécessaire d'utiliser des filtres qui purifient l'eau.
- La diminution de la pression d'air dans la station provoque un fonctionnement fréquent de la pompe et son usure prématurée.Il est recommandé de mesurer la pression d'air de temps en temps et de l'ajuster si nécessaire.
- Le manque d'étanchéité des joints de la canalisation d'aspiration est la raison pour laquelle le moteur tourne sans s'éteindre, mais ne peut pas pomper de liquide.
- Un mauvais réglage de la pression de la station de pompage peut également entraîner des désagréments et même des pannes du système.
Pour prolonger la durée de vie de la station, il est recommandé de l'auditer périodiquement. Tout travail de réglage doit commencer par la déconnexion du secteur et la vidange de l'eau.

La consommation électrique et la charge maximale doivent être vérifiées périodiquement. Une augmentation de la consommation d'énergie indique un frottement dans la pompe. Si la pression chute sans fuite détectée dans le système, alors l'équipement est usé
Influence de la pression d'air dans le réservoir
Le fonctionnement normal de l'équipement dépend de la pression d'air dans l'accumulateur (voir Schéma de raccordement de l'accumulateur à la pompe submersible : ce qui est mieux), mais cela n'a rien à voir avec le réglage du relais. Dans tous les cas, il commencera à fonctionner à une certaine pression «inférieure» et «supérieure», quelle que soit sa présence dans le réservoir.
En l'absence d'air dans le réservoir à membrane, cela ne peut conduire qu'à un remplissage complet avec de l'eau et la pression dans le système commencera à monter instantanément vers la «supérieure» et la pompe s'éteindra immédiatement après l'arrêt de l'apport de liquide. Chaque fois que le robinet est ouvert, la pompe se met en marche, elle tombera immédiatement à la limite "inférieure".
En l'absence d'accumulateur hydraulique, le relais fonctionnera toujours. Une pression d'air réduite entraîne un fort étirement de la membrane et une pression d'air accrue entraîne un remplissage insuffisant du réservoir avec de l'eau. Dans ce cas, une pression d'air excessive déplacera le liquide.
Pour le fonctionnement normal de la station de pompage et la longue durée de vie de la membrane, il est nécessaire que la pression d'air soit inférieure de 10% à celle "inférieure" réglée lors du réglage. Ensuite, l'accumulateur sera normalement rempli d'eau et la membrane ne s'étirera pas trop, ce qui signifie qu'elle durera longtemps. Dans ce cas, la pompe s'allumera à des intervalles correspondant au ∆P réglé dans le relais.De plus, il est nécessaire de vérifier la pression d'air dans le réservoir de la station de pompage s'il n'y a pas de pression de liquide dans celui-ci. Dans ce cas, vous devez ouvrir le robinet situé dans le système en dessous de tout et vider toute l'eau.
Les détails du réglage du pressostat sont bien montrés dans la vidéo de cet article.
En suivant ces simples recommandations, la station de pompage sera en bon état pour longtemps.
Comment configurer le système pour 50 litres?
Après les calculs, il est nécessaire de mesurer l'indicateur de pression atmosphérique à l'intérieur de la station, dont la valeur ne doit pas dépasser 1,5 atm.
C'est cet indicateur qui fournira une bonne pression d'eau. Plus le paramètre est grand, moins l'eau peut couler.
Pour la mesure, vous pouvez utiliser un manomètre pour une voiture, ce qui permet de calculer l'indicateur avec le moins d'imprécision.
Après avoir déterminé la pression d'air, il faut:
- Démarrer la pompe pour établir la pression dans le système.
- Déterminez à quel point du manomètre l'arrêt se produit.
- Réglez l'interrupteur pour désactiver le mécanisme.
- Ouvrez le robinet pour que l'accumulateur se débarrasse de l'humidité et fixez l'indicateur.
- Monter le petit ressort sous les seuils formés.
| Indice | Action | Résultat |
| 3.2-3,3 | Rotation de la vis sur un petit ressort jusqu'à ce que le moteur soit complètement éteint. | Diminution de l'indicateur |
| Moins de 2 | Ajouter de la pression | Augmentation de l'indicateur |
La valeur recommandée est de 2 atmosphères.
En adhérant à ces recommandations, des indicateurs acceptables du système d'approvisionnement en eau peuvent être établis.
Correction des erreurs dans le travail
Avant de se lancer dans une intervention plus sérieuse dans le fonctionnement de l'équipement, il est nécessaire de prendre les mesures les plus simples - nettoyer les filtres, éliminer les fuites. S'ils ne produisent pas de résultats, passez aux étapes suivantes en essayant d'identifier la cause première.
La prochaine chose à faire est d'ajuster la pression dans le réservoir d'accumulateur et d'ajuster le pressostat.
Voici les dysfonctionnements les plus courants de la station de pompage domestique, que l'utilisateur peut essayer de résoudre par lui-même. Pour des problèmes plus graves, contactez le centre de service.
Violation des règles de fonctionnement
Si la station fonctionne en continu sans s'arrêter, la cause probable est un réglage incorrect du relais - une pression d'arrêt élevée est définie. Il arrive aussi que le moteur tourne, mais que la station ne pompe pas l'eau.
La raison peut résider dans ce qui suit :
- Lors du premier démarrage, la pompe n'était pas remplie d'eau. Il est nécessaire de corriger la situation en versant de l'eau à travers un entonnoir spécial.
- L'intégrité de la conduite est rompue ou un bouchon d'air s'est formé dans la conduite ou dans la vanne d'aspiration. Pour trouver une cause spécifique, il est nécessaire de s'assurer que : le clapet de pied et tous les raccords sont bien serrés, il n'y a pas de coudes, de rétrécissements, de blocages hydrauliques sur toute la longueur du tuyau d'aspiration. Tous les dysfonctionnements sont éliminés, si nécessaire, remplacez les zones endommagées.
- L'équipement fonctionne sans accès à l'eau (sec). Il est nécessaire de vérifier pourquoi il n'est pas là ou d'identifier et d'éliminer d'autres causes.
- Le pipeline est bouché - il est nécessaire de nettoyer le système des contaminants.
Il arrive que la station fonctionne très souvent et s'éteigne. Cela est probablement dû à une membrane endommagée (il est alors nécessaire de la remplacer) ou au système n'a pas la pression requise pour le fonctionnement. Dans ce dernier cas, il est nécessaire de mesurer la présence d'air, de vérifier si le réservoir est fissuré et endommagé.
Avant chaque démarrage, il est nécessaire de verser de l'eau dans la station de pompage à travers un entonnoir spécial. Elle ne doit pas travailler sans eau. S'il y a une possibilité que la pompe fonctionne sans eau, vous devez acheter des pompes automatiques équipées d'un contrôleur de débit
Moins probable, mais il peut arriver que le clapet anti-retour soit ouvert et bloqué à cause de débris ou d'un corps étranger. Dans une telle situation, il sera nécessaire de démonter le pipeline dans la zone de blocage possible et d'éliminer le problème.
Dysfonctionnements du moteur
Le moteur de la station domestique ne tourne pas et ne fait pas de bruit, éventuellement pour les raisons suivantes :
- L'équipement est déconnecté de l'alimentation électrique ou il n'y a pas de tension secteur. Vous devez vérifier le schéma de câblage.
- Le fusible a sauté. Dans ce cas, vous devez remplacer l'élément.
- Si la roue du ventilateur ne peut pas être tournée, elle est bloquée. Vous devez savoir pourquoi.
- Relais endommagé. Vous devez essayer de l'ajuster ou, s'il échoue, le remplacer par un nouveau.
Les dysfonctionnements du moteur obligent le plus souvent l'utilisateur à recourir aux services d'un centre de service.
Problèmes de pression d'eau dans le système
Une pression d'eau insuffisante dans le système peut s'expliquer par plusieurs raisons :
- La pression de l'eau ou de l'air dans le système est réglée sur une valeur basse inacceptable. Ensuite, vous devez configurer le fonctionnement du relais conformément aux paramètres recommandés.
- Tuyauterie ou roue de pompe bloquée. Le nettoyage des éléments de la station de pompage de la contamination peut aider à résoudre le problème.
- L'air pénètre dans le pipeline. La vérification de l'étanchéité des éléments du pipeline et de leurs connexions pourra confirmer ou infirmer cette version.
Une mauvaise alimentation en eau peut également être causée par l'aspiration d'air en raison de raccords de plomberie desserrés ou par une baisse du niveau d'eau telle que de l'air est pompé dans le système lorsqu'il est aspiré.
Une mauvaise pression de l'eau peut créer une gêne notable lors de l'utilisation du système de plomberie
Comment régler correctement le relais ?
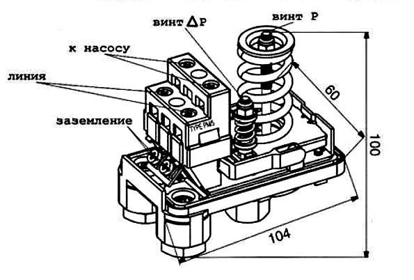
Il y a un couvercle sur le boîtier du pressostat, et en dessous se trouvent deux ressorts équipés d'écrous : un grand et un petit. En faisant tourner ces ressorts, la pression inférieure dans l'accumulateur est réglée, ainsi que la différence entre les pressions d'enclenchement et de déclenchement. La pression inférieure est régulée par un grand ressort, et un petit est responsable de la différence entre la pression supérieure et la pression inférieure.
Il y a deux ressorts de réglage sous le couvercle du pressostat. Le grand ressort régule l'activation de la pompe et le petit ressort régule la différence entre la pression de marche et d'arrêt.
Avant de commencer l'installation, il est nécessaire d'étudier la documentation technique du pressostat, ainsi que la station de pompage : le réservoir hydraulique et ses autres éléments.
La documentation indique les indicateurs de fonctionnement et de limitation pour lesquels cet équipement est conçu. Lors du réglage, ces indicateurs doivent être pris en compte afin de ne pas les dépasser, sinon ces appareils risquent de tomber rapidement en panne.
Il arrive parfois que lors du réglage du pressostat, la pression dans le système atteigne encore les valeurs limites. Si cela se produit, il vous suffit d'éteindre la pompe manuellement et de continuer le réglage. Heureusement, de telles situations sont extrêmement rares, car la puissance des pompes de surface domestiques n'est tout simplement pas suffisante pour amener le réservoir ou le système hydraulique à sa limite.
Sur la plate-forme métallique où se trouvent les ressorts de réglage, les désignations "+" et "-" sont faites, ce qui vous permet de comprendre comment faire tourner le ressort afin d'augmenter ou de diminuer l'indicateur
Il est inutile de régler le relais si l'accumulateur est rempli d'eau. Dans ce cas, non seulement la pression de l'eau sera prise en compte, mais également les paramètres de la pression d'air dans le réservoir.
Pour régler le pressostat, suivez ces étapes :
- Régler la pression d'air de service dans l'accumulateur vide.
- Allumez la pompe.
- Remplir le réservoir d'eau jusqu'à ce que la pression inférieure soit atteinte.
- Éteignez la pompe.
- Tourner le petit écrou jusqu'à ce que la pompe démarre.
- Attendez que le réservoir soit plein et que la pompe soit éteinte.
- Le large.
- Tournez le grand ressort pour régler la pression d'enclenchement.
- Allumez la pompe.
- Remplir le réservoir hydraulique d'eau.
- Corrigez la position du petit ressort de réglage.
Vous pouvez déterminer le sens de rotation des ressorts de réglage à l'aide des signes «+» et «-», généralement situés à proximité. Pour augmenter la pression de commutation, le grand ressort doit être tourné dans le sens des aiguilles d'une montre et pour diminuer ce chiffre, il doit être tourné dans le sens inverse des aiguilles d'une montre.
Les ressorts de réglage du pressostat sont très sensibles, ils doivent donc être serrés très soigneusement, en vérifiant constamment l'état du système et du manomètre
La rotation des ressorts de réglage lors du réglage du pressostat de la pompe doit se faire très doucement, environ un quart ou un demi tour, ce sont des éléments très sensibles. Le manomètre doit indiquer une pression inférieure lorsqu'il est remis en marche.
En ce qui concerne les indicateurs lors du réglage du relais, il sera utile de rappeler les points suivants :
- Si le réservoir hydraulique est rempli et que le manomètre reste inchangé, cela signifie que la pression maximale dans le réservoir a été atteinte, la pompe doit être arrêtée immédiatement.
- Si la différence entre les pressions de coupure et d'activation est d'environ 1-2 atm, cela est considéré comme normal.
- Si la différence est supérieure ou inférieure, l'ajustement doit être répété en tenant compte des erreurs possibles.
- La différence optimale entre la pression inférieure réglée et la pression déterminée au tout début dans un accumulateur vide est de 0,1 à 0,3 atm.
- Dans l'accumulateur, la pression d'air ne doit pas être inférieure à 0,8 atm.
Le système peut s'allumer et s'éteindre correctement en mode automatique et avec d'autres indicateurs. Mais ces limites permettent de minimiser l'usure des équipements, par exemple le revêtement en caoutchouc d'un réservoir hydraulique, et de prolonger la durée de fonctionnement de tous les appareils.





































