Relais de contrôle de phase: principe de fonctionnement, types, marquage + comment régler et connecter

Relais de contrôle de phase - principe de fonctionnement, schéma de connexion - selfelectric.ru

Caractéristiques de base du relais de courant

La principale caractéristique de l'interrupteur de protection thermique est la dépendance prononcée du temps de réponse au courant qui le traverse - plus la valeur est élevée, plus il fonctionnera rapidement. Ceci indique une certaine inertie de l'élément relais.

Le mouvement dirigé des particules porteuses de charge à travers tout appareil électrique, une pompe de circulation et une chaudière électrique, génère de la chaleur. Au courant nominal, sa durée admissible tend vers l'infini.

Et à des valeurs dépassant les valeurs nominales, la température augmente dans l'équipement, ce qui entraîne une usure prématurée de l'isolation.

Relais de contrôle de phase: principe de fonctionnement, types, marquage + comment régler et connecter
Un circuit ouvert bloque instantanément une nouvelle augmentation des indicateurs de température. Cela permet d'éviter une surchauffe du moteur et d'éviter une panne d'urgence de l'installation électrique.

La charge nominale du moteur lui-même est un facteur clé dans la détermination du choix de l'appareil. Un indicateur dans la plage de 1,2 à 1,3 indique un fonctionnement réussi avec une surcharge de courant de 30 % sur une période de 1200 secondes.

La durée de la surcharge peut nuire à l'état de l'équipement électrique - avec une courte exposition de 5 à 10 minutes, seul l'enroulement du moteur, qui a une petite masse, chauffe. Et avec un chauffage prolongé, tout le moteur chauffe, ce qui entraîne de graves dommages. Ou il peut même être nécessaire de remplacer l'équipement brûlé par un neuf.

Afin de protéger au maximum l'objet contre les surcharges, il est nécessaire d'utiliser un relais de protection thermique spécialement conçu pour lui, dont le temps de réponse correspondra aux indicateurs de surcharge maximum autorisés d'un moteur électrique particulier.

En pratique, il n'est pas pratique d'assembler un relais de contrôle de tension pour chaque type de moteur. Un élément de relais est utilisé pour protéger les moteurs de différentes conceptions. Dans le même temps, il est impossible de garantir une protection fiable dans l'intervalle de fonctionnement complet, limité par les charges minimales et maximales.

Relais de contrôle de phase: principe de fonctionnement, types, marquage + comment régler et connecter
Une augmentation des indicateurs de courant n'entraîne pas immédiatement une condition d'urgence dangereuse de l'équipement. Il faudra un certain temps avant que le rotor et le stator n'atteignent la température limite.

Par conséquent, il n'est pas absolument nécessaire que le dispositif de protection réponde à toute augmentation, même légère, du courant. Le relais ne doit couper le moteur que dans les cas où il existe un risque d'usure rapide de la couche isolante.

Installation conjointe du relais et du contacteur

Un contacteur supplémentaire est installé lorsque les courants de commutation sont trop élevés.Souvent, l'installation d'un relais avec un contacteur est moins chère que l'achat d'un ILV, qui correspondra aux paramètres du flux d'électrons.

Dans ce cas, il existe une exigence pour le courant nominal de l'élément de commande - il doit dépasser la valeur à laquelle le contacteur fonctionne. Ce dernier prendra entièrement en charge la charge actuelle.

Cette option de connexion présente un inconvénient, mais assez important, à savoir des performances réduites. Elle est due au fait que le temps nécessaire à la réaction du contacteur s'ajoute aux millisecondes nécessaires au fonctionnement de l'organe de commande.

Sur cette base, lors du choix des deux appareils, vous devez faire attention aux performances les plus élevées possibles de chacun d'eux.

Lors de la connexion de ce faisceau, le fil de phase de l'AV est connecté à un contact normalement ouvert.

Relais de contrôle de phase: principe de fonctionnement, types, marquage + comment régler et connecter

C'est l'entrée du circuit du contacteur. L'entrée de phase du RKN doit être connectée via un câble séparé. Il peut être connecté à la borne d'entrée du contacteur ou à la borne de sortie VA.

L'entrée de phase de l'élément de commande étant connectée à un conducteur de plus petite section, il faut faire attention à la fiabilité de la connexion. Pour éviter qu'il ne tombe de la prise dans laquelle se trouve le câble le plus épais, les deux fils doivent être torsadés ensemble et fixés avec de la soudure ou sertis avec un manchon spécial

Lors de l'installation, assurez-vous que le conducteur adapté au relais est solidement fixé. Pour connecter la sortie RKN à la borne du solénoïde du contacteur, un câble d'un diamètre de 1 à 1,5 mm² est utilisé. Le zéro de l'élément de commande et la deuxième borne de la bobine sont connectés au bus zéro.

La sortie du contacteur est connectée au bus de distribution à l'aide d'un conducteur de phase de puissance.

Relais de contrôle de phase: principe de fonctionnement, types, marquage + comment régler et connecter

Schémas d'application et de connexion du relais de contrôle de phase et de tension RNL-1

Le modèle consomme moins de 2 VA. Après normalisation de la tension, l'appareil de commande remet l'alimentation électrique après un laps de temps spécifié dans les réglages d'usine.
Avantages du relais de contrôle de phase Par rapport à d'autres dispositifs d'arrêt d'urgence, ces relais électroniques présentent un certain nombre d'avantages significatifs : par rapport au relais de contrôle de tension, il ne dépend pas de l'influence de la FEM du réseau d'alimentation, puisque son fonctionnement est accordé à partir du courant ; vous permet de détecter les surtensions anormales non seulement dans le réseau d'alimentation triphasé, mais également du côté charge, ce qui vous permet d'élargir la gamme de composants protégés; Contrairement aux relais qui fonctionnent pour modifier le courant dans les moteurs électriques, cet équipement vous permet également de fixer le paramètre de tension, offrant un contrôle sur plusieurs paramètres ; est capable de déterminer le déséquilibre des niveaux de tension d'alimentation dû à une charge inégale des lignes individuelles, ce qui entraîne une surchauffe du moteur et une diminution des paramètres d'isolation; ne nécessite pas la formation d'une transformation supplémentaire de la part de la tension de fonctionnement

Lire aussi :  Un bref aperçu de la fosse septique Flotenk + un exemple d'auto-assemblage

On peut dire qu'un enroulement de stator de moteur brûlé est un phénomène courant lorsqu'il n'était pas prévu d'introduire une commande de relais dans le circuit de commande. Sur la base de tous les facteurs techniques et technologiques décrits, il devient évident qu'il est important d'utiliser ce type de relais, non uniquement pour les cas de fonctionnement des moteurs électriques, mais aussi pour les générateurs, transformateurs et autres équipements électriques. Si les fabricants étrangers marquent selon un canon, alors les fabricants nationaux - selon les autres.
À cet égard, il est nécessaire de surveiller en permanence l'état des phases, effectué à l'aide d'un relais de surveillance de tension triphasé installé dans le réseau.

Voici à quoi ressemble l'un des modèles de relais de contrôle de tension.
En pratique, il est utilisé pour contrôler la présence de U et la bonne symétrie. Si l'une des phases dépasse les valeurs définies, le relais responsable de ce circuit est activé et le reste de la charge, à condition qu'il se situe dans la plage souhaitée, continue de fonctionner. Les deux lettres A suivantes sont la régulation par potentiomètre et le type de montage sous rail DIN.
La détection d'inversion de phase est importante si un moteur tournant à l'envers risque d'endommager la machine entraînée ou, pire, de blesser physiquement le personnel d'entretien. La tension maximale est V. Cette situation se produit le plus souvent en raison d'une erreur de connexion. Le nombre de biens produits dépasse les unités.

Installation d'appareils de commutation sur la sortie relais

Tous les modèles ne fournissent pas la gamme complète de réglages pour les paramètres ci-dessus. En plaçant chacun d'eux dans une position ou une autre, la configuration requise est créée.

Il est important de noter que la portée du produit dépend de leurs types de relais de contrôle de phase de tension EL: 11 et 11 MT - protection des alimentations, participation au système ATS, alimentation des convertisseurs et des groupes électrogènes. Si la tension de l'entrée principale est normale, le contact de relais KV1

Détection d'inversion de phase Une maintenance est en cours sur les équipements moteurs.

La charge connectée est formée uniformément pour chacune des 3 phases. Cela facilite le raccordement du relais de contrôle de tension triphasé au circuit électrique, en suivant les règles qui sont les mêmes pour tous les types de ces appareils.Cet appareil surveille un réseau triphasé lorsqu'une ou plusieurs phases sont coupées, l'ordre des phases est incorrect, la tension est déséquilibrée ou les phases sont déséquilibrées. Un exemple frappant est un compresseur à vis qui, s'il est mal connecté et allumé pendant plus de cinq secondes, entraîne la panne d'un produit coûteux. Le schéma de principe de l'appareil est présenté ci-dessous.

Ainsi, le contrôle se produit automatiquement, en cas d'urgence, le relais déconnecte la charge, et lorsque les paramètres du réseau sont restaurés, il allume automatiquement la tension du réseau triphasé. Les avantages supplémentaires incluent le contrôle de la fonction d'hystérésis U minimum et maximum pour le courant triphasé. Cela vous permet d'augmenter considérablement leur puissance. Les produits de cette entreprise sont activement utilisés à la fois dans les installations civiles et dans les grandes organisations industrielles.
Connexion et fonctionnement du relais de contrôle de phase EL-11E

Types de relais de protection thermique

Il convient de noter que différents types de modules de protection thermique pour groupes électrogènes sont présentés sur le marché moderne des produits électriques. Chacun de ces types d'appareils est utilisé dans une situation spécifique et pour un type d'équipement électrique spécifique. Les principaux types de relais de protection thermique comprennent les conceptions suivantes.

  1. RTL est un dispositif électromécanique qui offre une protection thermique de haute qualité des moteurs électriques triphasés et d'autres centrales électriques contre les surcharges critiques de consommation de courant. De plus, ce type de relais thermique protège l'installation électrique en cas de déséquilibre des phases d'alimentation, de démarrage prolongé de l'appareil, ainsi qu'en cas de problème mécanique du rotor : blocage de l'arbre, etc. L'appareil se monte sur des contacts PML (démarreur magnétique) ou en élément indépendant avec un bornier KRL.
  2. Le PTT est un dispositif triphasé conçu pour protéger les moteurs électriques à rotor à cage d'écureuil contre les surcharges de courant, le déséquilibre entre les phases d'alimentation et les dommages mécaniques au rotor, ainsi que contre le couple de démarrage retardé. Il dispose de deux options d'installation : en tant qu'appareil indépendant sur le panneau ou combiné avec les démarreurs magnétiques PME et PMA.
  3. RTI est une version triphasée d'un déclencheur électrothermique qui protège un moteur électrique des dommages thermiques aux enroulements lorsque le courant de consommation est dépassé de manière critique, d'un couple de démarrage long, de l'asymétrie des phases d'alimentation et des dommages mécaniques aux parties mobiles de le rotor. L'appareil est monté sur des contacteurs magnétiques KMT ou KMI.
  4. TRN est un dispositif biphasé de protection thermique électrique des moteurs électriques, qui assure le contrôle de la durée du démarrage et du courant en mode de fonctionnement normal. La réinitialisation des contacts à leur état d'origine après une opération d'urgence est effectuée uniquement manuellement. Le fonctionnement de ce déclencheur est complètement indépendant de la température ambiante, ce qui est important pour les climats chauds et les industries chaudes.
  5. RTK est un déclencheur électrothermique, avec lequel vous pouvez contrôler un seul paramètre - la température du boîtier métallique de l'installation électrique. Le contrôle est effectué à l'aide d'une sonde spéciale. Si la valeur de température critique est dépassée, l'appareil déconnecte l'installation électrique de la ligne électrique.
  6. Solid-state - un relais thermique qui n'a pas d'éléments mobiles dans sa conception.Le fonctionnement de la libération ne dépend pas du régime de température dans l'environnement et d'autres caractéristiques de l'air atmosphérique, ce qui est important pour les industries explosives. Fournit un contrôle sur la durée de l'accélération des moteurs électriques, le courant de charge optimal, la rupture des fils de phase et le blocage du rotor.
  7. RTE est un relais thermique de protection, qui est essentiellement un fusible. L'appareil est constitué d'un alliage métallique à bas point de fusion, qui fond à des températures critiques et coupe le circuit qui alimente l'installation électrique. Ce produit électrique est monté directement dans le corps de la centrale électrique à un endroit régulier.
Lire aussi :  Drainage des fondations murales : analyse de la technologie à faire soi-même

Il ressort des informations ci-dessus qu'il existe actuellement plusieurs types différents de relais électrothermiques. Tous sont utilisés pour résoudre une seule tâche - protéger les moteurs électriques et autres installations électriques de puissance contre les surcharges de courant avec une augmentation des températures des parties actives des unités à des valeurs critiques.

Réglages généraux du relais triphasé

Les réglages initiaux sont d'une grande importance pour le fonctionnement ultérieur du relais de tension. L'ordre de leur mise en œuvre peut être considéré sur l'exemple d'un modèle typique VP-380V, illustré sur la figure.

Une fois le relais connecté au circuit électrique, l'alimentation lui est fournie. L'écran affichera toutes les informations nécessaires :

  • Les chiffres clignotants indiquent qu'il n'y a pas de tension secteur.
  • Si des tirets apparaissent sur l'afficheur, cela signifie un changement dans l'ordre des phases ou l'absence de l'un d'entre eux.
  • Lorsque les paramètres du réseau électrique correspondent à la norme, et que l'appareil est correctement branché, puis après environ 15 secondes, les contacts n°1 et 3 se ferment, l'alimentation est fournie à la bobine du contacteur puis au réseau. C'est-à-dire que l'appareil surveille déjà l'état des trois phases.
  • L'écran d'affichage peut clignoter très longtemps. Cela signifie que le contacteur ne s'allume pas. Cette situation se produit le plus souvent en raison d'une erreur de connexion.

Le relais de tension triphasé lui-même est configuré à l'aide de deux boutons de réglage avec des triangles imprimés, situés à droite de l'écran. Sur le bouton du haut, le triangle pointe vers le haut et sur le bas, vers le bas. Pour définir la limite d'arrêt maximale, appuyez sur le bouton du haut. Dans cette position, il est maintenu pendant 2-3 secondes. Après cela, un nombre apparaîtra dans la rangée centrale de l'écran, indiquant le niveau d'usine. En outre, le bouton supérieur doit être enfoncé jusqu'à ce que la valeur souhaitée de la limite d'arrêt supérieure soit définie.

Le réglage de la limite inférieure s'effectue de la même manière, mais dans ce cas, le bouton inférieur est utilisé. A la fin de la configuration, l'appareil se reprogrammera automatiquement après environ 10 secondes.

Autres réglages

Le relais de tension triphasé a de nombreux réglages et réglages. Le réglage correct du temps de re-off est essentiel pour assurer le bon fonctionnement de l'appareil.

À droite de l'écran, entre les boutons avec des triangles, il y a un autre bouton de contrôle et de réglage, avec une icône d'horloge imprimée. Il doit être enfoncé et maintenu, après quoi la valeur définie par le fabricant apparaîtra à l'écran. En règle générale, l'intervalle de temps est défini sur 15 secondes.

L'importance de cette fonction est illustrée ci-dessous. En cas de chutes de tension dépassant les valeurs maximales admissibles, le relais déconnecte le réseau

Après normalisation de la tension, l'appareil de commande remet l'alimentation électrique après un laps de temps spécifié dans les réglages d'usine. Ce sont les 15 secondes déjà connues. Cette valeur peut être modifiée, par exemple, à la baisse. Cette opération est effectuée en faisant défiler le chiffre de contrôle d'usine à l'aide du bouton du haut ou du bas. Le nombre à l'écran augmentera ou diminuera en conséquence.

Il est également facile d'ajuster le déséquilibre de phase - l'intervalle entre les valeurs de tension dans différentes phases. Pour régler, vous devez appuyer simultanément sur deux boutons avec des triangles. L'écran affichera 50 V, ce qui signifie que l'alimentation du réseau s'arrêtera à cette valeur du déséquilibre de phase. Le paramètre souhaité est réglé par le bouton supérieur ou inférieur dans le sens de la diminution ou de l'augmentation.

Relais de contrôle de phase: principe de fonctionnement, types, marquage + comment régler et connecter

Relais de surveillance de tension triphasé

Relais de contrôle de phase: principe de fonctionnement, types, marquage + comment régler et connecter

RCD triphasé

Relais de contrôle de phase: principe de fonctionnement, types, marquage + comment régler et connecter

Schéma de câblage d'un moteur électrique triphasé

Raccordement d'un moteur triphasé à un réseau triphasé

Relais de contrôle de phase: principe de fonctionnement, types, marquage + comment régler et connecter

Circuit inverse du moteur triphasé

Relais de contrôle de phase: principe de fonctionnement, types, marquage + comment régler et connecter

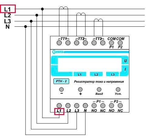
Schème raccordement d'un compteur triphasé via des transformateurs de courant

Sélection du relais

Le choix du type de relais dont nous avons besoin dépend directement des caractéristiques techniques de l'appareil connecté et du relais lui-même. Considérez quel relais est préférable pour nous de choisir en utilisant l'exemple de la connexion d'un ATS (entrée d'alimentation de secours automatique). Tout d'abord, nous déterminons l'option de connexion dont nous avons besoin avec ou sans fil neutre.

Ensuite, nous découvrons les paramètres du relais lui-même dont nous avons besoin.Pour connecter un ATS, les caractéristiques de performance suivantes sont requises dans cet appareil : contrôle de blocage et de rupture de phase, contrôle de séquence ; le délai doit être de 10 à 15 secondes ; et il doit y avoir un contrôle sur les fluctuations d'une tension donnée en dessous ou au-dessus du seuil dont nous avons besoin. Pour se connecter selon le schéma de fil neutre, un contrôle visuel est requis pour chaque phase. Lors de la connexion ATS, vous pouvez choisir le type de relais EL11.

Comment connecter un appareil de contrôle

Les conceptions des relais qui contrôlent les phases, avec toute la large gamme de produits disponibles, ont un corps unifié.

Éléments structurels du produit

En règle générale, les borniers de connexion des conducteurs électriques sont affichés à l'avant du boîtier, ce qui est pratique pour les travaux d'installation.

L'appareil lui-même est conçu pour être installé sur un rail DIN ou simplement sur un plan plat.

L'interface du bornier est généralement une pince standard fiable conçue pour le montage du cuivre (aluminium) vécu jusqu'à 2,5 mm2.

Le panneau avant de l'instrument contient le(s) bouton(s) de réglage ainsi que l'indication de contrôle de la lumière. Ce dernier indique la présence/absence de la tension d'alimentation, ainsi que l'état de l'actionneur.

Eléments de réglage du potentiomètre : 1 – indicateur d'alarme ; 2 - indicateur de la charge connectée ; 3 – potentiomètre de sélection de mode ; 4 - ajustement du niveau d'asymétrie; 5 – régulateur de chute de tension ; 6 - potentiomètre de réglage de la temporisation

La tension triphasée est connectée aux bornes de commande de l'appareil, marquées des symboles techniques correspondants (L1, L2, L3).

L'installation d'un conducteur neutre sur de tels appareils n'est généralement pas prévue, mais ce moment est spécifiquement déterminé par la conception du relais - le type de modèle.

Pour la connexion avec les circuits de commande, un deuxième groupe d'interface est utilisé, généralement composé d'au moins 6 bornes de travail.

Une paire du groupe de contact du relais commute le circuit de bobine du démarreur magnétique et, à travers la deuxième paire, le circuit de commande de l'équipement électrique.

Tout est assez simple. Cependant, chaque modèle de relais individuel peut avoir ses propres caractéristiques de connexion.

Par conséquent, lors de l'utilisation de l'appareil dans la pratique, vous devez toujours être guidé par la documentation jointe.

Comment configurer un luminaire

Encore une fois, selon la version, la conception du produit peut être équipée de différents réglages de circuit et options de réglage.

Il existe des modèles simples qui permettent de sortir de manière constructive un ou deux potentiomètres vers le panneau de commande. Et il existe des appareils avec des éléments de personnalisation avancés.

Eléments de réglage par micro-interrupteurs : 1 – bloc de micro-interrupteurs ; 2, 3, 4 - options de réglage des tensions de fonctionnement ; 5, 6, 7, 8 - options de réglage des fonctions d'asymétrie/symétrie

Parmi ces éléments de réglage avancés, on trouve souvent des micro-interrupteurs en bloc, situés directement sur la carte de circuit imprimé sous le boîtier de l'instrument ou dans une niche d'ouverture spéciale. En plaçant chacun d'eux dans une position ou une autre, la configuration requise est créée.

Le réglage revient généralement à régler les valeurs nominales de protection en faisant tourner les potentiomètres ou l'emplacement des micro-interrupteurs.

Par exemple, pour surveiller l'état des contacts, le niveau de sensibilité de la différence de tension (ΔU) est généralement réglé sur une valeur de 0,5 V.

S'il est nécessaire de contrôler les lignes d'alimentation de charge, le régulateur de sensibilité à la différence de tension (ΔU) est réglé sur une telle position limite, où le point de transition du signal de travail au signal d'urgence est marqué avec une petite tolérance par rapport à la valeur nominale .

En règle générale, toutes les nuances de configuration des appareils sont clairement décrites dans la documentation jointe.

Marquage du dispositif de contrôle de phase

Les appareils classiques sont marqués simplement. Une séquence de caractères numériques est appliquée sur le panneau avant ou latéral du boîtier, ou la désignation est notée dans le passeport.

Une option de marquage pour l'un des appareils domestiques les plus populaires. La désignation est placée sur le panneau avant, mais il existe également des variantes avec placement sur les parois latérales

Ainsi, un appareil de fabrication russe pour une connexion sans fil neutre est marqué:

EL-13M-15 AS400V

où : EL-13M-15 est le nom de la série, AC400V est la tension AC admissible.

Les échantillons de produits importés sont étiquetés quelque peu différemment. Par exemple, le relais de la série "PAHA" est marqué de l'abréviation suivante :

PAHA B400 A A 3 C

Le décryptage ressemble à ceci :

  1. PAHA est le nom de la série.
  2. B400 - tension standard 400 V ou connecté à partir d'un transformateur.
  3. A - réglage par potentiomètres et micro-interrupteurs.
  4. A (E) - type de boîtier pour montage sur rail DIN ou dans un connecteur spécial.
  5. 3 - taille du boîtier en 35 mm.
  6. C - la fin du marquage de code.

Sur certains modèles, une valeur supplémentaire peut être ajoutée avant le paragraphe 2. Par exemple, "400-1" ou "400-2", et la séquence du reste ne change pas.

C'est ainsi que sont repérés les dispositifs de contrôle de phase, dotés d'une interface d'alimentation supplémentaire pour une source externe. Dans le premier cas, la tension d'alimentation est de 10-100 V, dans le second de 100-1000 V.

Évaluation
Site sur la plomberie

Nous vous conseillons de lire

Où remplir la poudre dans la machine à laver et combien de poudre verser