- Côtés extérieurs et intérieurs
- Caractéristiques principales
- Les principaux dysfonctionnements des pompes submersibles
- La pompe ne fonctionne pas
- La pompe fonctionne mais ne pompe pas
- Faibles performances de la machine
- Mise en marche et arrêt fréquents de l'appareil
- Le bourdonnement de la machine se fait entendre, mais l'eau ne pompe pas
- L'eau est fournie avec des pulsations
- L'appareil ne s'éteint pas
- Vidéo sur l'installation et la mise en route de la pompe Agidel
- Préparation au lancement
- Approvisionnement en eau faible
- Vidéo de réparation pompe Agidel
- Marque "Agidel": historique de la marque, présentation du produit
- Pompe Agidel M
- Pompe Agidel 10
- Caractéristiques des pompes Agidel
- Dispositif de chantier
- Fondamentaux du fonctionnement de la pompe
- Règles d'utilisation des pompes
- Avantages et inconvénients des modèles Agidel
- Avantages et inconvénients des pompes
Côtés extérieurs et intérieurs
Lors de l'achat d'une pompe, veillez à faire attention à ses caractéristiques techniques. Ils sont indiqués dans le passeport et sur l'emballage. Pompe de qualité Agidel 10 ou m doivent être vendus dans un emballage avec l'adresse du fabricant (Bashkiria, g
Ufa), numéros de contact qui vous aideront à contacter les fabricants en cas de problème, si, par exemple, vous devez effectuer certaines manipulations avec la pompe ou lorsque vous devez réparer la pompe Agidel
Une pompe de haute qualité Agidel 10 ou m est nécessairement vendue dans un emballage contenant l'adresse du fabricant (Bashkiria, Ufa), des numéros de téléphone qui vous aideront à contacter les fabricants en cas de problème, si, par exemple, vous avez besoin pour effectuer certaines autres manipulations avec la pompe ou lorsque la réparation de la pompe Agidel est nécessaire.
Quant aux caractéristiques techniques, elles sont fondamentalement universelles pour les pompes de cette classe, qu'il s'agisse d'une agidel m ou d'une autre forme de pompe. Sa puissance est de 370 W, la tension secteur est de 220 V. Le niveau d'arrivée d'eau est de 2,9 mètres cubes par heure, la pression est de 22 litres.

Parlant des caractéristiques externes de la pompe, il convient de noter qu'elle a conservé ses données depuis la création de la première pompe de ce type, il y a environ 40 ans. Complet avec elle sont immédiatement tous les composants nécessaires à la prise d'eau - mamelons et vannes.
La couleur de la pompe Agidel 10 reste inchangée pendant la même durée, elle est représentée par une couleur marron vif, elle a également des capuchons marron, mais légèrement plus foncés.
Quant au type de cet appareil technique, il s'agit d'une pompe centrifuge verticale de surface. Son corps est en aluminium, tous les matériaux pour les pièces (internes et externes) sont produits exclusivement en Russie. Son capuchon est en polypropylène et l'enroulement intérieur est en fil de cuivre d'un diamètre de 5 mm.
Les tests passés montrent que ce dispositif de pompage peut fonctionner sans interruption pendant 5 à 6 heures sans s'arrêter. Afin de rendre le travail plus pratique et plus sûr, la pompe est équipée d'un fusible thermique spécial.Cela est nécessaire pour que si une forte surchauffe se produit soudainement pendant le fonctionnement, la pompe s'éteigne automatiquement. De plus, une fois l'appareil refroidi, son fonctionnement se poursuivra. Un avantage supplémentaire de choisir la pompe Agidel est que sa durée de garantie est assez importante, elle est de 30 mois.

Caractéristiques principales
Appareil compact fonctionnant sur le principe centrifuge. Il est placé sur la surface en position verticale. Le modèle sans éjecteur est conçu pour extraire l'eau de puits jusqu'à sept mètres de profondeur. Et si vous utilisez un éjecteur avec cet appareil, l'efficacité de la pompe doublera et les propriétaires pourront recevoir de l'eau jusqu'à 15 mètres de profondeur.
Le mouvement de l'eau est assuré lorsque le moteur électrique est mis en marche en faisant tourner l'arbre avec des pales situées sur le manchon axial. Le liquide à l'intérieur de la chambre de pompage est déplacé dans la canalisation sous l'influence de la force centrifuge. Et au centre de la roue, il y a une zone de basse pression, qui assure un flux continu d'eau du puits à travers le tuyau d'admission.
- une pression de 20 mètres est créée ;
- productivité - 2,9 mètres cubes par heure;
- puissance - 370 watts.
Avantages :
- bas prix;
- la possibilité d'application à une profondeur suffisante lors de l'utilisation d'un éjecteur ;
- facilité d'entretien et d'exploitation;
- grande fiabilité;
- Basse consommation énergétique.
l'unité a peur de fonctionner à sec (il est nécessaire de remplir d'eau au début du fonctionnement).
Le prix moyen est de 4 500 roubles.
Il s'agit d'un modèle plus puissant et global de type vortex auto-amorçant. Il est placé sur la surface en position horizontale. Le principal avantage de l'unité est la possibilité d'un "démarrage à sec".C'est-à-dire qu'au premier démarrage, la pompe n'a pas besoin d'être remplie d'eau.
La mise en marche de la pompe déclenche la rotation de la roue (roue), ce qui crée un vide et provoque l'aspiration d'air. L'eau dans le boîtier est mélangée à l'air. Le mouvement de l'eau et de l'air crée une zone de vide, qui assure l'aspiration du liquide à travers le tuyau d'aspiration. L'air restant est évacué par une ouverture technique spéciale. En outre, l'unité fonctionne comme une pompe centrifuge standard, dont le fonctionnement a été décrit ci-dessus.
- pression jusqu'à 30 mètres;
- productivité - 3,3 mètres cubes par heure;
- puissance - 700 watts.
- coût budgétaire ;
- longue durée de vie;
- l'unité n'a pas peur du fonctionnement à sec ;
- Facilité d'entretien;
- fiabilité.
- ne peut pas être utilisé à une profondeur de plus de sept mètres;
- consommation d'énergie relativement élevée.
Le prix est de 6 000 à 7 500 roubles.
Si nous comparons les données techniques, il devient clair que la deuxième pompe a de meilleures performances et est capable de créer plus de pression. Le principal avantage du modèle du premier type est sa faible consommation d'énergie (370 W) et son poids léger. Il est permis d'utiliser un éjecteur avec lui, ce qui est important pour les propriétaires de puits et de puits de quinze mètres de profondeur. Si la puissance n'est pas le choix principal des propriétaires lors de l'achat d'une pompe, vous pouvez acheter en toute sécurité un modèle plus économique et compact. En termes de qualité de construction et de durée de vie, les unités ne sont pas différentes.
Lors de l'installation de pompes de cette marque, trois paramètres principaux doivent être suivis:
- température de fonctionnement positive ;
- aussi près que possible de la source d'eau;
- surface de montage plate.
Évidemment, la solution idéale serait d'équiper une chambre caisson isolée à fond plat. Dans de telles conditions, l'équipement pourra fonctionner même dans le froid hivernal. Un emplacement proche d'un puits ou d'un puits est nécessaire en raison de la sensibilité de l'équipement à la profondeur - il s'agit d'un indicateur de 7 à 15 mètres, selon le modèle et de la présence d'un éjecteur.
Il est permis de l'installer directement sur la tête du puits ou sur le couvercle du puits (c'est une bonne solution pour une utilisation estivale). Le caisson est installé à cinq ou dix mètres de la maison sous le point de congélation du sol.
Une bonne solution serait de le monter sur un radeau spécial, qui est ensuite descendu dans le puits. Mais dans ce cas, il y aura un problème de branchement du câble électrique. Il doit être prolongé et imperméabilisé. La longueur de câble standard est de 1,5 mètre.
Les experts recommandent d'utiliser Agidel-10 pour une installation dans un caisson ou un montage sur un radeau pour une utilisation toute l'année. Et pour une utilisation saisonnière, il convient d'utiliser Agidel-M - une unité qui nécessite l'ajout d'eau avant de démarrer et qui est extrêmement sensible aux basses températures de l'air. Il peut être installé sur une surface plane près du puits ou fixé à un support spécial à la tête du puits.
Pour l'hiver, la pompe est démontée, séchée et stockée dans une pièce chaude pour le stockage.
Les principaux dysfonctionnements des pompes submersibles
Si des défaillances sont constatées dans le fonctionnement d'une pompe submersible, il n'est pas toujours nécessaire de la retirer du puits pour inspection. Cette recommandation s'applique uniquement aux stations de pompage dans lesquelles un pressostat est installé. C'est à cause de lui que l'appareil peut ne pas s'allumer, s'éteindre ou créer une mauvaise pression d'eau.Par conséquent, le fonctionnement du capteur de pression est d'abord vérifié, puis, si nécessaire, la pompe est retirée du puits.
Les dysfonctionnements de la pompe à eau seront plus faciles à diagnostiquer si vous vous familiarisez d'abord avec les pannes les plus courantes de cet appareil.

La pompe ne fonctionne pas
Les raisons pour lesquelles la pompe ne fonctionne pas peuvent être les suivantes.
- La protection électrique s'est déclenchée. Dans ce cas, débranchez la machine du secteur et rallumez-la. S'il l'assomme à nouveau, le problème ne doit pas être recherché dans l'équipement de pompage. Mais lorsque la machine est allumée normalement, n'allumez plus la pompe, vous devez d'abord trouver la raison pour laquelle la protection a fonctionné.
- Les fusibles ont sauté. Si, après remplacement, ils brûlent à nouveau, vous devez rechercher la cause dans le câble d'alimentation de l'appareil ou à l'endroit où il est connecté au secteur.
- Un câble sous-marin a été endommagé. Retirez l'appareil et vérifiez le cordon.
- La protection contre la marche à sec de la pompe s'est déclenchée. Avant de démarrer la machine, assurez-vous qu'elle est immergée dans le liquide à la profondeur requise.
De plus, la raison pour laquelle l'appareil ne s'allume pas peut résider dans le mauvais fonctionnement du pressostat installé dans la station de pompage. La pression de démarrage du moteur de la pompe doit être ajustée.
La pompe fonctionne mais ne pompe pas
Il peut également y avoir plusieurs raisons pour lesquelles l'appareil ne pompe pas l'eau.
- Vanne d'arrêt fermée. Éteignez la machine et ouvrez lentement le robinet. À l'avenir, l'équipement de pompage ne doit pas être démarré avec la vanne fermée, sinon il tombera en panne.
- Le niveau d'eau dans le puits est descendu sous la pompe. Il est nécessaire de calculer le niveau d'eau dynamique et d'immerger l'appareil à la profondeur requise.
- Clapet anti-retour coincé. Dans ce cas, il est nécessaire de démonter la vanne et de la nettoyer, si nécessaire, de la remplacer par une neuve.
- Le filtre d'admission est obstrué. Pour nettoyer le filtre, la machine hydraulique est retirée et la maille du filtre est nettoyée et lavée.
Faibles performances de la machine
En outre, la dégradation des performances entraîne :
- colmatage partiel des vannes et vannes installées dans le système d'alimentation en eau;
- tuyau de levage de l'appareil partiellement obstrué ;
- dépressurisation du pipeline ;
- réglage incorrect du pressostat (s'applique aux stations de pompage).
Mise en marche et arrêt fréquents de l'appareil
Ce problème se produit si la pompe submersible est couplée à un accumulateur hydraulique. Dans ce cas, des démarrages et arrêts fréquents de l'unité peuvent être provoqués par les facteurs suivants :
- dans le réservoir hydraulique, il y a eu une diminution de la pression en dessous du minimum (par défaut, elle devrait être de 1,5 bar);
- il y a eu une rupture d'une poire ou d'un diaphragme en caoutchouc dans le réservoir;
- le pressostat ne fonctionne pas correctement.

Le bourdonnement de la machine se fait entendre, mais l'eau ne pompe pas
Si la pompe bourdonne et que l'eau n'est pas pompée du puits, il peut y avoir plusieurs raisons:
- il y a eu un «collage» de la roue de l'appareil avec son corps en raison du stockage à long terme de l'appareil sans eau;
- condensateur de démarrage moteur défectueux ;
- baisse de tension dans le réseau ;
- la roue de la pompe s'est bloquée à cause de la saleté accumulée dans le corps de l'appareil.
L'eau est fournie avec des pulsations
Si vous remarquez que l'eau du robinet ne coule pas dans un flux constant, c'est le signe d'une diminution du niveau d'eau dans le puits en dessous du dynamique. Il est nécessaire d'abaisser la pompe plus profondément si la distance au fond du puits le permet.
L'appareil ne s'éteint pas
Si l'automatisation ne fonctionne pas, la pompe fonctionnera sans s'arrêter, même si une pression excessive est créée dans le réservoir hydraulique (vu sur le manomètre). Le défaut est le pressostat qui est hors service ou mal réglé.
Vidéo sur l'installation et la mise en route de la pompe Agidel
De nombreux propriétaires parviennent à cacher les pompes à l'intérieur des puits en construisant un radeau à partir d'un matériau qui n'est pas sujet à la corrosion. Cette méthode d'installation en fond de trou permet l'utilisation d'un tuyau d'aspiration court et élimine le besoin de surveiller constamment le niveau d'eau. Mais cela devra augmenter la longueur du cordon électrique. Étant donné que la pompe a un cordon de 1,5 mètre, il est préférable d'installer un cordon d'une longueur suffisante et de l'acheminer de manière à éviter tout dommage accidentel.
Avant de commencer les travaux d'installation, lisez attentivement les instructions afin de prendre en compte toutes les exigences et recommandations pour assurer un fonctionnement durable et fiable de l'unité.
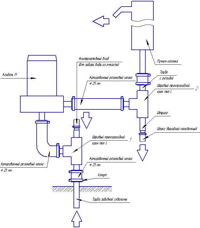
Préparation au lancement
Le modèle 10 ne nécessite pas de pré-amorçage du système. Il a assez de puissance pour créer un vide dans le tuyau d'alimentation. Lorsque vous allumez pour la première fois l'eau ne montera pas immédiatement dans le tuyau. Après tout, Agidel 10 est une pompe auto-amorçante et vous devez donc attendre 3 à 5 minutes pour que le système se remplisse et que la pression de l'eau apparaisse.
Le modèle Agidel M nécessite un pré-remplissage d'eau avant de démarrer. Cela doit être rappelé. Sinon, il y a un risque d'endommager le mécanisme. Considérez la méthode de remplissage de l'unité installée sur la colonne manuelle :
- Le robinet de la pompe s'ouvre ;
- Le tuyau de sortie est descendu dans un récipient rempli d'eau;
- On pompe l'eau avec une colonne en mode manuel pour faire le vide dans le puits. Le liquide du réservoir commence à se déplacer vers le puits, provoquant la rotation de la roue de la pompe ;
- Nous continuons à pomper jusqu'à ce que l'eau sorte de la colonne et nous démarrons l'unité.
Si la pompe est installée à proximité d'un réservoir ou d'un réservoir, il vous suffit de verser de l'eau dans le tuyau d'alimentation jusqu'à ce qu'elle s'écoule de la conduite d'alimentation. Abaissez ensuite rapidement le tuyau d'arrivée dans l'eau et allumez l'appareil.
Approvisionnement en eau faible

L'une des principales raisons d'un mauvais approvisionnement en eau est la qualité du tuyau d'alimentation. Le fait est qu'un vide suffisamment puissant est créé à l'intérieur du tuyau, capable de comprimer les parois du tuyau. Dans ce cas, un tuyau en métal ou en plastique doit être utilisé. Vous pouvez utiliser un tuyau renforcé spécial.
L'autre cause la plus fréquente de chute de pression est l'usure ou l'endommagement des joints d'huile. Dans ce cas, il faudra les remplacer. Heureusement, le fabricant s'en est occupé. Chaque pompe est accompagnée d'instructions détaillées qui décrivent la réparation et les caractéristiques techniques de l'unité.
Vidéo de réparation pompe Agidel
Procédure de remplacement des joints d'huile :
- La partie supérieure du carter de protection de la pompe est démontée ;
- Le joint d'étanchéité et la volute d'injection sont déposés ;
- L'écrou de la roue est desserré pour accéder à l'induit de la pompe ;
- L'axe de l'induit est soigneusement extrait de la roue à travers un joint en bronze ou en laiton;
- Le presse-étoupe et (si nécessaire) le joint d'étanchéité sont changés ;
- Le montage s'effectue dans l'ordre inverse.
Les performances de la pompe, en tant qu'unité centrifuge, dépendent davantage de la résistance du système de tuyauterie et de la hauteur à laquelle l'eau est censée être fournie. Par conséquent, lors du choix d'un modèle de pompe pour un puits ou pour un réservoir, il convient de prendre en compte les conditions dans lesquelles l'unité fonctionnera. Si vous devez travailler au maximum, les performances seront bien sûr différentes des paramètres spécifiés par le fabricant. Avec une résistance minimale, la pression et les performances de la pompe peuvent être bien supérieures à celles indiquées dans le passeport.
Marque "Agidel": historique de la marque, présentation du produit
L'Ufa Aggregate Production Association (UAPO) produit des pompes de la marque Agidel depuis les années 70 du siècle dernier. De plus, de nombreux propriétaires de tels produits utilisent encore des pompes du premier lot.
De plus, la fabrication des composants, ainsi que l'assemblage de l'unité, sont effectués sur la base des installations de production de l'UAPO. C'est-à-dire que les pompes Agidel sont fabriquées dans les mêmes ateliers qui produisent des unités complexes pour l'industrie aéronautique ou des équipements de haute technologie pour l'industrie pétrolière et gazière.

Pompe Agidel en fonctionnement
En outre, sous la marque Agidel, UAPO produit également des systèmes d'allumage sans contact, des bougies (à incandescence et à étincelle), des céramiques de corindon. Et UAPO elle-même est une marque assez respectée dans les cercles étroits qui produit des générateurs, des systèmes d'allumage au plasma, des moteurs électriques protégés et des composants pour les stations de pompage de gaz.
En un mot, la marque Agidel est une marque très respectée fondée par un fabricant national bien connu dont les produits sont réputés dans des milieux bien spécifiques (production pétrolière et gazière, construction aéronautique, industrie de la défense, etc.).
Pompe Agidel M

L'appareil Agidel M est inférieur en puissance, mais a ses propres caractéristiques :
La vanne d'aspiration de la pompe Agidel m doit être placée à une distance maximale de 0,35 m du fond de la source afin que la saleté et le sable ne soient pas aspirés.
Il est recommandé d'installer la pompe à eau sur un sol dur et plat. Il est également recommandé de construire une protection pour la pompe contre l'exposition à la pluie et au soleil.
De plus, le système Agidel M doit d'abord être rempli d'eau. Cela peut être fait en utilisant la colonne manuelle.
Pompe Agidel 10

Les caractéristiques de cet appareil sont les suivantes :
Le périmètre des pompes à eau Agidel n'est pas très large, mais suffisant pour répondre aux besoins de base :
Lors de l'utilisation d'une pompe Agidel de n'importe quel modèle, il ne faut pas oublier que plus la distance entre la pompe et la source d'eau est courte, plus l'unité fonctionnera efficacement.
Conception générale :
Caractéristiques des pompes Agidel
La pompe à eau Agidel ne nécessite pas d'immersion complète, il suffit de descendre les flexibles d'aspiration dans l'eau. L'appareil est sûr à utiliser car les fils ne sont pas dans l'eau.
Dans la partie supérieure de la pompe sur le couvercle, il y a des trous de ventilation à travers lesquels l'air est échangé. Sous le couvercle se trouve une turbine de ventilateur conçue pour refroidir le moteur électrique.
Les appareils ne sont pas destinés à fonctionner en hiver. Mais s'il n'y a pas d'autre option pour fournir de l'eau, celle-ci doit, si possible, être transférée dans une pièce dont la température est supérieure à 0 ° C.Vous pouvez aussi creuser un trou, le bétonner, l'isoler et y mettre une pompe.
Le corps et la roue sont en alliage d'aluminium spécial, recommandé pour le contact alimentaire. Bien que les pompes Agidel soient adaptées pour fonctionner en eau libre, il est recommandé d'installer en plus un filtre de fond. Ainsi, l'appareil durera plus longtemps.
Règles de fonctionnement
Les pompes à eau Agidel ne doivent être utilisées qu'à des températures ambiantes positives.
L'appareil doit être mis à la terre.
Évitez de tourner au ralenti. L'eau doit d'abord être remplie.
Ne touchez pas le corps d'une pompe en marche.
Assurez-vous que l'eau ne pénètre pas dans le moteur.
Ne laissez pas l'appareil fonctionner avec des produits chimiques.
Dépannage
Si la pompe à eau Agidel est sous garantie, si un dysfonctionnement est détecté, contactez le fournisseur ou le lieu d'achat de l'appareil. Si la garantie est terminée, certains dysfonctionnements peuvent être corrigés par vous-même.
Fuite d'eau dans le trou de vidange
Avec ce dysfonctionnement, les joints doivent être remplacés. Pour ce faire, vous devrez effectuer les étapes suivantes :
Retirer le carter - dévisser les 3 boulons de la partie supérieure du carter.
Retirez le boîtier du moteur électrique - dévissez 4 boulons.
Déconnectez l'escargot, qui est attaché, également sur 4 boulons.
Retirer le joint en caoutchouc.
Dévisser l'écrou de fixation de la roue.
Obtenez l'axe d'ancrage.
Trouvez les joints d'huile dans la roue, retirez-les soigneusement et remplacez-les.
Assemblez dans l'ordre inverse.
Faible pression
Si l'alimentation en eau est faible ou intermittente, cela peut être dû à un tuyau d'arrivée d'eau inadapté.De l'air évacué peut se former à l'intérieur des tuyaux en caoutchouc, ce qui comprime les parois du tuyau, ce qui empêche l'écoulement de l'eau. Il est recommandé d'utiliser un manchon renforcé avec une spirale en plastique.
Attention! Méfiez-vous des contrefaçons
En raison du fait qu'au lieu de nouvelles pompes Agidel, d'anciens modèles ou des contrefaçons sont souvent vendus, le fabricant souligne un certain nombre de caractéristiques dans l'apparence de l'appareil auxquelles vous devez faire attention afin de ne pas vous tromper lors de l'achat :
Forfait. La pompe d'origine est livrée dans une boîte en carton rigide portant les informations du fabricant.
La couleur de l'appareil d'origine est orange foncé et le capuchon est marron.
Fil de pompe avec boîtier de condensateur uniquement.
Le numéro de série estampé sur le couvercle doit correspondre au numéro de la carte de garantie.
Les boulons de connexion sont hexagonaux en bas et vis à fente en haut.
Le corps doit être en métal et non en plastique.
Vidéo sur la pompe Agidel
Le fabricant de pompes Agidel désigne la durée de vie de ses appareils à 5 ans et accorde une garantie de 30 mois. En pratique, si la pompe Agidel a été correctement utilisée conformément aux instructions, ne lubrifiez les pièces qu'occasionnellement et nettoyez périodiquement l'appareil.
Dispositif de chantier
Les pompes de modification M ont deux parties de conception: un moteur électrique avec une pompe centrifuge. Le modèle 10 dispose en outre d'une pompe à jet. Avec l'aide de celui-ci, le liquide est auto-absorbé, pénètre dans la chambre à l'aide d'un dispositif centrifuge.
Au cœur du dispositif moteur électrique se trouve le stator, qui possède un fusible thermique intégré. Il protège le bobinage de l'appareil contre la surchauffe.Le moteur se compose également d'un rotor avec une bride et un flasque. En fonctionnement, les pièces sont refroidies par un ventilateur à palettes équipé d'une hotte.
Fondamentaux du fonctionnement de la pompe
Le principe de fonctionnement est basé sur la force centrifuge, qui affecte l'écoulement du fluide. La force provient de la rotation de la roue montée à l'intérieur de l'arbre du rotor. La bride a des manchettes d'étanchéité afin que l'eau ne pénètre pas dans le moteur.
Attention! La principale raison de la panne des appareils Agidel est l'eau qui est entrée dans le moteur, de sorte que les pompes doivent être bien étanches à l'eau. À l'intérieur de l'appareil, l'eau pénètre par la vanne de réception, agissant comme un filtre. Il empêche la pénétration d'éléments volumineux, de morceaux de roche
Cette vanne des pompes de marque M sert de vanne d'arrêt lorsque de l'eau est versée dans la pompe avant le démarrage.
Il empêche la pénétration d'éléments volumineux, morceaux de roche. Cette vanne des pompes de marque M sert de vanne d'arrêt lorsque de l'eau est versée dans la pompe avant le démarrage.
À l'intérieur de l'appareil, l'eau pénètre par la vanne de réception, agissant comme un filtre. Il empêche la pénétration d'éléments volumineux, morceaux de roche. Cette vanne des pompes de marque M sert de vanne d'arrêt lorsque de l'eau est versée dans la pompe avant le démarrage.
La bride avec connecteur de corps est équipée de joints en caoutchouc. L'équipement de pompage de la modification M est équipé d'une vis pour évacuer l'excès d'air. Pour monter la pompe en position verticale, des fixations sont insérées dans les trous préparés. Pour installer horizontalement sur le rack, des trous spéciaux sont pratiqués.
Règles d'utilisation des pompes
Attention! Vous pouvez installer la pompe au sous-sol, mais le niveau de pression de l'unité diminuera car la pompe sera située loin du puits
Avantages et inconvénients des modèles Agidel
Les pompes électriques Agidel sont considérées comme des appareils fiables. Ils sont utilisés pour arroser le jardin, pour pomper du liquide à des fins domestiques. Les pompes ont de nombreuses propriétés positives :
1. Prix abordable.
2. opération facile.
3. Vous pouvez remplacer des pièces individuelles.
4. Faible consommation d'énergie lors du travail.
5.Les unités sont fiables, durables.
Parmi les lacunes, ils notent l'impossibilité de pomper l'eau des puits de plus de 8 mètres de haut. Les unités doivent être montées à proximité de puits avec de l'eau.
Important! Il existe de nombreuses contrefaçons chinoises d'appareils de pompage Agidel sur le marché. Ils sont en plastique, ont un faible niveau de qualité de construction.
Avantages et inconvénients des pompes
Le fabricant a déterminé la durée de vie de la pompe à 5 ans. C'est après cette période que le premier remplacement des joints sera nécessaire avec le bon fonctionnement de l'appareil. N'utilisez pas d'appareils pour pomper de l'eau sale, la roue peut s'user par abrasion et l'appareil perdra de la pression.
Les avantages des pompes Agidel incluent :
- entretien et réparation simples;
- bas prix des produits;
- faible consommation d'énergie électrique;
- longue durée de vie et adaptabilité à une tension secteur instable.
Veuillez noter que le produit dans un étui en plastique est une contrefaçon.












































