Comment réparer un chauffe-eau de vos propres mains

Réparation de chauffe-eau instantané à faire soi-même - causes des dysfonctionnements des modèles à gaz et électriques et réparation

Règles de base pour l'entretien d'un radiateur électrique

Pour un fonctionnement long et sans problème du chauffe-eau, il est important de suivre les règles de fonctionnement et d'entretien. Sinon, les pannes sont inévitables. Le fait que l'appareil ait des problèmes peut être indiqué par certains changements dans son mode de fonctionnement:

Le fait que l'appareil ait des problèmes peut être indiqué par certains changements dans son mode de fonctionnement:

  • augmenter le temps de chauffage de l'eau à une température prédéterminée ;
  • l'apparition de sons inhabituels accompagnant le fonctionnement de l'appareil ;
  • l'apparition d'impuretés dans l'eau du robinet, une modification de sa couleur, de son odeur ou de son goût.

Pour ce faire, vous devrez effectuer les opérations suivantes :

  1. Débranchez l'appareil de l'alimentation électrique.
  2. Retirer le couvercle de protection.
  3. Débranchez les fils électriques.
  4. Couper l'alimentation en eau froide.
  5. Utilisez un tuyau pour enlever l'excès d'eau du réservoir.
  6. Dévissez les boulons qui maintiennent l'élément chauffant.
  7. Retirez l'élément chauffant et nettoyez-le du tartre.
  8. Nettoyez l'intérieur du lecteur de la saleté et des particules de tartre.
  9. Rincez soigneusement l'appareil.
  10. Vérifiez l'état de l'anode en magnésium.
  11. Si nécessaire, remplacez cet élément immédiatement.
  12. Attendez que le réservoir soit complètement sec.
  13. Installez le radiateur en place.
  14. Remontez l'appareil.
  15. Vérifiez la sécurité de toutes les attaches.
  16. Connectez le chauffe-eau à l'alimentation électrique.
  17. Vérifiez la mise à la terre.

L'élément chauffant doit être retiré avec précaution du réservoir, les boulons peuvent être trop tenaces, parfois l'élément chauffant est difficile à retirer en raison d'une trop grande quantité de tartre.

L'élément chauffant est nettoyé par des moyens mécaniques ou chimiques, ainsi que l'élimination des contaminants du réservoir. Si une grande quantité de tartre se trouve à l'intérieur de l'appareil, vous devriez envisager de revoir le mode de fonctionnement du chauffe-eau.

Ce phénomène est souvent observé lorsque l'appareil fonctionne à puissance maximale depuis longtemps. Il est recommandé de régler la température de chauffage maximale à 60 degrés maximum afin d'augmenter la durée de vie de l'appareil et de réduire le nombre de pannes.

Si le corps de l'appareil de chauffage est sous tension, l'élément chauffant peut avoir été déformé et rompu, ou il peut y avoir une panne dans le système de contrôle.

Traitement chaudière avant montage

Comment réparer un chauffe-eau de vos propres mains

Avant d'installer un nouvel élément chauffant, un nettoyage en profondeur du réservoir du chauffe-eau est fortement recommandé.

Cela doit être fait aussi soigneusement que possible afin de ne pas endommager la surface intérieure. Il est également nécessaire d'inspecter l'anode en magnésium, elle devra probablement également être remplacée. En général, il est recommandé de remplacer l'anode chaque année.

Vous pourriez également être intéressé par l'article sur les chauffe-eau instantanés Termeks.

Lisez un article sur l'installation et la connexion d'un chauffe-eau Thermex de vos propres mains ici.

Après avoir lu cet article, vous apprendrez comment démonter correctement le chauffe-eau Thermex.

Commentaires (1)

  1. Oleg: 14/05/2018 à 18:24

    Bonjour, je veux vous demander une consultation technique. J'utilise un chauffe-eau à accumulation de marque Ariston, modèle ABS PRO ECO 80V (la photo du haut sur le site) depuis maintenant 8 ans, je suis satisfait du produit. Mais le temps fait des ravages et un certain problème est apparu, à savoir, lorsque le capteur de température se déclenche à nouveau (si la période entre les allumages était de 1 heure ou plus), toute l'indication sur le panneau avant clignote et des clics fréquents sous le boîtier en plastique du panneau d'affichage pendant environ 10 minutes, puis la fréquence des clics diminue progressivement et l'appareil s'allume.Il convient de noter que si la période entre le fonctionnement du capteur thermique est courte (15-20 minutes), le chauffage s'allume sans problèmes Mais pendant la période de clics fréquents, il semble qu'une sorte de relais ne puisse pas être aspiré, puis se magnétise progressivement et ferme le contact, le chauffage est allumé.

Si l'eau n'entre pas dans la chaudière

Si les raisons décrites sont éliminées, il y a de la pression d'eau, mais la chaudière ne peut toujours pas être remplie, la cause peut être une connexion incorrecte (les tuyaux d'entrée et de sortie sont mélangés) ou un tampon filtrant bouché. Le dépannage de ces problèmes est simple : dévissez les tuyaux, rincez le filtre et remontez le tout dans le bon ordre.

Comment réparer un chauffe-eau de vos propres mains

Schéma de fonctionnement du chauffe-eau

Une autre cause de défaillance est un clapet anti-retour cassé. Il est installé à l'entrée du réservoir de stockage et ne permet pas à l'eau de retourner à l'alimentation en eau. Il peut également libérer une surpression en cas de surchauffe. Au fil du temps, le ressort de soupape se bouche avec des particules de tartre et de rouille, ce qui entraîne un blocage de la soupape. Un démontage et un nettoyage en profondeur aideront à résoudre le problème. S'il n'a pas été possible de nettoyer la pièce et de restaurer ses performances, vous devrez rechercher un remplacement.

Après avoir compris pourquoi la chaudière peut cesser de fonctionner normalement et comment résoudre les dysfonctionnements les plus courants, il convient de s'attarder sur les mesures préventives.

La plupart des pannes peuvent être évitées en suivant ces simples directives de maintenance :

  • Ne pas surchauffer l'eau. Plus la température est basse, plus la formation de tartre est lente, entraînant des pannes.
  • La conception de nombreuses chaudières prévoit l'utilisation de cartouches adoucissantes. Ne lésinez pas sur l'adoucissement de l'eau, car cela vous évitera de dépenser en réparations.
  • Lors d'un départ de quelques jours, éteignez l'appareil sans vidanger l'eau. Mais l'éteindre la nuit pour économiser de l'énergie est peu pratique en raison de la forte usure de la partie électrique.

Comment réparer un chauffe-eau de vos propres mains

Vous pouvez résoudre le problème vous-même. Considérez les dysfonctionnements les plus courants des chauffe-eau.

Pourquoi les soupapes de sécurité du chauffe-eau sont-elles importantes?

Nous traiterons du dispositif du dispositif de sécurité du chauffe-eau et du principe de fonctionnement.

Dispositif

L'appareil lui-même est très simple. La conception se compose de deux cylindres. L'un est grand et l'autre plus petit. Les cylindres sont disposés perpendiculairement les uns aux autres.

  1. Grand cylindre. Il contient une soupape à clapet, qui est pressée par un ressort. Il fournit un débit d'eau dans une direction. Une soupape à clapet est essentiellement un clapet anti-retour. Des deux côtés, le cylindre a un filetage pour se connecter à un tuyau et à un réchauffeur.
  2. Petit cylindre. Il est placé perpendiculairement au premier et a un diamètre plus petit. Le cylindre est équipé d'une prise de vidange avec une soupape à clapet à l'intérieur. Cela fonctionne dans le sens opposé.

Principe d'opération

Il n'y a rien de difficile dans le fonctionnement de la soupape de sécurité du chauffe-eau.

  1. Sous la pression de l'eau froide du robinet, le clapet anti-retour s'ouvre et le réservoir du réchauffeur se remplit.
  2. Après avoir rempli le réservoir d'eau froide, la pression dans le réservoir devient supérieure à la pression externe et la vanne se ferme. Il s'ouvrira au fur et à mesure que l'eau s'écoulera.
  3. La deuxième soupape a un ressort puissant, qui est déclenché par une pression accrue dans la chaudière. Lorsque l'eau est chauffée, la pression dans la chaudière augmente. Et si elle dépasse la valeur autorisée, la source est activée et l'excès d'eau est évacué par le trou de drainage. Ainsi, la pression dans la chaudière est égalisée à la normale.

Pour clarifier le fonctionnement de l'appareil, nous allons simuler plusieurs situations.

  • Qu'il n'y ait pas de vanne à l'entrée du chauffe-eau qui bloquerait le retour de l'eau froide fournie au réservoir. Même avec une pression stable dans l'alimentation en eau, une telle unité ne pourra pas fonctionner.Le fait est qu'avec le chauffage de l'eau dans le réservoir, la pression augmente. À un moment donné, la pression dans le réservoir peut dépasser la pression dans la plomberie et l'eau chaude commencera à couler dans le système de plomberie. Par exemple, l'eau chaude peut s'écouler d'un robinet d'eau froide ou d'une cuvette de toilettes.
  • Il y a des moments où la pression chute dans le système d'alimentation en eau (cela se produit souvent la nuit, lorsque la charge de la station d'eau diminue). Dans ce cas, l'eau du réservoir est évacuée dans les conduites d'eau. TENY vide chauffe un réservoir vide, ce qui entraîne un épuisement inévitable. Bien sûr, en théorie, l'automatisation devrait empêcher le processus de surchauffe. Cependant, tous les modèles ne sont pas équipés de cette fonctionnalité. Oui, et l'automatisation peut tout simplement échouer dans les moments les plus difficiles.
Lire aussi :  L'appareil et le fonctionnement du chauffe-eau Termex

Après avoir examiné les deux situations, on pourrait dire que cela peut être évité en installant un simple clapet anti-retour. Il y a des artisans qui font ça. Mais ils ne se doutent même pas qu'ils sont en train de poser une bombe à retardement dans leur maison. Il est terrible de penser aux conséquences auxquelles on peut s'attendre si le thermostat tombe en panne.

Il n'y a pas de sortie pour l'eau bouillante du réservoir. La pression augmente, et avec elle le point d'ébullition de l'eau. Si vous ouvrez le robinet, la pression peut chuter, le point d'ébullition chute également. Cela fera bouillir l'eau instantanément, ce qui produira une énorme quantité de vapeur, ce qui peut provoquer une violente explosion.

Les situations dangereuses peuvent être évitées en installant une vanne réparable pour le chauffe-eau.

Les principaux avantages du dispositif de sécurité pour le chauffe-eau.

  1. Bloque le retour d'eau du chauffe-eau vers la conduite d'eau.
  2. Il ne permet pas un changement brusque de pression dans le système de plomberie.
  3. Lorsque la pression augmente, elle libère l'excès d'eau de la chaudière.
  4. Si le dispositif de sécurité est équipé d'un levier, l'eau peut être vidangée pour les travaux d'entretien.

Conseils d'entretien

Pour s'assurer que les réparations du chauffe-eau sont nécessaires le moins possible, il doit être correctement entretenu. Par exemple, il est nécessaire d'effectuer périodiquement des inspections de routine de la chaudière, ainsi que de suivre les conseils indiqués dans les instructions.

Le problème le plus courant pour les propriétaires de chauffe-eau est le tartre. Pour éviter ce phénomène, il faut tout d'abord mettre un pré-filtre sur l'eau. Si des dépôts sont visibles sur les parois et les buses, ils ne doivent pas être nettoyés mécaniquement. Pendant ce temps, des rayures se forment, ce qui peut à l'avenir entraîner de la corrosion. Il est préférable d'utiliser des nettoyants spéciaux pour éliminer le tartre.

Comment réparer un chauffe-eau de vos propres mainsComment réparer un chauffe-eau de vos propres mains

Par exemple, pour éliminer le calcaire d'un réservoir et d'un élément chauffant, vous pouvez utiliser une solution d'acide acétique ou citrique. Pour 100% d'eau, 3 à 10% d'acide sont pris. De plus, la solution doit être suffisamment chaude. L'élément chauffant est complètement immergé dans la solution, en utilisant un récipient de taille appropriée pour cela, et le réservoir est simplement lavé. Les nettoyants pour lave-linge conviennent également pour éliminer la plaque dentaire.

Un transducteur magnétique peut aider à prévenir la formation de dépôts de tartre. Vous pouvez également réduire la température de chauffage dans le réservoir à 60-70 degrés. A cette température, les sels de magnésium et de calcium ne bouillent pas.

Comment réparer un chauffe-eau de vos propres mainsComment réparer un chauffe-eau de vos propres mains

Il convient de rappeler que la durée de vie de l'anode en magnésium sera considérablement prolongée si elle est nettoyée en temps opportun et remplacée si nécessaire.De plus, le remplacement doit être effectué une fois tous les six mois.

Il est également nécessaire de s'assurer qu'il y a de l'eau dans la chaudière avant de la mettre en marche. Lorsque l'appareil est branché, ne retirez pas le couvercle de protection. Il n'est pas recommandé d'utiliser un chauffe-eau sans mise à la terre. Il convient également de tenir compte du fait que les chauffe-eau ne conviennent pas aux systèmes d'alimentation en eau dans lesquels la pression dépasse 0,6 MPa.

Comment réparer un chauffe-eau de vos propres mainsComment réparer un chauffe-eau de vos propres mains

Si le chauffe-eau a un affichage électronique, il peut afficher des codes d'erreur de base, qu'il est préférable de connaître, car ils peuvent parfois économiser beaucoup sur les réparations de la chaudière.

Les trois erreurs les plus courantes que vous voyez sont :

  • "Vide" (E1). Cela signifie que le réservoir ne peut pas être complètement rempli d'eau lorsque l'élément chauffant est allumé. Dans ce cas, il suffit d'éteindre l'élément chauffant et d'attendre que le réservoir soit complètement rempli de liquide.
  • "Capteur" (E2). Ce signal indique un capteur de température qui ne fonctionne pas. Dans ce cas, il est nécessaire de déconnecter le chauffe-eau du réseau pendant une demi-minute, puis de redémarrer l'appareil.
  • "Surchauffe" (E3). Indique que l'eau s'est réchauffée à une valeur supérieure à 95 degrés. Pour éviter tout dommage, vous devez démarrer le thermostat de sécurité avec le bouton.

Comment réparer un chauffe-eau de vos propres mainsComment réparer un chauffe-eau de vos propres mains

Pour plus d'informations sur la réparation d'un chauffe-eau Thermex, voir la vidéo suivante.

Les pannes les plus courantes et comment les réparer

Les chauffe-eau à circulation sont tout simplement disposés s'ils ne disposent pas d'unités de commande électroniques supplémentaires. En cas de dysfonctionnement, vous pouvez simplement demander de l'aide à partir de la liste dans laquelle ils sont tous indiqués. La liste des défauts est également accompagnée de moyens pour les éliminer.

Panne n°1 : résistance grillée

La panne la plus courante dans laquelle un appareil électroménager continue de fonctionner même lorsque le voyant est allumé, car le courant électrique atteint l'élément chauffant, mais ne le traverse pas.

Chauffe-eau grillé

Nous réparons l'élément chauffant dans l'ordre suivant:

1. Débranchez le chauffe-eau du réseau électrique et vidangez-en l'eau.

2. Retirez l'élément chauffant. Pour cela, dévissez quelques boulons le fixant au corps du chauffe-eau.

3. Fixez les sondes de travail du multimètre aux deux bornes principales de l'élément chauffant, après avoir réglé la mesure de résistance. La résistance de fonctionnement de l'élément chauffant est de 32-35 Ohm. Si le multimètre en affiche un, cela signifie que l'élément chauffant est endommagé.

L'élément est installé dans l'ordre inverse. N'oubliez pas non plus le joint en caoutchouc sous l'élément chauffant. Si le joint est devenu inutilisable, il doit être remplacé.

Panne numéro 2 : encrassement de l'électroménager

La conséquence du colmatage du chauffe-eau peut être une pression d'eau trop faible à la sortie. Un bruit incompréhensible se fait également entendre, semblable au passage de gros débris dans les tuyaux du système.

Avec une telle panne, tous les éléments de travail du circuit électrique restent utilisables, il peut donc falloir beaucoup de temps pour trouver un dysfonctionnement. Un chauffe-eau bouché ne nécessite pas de réparation, il doit seulement être correctement nettoyé.

Chauffe-eau bouché

Comment nettoyer le chauffe-eau instantané :

1. L'appareil doit être déconnecté de l'alimentation et vidanger toute l'eau du système.

2. Il est nécessaire de retirer 2 fils de l'élément chauffant : phase et zéro. Débranchez ensuite l'appareil de chauffage et rincez-le soigneusement à l'eau chaude. N'utilisez pas d'objets durs pour enlever le tartre et la rouille, car cela pourrait endommager le corps de l'élément.

3. Rincer les tuyaux d'arrivée et d'évacuation d'eau sous basse pression. Pour un effet optimal, il est permis d'utiliser des produits chimiques ménagers à effet doux, sans éléments actifs.

4. Installez l'élément chauffant dans l'ordre inverse. Allumez l'appareil et vérifiez sa fonctionnalité.

Panne numéro 3 : l'interrupteur d'alimentation ne fonctionne pas

Les interrupteurs de puissance à plusieurs étages sont installés principalement sur les modèles de chaudières des dernières générations. Cela vous permet de contrôler avec précision la température de l'eau et d'économiser de l'électricité. Conséquence d'une panne du régulateur de puissance : l'appareil ne réagit en rien à la rotation du bouton de changement de mode de fonctionnement. A la sortie, il peut y avoir un liquide légèrement chauffé, alors que la pression reste normale.

Interrupteur d'alimentation standard

Le plus souvent, l'interrupteur d'alimentation est un rhéostat variable, qui peut être vérifié avec un multimètre. Il est nécessaire de connecter les sondes aux bornes de l'élément et de tourner doucement le bouton de réglage. Si la résistance change, le rhéostat fonctionne, sinon, il doit être remplacé. Lors du remplacement, il est nécessaire de marquer les fils et de les connecter aux bornes de l'interrupteur correspondant. Le commutateur est préférable d'acheter l'original, et non un analogue moins cher.

Lire aussi :  Comment choisir un chauffe-eau pour un appartement et pour une maison de campagne

Panne numéro 4 : réservoir externe cassé

Avec une longue durée de vie, le réservoir du chauffe-eau peut fuir. L'intégrité du matériau est également affectée par la qualité du liquide chauffé - très souvent après plusieurs mois de fonctionnement, du tartre se forme à la surface de l'élément chauffant.

Dommages externes au réservoir

Lorsque le corps est percé, la pression du liquide à la sortie chute brutalement, le corps de l'appareil peut être recouvert de bavures de liquide. Ce dysfonctionnement est déterminé rapidement par inspection visuelle.

Une autre cause de fuite d'eau peut être un joint en caoutchouc usé sous l'élément chauffant - la soi-disant bride. Pour remplacer le joint, il suffit de vidanger l'eau, de débrancher le chauffe-eau du secteur et de retirer l'élément chauffant. Après avoir retiré l'ancien joint, il est nécessaire d'en mettre un nouveau à sa place et d'assembler l'appareil dans l'ordre inverse.

Comment choisir un modèle de chaudière ?

Si le chauffe-eau est équipé d'une soupape de sécurité en standard, vous devez acheter le même modèle pour le remplacement. Cependant, il arrive parfois que des situations surviennent lorsqu'il est nécessaire d'installer l'appareil sur un ancien modèle de chaudière non équipé d'une telle protection.

Comment réparer un chauffe-eau de vos propres mains
Dans de tels cas, il est d'usage de se laisser guider par la couleur de la poignée de déclenchement :

  • couleur rouge - le modèle est conçu pour une pression limite de 0,6 MPa ;
  • couleur noire - 0,7 MPa;
  • couleur bleue - 0,8 MPa.

Les paramètres de la chaudière se trouvent dans les instructions. Parfois, la pression limite est indiquée sur une plaque spéciale ou un autocollant en papier monté sur le corps de l'appareil.

Il est nécessaire de choisir un appareil en parfaite conformité avec la charge à venir. S'il est conçu pour moins de pression, l'eau s'écoulera constamment. Si la valeur nominale de la vanne est bien supérieure à la valeur de fonctionnement, l'appareil ne fonctionnera pas en cas de surcharge, ce qui créera un danger pour le réchauffeur.

Le chauffe-eau est tombé en panne : les principales causes du dysfonctionnement

Malgré la fiabilité et la qualité des radiateurs Ariston, ils ont tendance à tomber en panne.Les points les plus faibles du chauffe-eau sont: l'élément chauffant, une anode spéciale en magnésium, ainsi qu'un clapet anti-retour. Ce sont ces éléments qui nécessitent une prévention opportune.

Que faire si le chauffe-eau tombe en panne ? Tout d'abord, vous devez identifier les causes de la panne, puis procéder ensuite à l'élimination du dysfonctionnement lui-même.

Causes de panne des chauffe-eau:

  • De la corrosion (calcaire) s'est formée sur l'élément chauffant ;
  • Le filtre sur le tuyau par lequel l'eau est fournie et le clapet anti-retour est bouché ;
  • Les surtensions dans le réseau entraînent la défaillance de la carte de contrôle.

Lors du démarrage de l'auto-réparation, assurez-vous de vérifier la carte de garantie de l'appareil. Si la garantie du réservoir n'a pas expiré, ne vous précipitez pas pour le démonter, sinon vous ne recevrez plus de service gratuit à l'avenir.

2 Le joint sous l'élément chauffant est devenu inutilisable

L'élément chauffant est la partie principale de toute chaudière et devient inutilisable tous les 1,5 à 2 ans. Mais le plus souvent, le joint en caoutchouc (par exemple dans les réservoirs Ariston), situé à la jonction de l'élément chauffant et du corps du chauffe-eau, ne résiste pas au terme.

La séquence de remplacement est la suivante :

Débrancher la chaudière du réseau électrique et vidanger toute l'eau du réservoir

Cela doit être fait avec précaution, car le liquide peut être chauffé.
À l'aide d'une clé ou d'une tête à douille, dévissez les boulons fixant le corps du chauffe-eau au corps du chauffe-eau. Cela doit être fait avec précaution, car lors d'une utilisation prolongée de l'appareil, les boulons peuvent devenir aigres

Une force excessive entraînera la rupture du boulon et devra être percé.
Sortez l'élément chauffant et retirez l'ancien joint de la surface de son corps.Poncez légèrement avec du papier de verre fin.
Mettez un nouveau joint, installez l'élément chauffant en place et serrez les boulons. Ici aussi, vous ne devez pas appliquer trop de force - si vous ne cassez pas le boulon, vous pouvez simplement endommager le filetage interne.

Comment réparer un chauffe-eau de vos propres mains

Joints toriques pour l'élément chauffant de la chaudière

Si le joint est devenu inutilisable, mais qu'il n'y a actuellement aucun moyen de le remplacer et que de l'eau fuit toujours, vous devez simplement essayer de serrer les boulons plus fermement. Cela arrêtera la fuite pendant une courte période. Mais vous ne devez pas reporter indéfiniment le remplacement du joint.

Comment réparer un chauffe-eau de vos propres mains

Serrez simplement les boulons

C'est bien pire lorsque le liquide commence à fuir sous les endroits du couvercle de l'élément chauffant où les boulons sont vissés. Cela signifie seulement acheter une nouvelle chaudière, donc l'utilisation même d'un soudage semi-automatique entraînera une déformation de la surface intérieure de l'appareil électroménager.

Très souvent, lors du remplacement des tuyaux d'entrée et de sortie d'eau, les artisans à domicile n'exercent aucun effort lors du serrage des composants en caoutchouc. Des traînées mineures apparaissent, pour les éliminer, il suffit de resserrer la jonction avec une haute qualité.

Nettoyage de la structure du chauffe-eau

Un certain nombre de dysfonctionnements des chauffe-eau peuvent être éliminés par un nettoyage qui, si vous le souhaitez, peut être effectué indépendamment. Ceux-ci incluent un chauffage prolongé de l'eau, l'apparition de sifflements forts, une teinte jaunâtre de l'eau ou une odeur de sulfure d'hydrogène, ainsi qu'un fonctionnement à long terme pendant 2 ans sans mesures préventives.

Débranchez l'appareil, retirez le couvercle de la partie inférieure du réservoir et les fils. Videz toute l'eau du récipient intérieur à l'aide d'un tuyau. N'oubliez pas de couper l'eau froide.

Pour retirer l'élément chauffant, dévissez les boulons situés sous le couvercle du réservoir en bas. Retirez l'élément chauffant du réservoir, s'il y a de trop grandes croissances de rouille et de tartre, cela peut aussi être une tâche difficile.

La formation d'accumulations trop importantes peut être le résultat d'un fonctionnement continu du chauffe-eau à pleine capacité. Si la température de chauffage ne dépasse pas 60 ° C, cela prolongera considérablement la durée de vie. L'élément chauffant retiré du réservoir doit être nettoyé mécaniquement.

Vérifiez l'état de l'anode en magnésium, il peut être nécessaire de la remplacer. Ensuite, nettoyez le réservoir du tartre et des débris et rincez. Avant d'assembler la chaudière, séchez-la, vérifiez la mise à la terre et renforcez soigneusement les pièces.

Comment tester un thermostat de chauffe-eau

Pour vérifier la santé du thermostat, il est nécessaire de mesurer sa résistance à l'aide d'un ohmmètre ou d'un multimètre domestique. Pour ce faire, vous devrez retirer le thermomètre et connecter le testeur à ses contacts, en réglant la poignée de l'appareil sur la valeur maximale.

Ce thermostat devra être remplacé par un neuf. Vous pouvez choisir un nouveau thermostat en fonction de la marque du chauffe-eau, du volume du réservoir, de la taille et de la puissance de l'élément chauffant.

De plus, lors du choix, vous devrez considérer :

  • La quantité de courant pour laquelle le thermostat est conçu ;
  • Fonctions de l'appareil (réglage, protection) ;
  • Type de thermostat (tige, capillaire, électronique).

Lors du choix d'un régulateur dans un magasin, vous devez montrer au consultant un passeport de la chaudière. Cela vous permettra de choisir l'appareil le plus adapté.

Dispositif

Pour un dépannage efficace, il sera utile de se familiariser d'abord avec la conception des chaudières Termex. Les composants suivants peuvent être distingués dans la conception:

Capteur de température.Avec lui, le propriétaire peut à tout moment connaître la température du liquide de refroidissement dans le réservoir. Souvent, il se présente sous la forme d'une échelle avec une flèche ou un indicateur numérique. Cet appareil rend le fonctionnement de la chaudière plus pratique. Même si ce capteur tombe en panne, cela n'affectera pas le fonctionnement de l'appareil lui-même. Certes, dans ce cas, l'utilisateur ne pourra plus savoir à quelle température l'eau va chauffer.
Isolation thermique. Sa présence permet de conserver longtemps l'eau chauffée. Cet élément ne cassera jamais.
Tuyau pour évacuation de l'eau chaude. Il fait référence aux éléments qui ne causent généralement pas de problèmes au propriétaire.
L'enveloppe extérieure du corps du chauffe-eau. Cette pièce peut être faite de différents matériaux - métal, plastique ou une combinaison des deux. L'intégrité de la coque extérieure du boîtier ne peut être violée que si l'appareil tombe accidentellement ou si le propriétaire lui-même subit des dommages.
Réservoir interne. Il est généralement fabriqué en acier inoxydable. En raison de sa faible épaisseur, il peut facilement être affecté par la corrosion, ce qui peut également provoquer sa défaillance. Mais si un entretien régulier est fourni, cela ne créera pas de problèmes pour le propriétaire pendant longtemps.

Lire aussi :  Chauffe-eau cumulatifs, instantanés et combinés Thermex

DIX. Cet élément joue un rôle déterminant dans le fonctionnement de l'appareil, puisqu'il chauffe le liquide. De plus, les modèles plus puissants nécessitent moins de temps pour chauffer l'eau. Compte tenu du fait qu'il est constamment utilisé et exposé à la corrosion, c'est à lui que sont associées les pannes les plus fréquentes des chauffe-eau.
anode de magnésium. Une place lui est attribuée près de l'élément chauffant.Son objectif principal est de protéger le réservoir et l'élément chauffant de la corrosion.

Il est très important de surveiller son état et, si nécessaire, de le remplacer par un neuf.
Tuyau pour l'alimentation en eau froide.
Thermostat pour chauffe-eau Termeks. Grâce à lui, le liquide contenu dans l'appareil chauffe automatiquement. Il existe plusieurs types de thermostats : à tige, à capillaire électronique

Bien qu'il existe des modèles de conceptions différentes sur le marché, ils utilisent toujours le même principe de fonctionnement. Le capteur de température surveille en permanence la température du liquide. En fonction de ce paramètre, il envoie des signaux au relais thermique, qui commence à fermer ou à ouvrir le circuit d'alimentation de l'élément chauffant. Le plus souvent, deux thermostats sont prévus dans la conception du chauffe-eau : le premier contrôle le chauffage de l'eau, tandis que le second surveille l'état du premier. Une caractéristique des modèles coûteux est la présence de trois thermostats, et la tâche du troisième est de surveiller la santé de l'élément chauffant. Un thermostat défectueux ne peut pas être réparé, il est donc remplacé par un neuf.
Coussinets isolants. Ils sont nécessaires à l'étanchéité et à la protection contre l'électricité. Cet élément doit également être changé en cas de panne.
Circuits électroniques de contrôle et de gestion.

Il existe plusieurs types de thermostats : à tige, à capillaire électronique. Bien qu'il existe des modèles de conceptions différentes sur le marché, ils utilisent toujours le même principe de fonctionnement. Le capteur de température surveille en permanence la température du liquide. En fonction de ce paramètre, il envoie des signaux au relais thermique, qui commence à fermer ou à ouvrir le circuit d'alimentation de l'élément chauffant.Le plus souvent, deux thermostats sont prévus dans la conception du chauffe-eau : le premier contrôle le chauffage de l'eau, tandis que le second surveille l'état du premier. Une caractéristique des modèles coûteux est la présence de trois thermostats, et la tâche du troisième est de surveiller la santé de l'élément chauffant. Un thermostat défectueux ne peut pas être réparé, il est donc remplacé par un neuf.
Coussinets isolants. Ils sont nécessaires à l'étanchéité et à la protection contre l'électricité. Cet élément doit également être changé en cas de panne.
Circuits électroniques de contrôle et de gestion.

C'est à partir des éléments décrits ci-dessus que se composent tous les radiateurs à accumulation fabriqués sous la marque Termex. Il faut dire que les appareils à flux ont également une conception similaire, cependant, ils sont dépourvus de réservoir de stockage et disposent d'un élément chauffant de puissance accrue.

Dysfonctionnements possibles et moyens de les éliminer

Si l'indicateur de chauffage de l'eau ne s'allume pas sur le corps du réservoir de chauffage, l'eau ne chauffe pas et le corps est sous tension, l'élément chauffant doit être vérifié avec un testeur. Pour ce faire, il suffit, après avoir retiré ce dernier, de fixer les pointes du multimètre sur les contacts, et de regarder la résistance. Si « 1 » s'affiche à l'écran, on peut conclure que l'élément chauffant est inutilisable, qu'une rupture s'est produite et qu'il doit être remplacé.

Si vous remarquez une fuite de réservoir, il n'est pas toujours possible de la réparer vous-même, car la cause de la panne n'est pas dans tous les cas l'usure du produit d'étanchéité, qui peut être remplacé. Le plus souvent, la cause est l'usure du réservoir lui-même, l'apparition de trous dans celui-ci, rongés par la corrosion. Dans ce cas, la réparation de l'appareil sera assez problématique.Une fuite peut être des trous soudés, scellés ou soudés, mais après un certain temps, le réservoir deviendra toujours inutilisable, car les trous se dilateront. Avec cet incident désagréable, dans tous les cas, il est nécessaire de remplacer le boîtier ou d'acheter un nouveau chauffe-eau à accumulation.

Voici, en fait, toutes les principales dispositions sur la façon de réparer une chaudière de vos propres mains. Nous vous recommandons, si vous n'avez pas suffisamment d'expérience en génie électrique, de contacter un maître ou un centre de service.

Causes d'un dysfonctionnement de la chaudière

Comment réparer un chauffe-eau de vos propres mains

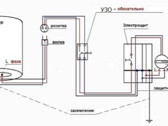
Il y a souvent des problèmes de câblage lorsque la chaudière ne s'allume pas ou ne s'éteint pas et ne chauffe pas non plus l'eau, ou vice versa, elle chauffe en continu. Dans une telle situation, il est nécessaire, en suivant les instructions lors du raccordement de la chaudière, de la connecter correctement au réseau et de la mettre à la terre afin que le courant ne traverse pas le corps.

Il y a des cas où, si le chauffe-eau est mal connecté, aucune eau ne pénètre dans le réservoir. Cela se produit le plus souvent parce que l'eau de l'alimentation en eau est sous une pression trop élevée et cela entraîne soit une rupture du réservoir lors d'un coup de bélier, soit la chaudière est protégée et ne laisse pas passer l'eau. Il est recommandé d'installer des soupapes de sécurité entre les tuyaux de la chaudière et l'alimentation en eau.

Que faire et que faire si le chauffe-eau à accumulation est en panne ? Pour commencer, ne paniquez pas, mais essayez de déterminer la cause de la panne. Après avoir découvert les raisons de la panne de l'appareil, il est nécessaire de comprendre comment démonter la chaudière - sans cette étape, il est impossible de commencer la réparation, car la plupart des problèmes sont associés à l'intérieur du réservoir. Comment réparer vous-même le chauffe-eau à accumulation, nous le décrirons dans l'ordre ci-dessous.

Comment entretenir une chaudière

Pour que les fuites ne se produisent pas et qu'à un moment donné, la chaudière ne vous place pas, disons, un compte d'épargne, vous devez vous en occuper correctement et en temps opportun. Par exemple, toujours avant d'insérer un tuyau dans un chauffe-eau, un robinet à tournant sphérique ou une vanne de haute qualité doit être installé. Cette partie doit supporter librement des charges constantes de la pression de l'eau.

Comment réparer un chauffe-eau de vos propres mains
Pour que la chaudière serve longtemps et avec une qualité élevée, il est nécessaire d'en prendre soin correctement.

Entretien chaudière :

  • L'espace entre la chaudière et la vanne est un endroit pour nettoyer les filtres;
  • Remplacez de temps en temps les membranes filtrantes par des neuves ;
  • La mise à la terre est effectuée strictement selon les instructions, utilisez les précautions de sécurité.

Pour rincer fréquemment la chaudière, il vous suffit de connecter le tuyau au tuyau de sortie inférieur de l'appareil de chauffage, de laisser l'eau pénétrer dans le corps sous une forte pression. La tige d'anode doit être nettoyée très souvent et il est recommandé de la changer chaque année de fonctionnement. Et le tube plongeur doit également être nettoyé en temps opportun.

Évaluation
Site sur la plomberie

Nous vous conseillons de lire

Où remplir la poudre dans la machine à laver et combien de poudre verser