- Pose de fils
- Installation d'un bloc à une clé
- Séquence d'installation
- Connexion à partir d'un bloc à une clé
- Schéma de connexion d'un bloc de prises + un interrupteur
- Comment connecter le commutateur de prise de bloc
- Comment connecter 3 ou 4 prises dans un bloc
- Caractéristiques de montage
- Sélection de l'appareil
- Installation d'un bloc à clé unique
- Connexion du câble aux contacts
- Connexion des phases
- mise à la terre
- Zéro connexion
- Conducteur de signal (sortant)
- Caractéristiques des prises: leur conception et leur objectif
- Installation
- Bloc de clé unique
- Appareil à deux touches
- Variétés
- Quels sont les avantages et les inconvénients?
- Types d'appareils et leurs caractéristiques
- Principaux types populaires
- Remplacer une prise par un interrupteur
- Conclusions et vidéo utile sur le sujet
Pose de fils
Tout d'abord, nous allons apporter le fil alimentant la boîte de jonction. Dans notre exemple, nous utilisons un fil de la marque VVGngP, un fil à trois conducteurs d'une section de 2,5 carrés est utilisé comme alimentation. La section transversale a été sélectionnée par la méthode de calcul de la charge sur la chaîne, vous pouvez facilement effectuer ces calculs par vous-même. Ici, vous trouverez une description détaillée de la façon de calculer indépendamment la section de fil, je vous assure qu'il n'y a rien de compliqué ici.
Des deux côtés, il est nécessaire de laisser une réserve de fil pour connecter les éléments de câblage électrique (machine, prise, interrupteur) 10-12 centimètres, dans une boîte de jonction 10-15 centimètres. Des fils trop courts ne seront pas pratiques pour se connecter et se connecter, il vaut donc mieux ne pas économiser beaucoup.

Ensuite, connectons le fil à la prise.
Ici, vous avez besoin d'un fil avec une section transversale de 2,5 carrés.

Sur l'interrupteur 1,5 cases.

Maintenant, nous posons un fil pour l'éclairage, nous avons une ampoule avec une cartouche.

Nous avons posé tous les fils nécessaires pour boucler le circuit, nous passons à la troisième étape.
Installation d'un bloc à une clé

Instruction:
- Lors de travaux d'installation sur l'installation d'un appareil à clé unique, 2 boîtes de prises sont utilisées, qui ont une conception qui permet de les combiner en une seule unité. Les boîtiers de prises sont installés dans un renfoncement du mur, un fil à 3 fils est inséré du côté de la prise et un fil à 1 fil du côté de l'interrupteur.
- Les boîtiers de prises sont fixés dans l'évidement avec un mortier de gypse.
- Lorsque la solution est complètement sèche, un fil à 3 fils est connecté à la prise. Dans ce cas, vous devez examiner attentivement la mise en phase de ce fil et connecter la terre à la borne appropriée. Le fil de phase doit être connecté à l'une des bornes de la prise et amené à l'entrée de l'interrupteur. La "Terre" est reliée à la troisième borne libre de la prise.
- Sortie de commutation un fil unipolaire est connecté, qui sera dirigé vers la lampe le long de la porte.
- Une fois les fils connectés, il est nécessaire d'installer la partie intérieure dans les boîtiers de prises et de la fixer solidement à l'intérieur des boîtiers de prises à l'aide d'un mécanisme coulissant à vis.
- Ensuite, la dernière étape d'installation d'un tel appareil est réalisée. Le revêtement décoratif en plastique est vissé à l'intérieur avec des boulons. Du côté de l'interrupteur, la fixation est souvent réalisée au moyen d'un loquet.
Séquence d'installation

Il n'y a pas de différences fondamentales dans la connexion des raccords électriques conventionnels et combinés. Pour la plupart des appareils électriques verrouillés modernes, la taille d'ajustement de la partie interne du bloc destinée au câblage affleurant correspond aux dimensions des prises et des interrupteurs simples.
La seule chose qui peut être nécessaire lors du câblage d'un câble d'une plus grande section, qui est nécessaire pour connecter trois prises en même temps, est de percer un stroboscope d'une plus grande section.
La séquence approximative des opérations lors de la connexion de l'unité combinée est la suivante :
- Un marquage est fait pour la pose du fil (câble) indiquant les emplacements d'installation des boîtes de montage dans lesquelles les raccords électriques verrouillés seront fixés.
- Un trou est percé sur le site d'installation de la boîte avec un foret installé dans une perceuse électrique.
- Dans le coffret, il est nécessaire de casser les bouchons perforés des trous des entrées de câbles.
- Les extrémités dénudées du fil sont enroulées à l'intérieur des boîtes.
- Les boîtes sont fixées dans le panneau mural.
- Après avoir retiré le couvercle du bloc de prises, connectez les fils à ses bornes.
- Le bloc est installé à l'intérieur de la boîte et fixé dedans.
- Pour masquer les espaces de montage, un panneau décoratif est installé au-dessus du bloc de prise de courant installé et connecté.
Lors du choix d'un modèle spécifique, il peut y avoir certaines caractéristiques d'installation, cependant, la séquence de connexion ne diffère pas de celle décrite ci-dessus.
Connexion à partir d'un bloc à une clé

Schéma de câblage d'une prise avec un interrupteur simple
Les blocs de raccords électriques les plus largement utilisés, dans lesquels une ou plusieurs prises sont verrouillées avec un interrupteur simple.
Dans la plupart des modèles, plusieurs prises ont une seule connexion - un groupe de deux pinces de borne pour la phase et le zéro, et la borne de phase a un cavalier sur l'un des contacts de l'interrupteur.
La séquence des opérations est la suivante :
- De la boîte de distribution de l'appartement à la boîte de jonction, un câble à deux conducteurs est fourni, fournissant la phase et le zéro.
- Trois fils du bloc « prise-interrupteur » et deux fils du dispositif d'éclairage doivent être amenés dans le même boîtier.
- Dans la boîte de jonction, le fil de phase est connecté au fil provenant de la borne de la prise.
- Le fil neutre du dispositif d'éclairage est connecté dans la boîte au "zéro" du tableau de distribution, et le deuxième fil de la lampe est connecté au conducteur connecté au contact libre de l'interrupteur.
- Si la prise dans le bloc a une mise à la terre ("norme européenne"), il est alors nécessaire de poser un fil séparé sur le contact de pincement dans la boîte de jonction.
La connexion d'un interrupteur à plusieurs touches ne diffère que par le nombre de conducteurs reliant les contacts de l'interrupteur au luminaire.
Les blocs avec éclairage LED des circuits ne sont techniquement pas différents des raccords électriques verrouillés conventionnels. Dans le même temps, le circuit d'alimentation de la LED est intégré à la conception de l'appareil et ne nécessite aucune connexion supplémentaire.
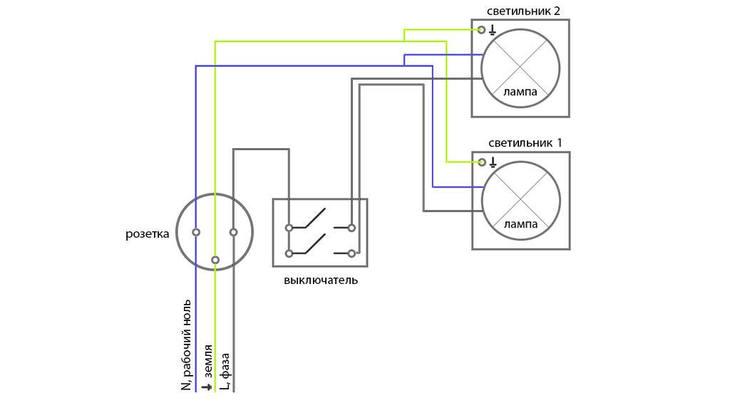
Schéma de connexion d'un bloc de prises + un interrupteur
Dans un article précédent, j'ai parlé de la façon dont les prises électriques simples ou doubles sont connectées au câblage électrique ou entre elles avec une boucle. Maintenant, je vais vous expliquer en détail comment les blocs sont correctement connectés, constitués d'une prise + interrupteur ou de trois ou quatre prises.
Envisager
. que dans un bloc sous un même couvercle non seulement les interrupteurs, les prises électriques sont combinés, mais aussi, si nécessaire, le téléphone et l'ordinateur.
Avant de commencer les travaux
pour connecter les prises électriques - il est nécessaire de couper automatiquement l'alimentation et de s'assurer qu'il n'y a pas de tension à l'aide d'un tournevis indicateur.
Comment connecter le commutateur de prise de bloc
Le plus souvent, un bloc constitué d'un double interrupteur et prise
est installé dans les appartements sur la cloison entre les portes de la salle de bain et la salle de bain. Un bloc solide sert à allumer la lumière dans ces deux pièces, ainsi qu'à brancher les appareils électriques utilisés dans la salle de bain - un rasoir électrique, un sèche-cheveux, etc. Pourquoi la prise électrique est-elle retirée de la salle de bain - j'ai déjà racontée dans un article intitulé Installation de prises et interrupteurs électriques dans la salle de bain.
Dans le schéma de connexion du bloc de prises et de l'interrupteur à deux gangs
5 fils sont utilisés de la boîte de jonction à l'unité.
Conducteur de terre (vert clair sur le schéma) et zéro (bleu)
de la boîte de dérivation sont connectés directement uniquement à la prise de l'unité. La phase (rouge) est reliée à la prise puis reliée par un cavalier au contact commun de la phase entrante de l'interrupteur.
Les deux fils restants sont connectés
sur deux contacts commutés, à travers lesquels les phases sont connectées à 2 lampes en appuyant sur les touches situées dans les toilettes et la salle de bain. Ceux. il s'avère qu'il y aura toujours phase, zéro et masse sur la prise, et la phase sera également sur le contact inférieur de l'interrupteur. Et sur les contacts du haut, il n'apparaîtra que lorsque vous appuyez sur les touches.
Dans la boîte de jonction
le câblage électrique est fait de 2 torsions de deux fils (jaune et beige sur le schéma). Les phases commutées sont torsadées du commutateur aux conducteurs de phase qui vont aux lampes.
Nécessaire pour le fonctionnement des lampes zéro et des conducteurs de mise à la terre
sont prélevés de la boîte de dérivation à partir des mêmes connexions à partir desquelles la prise du bloc est connectée.
Afin de modifier l'inclusion des clés sur le bloc
. il faut intervertir les fils jaune et beige sur l'interrupteur.
Le schéma de connexion d'un bloc composé d'une prise et d'un interrupteur simple est complètement similaire, à la seule différence qu'un fil beige ou jaune tombe du circuit.
Pour connecter un interrupteur à trois touches, vous aurez besoin d'un sixième fil ou d'un câble à 6 conducteurs, qui sera connecté au troisième contact commuté par le haut, à côté des fils jaune et beige.
Comment connecter 3 ou 4 prises dans un bloc
Si à un endroit vous devez installer
plus de 2 prises pour connecter des appareils électriques, des appareils électroménagers ou un téléphone, un réseau informatique, alors un bloc de prises est utilisé, c'est-à-dire que toutes les prises seront sous un même couvercle.
Les prises électriques du bloc sont toutes connectées en parallèle.
Avant de commencer la connexion, il est nécessaire de réaliser et d'installer des cavaliers de 3 fils dans chaque siège.Ne faites pas les cavaliers très longs, car alors les fils interféreront et empêcheront la prise de rester fermement dans le boîtier de montage.
Le bloc de prises est installé et connecté dans l'ordre suivant :

Caractéristiques de montage
bloquer
Il ne sera pas difficile d'installer une unité combinée sans l'intervention d'un électricien professionnel, car un minimum de fils est nécessaire pour connecter des modèles modernes.
Le processus d'installation n'aura que quelques fonctionnalités que vous devez prendre en compte :
- Vous devez préparer à l'avance les outils nécessaires, ils ne nécessiteront pas autant: une perceuse électrique avec une colonne de forage; plusieurs tournevis de différentes tailles; pinces et tenailles.
- Pour assurer la sécurité pendant le travail, assurez-vous que les poignées de tous les outils sont isolées.
- Certaines variétés modernes sont conçues pour une installation à l'extérieur, c'est-à-dire que lors de leur installation, vous pouvez éviter complètement de percer des trous dans la surface du mur.
- Vous pouvez choisir une variété avec un niveau de protection accru contre les conditions environnementales, de tels modèles peuvent être installés non seulement à l'intérieur, mais également à l'extérieur. De tels appareils ont un élément supplémentaire sous la forme d'un couvercle spécial dans la conception, ce qui aide à éviter la pénétration de liquide dans l'appareil.
- Tous les types de blocs modernes sont adaptés pour une installation dans des murs de n'importe quel matériau et quel que soit le type de finition.
Sélection de l'appareil
Le choix étant suffisamment large, vous pouvez trouver un modèle qui correspond à l'intérieur de la pièce.. Les appareils diffèrent également sur le plan fonctionnel :
- Commutateurs ordinaires.
- Appareils avec un indicateur qui peut s'allumer dans l'obscurité pour indiquer son emplacement ou indiquer quelle touche est allumée.
- Passez les commutateurs. Ils sont installés à différents endroits de longs couloirs ou passages, dans des escaliers, à différents étages, etc. Grâce à eux, une ou un groupe de lampes peut être contrôlé à partir de différents endroits.
Le corps du produit doit être exempt de rayures, bavures, abrasions et autres dommages. Les touches doivent être faciles à commuter avec des clics caractéristiques et les bornes doivent fixer fermement les fils connectés. Les bornes auto-serrantes fonctionnent de manière fiable, plus pratique à utiliser. Il suffit d'insérer le fil dans le trou, et il sera fixé
Ici, il est important de le retirer correctement si nécessaire. Pour cela, l'appareil dispose de loquets spéciaux qui sont essorés. Si vous tirez le fil hors du trou, le connecteur peut tomber en panne.
Tirer le fil hors du trou peut endommager le connecteur.
Installation d'un bloc à clé unique

Tout d'abord, l'alimentation est coupée. Avant les travaux, une préparation est effectuée: des marquages sont effectués sur la section de mur pour l'installation. Des trous sont percés aux points marqués avec une couronne, puis une niche est réalisée. Les éléments perforés pour tirer le câble sont retirés de la boîte de montage, puis insérés dans le trou réalisé.
Une prise avec un bloc à une seule clé est l'option la plus simple. Tout d'abord, les pièces qui fixent la garniture décorative sont retirées de l'appareil. Tout d'abord, la vis est dévissée du centre de la douille, puis la clé est retirée à l'aide d'un tournevis à pointe fine. S'il y a des difficultés, il est remplacé par un couteau. La plaque en plastique sous la clé est également retirée. Ensuite, la prise et l'interrupteur sont libérés du boîtier. Pour ce faire, les vis latérales sont desserrées, mais pas complètement dévissées. Les éléments sont légèrement tournés, puis retirés de la boîte.

Connexion du câble aux contacts
Avant de connecter une prise avec un commutateur, vous devez déterminer le nombre de cœurs requis pour l'appareil. Dans notre cas (avec mise à la terre), quatre fils sont nécessaires pour connecter cet appareil au réseau. Trois d'entre eux seront entrants : il s'agit de la masse, du zéro et de la phase. L'un est sortant, à travers lui le courant ira au dispositif d'éclairage. S'il n'y a pas de mise à la terre, un câble à trois conducteurs suffit. Chaque clé de bloc supplémentaire implique une augmentation du nombre de conducteurs par âme.
Si un appareil prêt à l'emploi est acheté, la prise avec l'interrupteur est déjà connectée par un conducteur de phase
Vous devez faire attention à cela lors de l'assemblage du bloc vous-même. Le passage du neutre par l'interrupteur est interdit
Ceci est dangereux : à la fois pendant le fonctionnement et lors de l'entretien des appareils (remplacement des sources lumineuses).
Les travaux se déroulent selon le scénario suivant : connexion de la phase, de la protection, du neutre et du noyau de signal.
Connexion des phases

Le fil de phase est connecté au contact sur lequel se trouve le cavalier. Cette solution vous permet d'alimenter simultanément les deux éléments du bloc - une prise et un interrupteur. Pour simplifier le travail, il est préférable d'utiliser un câble à quatre conducteurs.
Dans ce cas, il est facile à comprendre à l'aide d'un code couleur. Tout conducteur peut devenir une phase, à l'exception du bleu (zéro) et du jaune-vert (terre). Les deux noyaux restants seront en phase : leurs couleurs habituelles sont le blanc, le marron, le rouge. L'un d'eux est destiné à l'arrivée, le second au conducteur allant vers le luminaire. C'est ce qu'on appelle un signal.
mise à la terre

Si la séparation fournit un contact ou un support de mise à la terre, un conducteur jaune-vert (jaune ou vert solide) y est connecté
Dans ce cas, il faut "enrouler sur la moustache" que seule la prise a besoin d'une telle précaution, l'interrupteur n'a pas besoin d'être mis à la terre
Lorsque des travaux sont effectués dans une maison privée, une mise à la terre doit être fournie sans faute
Dans les maisons de l'ancien fonds, cela n'était pas pris en compte, il n'y a donc qu'une seule alternative - la mise à zéro protectrice. Avec une opération correctement effectuée et l'installation d'un RCD ou d'un difavtomat, il n'y aura aucun danger
Zéro connexion

Dans ce cas, utilisez le fil bleu (bleu). Il est connecté au seul contact femelle laissé libre. Il ne va nulle part ailleurs, car il n'est pas nécessaire de basculer l'interrupteur.
Il y a un autre avis sur la façon de connecter une prise avec un interrupteur
Certains maîtres pensent qu'il n'est pas trop important de savoir quel conducteur va au commutateur (zéro ou phase), car la lumière s'éteindra de toute façon. L'illusion est dangereuse
Lorsqu'une telle lampe est éteinte, la tension reste dessus. Si le maître touche la cartouche, il peut recevoir un choc électrique.
Un autre point négatif concerne les lampes à économie d'énergie, qui clignotent souvent lorsque l'interrupteur est ouvert. Dans leur circuit, il y a un condensateur qui accumule la tension provenant du fil de phase. Lorsque la capacité limite est atteinte, l'appareil délivre une décharge à l'émetteur.
Conducteur de signal (sortant)

Cet élément est connecté en dernier. Pour faciliter l'installation, le noyau doit avoir une longueur légèrement plus longue. Le conducteur sortant est attaché au contact restant de l'interrupteur. Son emplacement standard est la partie inférieure du bloc combiné.
Après avoir fixé le dernier conducteur, l'opération intitulée "Comment connecter une prise à un interrupteur" peut être considérée comme presque terminée. Les dernières étapes consistent à assembler l'appareil, à le fixer à sa place.
Caractéristiques des prises: leur conception et leur objectif
Avant d'acheter une prise, pour commencer, nous analyserons la première option, quelles sont les conceptions:
Les prises aériennes sont utilisées en présence d'un câblage externe, installé sur le mur lui-même. Le montage de ce type d'appareil n'est pas difficile, car vous n'avez pas besoin de faire un grand évidement dans le mur. L'inconvénient est que le design dépasse sensiblement du mur, cette option n'est pas toujours pratique.
Intégré (caché). D'après le nom, vous pouvez deviner que tout le mécanisme se trouve à l'intérieur du mur dans le trou préparé, ainsi que les fils connectés.

Prises avec bornes à vis. Une version similaire des fils électriques est installée au milieu des plaques correspondantes et fixée avec une vis conçue à cet effet. La structure est considérée comme la plus sûre et la plus populaire parmi les consommateurs.
Le but des sockets est également différent, regardons de plus près plusieurs types existants :
La prise avec mise à la terre est équipée d'antennes spéciales, auxquelles le fil de terre est attaché, cela vous permettra de protéger le corps de l'appareil du courant de claquage.

Type de sortie fermée. Souvent utilisé par les parents dans la chambre de leurs enfants afin qu'un petit enfant n'ait pas accès à une électricité dangereuse. Ils peuvent être équipés de volets ou de capots de protection.

Prise avec fonction d'éjection de fiche. Le boîtier comprend un bouton, lorsqu'il est pressé, la fiche est facilement retirée.Utile si vous utilisez souvent différents appareils électriques, comme dans la cuisine.
Un dispositif avec une minuterie vous permettra de régler le temps de fonctionnement de l'appareil. La minuterie est installée immédiatement avec toute la structure.

Les prises pour l'extérieur et la salle de bain nécessitent une protection accrue contre l'humidité et la saleté, généralement équipées d'un couvercle pour plus de sécurité.

Installation
Si le maître a décidé de procéder à une installation indépendante, il n'a pas besoin d'outil spécialisé spécial. Il suffit qu'il ait :

perceuse électrique;
foret;
1-2 tournevis (les poignées doivent être isolées);
pinces;
pinces coupantes (coupes latérales).
La préparation préliminaire pour toutes les variantes structurelles de ces blocs est la suivante.
L'alimentation doit être coupée. Des marquages appropriés sont effectués à l'endroit choisi sur le mur. Aux bons endroits du mur, des trous de montage sont percés avec une couronne, après quoi une niche est réalisée (avec câblage caché). Des trous perforés pour les câbles se détachent sur le corps de la boîte.
Bloc de clé unique
La prise combinée à un interrupteur simple dans un boîtier est la plus populaire. La connexion d'une telle paire se déroule comme suit (schéma 1) :

- Le blindage de l'appartement est connecté avec un câble à deux fils ("phase" et "zéro") à la boîte de jonction.
- Un double fil relie la source lumineuse à la boîte de jonction.
- 3 fils de l'interrupteur à double prise sont amenés dans le boîtier.
- Il est nécessaire de s'assurer que le fil va de la borne de phase dans le boîtier à la borne de la prise, et de la prise à l'un des contacts de l'interrupteur.
- Le dispositif d'éclairage connecté à la boîte de jonction est connecté avec l'un de ses fils à "zéro", et avec l'autre il va à la borne libre de l'interrupteur.
- Si une mise à la terre est prévue dans le bloc Eurostandard, elle doit être connectée à la borne de mise à la terre dans le boîtier.
Appareil à deux touches
Lors de l'installation d'une telle unité, il devient possible, en plus de connecter d'éventuels consommateurs via une prise, de contrôler la lumière dans au moins deux pièces différentes ou des sources lumineuses différentes dans une pièce commune.
Pour effectuer une telle installation (schéma 2), vous devez procéder comme suit :

- De la boîte de jonction, 5 fils sont connectés à l'unité jumelle.
- Seuls le fil neutre et le fil de terre sont connectés à la prise.
- La "phase" sur le double interrupteur est alimentée par un cavalier spécial dans l'unité de commutation.
- 2 fils libres sont connectés aux 2 bornes de commutation de l'interrupteur.
- Dans la boîte de distribution, les torsades sont faites à partir des fils alimentant la "phase" et des fils allant aux lampes dans différentes pièces.
Nous portons à votre attention le schéma de connexion dans la boîte de jonction d'un interrupteur à deux gangs et de deux prises :
Quelle que soit la configuration choisie par le maître, il doit étudier et élaborer soigneusement le schéma de toutes les connexions et connexions avant de commencer l'installation.
En conséquence, l'installation correcte d'une prise connectée à un interrupteur n'est pas seulement un travail de haute qualité des appareils électriques, mais également la sécurité de la maison et de la personne.
Variétés
Les différences entre les modules peuvent être faites par :
- caractéristiques structurelles ;
- motif;
- matériau composant.
S'il parle du deuxième élément de la liste en surbrillance, alors le design est une affaire personnelle et chacun choisit ce qu'il préfère en termes de couleur ou de design que telle ou telle entreprise a développé. L'intérieur des différents modules est également différent. Cela concerne par exemple la base où sont fixés les contacts. Auparavant, sa fabrication à partir de céramique était populaire. Mais trouver de très bons produits avec des inserts en céramique est assez difficile. Dans la plupart des cas, avec le temps, il commence à s'effriter et affaiblit les contacts.
La meilleure option utilisée partout est le plastique ABS. Les prises et les interrupteurs utilisent ce type de socle, qui est réfractaire. Même avec un court-circuit, il n'y a pas d'allumage, mais seulement la fusion de l'insert
Il convient également de prêter attention au métal à partir duquel le groupe de contact est assemblé. Le cuivre est considéré comme le meilleur, qui peut être identifié par une réflexion caractéristique, mais vous devez faire attention, car
J. Les fabricants peu scrupuleux recouvrent le métal ordinaire d'une peinture de couleur similaire au cuivre, pour déterminer s'il en est ainsi, il suffit de gratter un peu le contact.
La question des différences dans les caractéristiques de conception est plus complexe. Selon le mode d'association, ils distinguent :
- modèles à corps unique ;
- avec installation dans un cadre commun.
Les modèles à boîtier unique ont un boîtier d'usine, dans lequel il y a un remplissage commun pour deux éléments. L'inconvénient de cette option est que le commutateur peut être alimenté via la prise, ce qui le charge en plus du consommateur connecté. La deuxième option est utilisée plus souvent. Cela implique l'achat de modules absolument équivalents, chacun ayant son propre remplissage.Avant l'installation, un seul cadre de la prise et de l'interrupteur est démonté et ils sont installés dans un cadre commun, qui peut combiner jusqu'à 12 éléments ou plus, si nécessaire. La méthode de connexion correcte dans ce cas ne sera pas parallèle, mais l'alimentation de chaque interrupteur ou de chaque prise de son conducteur. Extérieurement, cette version du design est plus élégante que la précédente.
Selon la méthode d'installation, les types suivants sont disponibles à la vente :
- interne;
- Extérieur.
Les prises extérieures, qui ont un boîtier commun avec un interrupteur, peuvent être installées à n'importe quel endroit requis. Ils sont fixés par la méthode de superposition. Il n'est pas nécessaire de préparer des trous pour cela. Cette option est plus adaptée aux locaux techniques ou aux résidences comme solution temporaire. Les modules internes nécessitent de percer un trou et d'installer un boîtier spécial dans lequel le noyau de la prise ou de l'interrupteur est fixé.
Les conceptions diffèrent également dans la façon dont elles sont assemblées. Si nous parlons d'options montées dans un seul cadre, il n'y a que deux solutions: disposition verticale et horizontale du cadre. Lors de l'achat, vous devez être prudent, car les supports sont différents pour chacun de ces cadres. Dans le cas des solutions à coque unique, la variété est plus grande, puisque le commutateur peut être de la même taille que la prise, ou plus petit que la prise. Dans la deuxième version, l'interrupteur peut être situé dans n'importe quelle position et avoir n'importe quelle forme : rond, rectangulaire ou carré. Certains modules sont assemblés de telle manière que la présence d'un interrupteur n'est pas immédiatement évidente.
La différence peut résider dans le nombre de touches sur l'interrupteur, qui est combiné avec la prise. Dans certains cas, il y en a trois ou quatre sur un élément. Certains interrupteurs peuvent être rétro-éclairés pour faciliter leur utilisation dans l'obscurité. Selon le mode de fonctionnement, l'interrupteur peut être réglé pour percer ou traverser. Dans certains cas, un mécanisme de commutation est utilisé dans lequel la clé n'occupe pas sa position extrême, mais revient à sa position d'origine. Des options de commutateur sans fil sont également disponibles, ce qui nécessite l'installation d'un récepteur de lumière supplémentaire.
Noter! Les unités avec installation à l'extérieur peuvent être protégées contre la pénétration d'humidité, ce qui leur permet d'être montées dans des sous-sols, des caves, des garages ou d'autres zones où l'humidité peut être élevée.
Quels sont les avantages et les inconvénients?
Le principal avantage d'un appareil tel qu'une prise et un interrupteur, combinés dans un même boîtier, est l'économie de main-d'œuvre et de matériel. Si vous installiez ces appareils séparément, vous devrez monter deux trous pour monter des boîtiers dans le mur, acheter et installer deux prises et poser deux fils à deux fils séparés sur l'interrupteur et la prise. Dans le cas de l'installation de l'unité, vous aurez besoin d'un fil à trois fils et d'une prise (seulement il ne sera pas rond, mais d'une forme ovale spéciale), ce qui réduira au moins légèrement votre temps et votre travail, ainsi que vos finances frais.
Parfois, un avantage supplémentaire d'un appareil dans lequel une prise et un interrupteur sont combinés dans un même boîtier est la même hauteur de leur emplacement.
L'inconvénient de cette combinaison est que si l'un des appareils tombe en panne, l'unité entière doit être remplacée.
Un autre inconvénient est qu'il est problématique d'installer un bloc d'interrupteurs combiné à une prise dans un mur en béton. Pour un tel appareil, le trou n'aura pas besoin d'être rond, mais ovale, il sera plus difficile de le faire tomber dans le béton.
Types d'appareils et leurs caractéristiques
Il existe plusieurs variétés de prises de courant et de blocs. Chaque type a ses propres caractéristiques de conception et son objectif.
- Les appareils cachés sont montés directement dans le mur - dans des prises spéciales.
- Des appareils ouverts sont produits pour les appartements où le câblage n'est pas caché dans le mur.
- Les blocs de prises rétractables sont montés sur une table ou un autre meuble. Leur commodité est qu'après utilisation, les appareils sont faciles à cacher des regards indiscrets et des mains ludiques des enfants.

Les appareils diffèrent par la méthode de serrage des contacts. C'est vis et ressort. Dans le premier cas, le conducteur est fixé avec une vis, dans le second - avec un ressort. La fiabilité de ces derniers est plus grande, mais il n'est pas si facile de les trouver en vente. Les appareils sont fixés aux murs de trois manières - avec des bords dentelés, des vis autotaraudeuses ou une plaque spéciale - un support qui facilite à la fois l'installation et le démontage de la prise.
En plus des appareils conventionnels et peu coûteux, il existe des modèles équipés de contacts de mise à la terre. Ces pétales sont situés dans les parties supérieure et inférieure, un fil de terre leur est attaché. Pour assurer la sécurité, des prises équipées de volets ou de capots de protection sont réalisées.
Principaux types populaires
Ceux-ci inclus:

- de type "C", il possède 2 contacts - phase et zéro, généralement acheté s'il est destiné à des équipements de faible ou moyenne puissance ;
- type «F», en plus de la paire traditionnelle, elle est équipée d'un autre contact - mise à la terre, ces prises sont de plus en plus populaires, car la boucle de terre est devenue la norme pour les appartements dans les nouveaux bâtiments;
- La vue "E", qui ne diffère de la précédente que par la forme du contact de masse, est une broche, identique aux éléments de la prise de courant.
Ce dernier type est moins répandu que les autres, car moins pratique à utiliser : tourner la fiche à 180° avec une telle prise est impossible.
La sécurité du boîtier est la prochaine différence entre les modèles. Le degré de sécurité est indiqué par l'indice IP et un nombre à deux chiffres suivant ces lettres. Le premier chiffre indique la classe de protection contre la poussière, les corps solides, le second - contre l'humidité.
- Pour les salons ordinaires, les modèles de classe IP22 ou IP33 suffisent.
- Il est recommandé d'acheter IP43 pour les enfants, car ces prises sont équipées de couvercles / obturateurs qui bloquent les prises lorsque l'appareil n'est pas utilisé.
- IP44 est le minimum requis pour les salles de bain, les cuisines, les bains. La menace en eux peut être non seulement une forte humidité, mais aussi des éclaboussures d'eau. Ils conviennent à une installation dans des sous-sols sans chauffage.

L'installation d'une prise sur un balcon ouvert est une raison suffisante pour acheter un produit avec un degré de protection plus élevé, c'est-à-dire au moins IP55.
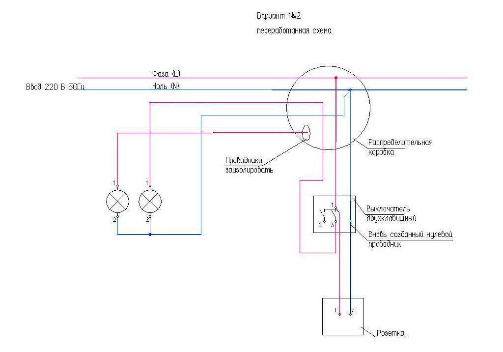
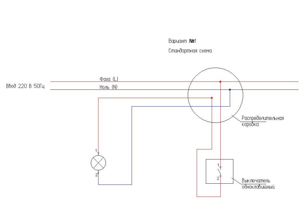
Remplacer une prise par un interrupteur
De toutes les opérations passées en revue, cette procédure est la plus simple. Après avoir retiré l'ancienne prise, il reste une trinité de câbles - phase, zéro et terre. Il est nécessaire d'identifier chacun des éléments par la couleur de l'enroulement de protection. Pour plus de fiabilité, vous devez utiliser un multimètre (il pourra afficher la phase - le câble à travers lequel le courant circule lorsqu'il est connecté aux sondes de l'appareil), car lors des travaux d'installation, la régulation des couleurs des fils est parfois ignorée.Dans les appartements de l'ancien agencement, où le réseau électrique n'a pas été modernisé, au lieu de trois conducteurs, il y en aura très probablement deux (phase et zéro), car la mise à la terre n'a presque jamais été utilisée auparavant.
Après avoir déterminé quel fil remplit quelle fonction, vous devez connecter le composant de phase à l'entrée du commutateur et zéro à la sortie. Ensuite, le travail est effectué dans le boîtier de distribution: le zéro, qui s'étendait auparavant jusqu'au boîtier de la douille, est éteint puis connecté à la phase de la lampe. La mise à la terre n'est pas impliquée dans l'opération, qu'elle ait été utilisée ou non dans la prise précédente. Après cela, le câble zéro du lustre ou de l'applique est connecté au réseau.
Conclusions et vidéo utile sur le sujet
Les supports vidéo que nous vous proposons vous aideront clairement à comprendre comment installer correctement le bloc de prise de courant.
Vidéo #1 Disposition des boîtiers de prises pour le panneau de prises :
Vidéo #2 Instructions pour l'installation d'un bloc à cinq prises :
L'installation d'un bloc de prises n'est pas beaucoup plus difficile que la connexion d'une prise conventionnelle ou double
Après avoir fait preuve d'attention et d'une précision maximale, l'installation est tout à fait à la portée de tout propriétaire qui n'a que des compétences de base en travaux électriques.
Voulez-vous parler de votre expérience personnelle dans l'installation et la connexion de prises de groupe ? Avez-vous des informations utiles ou des questions lors de la lecture de l'article ? Veuillez écrire des commentaires dans le bloc ci-dessous.













































