- Recommandations pour le choix et le raccordement des radiateurs
- 4 Calcul de puissance
- Quel système de chauffage interne privilégier
- Description de vidéo
- Chauffage à l'eau
- circulation naturelle
- Mouvement forcé du liquide de refroidissement
- chauffage à air
- Électrique
- Ce qui est inclus dans un système de chauffage conçu par des professionnels
- Description de vidéo
- Ce qui affecte le fonctionnement d'un plancher d'eau chaude
- Calcul du système de chauffage et sélection de la puissance de la chaudière
- Erreurs lors de l'installation du chauffage à la vapeur
- Recommandations d'installation de bricolage
- Pourquoi le chauffage à la vapeur n'est pas largement utilisé aujourd'hui
- Calcul de la puissance de la chaudière
- Schéma monotube
- Installation de chauffage à vapeur dans une maison privée
- Principaux composants du système de vapeur
Recommandations pour le choix et le raccordement des radiateurs
Un propriétaire ordinaire, étant entré dans un magasin d'équipement de chauffage et y voyant le plus grand choix de radiateurs différents, peut conclure que choisir des batteries pour sa maison n'est pas si facile. Mais c'est la première impression, en fait il n'y en a pas tellement de variétés:
- aluminium;
- bimétallique;
- panneau en acier et tubulaire;
- fonte.
Les batteries sectionnelles en alliage d'aluminium ont les meilleures performances de transfert de chaleur, les réchauffeurs bimétalliques ne sont pas loin d'eux.La différence entre les deux est que les premiers sont entièrement en alliage, tandis que les seconds ont un cadre en acier tubulaire à l'intérieur. Ceci est fait dans le but d'utiliser des appareils dans les systèmes de chauffage urbain des immeubles de grande hauteur, où la pression peut être assez élevée. Par conséquent, installer des radiateurs bimétalliques dans un chalet privé n'a aucun sens.
Il convient de noter que l'installation du chauffage dans une maison privée sera moins chère si vous achetez des radiateurs à panneaux en acier. Oui, leurs performances de transfert de chaleur sont inférieures à celles de l'aluminium, mais en pratique, il est peu probable que vous ressentiez la différence. Quant à la fiabilité et la durabilité, les appareils vous serviront avec succès pendant au moins 20 ans, voire plus. À leur tour, les batteries tubulaires sont beaucoup plus chères, à cet égard, elles sont plus proches des batteries design.
Les appareils de chauffage en acier et en aluminium ont en commun une qualité utile : ils se prêtent bien à une régulation automatique par vannes thermostatiques. Que ne peut-on pas dire des batteries massives en fonte, sur lesquelles il est inutile d'installer de telles vannes. Tout cela à cause de la capacité de la fonte à chauffer pendant une longue période, puis à retenir la chaleur pendant un certain temps. De ce fait également, le taux de chauffage des locaux est réduit.
Si nous abordons la question de l'esthétique de l'apparence, alors les radiateurs rétro en fonte actuellement proposés sont bien plus beaux que toutes les autres batteries. Mais ils coûtent également de l'argent fabuleux, et les "accordéons" bon marché du modèle soviétique MS-140 ne conviennent que pour une maison de campagne à un étage. De ce qui précède, la conclusion est la suivante :
4 Calcul de puissance
Pour comprendre comment faire correctement le chauffage à la vapeur, il est nécessaire de calculer correctement la puissance de la chaudière, en tenant compte de la surface de la pièce qu'elle va chauffer.Dans ce cas, il faut se laisser guider par un ratio simple :
- 1. Pour les pièces de 60 à 200 mètres carrés, une chaudière de 25 kilowatts est utilisée.
- 2. Chauffage efficace du bâtiment pour 200-300 m². m n'est possible qu'à l'aide d'une chaudière de 25 à 35 kW.
- 3. Pour les pièces allant de 600 à 1200 mètres carrés. M. besoin d'une chaudière pour 60-100 kW.

Lors de l'aménagement des chaufferies, il est d'usage d'utiliser une formule simple: pour chaque 100 m². m de surface chauffée, vous avez besoin d'environ 10 kW de puissance de chaudière.
Lors du choix du bon équipement de chauffage, vous devez tenir compte du type de combustible sur lequel il fonctionne. Actuellement, des chaudières à combustible solide, à gaz et combinées sont disponibles sur le marché. De plus, les modèles électriques sont particulièrement demandés, ce qui est pertinent pour les régions éloignées où les tarifs de l'énergie électrique sont bas.
Quant aux indicateurs de pression, ils sont déterminés par le type d'installation lui-même. Dans les appareils à vapeur classiques, ils doivent être de 6 atmosphères ou légèrement supérieurs. Dans les modèles à vide-vapeur, la pression ne doit pas être inférieure à la pression atmosphérique. Dans tous les cas, il doit y avoir un manomètre sur la chaudière elle-même, qui indique les performances actuelles.
La conception de l'unité comprend une fournaise, un brûleur et un cendrier. Le composant clé est le tambour, sur lequel sont placés l'instrumentation, les tuyaux, le manomètre et les fusibles. Pour l'agencement des conduites de chauffage à vapeur, des chaudières à tubes de gaz et à tubes d'eau peuvent être prises. En raison du potentiel thermique plus élevé, la deuxième option est considérée comme la plus populaire.
Un dispositif spécial est en outre adapté à la conception maison - une bobine. Il peut être soudé à partir de tuyaux et placé directement au-dessus du poêle.
Quel système de chauffage interne privilégier
Le projet de chauffage d'une maison de campagne repose non seulement sur le choix du type de vecteur énergétique et de chaudière, mais également sur le type de chaleur entrant dans la pièce. Il y en a plusieurs.
Description de vidéo
Dans notre vidéo, nous continuerons le sujet du chauffage dans la maison et créerons directement visuellement une solution de conception pour chauffer la maison:
Chauffage à l'eau
Le système de chauffage le plus courant, le plus fiable et le plus efficace pour la plupart des utilisateurs. C'est un système (circuit fermé) à travers lequel l'eau chaude circule (en continu), réchauffant les pièces. La fonction de chauffage est assurée par la chaudière, à laquelle la tuyauterie est connectée, à côté des radiateurs de chauffage. C'est lui qui se charge de chauffer l'eau et de la fournir à chaque radiateur.
Après avoir dégagé de la chaleur, l'eau, déjà refroidie, entre à nouveau dans la chaudière, se réchauffe jusqu'à la température souhaitée et répète à nouveau son cycle technologique.
Schéma général du chauffage de l'eau
Ici, vous pouvez utiliser une chaudière de tout type, fonctionnant avec tout type de combustible. Le système de chauffage de l'eau est divisé en deux sous-groupes, selon le type de mouvement du liquide de refroidissement :
circulation naturelle
Ici, l'eau se déplace à travers le pipeline sans aucune contrainte d'appareils mécaniques. Cet effet n'est obtenu que par l'installation correcte de tous les composants de la conduite de chauffage - tous les tuyaux doivent être situés à un certain angle d'inclinaison. Sinon, le système ne fonctionnera pas.
Alimentation en eau naturelle par des tuyaux vers les radiateurs
Mouvement forcé du liquide de refroidissement
Plus facile à utiliser et à installer. Remplit la même fonction, mais avec l'aide d'une pompe de circulation. Ici, les tuyaux et le câblage peuvent être disposés comme vous le souhaitez.La seule exigence pour ce système est l'installation d'une alimentation électrique supplémentaire (prise) pour la pompe.
Alimentation en eau chaude forcée à travers le système
chauffage à air
Ce projet ne peut être réalisé que lors de la construction d'une maison. Pour un bâtiment déjà construit, l'agencement sera d'un coût prohibitif, car cette technologie prévoit l'agencement de conduits d'air (en métal, plastique ou textile), à travers lesquels l'air chauffé par le générateur de chaleur est fourni.
Elle est forcée et gravitationnelle. L'échange d'air naturel se produit selon les lois de la physique - l'air chaud monte vers le haut, l'air froid se précipite vers le bas. La méthode forcée diffère de la précédente en ce que les flux d'air sont déplacés en raison de l'installation d'équipements de ventilation.
Pour organiser le chauffage de l'air, il est nécessaire de calculer soigneusement les modèles de mouvement des flux d'air chaud et froid.
Électrique
Cette technologie prévoit l'installation :
- convecteurs électriques;
- radiateurs infrarouges à ondes longues;
- systèmes de chauffage par le sol.
Pour obtenir le maximum d'effet, un microclimat confortable, il est recommandé de combiner plusieurs appareils électriques dans un seul projet pour chauffer la maison.
Un tel chauffage ne peut pas être considéré comme économique, les paiements pour l'électricité augmenteront certainement. Si ce n'est pas abordable, vous devriez choisir une méthode de chauffage moins chère.
Chauffage de l'eau d'une chaudière électrique
Ce qui est inclus dans un système de chauffage conçu par des professionnels
Lors de la commande d'un projet auprès des spécialistes spécialisés de l'entreprise, le client doit recevoir:
- Page de titre avec le sceau original de l'organisation.
- Une note explicative (obligatoire) au projet créé.
- Plan d'aménagement des communications (général).
- Plan de grande hauteur du même plan.
- Estimation : pour le projet, les matériaux, les types de travaux et leur coût.
- Spécification des matériaux et équipements spéciaux.
- Projet sous forme de croquis détaillé.
- Dessin avec détails précis et dimensions de toutes les unités principales et supplémentaires.
- Plan de câblage pour les communications d'ingénierie, les points de connexion et les raccordements.
Avant de créer un projet, un ingénieur doit arriver sur le site, qui effectuera les mesures nécessaires et établira un dessin préliminaire. Après cela, un contrat est établi avec le client, toutes les options possibles sont envisagées, en tenant compte des préférences et des souhaits du client. Chaque client a le droit d'exiger de la société de conception une copie du projet sous forme électronique ou d'en demander une copie sous forme papier.
Description de vidéo
Là où des erreurs peuvent être commises lors de l'organisation du chauffage domestique, en détail dans cette vidéo :
En se tournant vers des entreprises spécialisées, le client économise non seulement de l'argent, mais reçoit également la garantie que son système de chauffage fonctionnera correctement, pendant longtemps et de manière fonctionnelle. Il n'y aura pas besoin de refaire quoi que ce soit, et surtout - de ne pas avoir peur pour la vie de vos proches.
Ce qui affecte le fonctionnement d'un plancher d'eau chaude
Comment s'assurer que le sol chaud est vraiment tel et crée une température confortable du revêtement de sol. Souvent, en raison de la grande longueur du circuit, une valeur élevée de résistance hydraulique est observée.
Pour le bon fonctionnement du système dans une maison à plusieurs étages, une pompe séparée à faible puissance est installée à chaque niveau ou une pompe à haute puissance est connectée au collecteur.
Groupe pompe
Lors du choix d'une pompe, tenez compte des données calculées, du volume du liquide de refroidissement et de la pression.Cependant, il convient de rappeler que pour déterminer le niveau de résistance hydraulique, il ne suffit pas de connaître la longueur du tuyau. Vous devrez tenir compte du diamètre des tuyaux, des vannes, des séparateurs, du schéma de pose et des coudes principaux. Des calculs plus précis sont obtenus à l'aide d'un programme informatique spécial dans lequel les principaux indicateurs sont saisis.
Comme alternative, il est possible d'utiliser un équipement standard avec des caractéristiques techniques déjà connues. L'hydraulique du système, en manœuvrant ses paramètres, est ajustée aux caractéristiques de la pompe.
Collecteur avec pompe installée
Calcul du système de chauffage et sélection de la puissance de la chaudière
Il est impossible de sélectionner un équipement sans connaître la quantité d'énergie thermique nécessaire pour chauffer le bâtiment. Il peut être déterminé de deux manières : simple approximatif et calculé. Tous les vendeurs d'équipements de chauffage aiment utiliser la première méthode, car elle est assez simple et donne un résultat plus ou moins correct. Il s'agit du calcul de la puissance thermique par la surface des locaux chauffés.
Ils prennent une pièce séparée, mesurent sa superficie et multiplient la valeur résultante par 100 watts. L'énergie requise pour l'ensemble de la maison de campagne est déterminée en additionnant les indicateurs de toutes les pièces. Nous proposons une méthode plus précise :
- par 100 W multipliez la superficie des pièces où un seul mur est en contact avec la rue, sur lequel il y a 1 fenêtre;
- si la pièce est une pièce d'angle avec une fenêtre, sa superficie doit être multipliée par 120 W;
- lorsque la pièce comporte 2 murs extérieurs avec 2 fenêtres ou plus, sa surface est multipliée par 130W.
Si nous considérons la puissance comme une méthode approximative, les habitants des régions du nord de la Fédération de Russie peuvent recevoir moins de chaleur et le sud de l'Ukraine peut surpayer pour un équipement trop puissant.À l'aide de la deuxième méthode de calcul, le chauffage est conçu par des spécialistes. Il est plus précis, car il donne une idée claire de la quantité de chaleur perdue à travers les structures de tout bâtiment.
Avant de procéder aux calculs, la maison doit être mesurée, en découvrant la superficie des murs, des fenêtres et des portes. Ensuite, il est nécessaire de déterminer l'épaisseur de la couche de chaque matériau de construction à partir de laquelle les murs, les sols et les toits sont construits. Pour tous les matériaux dans la littérature de référence ou sur Internet, vous devriez trouver la valeur de la conductivité thermique λ, exprimée en unités de W / (m ºС). Nous le substituons dans la formule de calcul de la résistance thermique R (m2 ºС / W):
R = δ / λ, ici δ est l'épaisseur du matériau du mur en mètres.
Vous pouvez maintenant connaître la quantité de chaleur sortant à travers la structure externe du bâtiment, selon la formule :
- QTP \u003d 1 / R x (tv - tn) x S, où :
- QTP est la quantité de chaleur perdue, W ;
- S est la surface précédemment mesurée de la structure du bâtiment, m2;
- tv - ici, vous devez remplacer la valeur de la température interne souhaitée, ºС;
- tn - température de la rue dans la période la plus froide, ºС.
Erreurs lors de l'installation du chauffage à la vapeur
Étant engagé dans le dispositif de chauffage individuel, vous devez vous familiariser avec les options existantes. Il vaut la peine de choisir l'option la plus appropriée pour votre propriété afin de recevoir à l'avenir:
- consommation de carburant économique;
- chauffage efficace;
- facilité d'entretien du système;
- longue durée de vie des équipements.
Après s'être arrêté parmi toutes les options de chauffage à la vapeur, il est important d'essayer d'éviter les erreurs commises lors de sa construction. Premièrement, le plus souvent, les propriétaires de maison croient que l'eau est le liquide de refroidissement du système.
Ce n'est pas vrai. Lors du chauffage à la vapeur, c'est la vapeur qui va circuler dans les tuyaux et les batteries.
Sur cette base, il est nécessaire de choisir le bon matériau pour les raccords avec lesquels la vapeur et l'eau résultant de la condensation entreront en contact.
Pour éviter les brûlures lors du fonctionnement du chauffage à la vapeur, il est préférable de prévoir une protection pour les radiateurs
Deuxièmement, même au stade de la conception du système de chauffage, ils oublient de protéger les tuyaux et les batteries. La vapeur circulant dans la conduite de vapeur a une température de 100 degrés. Il chauffe assez fortement tous les éléments de la structure, ce qui est dangereux pour les habitants de la maison/chalet.
Troisièmement, lors de l'installation d'une conduite de vapeur et d'une conduite de condensat, les artisans novices oublient de prévoir une pente vers le mouvement de la vapeur et de l'eau, respectivement.
Quatrièmement, certains artisans à domicile sélectionnent de manière incorrecte la puissance de la chaudière. En conséquence, au lieu de la température ambiante souhaitée, 13-15 degrés sont obtenus. Pour une vie quotidienne confortable, un tel régime de température n'est clairement pas suffisant.
Cinquièmement, les soudeurs inexpérimentés peuvent faire des erreurs lors du soudage de la canalisation de vapeur. En conséquence, à tout moment, le tuyau peut percer et le flux de vapeur se déplaçant sous pression à travers celui-ci se précipitera directement vers la personne qui se trouve à proximité. Il s'agit d'une situation extrêmement dangereuse dont il ne faut pas oublier la possibilité.
Lors de l'élaboration de la disposition du système de chauffage, il ne faut pas oublier la course correcte des portes.
Toutes ces erreurs sont inhérentes à la disposition du système de chauffage par les artisans à domicile qui ont rencontré pour la première fois un problème similaire.Voulant économiser de l'argent et choisissant l'option avec de la vapeur, les propriétaires décident de le faire eux-mêmes, décidant de ne pas se tourner vers un concepteur professionnel, un soudeur et d'autres spécialistes.
Le manque d'expérience pratique personnelle et une attitude frivole envers le processus peuvent interférer avec l'installation correcte du chauffage à la vapeur. Certaines des erreurs commises lors de l'installation peuvent non seulement perturber le mode de vie habituel, mais aussi nuire gravement à la santé des personnes vivant dans la maison.
Recommandations d'installation de bricolage
Pour la pose des principales lignes de circulation naturelle, il est préférable d'utiliser des tuyaux en polypropylène ou en acier. La raison en est le gros diamètre, le polyéthylène Ø40 mm et plus est trop cher. Nous fabriquons des eye-liners de radiateur à partir de n'importe quel matériau pratique.
Un exemple d'installation d'un câblage à deux tuyaux dans un garage
Comment faire le câblage correctement et résister à toutes les pentes :
- Commencez par le balisage. Désignez les emplacements d'installation de la batterie, les points de connexion pour les connexions et les itinéraires routiers.
- Marquez les pistes sur les murs avec un crayon, en partant des batteries éloignées. Ajustez la pente avec un niveau de bâtiment long.
- Passer des radiateurs extrêmes à la chaufferie. Lorsque vous dessinerez toutes les pistes, vous comprendrez à quel niveau mettre le générateur de chaleur. Le tuyau d'entrée de l'unité (pour le liquide de refroidissement refroidi) doit être situé au même niveau ou en dessous de la ligne de retour.
- Si le niveau du plancher de la chambre de combustion est trop haut, essayez de déplacer tous les radiateurs vers le haut. Les pipelines horizontaux s'élèveront ensuite. Dans les cas extrêmes, faites un évidement sous la chaudière.
Pose de la ligne de retour dans le four avec raccordement parallèle à deux chaudières
Après le marquage, percez des trous dans les cloisons, découpez des rainures pour le joint caché.Ensuite, vérifiez à nouveau les traces, effectuez les réglages et procédez à l'installation. Suivez le même ordre : fixez d'abord les piles, puis posez les tuyaux vers le four. Installez le vase d'expansion avec le tuyau de vidange.
Le réseau de canalisations gravitaires est rempli sans problème, les grues de Mayevsky n'ont pas besoin d'être touchées. Il suffit de pomper lentement l'eau à travers le robinet d'appoint au point le plus bas, tout l'air ira dans le réservoir ouvert. Si un radiateur reste froid après s'être réchauffé, utilisez le purgeur d'air manuel.
Pourquoi le chauffage à la vapeur n'est pas largement utilisé aujourd'hui
Il faut dire tout de suite qu'il est interdit d'utiliser le chauffage à la vapeur dans les immeubles résidentiels à plusieurs étages, ainsi que dans les endroits surpeuplés. Tout dépend du niveau de danger accru de tels systèmes.
Si, dans le chauffage de l'eau, un caloporteur circule dans des tuyaux avec une température maximale allant jusqu'à 70-90 ⁰С, un fluide de travail de 130-200 ⁰С est fourni via les communications de chauffage à la vapeur. Toute rupture d'un tuyau de chauffage à vapeur est potentiellement dangereuse, car la vapeur chaude peut causer de graves dommages à la santé humaine, voire la mort.
Les systèmes de chauffage à vapeur sont acceptables pour fonctionner sur le territoire des installations de production, ainsi que des installations de logement du secteur privé. Dans le cas d'un chauffage domestique à vapeur, le propriétaire installe le chauffage à ses risques et périls.

Calcul de la puissance de la chaudière
Avant de calculer le chauffage de la maison, vous devez le faire en calculant la puissance de la chaudière. L'efficacité de l'ensemble du système de chauffage dépendra principalement de la puissance de la chaudière. L'essentiel dans ce domaine est de ne pas en faire trop, car une chaudière trop puissante consommera plus de carburant que nécessaire.Et si la chaudière est trop faible, il ne sera pas possible de chauffer correctement la maison, ce qui affectera négativement le confort de la maison.
C'est pourquoi calcul du système de chauffage la maison de campagne est importante. Vous pouvez choisir une chaudière de la puissance requise si vous calculez simultanément la perte de chaleur spécifique du bâtiment pour toute la période de chauffage
Le calcul du chauffage domestique - la perte de chaleur spécifique peut être effectué par la méthode suivante :
qloger= Qan/Fh
Qyear est la consommation d'énergie thermique pour toute la période de chauffage ;
Fh est la surface de la maison qui est chauffée ;
Tableau de sélection de la puissance de la chaudière en fonction de la zone à chauffer
Pour calculer le chauffage d'une maison de campagne - la consommation d'énergie nécessaire au chauffage d'une maison privée, vous devez utiliser la formule suivante et un outil tel qu'une calculatrice:
Qan=βh*[Qk-(Qvn b+Qs)*ν
βh - c'est le coefficient de prise en compte de la consommation de chaleur supplémentaire par le système de chauffage.
Qvn b - les recettes de chaleur à caractère domestique, typiques de toute la période de chauffe.
Qk est la valeur de la perte de chaleur totale de la maison.
Qs - c'est le flux de chaleur sous forme de rayonnement solaire qui pénètre dans la maison par les fenêtres.
Avant de calculer le chauffage d'une maison privée, il convient de considérer que différents types de locaux se caractérisent par des conditions de température et des indicateurs d'humidité de l'air différents. Ils sont présentés dans le tableau suivant :
Voici un tableau qui montre les coefficients d'ombrage d'une ouverture de type lumière et la quantité relative de rayonnement solaire qui pénètre par les fenêtres.
Si vous envisagez d'installer un chauffe-eau, la superficie de la maison sera en grande partie un facteur déterminant. Si la maison a une superficie totale de pas plus de 100 mètres carrés.mètres, alors un système de chauffage à circulation naturelle convient également. Si la maison a une plus grande superficie, il est obligatoire de système de chauffage à circulation forcée personnage. Le calcul du système de chauffage de la maison doit être effectué avec précision et correctement.
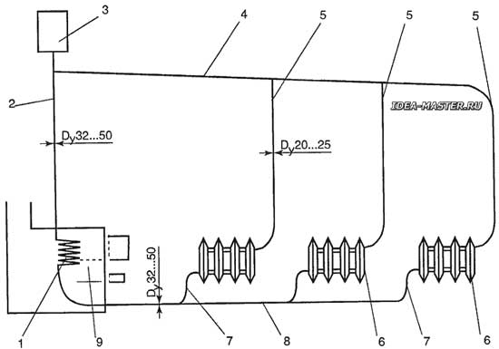
Schéma monotube
Il se compose d'une chaîne de radiateurs connectés en série les uns aux autres. Le liquide de refroidissement, ayant la température souhaitée, fournit de la chaleur directement au système de chauffage à partir de la colonne montante. Il se déplace d'un radiateur à l'autre en leur transférant en permanence une partie de la chaleur. Par conséquent, le chauffage après l'installation d'un tel circuit ne sera pas uniforme.
Si un schéma de chauffage monotube avec un câblage supérieur est sélectionné, le tuyau principal est posé sur tout le périmètre du système de chauffage. De plus, il devrait être plus haut que les fenêtres et les appareils électroménagers. Les batteries dans ce cas ont une connexion en haut, ce qui n'a pas l'air très attrayant. Il convient également de noter qu'ils sont équipés à la fois à l'entrée et à la sortie de vannes d'arrêt spéciales. Sur l'un des côtés, il peut y avoir une tête thermostatique.
Si le circuit a un câblage inférieur, la ligne de tuyauterie passera sous tous les appareils de chauffage. Cette conception est plus souvent choisie pour les maisons modernes, car elle est plus attrayante. Mais il y a ici une particularité : une grue Mayevsky doit être installée sur chaque batterie. Ils sont placés afin d'éliminer l'excès air de la batteriesitué au sommet.

Le schéma monotube présente plusieurs avantages :
- facilité de conception et d'installation;
- d'importantes économies sur le processus lui-même et sur les matériaux utilisés.
Il y a aussi des inconvénients :
- contrôle de température complexe,
- dépendance directe du fonctionnement de chaque batterie sur l'état de l'ensemble du système;
- la difficulté de déconnecter la batterie du système général (afin de ne pas arrêter le fonctionnement du système dans son ensemble, il est nécessaire de poser un by-pass sous chacun d'eux, c'est-à-dire un tuyau de by-pass complété par des vannes).


Installation de chauffage à vapeur dans une maison privée
Avant d'installer le système, vous devez calculer la superficie des pièces, déterminer l'emplacement des radiateurs, vannes, filtres et autres composants de la structure.
Ensuite, vous devez choisir l'option de distribution du chauffage :
- manière supérieure. Cela implique l'installation d'une conduite de vapeur au-dessus du dispositif de chauffage. Les tuyaux sont abaissés de la chaudière aux batteries et les systèmes de condensat sont posés au sol.
- chemin du bas. Des conduites de vapeur sont posées sous les unités de chauffage.
- L'option mixte consiste à poser le pipeline juste au-dessus des batteries, sinon le système répète la méthode d'installation supérieure.
Pour faciliter les travaux d'installation, il est nécessaire de dessiner à l'avance un schéma d'agencement, indiquant tous les éléments du système, la longueur et le diamètre des canalisations, le nombre de radiateurs, etc.
Considérez comment effectuer le chauffage à la vapeur dans une maison privée de vos propres mains:
- Préparez les avions, les surfaces pour le montage de l'équipement: renforcez les murs, nivelez la surface du sol. Puis l'installation des luminaires pour les radiateurs, la fixation des batteries. Il est recommandé de placer des radiateurs sous les fenêtres, cela éliminera l'apparition de courants d'air, la buée des fenêtres et déplacera le «point de rosée» au-delà des ouvertures des fenêtres.
- Installez le générateur de vapeur sur une base en béton.Les planchers doivent être recouverts de matériaux incombustibles pour prévenir la possibilité d'incendie. Il est préférable de monter la chaudière au sous-sol pour que la vapeur monte. Lors de la formation d'un chauffage par le sol, la préférence est donnée à une chaudière à double circuit, qui sépare les travaux de chauffage du circuit dans le chauffage par le sol et le système de radiateurs montés. Le générateur de vapeur dans ce cas est monté au-dessus de la surface du sol.
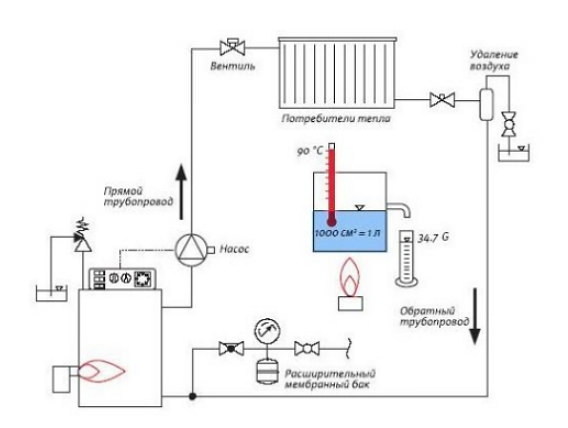
- Le vase d'expansion est monté au point de chauffage le plus élevé. Fixation sur attaches spéciales, zone de localisation dans la ligne entre le générateur de vapeur et les radiateurs. Les experts conseillent de monter un vase d'expansion de type ouvert le plus près possible de la chaudière de chauffage.
- Maintenant l'installation du pipeline. Le point de départ du raccordement est le générateur de vapeur, puis la canalisation est amenée à la première structure de chauffage, puis au raccordement des sorties et des entrées. Tous les tuyaux suivants sont connectés de la même manière. La connexion au réseau principal est réalisée avec une pente de 3 mm par 1 m - cela est nécessaire pour la circulation naturelle du liquide de refroidissement.
- Chaque radiateur est équipé d'une vanne Mayevsky pour éliminer les poches d'air, et un réservoir de stockage est monté devant le générateur de vapeur pour collecter le condensat, d'où le liquide s'écoulera dans la chaudière pour le chauffage et la circulation ultérieure.
Toute la ligne est également fermée sur la chaudière de chauffage - un circuit fermé est obtenu. Pour éliminer la possibilité de colmater le système, un filtre est monté sur la chaudière. De plus, une pompe de distillation de condensat est montée sur la chaudière, le tuyau de la chaudière à la pompe est choisi de sorte que le diamètre du tuyau soit inférieur au diamètre des autres tuyaux. À la sortie de la chaudière, un manomètre et une soupape de surpression sont installés.
Il reste à compléter la ligne avec une unité de vidange / remplissage d'eau, à vérifier le fonctionnement du système, les fuites et vous pouvez démarrer l'équipement en circulation constante. Malgré la facilité d'installation, il est nécessaire de vérifier soigneusement tous les paramètres des unités et de calculer la longueur des canalisations.
Lors du calcul du coût du chauffage à la vapeur, il convient de prendre en compte le prix des composants principaux, des éléments auxiliaires, des appareils de mesure et de contrôle. Lors de la commande d'un service auprès d'une entreprise, le propriétaire devra payer à partir de 300 $, à condition que l'équipement, les radiateurs et les autres composants du système aient déjà été achetés.
Principaux composants du système de vapeur
Equipement et matériel :
- générateur de vapeur (chaudière);
- piles (radiateurs);
- instruments de mesure et de contrôle;
- pompe;
- collecteur pour l'accumulation de condensat ;
- vannes d'arrêt et de régulation.
Lors de la formation d'un système de vos propres mains, vous devez vous rappeler que tous les éléments doivent résister à des températures de chauffage extrêmement élevées. Par exemple, un détendeur à membrane avec une température maximale de +85 C ne convient pas à la vapeur, un réservoir de stockage avec des limites de température de +100 C est nécessaire.
Si le système est équipé d'un poêle, la cheminée se bouchera plus souvent, le nettoyage doit donc faire l'objet d'une plus grande attention. Un four avec échangeur de chaleur peut être utilisé pour la cuisson, mais uniquement pendant la saison froide
En été, en inondant le poêle, le propriétaire recevra la circulation du liquide de refroidissement dans le système de chauffage, ce qui est peu pratique et peu économique. Les experts recommandent d'installer un appareil de cuisson séparé dans la cuisine en été et d'utiliser le four pendant les saisons froides.











































