- Dispositif de démarrage progressif pour lampes à incandescence
- Les causes du burn-out prématuré
- Principe d'opération
- Fabrication artisanale d'UPVL
- Circuit triac
- À base de puce
- Ils n'agissent pas comme d'habitude.
- circuit à thyristors
- Artisanat d'ampoules pour la décoration intérieure
- Bougies
- Agencements
- fruits décoratifs
- Allumage lent (en douceur) des lampes à incandescence
- Options de circuits
- Dans le réseau 220 V
- A 12V
- Contexte
- Un schéma simple pour prolonger la durée de vie des lampes à incandescence
- Craft No3 - Jouet de sapin de Noël Bonhomme de neige
- Dispositif de démarrage progressif à faire soi-même
- Sélection de schéma
- Préparation au travail
- Fabrication d'appareils
- Façons de mettre en œuvre le démarrage progressif
- Source de courant
- Dispositif de démarrage progressif
- Atténuation
Dispositif de démarrage progressif pour lampes à incandescence
Une forte alimentation en courant d'une lampe à incandescence, dont les caractéristiques techniques ont été décrites précédemment, provoque une usure rapide - une rupture du filament de tungstène après sa réactivation. Les chutes de température banales - une spirale froide + une alimentation en courant forte - provoquent une rupture due à la faible résistance du tungstène froid. L'alimentation peut normaliser le régime de température en fournissant du courant lentement et en douceur.
En une fraction de seconde, la spirale est chauffée en raison de l'apport partiel de courant à la lampe, ce qui suffit à chauffer le métal pour augmenter sa résistance.Un flux de tension lent et réduit entre dans la lampe pendant 3 secondes. Sa valeur augmente progressivement pendant cette période de temps à partir de la valeur minimale (de zéro), par exemple, à 176 volts. Les restrictions sur l'alimentation électrique sont différentes.
La durée de vie de ceux équipés d'un bloc de protection est beaucoup plus longue. Ils sont garantis pour vous servir pendant la durée maximale fixée par le fabricant. Ils utilisent également un transformateur électronique pour lampes halogènes - avec le même principe d'augmentation de la durée de vie.
C'est important de savoir ! Il y a le seul inconvénient de l'unité de protection - le flux de lumière d'une lampe avec un tel appareil est considérablement affaibli.
Les unités de démarrage progressif ont des limites de puissance différentes. Par conséquent, lors de l'achat, il est préférable de s'assurer que ce modèle est capable de résister à de fortes surtensions. C'est-à-dire que l'appareil doit avoir une marge marginale de 30 % supérieure à celle fournie par votre réseau.
Il est également important de connaître la puissance nominale totale de toutes les lampes de la maison. La gamme de puissance des unités vendues aujourd'hui est de 150 à 1000 watts.
Les causes du burn-out prématuré
Gradateur pour lampe à incandescence
Dans la grande majorité des cas, les lampes à incandescence brûlent lorsqu'elles sont allumées, lorsque la spirale a la résistance électrique la plus faible. Un filament froid a 10 fois moins de résistance qu'un filament chauffé. En conséquence, lorsque la lampe est allumée, l'indicateur de courant atteint 8 A, ce qui peut être critique pour une spirale froide.
UPVL contribuera à prolonger la durée de vie de la source lumineuse - l'allumage en douceur des lampes à incandescence 220 V, dont le circuit est simple. La tâche d'un tel appareil est d'augmenter progressivement la tension à la charge, les fortes surtensions de courant dans les premières secondes après l'allumage sont exclues.Le chauffage doux de la spirale permet d'augmenter la durée de vie de la lampe de 2 à 3 fois, au lieu des 1000 heures déclarées.
Principe d'opération
Structure gradateur et principe de fonctionnement
Pour une augmentation mesurée de la tension appliquée, il suffit que l'angle de phase augmente en seulement 2-3 secondes. La secousse de courant est lissée, ce qui contribue au chauffage en douceur de la spirale.
Lorsque l'ampoule est allumée, une demi-onde de type négatif traverse la diode, tandis que l'indicateur de puissance n'est qu'à la moitié de la tension. La charge du condensateur se produit dans le demi-cycle positif. Lorsque l'indicateur de tension dessus monte jusqu'à l'indicateur d'ouverture du thyristor, la pleine tension secteur est appliquée à la source lumineuse et elle brille à pleine chaleur.
Fabrication artisanale d'UPVL
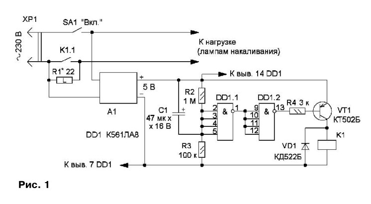
Bien sûr, tous ces dispositifs permettant d'allumer en douceur les lampes à incandescence sont faciles à acheter dans n'importe quel magasin d'électrotechnique, mais pour quelqu'un, il sera plus intéressant et informatif de l'assembler de ses propres mains. Ceci est tout à fait possible et ne nécessite pas de grandes connaissances en physique et en électronique. Le circuit le plus simple pour allumer l'UPVL est basé sur des thyristors à triode symétrique (triacs). Il est également facile de fabriquer des dispositifs basés sur un microcircuit spécialisé.
Circuit triac
Schéma UPVL utilisant un triac
Un tel circuit de dispositif pour allumer en douceur les lampes à incandescence contient peu d'éléments du fait qu'un triac y agit comme une clé d'alimentation (par exemple, KU208G). Dans celui-ci, bien que souhaitable, la présence d'une self n'est pas indispensable (contrairement à un circuit plus complexe basé sur un simple thyristor). La résistance R1 (dans le schéma ci-dessus) fournit une limitation de courant au triac.Le temps de préchauffage est réglé par une chaîne de résistance R2 et un condensateur de 500 microfarads, alimenté par une diode.
Lorsque la tension dans le condensateur atteint le niveau d'ouverture du triac, le courant le traverse, démarrant le consommateur (source lumineuse). Ainsi, les conditions sont créées pour l'allumage progressif du filament, c'est-à-dire l'allumage en douceur de la lumière. Lorsque l'alimentation est coupée, le condensateur se décharge lentement, à la suite de quoi la lampe s'éteint en douceur.
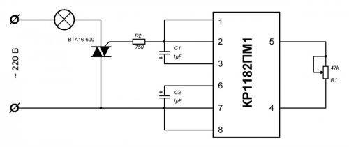
À base de puce
Conçu pour la fabrication de divers régulateurs, le microcircuit KR1182PM1 est le mieux adapté pour assembler un appareil permettant d'allumer et d'éteindre en douceur les lampes à incandescence de vos propres mains. Dans le cas de l'utilisation d'un tel circuit, pratiquement aucun effort ne sera nécessaire, car KR1182PM1 régulera lui-même l'alimentation en tension régulière du luminaire jusqu'à 150 watts. Si la puissance des consommateurs est plus élevée, un triac est inclus dans le circuit. Pas mal pour cet usage BTA 16-600.
UPVL utilisant la puce KR1182PM1
Il est logique d'utiliser de tels appareils non seulement avec des ampoules à incandescence, mais également avec des lampes halogènes de 220 V. Il est également possible de se connecter à un outil électrique pour une rotation plus fluide du rotor. Mais avec les lampes fluorescentes, ainsi qu'avec celles à économie d'énergie (CFL), l'utilisation de l'UPVL n'est pas autorisée. Dans leur schéma de câblage, un dispositif similaire est présent. Vous n'avez pas non plus besoin d'un dispositif de démarrage progressif lors de l'installation de LED - les lampes à LED n'en ont pas besoin car elles ne contiennent pas de filament, qu'il s'agisse d'une lampe 24 volts, 220 ou 12 volts.
C'est intéressant : Quels spots choisir pour les plafonds en plaques de plâtre : on vous explique en détail
Ils n'agissent pas comme d'habitude.
Tout le monde, de MythBusters à National Public Radio, a trouvé ses propres explications sur la longévité de l'ampoule Shelby. Mais, en général, il n'y a qu'une seule réponse - un mystère complet, car le brevet Schieu a laissé la majeure partie du processus inexpliquée.
Certains, comme David Tse, professeur de génie électrique à l'UC Berkeley, remettent ouvertement en question l'authenticité de l'ampoule. D'autres, comme l'étudiant en ingénierie Henry Slonsky, soutiennent que cela est probablement dû au fait qu'autrefois, tout était fait avec une énorme marge de sécurité par rapport à aujourd'hui. "A cette époque", dit-il, "les gens rendaient les choses beaucoup plus solides qu'elles ne devaient l'être."
Justin Felgar, l'un des étudiants du Dr Katz, a exploré plus avant l'ampoule et a publié son travail en 2010 sous le titre The Filament of the Centennial Lamp. Dans ce document, Felgar écrit qu'il a pu découvrir un motif curieux : plus la lampe Shelby chauffe, plus l'électricité passe à travers le filament de la lumière du centenaire (ce qui est exactement le contraire de ce qui se passe avec les filaments de tungstène modernes). Felgar affirme que pour déterminer la cause exacte de la résistance au feu du filament de la Shelby, il serait nécessaire de "déchirer une pièce" et de la faire passer dans un accélérateur de particules à l'Académie navale, mais c'est un processus très coûteux, et donc c'est à reste encore vérifié.
En fin de compte, Katz et ses collègues n'ont pas de réponse définitive à ce mystère.« J'ai pensé que tous les processus physiques finiraient sûrement par prendre fin », dit-elle. "Mais peut-être que quelque chose est arrivé à cette ampoule en particulier." L'ancien chef adjoint des pompiers Livermore est d'accord. "La réalité est que c'est probablement juste une autre erreur de la nature", a-t-il déclaré aux journalistes de NPR en 2003, "seulement une ampoule sur un million peut continuer à briller comme ça année après année".
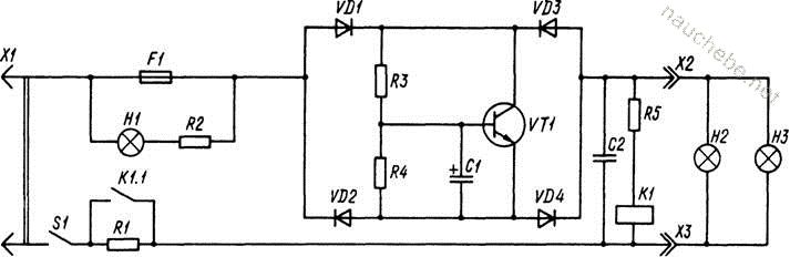
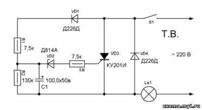
circuit à thyristors
Pour mettre en œuvre le circuit, vous aurez besoin de composants simples, dont beaucoup se trouvent dans le garde-manger à la maison ou dans de vieux équipements.

Dans la chaîne du pont redresseur VD1, VD2, VD3, VD4 se trouve une ampoule à incandescence EL1. Il effectue des tâches de charge et de limitation. Dans la région du bras redresseur, il y a un thyristor VS1, ainsi qu'un circuit de décalage R1, R2, C1. La nécessité d'installer un pont de diodes est causée par les particularités du fonctionnement du thyristor.
Une fois la tension appliquée au circuit, le courant est dirigé à travers le filament vers le pont redresseur. Après cela, la capacité d'électrolyte est rechargée à travers la résistance. Lorsque la tension atteint le moment de l'ouverture du thyristor, ce dispositif s'ouvre. De plus, le courant de la lampe à incandescence traverse le thyristor. En conséquence, l'objectif est atteint - le chauffage lent de la spirale de tungstène. La vitesse de chauffage est définie par la capacité du condensateur et de la résistance.
Artisanat d'ampoules pour la décoration intérieure
Bougies
Placez une mèche dans le flacon de la lampe, versez de la paraffine fondue. Lorsque la paraffine durcit, le verre doit être soigneusement cassé et retiré. À la suite de ces actions, vous obtiendrez une bougie aux formes complexes.

Agencements
Dans le cas où vous avez accumulé un grand nombre de lampes défaillantes, vous pouvez les stocker avec profit en en faisant une lampe. La taille et la forme du produit peuvent être quelconques et ne dépend que de votre goût et fantaisie. Imaginez mentalement les contours de la lampe. Collez du ruban adhésif double face sur les ampoules aux points de contact et, à partir des détails du concepteur, assemblez une lampe à partir d'éléments individuels, en plaçant une cartouche avec une lampe de travail au milieu. Dans cette technique, vous pouvez fabriquer à la fois une suspension et un lampadaire.

fruits décoratifs
La forme même de l'ampoule nous indique quel type de fruit peut être fabriqué à partir de celle-ci. Bien sûr, tout d'abord, ce devrait être une poire. Pour ce faire, il vous suffit d'envelopper l'ampoule à l'aide de ficelle et de colle, de la décorer avec une feuille verte et le bricolage est prêt. Après avoir fait plusieurs de ces fruits, vous pouvez les mettre dans un vase, qui en soi Peut être utilisé comme décoration de table.

De manière aussi intéressante et peu complexe, vous pouvez trouver une utilité à de vieilles choses inutiles. Et bien sûr, il peut y avoir encore plus de ces façons si vous vous permettez d'imaginer correctement. Et si vous initiez les enfants à ce type d'activité, alors en plus du produit fini, vous aurez beaucoup de plaisir à communiquer avec eux.
Allumage lent (en douceur) des lampes à incandescence
Démarrage progressif ou allumage des lampes à incandescence, facile à faire de vos propres mains. Il existe plus d'un régime pour cela. Dans certains cas, après avoir coupé l'alimentation en tension, les lampes s'éteignent également en douceur.
Schémas de base :
- Thyristor;
- Sur un triac;
- Utilisation de micropuces.
Le circuit de connexion des thyristors se compose de plusieurs éléments principaux. Diode, d'un montant de quatre pièces.Les diodes de ce circuit forment un pont de diodes. Pour assurer la charge, utilisez des ampoules à incandescence.
Un thyristor et une chaîne de décalage sont connectés aux bras du redresseur. Dans ce cas, un pont de diodes est utilisé, car cela est dû au fonctionnement du thyristor.

Une fois le démarrage effectué et la tension appliquée à l'unité, l'électricité traverse le filament de la lampe et est acheminée vers le pont de diodes. De plus, à l'aide d'un thyristor, la capacité d'électrolyte est chargée.
Une fois la tension requise atteinte, le thyristor s'ouvre et le courant de la lampe commence à le traverser. Ainsi, il y a un démarrage en douceur de la lampe à incandescence.
Le circuit utilisant un triac est simple, puisque les triacs sont la clé d'alimentation du circuit. Pour régler le courant de l'électrode de commande, utilisez une résistance. Le temps de réponse est réglé à l'aide de plusieurs éléments de circuit, une résistance et une capacité, alimentés par une diode.
Pour faire fonctionner plusieurs lampes à incandescence puissantes, divers microcircuits sont utilisés. Ceci est réalisé en ajoutant un triac de puissance supplémentaire au circuit. Il convient de noter que ces circuits fonctionnent non seulement avec des lampes conventionnelles, mais également avec des lampes halogènes.
Options de circuits
Les magasins proposent une large sélection de démarreurs progressifs pour lampes de fabricants russes et étrangers. L'installation ne nécessite pas de qualifications particulières. Il est nécessaire de couper le fil de phase menant à la lampe à incandescence et de connecter l'appareil à l'aide des borniers.
En l'absence de borniers, les fils sont soudés.
Le plus souvent, l'un des trois schémas est utilisé en production:
- touristique;
- triac;
- spécialisé (généralement une puce KR1182PM1 ou DIP8).
Dans le réseau 220 V
Le schéma le plus simple pour allumer les lampes en douceur est touristique.
Pour l'autoproduction obligatoire:
- lampe à incandescence;
- 4 diodes (pour créer un pont redresseur) ;
- touristique;
- condensateur (10 uF);
- 2 résistances (dont une capacité variable).
Le temps d'activation détermine la résistance variable.
Au moment de l'allumage, le courant traverse l'ampoule, est redressé par le pont, traverse la résistance et commence à s'accumuler dans le condensateur. Après avoir atteint un certain seuil de charge, le courant est fourni au touriste, il s'ouvre un peu. Au fur et à mesure que le condenseur se remplit, le touriste s'ouvre de plus en plus, la lumière s'allume progressivement. La puissance lumineuse maximale est atteinte lorsque le condensateur est complètement chargé.
Les ampoules à incandescence sont conçues pour 220 V (en pratique, cela peut aller jusqu'à 240 V). Les diodes et les touristes sont sélectionnés en fonction de cet indicateur. Lorsque vous le fabriquez vous-même, vous devez tenir compte du fait que vous pouvez utiliser n'importe quelle diode avec une tension de 300 V ou plus et un touriste pouvant supporter puissance à partir de 2 kW. La capacité de stockage n'a pas trop d'importance.
Il est important de savoir que lorsqu'elle diminue, l'ampoule s'allumera plus rapidement.
L'utilisation d'un triac (interrupteur) permet de réduire le nombre d'éléments dans le circuit touristique.
Utilisé:
- Manette de Gaz;
- 2 résistances ;
- condensateur;
- diode;
- triac.
Selon le principe de fonctionnement, ce schéma diffère peu du précédent. Le temps d'activation est déterminé par une chaîne d'une résistance et d'un condensateur, qui sont connectés via une diode. Au fur et à mesure que la capacité du condensateur est remplie, le triac s'ouvre progressivement, à travers lequel l'ampoule à incandescence est alimentée. Il ne s'allume pas instantanément, mais en douceur. Un tel appareil est plus pratique à utiliser en raison de sa petite taille.
Le démarrage progressif des lampes à l'aide d'appareils créés sur la base du microcircuit KR1182PM1 (DIP8) peut être utilisé avec des sources lumineuses d'une puissance allant jusqu'à 150 watts.
La base de cet appareil est constituée de 2 touristes et de 2 systèmes de contrôle. Le temps est contrôlé par une résistance et un condensateur. La partie puissance est séparée de la partie commande par un triac connecté à travers une résistance de réglage de courant. Le travail des touristes internes est régulé par 2 condensateurs externes, un condensateur supplémentaire et une résistance de protection contre les interférences du réseau.
Lorsque vous utilisez ce schéma, la lumière s'allume non seulement en douceur, mais s'éteint également en douceur. La durée du tannage et de l'atténuation est régulée par le choix de la capacité des condensateurs.
La commutation en douceur présente un inconvénient important - une diminution de la luminosité du flux lumineux. Pour atteindre le niveau d'éclairage optimal, des lampes d'une puissance maximale sont nécessaires.
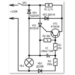
Pour les commutateurs simples, il existe un circuit à base de transistor. Lorsque l'ampoule à incandescence est éteinte, elle est fermée. Après la mise sous tension, la tension à travers la résistance et la diode entre dans le condensateur, il commence à se charger. Le niveau maximum (9,1 V) limite la diode zener.
Après avoir atteint la tension optimale, le transistor commence à s'ouvrir, le filament d'une ampoule connectée en série chauffe progressivement. Une deuxième résistance est nécessaire au niveau du condensateur, ce qui assure sa décharge après l'avoir éteint. Le principal avantage d'utiliser un transistor est que l'ampoule à incandescence ne scintille pas.
A 12V
Si la lampe est ponctuelle, un transformateur est utilisé qui convertit 220 volts en 12 volts. Pour le raccordement à un démarreur progressif 12 V, il est installé devant le convertisseur de tension.
Si un tel appareil est nécessaire pour une voiture, des circuits spéciaux sont nécessaires - impulsionnels ou linéaires (contrôleurs PWM).
Les linéaires sont connectés à des sources lumineuses en parallèle. Après la mise sous tension, le courant traverse la résistance, les lampes sont faibles. Après connexion du relais, ils s'allument à pleine puissance.
La résistance doit être en céramique, puissance d'environ 5 W, résistance 0,1-0,5 ohm.
Les circuits d'impulsions sont créés sur la base d'un transistor à effet de champ qui fournit du courant par impulsions courtes. Pour cette raison, les filaments ne chauffent pas à un niveau auquel une rupture est possible. Dans les intervalles entre les impulsions, le courant parvient à être uniformément réparti le long du fil, égalisant la résistance.
Contexte
Les lampes à LED, qui apparaissent maintenant dans presque toutes les maisons et institutions, nous promettent le respect de l'environnement et une très longue durée de vie, comme si de grosses économies. Autrement dit, si les bonnes vieilles lampes à incandescence nous servaient ou étaient censées durer 1000 heures, alors les lampes à LED devraient fonctionner au moins 20 000 heures - 20 fois plus (d'où leur coût élevé).
Mais l'humanité a été en vain déçue par les lampes à incandescence. Leur courte durée de vie n'est pas à blâmer pour la technologie, mais pour une conspiration de leurs propres fabricants. Comme le sait l'histoire, le premier complot entre fabricants de lampes à incandescence a eu lieu en 1924. Ils ont décidé que les lampes trop bonnes étaient mauvaises. La lampe brûlera longtemps et de nouvelles seront achetées moins souvent. Par conséquent, il a été décidé de sous-estimer artificiellement leur durée de vie même dans le processus de fabrication. Ils ont réduit la longueur de la spirale, réduit le diamètre des conducteurs en cuivre d'alimentation à l'intérieur de l'ampoule de la lampe, qui vont des supports de la spirale aux contacts de la cartouche.Tout, les lampes ont commencé à fonctionner avec une surchauffe, brûlant souvent à cause d'une petite chute de tension, surtout au moment où elles sont allumées. Très souvent, même un mince conducteur en cuivre à l'intérieur de la lampe brûlait et la spirale elle-même réussissait à rester intacte. Cette conspiration, à son tour, a non seulement permis aux hommes d'affaires de vendre des produits de qualité inférieure afin de gagner plus d'argent, mais est devenue le fondement de toute l'économie de consommation moderne. Par conséquent, je doute fort que les lampes à LED, comme elles le devraient, fonctionneront pendant 20 000 heures. Ils "volent" également pas moins que leurs homologues à incandescence, et si c'est toujours clair avec l'environnement, alors il n'y a aucune odeur d'économie ici. Mais revenons aux lampes à incandescence et halogènes.
Il est bien connu que les lampes halogènes et les lampes à incandescence brûlent principalement au moment où elles sont allumées, lorsque la bobine nichrome est à l'état froid et a la résistance active la plus faible. À ce stade, le courant maximal le traversera, en particulier lorsque la lampe est allumée au pic de l'onde sinusoïdale CA. Mais ça peut être beaucoup plus long durée de vie de la lampesi le filament est chauffé progressivement, sur plusieurs secondes.
Un schéma simple pour prolonger la durée de vie des lampes à incandescence
Il s'agit d'un simple démarreur progressif de lampe qui vous permet de réduire considérablement le risque d'épuisement de la lampe et de prolonger sa durée de vie.
Les lampes à incandescence s'éteignent dans la plupart des cas au moment de l'allumage. En effet, un filament froid a moins de résistance qu'un filament chaud. Par conséquent, au moment de l'allumage, le courant traversant la lampe est dix fois supérieur au courant nominal. Cela dure un court instant, mais cela suffit pour désactiver la lampe.
Pour prolonger la durée de vie des lampes dans des conditions industrielles, des systèmes de démarrage progressif sont utilisés. Le schéma présenté est le plus simple. Ici, un relais et une résistance sont placés dans la coupure du circuit d'alimentation de la lampe existante. La bobine du relais est alimentée en parallèle avec la lampe. Comment ça marche: après avoir allumé les phares, ils s'allument faiblement, comme des dimensions, et après environ une demi-seconde, ils s'allument à pleine puissance. Dans ce mode d'allumage, les lampes vivront beaucoup plus longtemps, surtout après réchauffage (+50, +90, etc.).
Aurait besoin:
- Relais (pour chaque lampe) - Vous pouvez utiliser n'importe quel relais 12 volts pour un courant supérieur à 5A, vous pouvez également utiliser des relais automobiles.
- Résistance (nominale 0,1-0,5 Ohm) - est sélectionnée individuellement pour les caractéristiques du relais, de sorte que le relais fonctionne à la valeur de résistance maximale possible. La résistance doit utiliser une céramique puissante d'environ 5 watts.
Emplacement : deux relais peuvent être installés n'importe où (par exemple, sous le capot près des phares ou dans la boîte à fusibles).
C'est intéressant : Désignation des prises et des interrupteurs sur les plans de construction et régimes selon GOST - nous considérons toutes les nuances
Craft No3 - Jouet de sapin de Noël Bonhomme de neige
En prévision de l'arrivée de l'hiver, et avec lui des vacances du Nouvel An, ce serait une bonne idée de passer la soirée avec vos proches à créer des décorations de sapin de Noël à partir de vieilles ampoules. Cela peut être fait en peignant des motifs ou des dessins sur la surface du verre. Vous pouvez coller des ampoules à l'aide de colle avec des paillettes, des strass et des petites perles. Et vous pouvez faire différentes figurines.

Une option gagnant-gagnant pour un jouet d'arbre de Noël sera un bonhomme de neige. Pour créer un tel jouet, vous aurez besoin de:
- vieilles ampoules
- chutes de tissu
- des peintures
- pâte polymère
- colle
- éléments décoratifs: rubans, rubans, cordes à partir desquelles vous pouvez tisser des nattes

Couvrir l'ampoule avec de la peinture acrylique blanche. Pendant qu'il sèche, nous découpons des triangles dans les rabats de tissu, les cousons en forme de bonnets dont le bord est décoré d'une frange. Après cela, vous pouvez décorer les casquettes avec des rubans, des perles et d'autres matériaux improvisés. Vous pouvez, par exemple, tisser des tresses à partir de cordes. A partir de pâte polymère, moulez de petites carottes qui serviront de nez aux futurs bonhommes de neige. Nous peignons les nez avec de la peinture orange, faisons des lignes noires, pour un maximum de naturel. Dessinez un joli visage pour le bonhomme de neige. Après séchage de toutes les pièces, il ne reste plus qu'à les relier avec de la colle. À partir de la corde, faites une boucle avec laquelle le jouet sera accroché au sapin de Noël et cousez-le au bonnet.


Dispositif de démarrage progressif à faire soi-même
Pour un artisan expérimenté, l'assemblage d'un dispositif pour un démarrage progressif d'une lampe à incandescence 220 V selon le schéma est une question de plusieurs minutes, si tous les éléments nécessaires sont disponibles. Si vous n'êtes pas sûr de vos capacités, il est préférable d'acheter le produit dans un magasin d'électrotechnique, car un montage incorrect peut endommager les composants du circuit.
Avant l'assemblage, vous devez sélectionner un schéma. Vous pouvez prendre une option simple en utilisant des thyristors. Des microcircuits spécialisés sont également utilisés, qui sont considérés comme les meilleurs pour la fabrication d'UWL.
Sélection de schéma
Dans un circuit avec un triac, un petit nombre d'éléments. Il contient un accélérateur, mais pas obligatoire. La résistance R1 est nécessaire pour limiter le courant fourni au triac. Pour régler le temps de préchauffage dans le circuit, une résistance R2 avec un condensateur de 500 microfarads est utilisée.Ils sont alimentés par une diode.
Circuit triac.
Lorsque le triac s'ouvre, le courant le traverse et allume la source lumineuse. Cela créera des conditions pour un chauffage en douceur de la spirale. Lorsqu'il est déconnecté, le condensateur se décharge lentement.
Une autre option d'assemblage manuel, considérée comme la plus courante, est la puce KR1182PM1. Elle pourra régler indépendamment la tension d'entrée d'une ampoule d'une puissance ne dépassant pas 150 watts. Si la puissance est supérieure, un triac devra être connecté au circuit.
Schéma KR1182PM1.
Ce circuit est recommandé pour les lampes halogènes et à incandescence. Il convient également aux outils électriques pour la rotation progressive du rotor.
Un autre schéma d'assemblage UPVL implique l'utilisation d'un thyristor. C'est lui qui est le principal composant fonctionnel. Si cette option est utilisée pour une lampe à poser ou un lampadaire, le circuit est placé dans le corps du produit.
Schéma avec un thyristor.
Le démarrage progressif se produit ici en tournant le bouton du potentiomètre. De plus, cette méthode est utilisée pour la mise en marche contrôlée du moteur du collecteur, du fer à souder ou du poêle.
Préparation au travail
Lorsque l'option de construction est sélectionnée, vous devez commencer à vous préparer. Pour ce faire, rassemblez tous les éléments nécessaires du circuit. Ils peuvent être achetés séparément ou trouvés dans des appareils électriques qui ne sont plus utilisés. Certains des éléments nécessaires peuvent être extraits des appareils :
- vieux téléviseur;
- Chargeur de voiture;
- perforateur ou perceuse;
- planche pour une guirlande du Nouvel An;
- sèche-cheveux industriel ou domestique.
Le triac et le thyristor transmettent la tension des basses et hautes fréquences. Par conséquent, ils sont utilisés pour les dispositifs de transformateur dans les machines à souder.
Fabrication d'appareils
Si un circuit utilisant un triac est sélectionné, il convient de considérer qu'il fait passer le courant dans les 2 sens, en tenant compte du passage d'une partie de la puissance nominale. En d'autres termes, on peut parler de clé électronique dont l'intensité d'ouverture dépend de la puissance émise. Le démarrage progressif des lampes à incandescence est impossible sans les éléments suivants :
- résistance de 100 kΩ ;
- dinistor ;
- une autre résistance (puissance 10 kOhm).
Dinistor.
Le triac est sélectionné en tenant compte de la charge à laquelle l'UPVL sera connecté. Il est également recommandé d'installer un radiateur dans le circuit pour éviter la surchauffe. Le montage se déroule en plusieurs étapes :
- L'un des fils du réseau est relié au triac, l'autre à la lampe.
- A partir de la même sortie, le triac est connecté à une résistance variable.
- La deuxième sortie de la résistance traverse le dinistor, après quoi la résistance de 10 kΩ passe à la deuxième sortie du triac.
- La 3ème sortie du triac est affectée au 2ème contact de l'ampoule.
- Le 3ème contact de la résistance (constante à 100 kOhm) - au deuxième contact de la lampe.
En tournant le régulateur installé sur une résistance variable, modifiez la tension de sortie. La lampe commence à s'allumer doucement conformément au réglage.
Façons de mettre en œuvre le démarrage progressif
Avant de décider comment mettre en œuvre un démarrage progressif, il est nécessaire de comprendre le fonctionnement des HFPL. Le principe de fonctionnement des appareils Ce type est basé sur la capacité à abaisser d'abord puis à augmenter progressivement la tension jusqu'à la valeur optimale. L'appareil est connecté à la coupure du fil entre la lampe (luminaire) et l'interrupteur.
Lorsqu'une tension est appliquée, sa valeur est augmentée par des circuits de démarrage progressif. Ils peuvent être montés sur des transistors, des triacs ou des thyristors selon des schémas FIR (phase-pulse controller).Le taux d'augmentation de la tension peut varier en quelques secondes: cela dépend beaucoup du schéma selon lequel l'appareil a été assemblé. La puissance de charge ne dépasse le plus souvent pas 1400 watts.
Source de courant
L'unité de protection agit comme un dispositif qui permet une commutation en douceur. L'utilisation de l'appareil simultanément avec la lampe vous permet de réduire progressivement la tension fournie au luminaire. Dans ce cas, le filament de tungstène ne subit pas de charge importante, ce qui permet de prolonger sa durée de vie.

Lorsque le courant électrique traverse le bloc, la tension chute (de 220V à 170V). La vitesse varie en 2 à 4 secondes. L'utilisation de l'unité de protection aux fins prévues entraîne une diminution du flux lumineux de 50 à 60 %. Les appareils Uniel Upb-200W-BL peuvent supporter jusqu'à 220 V, vous devez donc y connecter des ampoules de même puissance.
L'appareil peut être installé à proximité d'interrupteurs ou de luminaires.
Dispositif de démarrage progressif
Le mécanisme de fonctionnement du dispositif de démarrage progressif pour lampes à incandescence (UPVL) est le même que celui des blocs de protection. L'appareil présente un avantage significatif - sa petite taille, il peut donc être installé dans une prise (derrière l'interrupteur), à l'intérieur d'une boîte de jonction et d'un plafonnier (sous un capuchon). Le raccordement UPVL doit être réalisé en série, en commençant par le raccordement de l'appareil au conducteur de phase.

Atténuation
Les gradateurs ont la capacité de réguler le courant électrique, de sorte que ces appareils sont souvent installés dans des zones résidentielles. Les appareils modifient la luminosité de la lumière émise par les lampes halogènes, LED ou à incandescence.
Un rhéostat ou une résistance variable est considéré comme le gradateur le plus simple. L'appareil a été inventé en 1847 par Christian Poggendorf.Il peut être utilisé pour réguler courant et tension électriques. L'appareil est composé de plusieurs parties :
- conducteur;
- régulateur de résistance.
La résistance change en douceur. Pour réduire la luminosité de la lumière, la tension est réduite. Dans ce cas, les valeurs indiquant l'intensité et la résistance du courant seront élevées, ce qui entraînera une surchauffe du dispositif d'éclairage.
Les autotransformateurs sont également appelés gradateurs. Ces appareils ont un rendement élevé. La tension est fournie sans distorsion, la fréquence optimale ne dépasse pas 50 Hz. Un inconvénient important de l'autotransformateur est son poids élevé. Pour les gérer, une personne doit tout mettre en œuvre.
La version électronique est l'appareil le plus simple et le plus abordable avec lequel vous pouvez contrôler la force actuelle. La partie principale de l'appareil compact est un interrupteur (clé), qui est contrôlé par des semi-conducteurs à thyristor, triac et transistor.

Il existe plusieurs façons de contrôler le gradateur :
- le long du bord d'attaque ;
- le long du dos devant.
La tension fournie aux lampes à incandescence peut être régulée dans les deux sens.




































