- Comment connecter un gradateur de vos propres mains?
- Instructions pour connecter un gradateur pour lampes à LED
- Gradateurs : avantages et inconvénients
- Caractéristiques du réglage de différents types de lampes
- Lampes LED à intensité variable - qu'est-ce que c'est
- Quel gradateur est nécessaire pour les ampoules LED conventionnelles
- Est-il possible de diminuer la luminosité des lampes LED 12V
- Types de gradateurs
- Gradateur simple
- Gradateur avec interrupteur
- Comment choisir un variateur selon le type de lampes ?
- Types d'appareils et comment fonctionne un variateur pour lampes à incandescence ?
- Guide de sélection
- Fabrication de gradateurs DIY
- Champ d'application
- Le principe de fonctionnement du gradateur
- Contrôle des paramètres de fonctionnement - Contrôle de fonctionnement
- Gaspillage d'énergie
- Schéma de raccordement variateur monobloc
- Connecter et faire fonctionner un variateur : que faut-il savoir ?
- Instructions pour installer un gradateur au lieu d'un interrupteur conventionnel
- Gradateur à condensateur
Comment connecter un gradateur de vos propres mains?
Vous pouvez connecter vous-même un variateur pour lampes LED. Pour ce faire, vous devez avoir un minimum de connaissances dans le domaine de l'électricité et disposer d'un tournevis.
Instructions pour connecter un gradateur pour lampes à LED
La procédure de raccordement de l'appareil en utilisant le régulateur Legrand à titre d'exemple :
- La première étape consistera à couper l'électricité dans le réseau domestique.À l'aide de l'indicateur, il est nécessaire de déterminer la ligne électrique de phase. Démontez le régulateur de tension avec un tournevis et dégagez la douille.
- Il y a trois connecteurs sur le corps de l'appareil. Le premier est la phase, le second est la charge et le troisième sert à connecter des commutateurs supplémentaires. Le package gradateur comprend un circuit, avec son aide, la connexion sera établie.
- À l'aide d'un tournevis cruciforme, desserrez les boulons de serrage et installez les contacts du circuit dans les connecteurs. Lors de la connexion, utilisez le brochage. Dans notre exemple, le fil de contact blanc est la phase et le bleu sert à connecter la charge. Après avoir installé les fils, les boulons sont serrés, cela est nécessaire pour assurer un contact de haute qualité. Mais il est déconseillé de pincer les vis pour ne pas abîmer le contact.
- Ensuite, le gradateur est installé dans la prise, il doit être solidement fixé dans le boîtier lui-même avec deux vis.
- La prochaine étape sera l'installation d'un cadre de protection en plastique et de boutons. La clé est montée en tenant compte des nuances spécifiées dans la documentation de service. En règle générale, un bouton large est conçu pour allumer et éteindre la lumière, et un bouton étroit est nécessaire pour régler la luminosité de la lumière.
- Au stade final, le diagnostic du fonctionnement du dispositif de régulation est effectué ; avant cela, il est nécessaire d'allumer l'électricité dans le réseau.
Gradateurs : avantages et inconvénients
Les avantages des gradateurs incluent :
- Contrôle de la luminosité confortable. Dans certains cas, cela peut se faire à distance ou avec un signal acoustique.
- Possibilité d'utiliser des régulateurs comme interrupteurs pour l'éclairage et l'extinction des lampes.
- La réduction de la charge contribue à prolonger la durée de vie des luminaires.
- Les modèles modernes ont souvent une fonction de programmation qui permet de simuler la présence du propriétaire en cas de départ.
L'assortiment de magasins spécialisés comprend une large gamme d'appareils qui diffèrent par leur conception, leur conception, leur coût et un ensemble d'options diverses.
Un appareil extrêmement pratique est un gradateur à distance qui vous permet d'allumer et d'éteindre la lumière, ainsi que de modifier sa luminosité à distance à l'aide de la télécommande.
Dans le même temps, ces dispositifs présentent un certain nombre d'inconvénients. Tout d'abord, ils sont sensibles à la surchauffe, il est donc recommandé de les installer dans des pièces dont la température ne dépasse pas +25°C.
Lors de l'utilisation de gradateurs, un niveau de charge minimum de 40 watts doit être respecté. Si cet indicateur est souvent violé, le mécanisme de régulation échouera prématurément.
Les impulsions appliquées peuvent devenir des sources d'interférences radio. Pour compenser cet effet pas trop agréable, des bobines à condensateurs (filtres LG) sont parfois introduites dans le circuit.
Si des lampes puissantes à longs filaments sont incluses dans le circuit, veillez à ne pas leur appliquer une tension minimale, car les appareils pourraient commencer à «chanter».
Il est strictement interdit de brancher téléviseurs, ordinateurs, tablettes, radios sur le circuit électrique. Il est interdit de connecter des ballasts électroniques (ballasts électroniques), des lampes fluorescentes.

Selon les experts, une réduction de 50% de la puissance d'une lampe à incandescence à l'aide de gradateurs modernes permet d'économiser 15% d'énergie électrique.
Une question discutable est celle des économies d'énergie lors de la régulation du fonctionnement des lampes à incandescence.
Des recherches menées par des scientifiques ont montré que l'utilisation de types modernes de gradateurs contribue à une certaine réduction de la consommation d'énergie, mais ce chiffre peut difficilement être qualifié d'impressionnant.
Caractéristiques du réglage de différents types de lampes
Différents types de lampes nécessitent différents schémas de contrôle pour leur fonctionnement. Ainsi, pour les lampes à incandescence et les analogues halogènes, conçus pour une tension de fonctionnement de 220 volts, seule la possibilité de modifier la tension fournie est possible. Cela entraîne une modification de l'intensité de la lueur de la source lumineuse. Pour les appareils avec une tension de fonctionnement de 12 Volts DC, la modification du flux lumineux est effectuée au moyen d'un RÉGULATEUR PWM, qui est capable de modifier en douceur la tension de fonctionnement de sortie sans augmenter ni diminuer son amplitude.
Lampes LED à intensité variable - qu'est-ce que c'est
Les lampes à LED équipées d'un dispositif qui vous permet de régler en douceur leur lueur sont appelées lampes à LED à intensité variable.
Noter! Les sources lumineuses à LED équipées de dispositifs de gradation ne diffèrent en rien extérieurement des analogues qui ne sont pas équipés de tels dispositifs. La présence de la possibilité de gradation de la lampe est indiquée dans son marquage avec la désignation dimmable.
Les lampes qui n'ont pas de gradateur dans leur conception ne fonctionnent que dans deux modes : allumé et éteint. Et en présence d'un dispositif de gradation, ils sont capables d'ajuster l'intensité de la lueur conformément aux valeurs spécifiées (généralement de 10 à 100%).
Quel gradateur est nécessaire pour les ampoules LED conventionnelles
Lors du choix d'un régulateur pour sources lumineuses à led, les indicateurs suivants deviendront les critères :
- caractéristiques techniques - puissance électrique et tension de fonctionnement ;
- type d'appareil (son objectif) - pour les lampes à incandescence, les lampes halogènes ou à LED;
- conception - détermine le type d'exécution, la méthode de réglage et l'emplacement.
Lors du choix d'un modèle spécifique, il ne faut pas oublier que le non-respect des critères ci-dessus peut entraîner les conséquences négatives suivantes :
- surchauffe de l'appareil si la puissance des sources lumineuses qui lui sont connectées est dépassée;
- l'impossibilité d'effectuer les réglages requis ou de les enregistrer dans la mémoire de l'appareil affecte négativement la fonctionnalité du contrôleur ;
- la conception du gradateur ne permet pas de le placer à l'emplacement d'installation sélectionné en raison des particularités des éléments de fixation prévus par un modèle particulier.
Est-il possible de diminuer la luminosité des lampes LED 12V
Pour le rétroéclairage et l'éclairage artificiel, les bandes LED sont largement utilisées, dans lesquelles les sources lumineuses fonctionnent à une tension de 12 volts.
Pour contrôler le fonctionnement d'un tel appareil, on utilise un gradateur pour une bande de LED, qui est inclus dans le circuit d'alimentation de la source lumineuse et peut contrôler son fonctionnement à la fois dans un mode donné et à l'aide d'une télécommande.
Un gradateur pour une bande LED de la même couleur de lueur a un canal de contrôle, qui consiste à modifier uniquement la luminosité de la lueur. Pour les bandes tricolores (RGB-glow), les appareils sont équipés de trois canaux de contrôle, qui vous permettent également de régler le taux de changement de toutes les couleurs.
Types de gradateurs
Les dispositifs électroniques de réglage de la luminosité de la lumière sont créés en fonction de plusieurs paramètres. La principale chose qui distingue les gradateurs les uns des autres est le type d'exécution.Selon lui, les régulateurs d'intensité lumineuse sont :
Le dernier type d'appareils électroniques - les gradateurs monoblocs - sont divisés en types en fonction de la méthode de contrôle. Par conséquent, les gradateurs sont subdivisés en appareils suivants :
- rotatif (équipé d'une poignée qui, si elle est dirigée vers la gauche, éteint la lumière et, lorsqu'elle est tournée vers la droite, augmente l'intensité de l'éclairage); Pour modifier la luminosité de la lumière, ce gradateur doit être tourné
- rotatif-poussoir, agissant de la même manière que le rotatif conventionnel, mais différant en ce qu'ils n'allument la lumière qu'après avoir légèrement appuyé sur la poignée; Un tel gradateur est similaire à un bouton
- les claviers, qui sont des appareils dont une partie est chargée d'allumer et d'éteindre la lumière, et la seconde de diminuer et d'augmenter sa luminosité.Sur cet appareil, "+" et "-" sont souvent marqués
Un rôle essentiel dans le choix d'un gradateur est joué par le type de lampe dont la lumière doit être ajustée. Par exemple, il est d'usage d'équiper les lampes à incandescence d'appareils électroniques simples qui effectuent leur tâche en modifiant la tension. Les gradateurs standard sont également bien adaptés aux lampes halogènes connectées à une source d'alimentation 220 V.
Un gradateur est connecté à une lampe à incandescence et l'autre est connecté à une lampe halogène.
Si vous avez besoin de réguler l'alimentation lumineuse d'une lampe halogène fonctionnant à une tension de 12 ou 24 V, vous devrez alors utiliser un appareil plus complexe. Il est souhaitable que le gradateur d'un tel dispositif d'éclairage fonctionne avec un transformateur abaisseur. Si l'appareil de conversion de courant est enroulé, il est recommandé d'utiliser un gradateur marqué des lettres "RL". Et avec un transformateur électronique, il est plus raisonnable d'utiliser un régulateur marqué "C".
Version de l'appareil pour les appareils fonctionnant à partir d'une tension ne dépassant pas 24 V
Les lampes à diodes électroluminescentes nécessitent l'utilisation d'un type spécial de régulateur d'intensité lumineuse, c'est-à-dire un dispositif qui module la fréquence du courant en impulsions. Pour une lampe à économie d'énergie ou fluorescente, choisir un variateur n'est pas simple. L'option la plus acceptable est un gradateur, dont le circuit comprend un démarreur électronique.
Gradateur simple
La mise en service la plus simple est un gradateur qui fonctionne avec un dinistor et un triac. Le premier dispositif est un dispositif à semi-conducteur qui exécute sa tâche de plusieurs manières. En d'autres termes, le dinister ressemble à deux diodes connectées situées en face l'une de l'autre. Et le simister est un thyristor compliqué qui commence à faire passer du courant au moment où le courant de commande est appliqué à l'électrode.
En plus du dinister et du simister, le circuit de gradation simple comprend des résistances - constantes et variables. Avec eux, plusieurs diodes et un condensateur sont également utilisés.
L'appareil est connecté au tableau de distribution, à la boîte de jonction et au luminaire
C'est intéressant: quel fil utiliser pour le câblage dans la maison - comment choisir et calculer, types (cuivre, aluminium, solide, toronné, incombustible)
Gradateur avec interrupteur
Un circuit légèrement plus compliqué est également populaire, mais bien sûr très pratique, en particulier pour une utilisation dans les chambres à coucher - un interrupteur est installé à la coupure de phase devant le gradateur. Le gradateur est monté près du lit et l'interrupteur d'éclairage, comme prévu, à l'entrée de la pièce. Maintenant, en étant allongé dans le lit, il est possible de régler les lampes et, en quittant la pièce, la lumière peut être complètement éteinte.Lorsque vous revenez dans la chambre et appuyez sur l'interrupteur à l'entrée, les ampoules s'allumeront avec la même luminosité avec laquelle elles brûlaient au moment de l'extinction.
Comme pour les interrupteurs de passage, des gradateurs de passage sont également connectés, ce qui permet de contrôler l'éclairage à partir de deux points. À partir de chaque emplacement d'installation de gradateur, trois fils doivent entrer dans la boîte de jonction. Une phase du secteur est fournie au contact d'entrée du premier gradateur. La broche de sortie du deuxième gradateur est connectée à la charge d'éclairage. Et les deux paires de fils restants sont interconnectés par des cavaliers.
Comment choisir un variateur selon le type de lampes ?
Les gradateurs peuvent être universels - pour n'importe quelle lampe et étroitement focalisés - par exemple, pour les lampes halogènes basse tension. Le dispositif des gradateurs est également différent: les régulateurs pour lampes à incandescence supportent une tension de 220 volts, le filament de la lampe chauffe et la luminosité de la lumière dépend de l'amplitude de la tension appliquée. Pour les sources d'éclairage luminescentes et à diodes, des unités avec un accélérateur électronique sont achetées - elles régule l'intensité de la décharge de gaz. Pour les lampes halogènes, un transformateur est inclus avec le gradateur, qui convertit la tension de la source en 12-24 volts.
Classement par type de contrôle :
- Analogique. Le signal de commande est une tension constante, le signal provient du panneau de commande ;
- Numérique. Les régulateurs sont contrôlés par une séquence numérique, le gradateur est basé sur un microprocesseur qui convertit le code numérique en un signal.
- Numérique-analogique. Un tel bloc est considéré comme universel et prend en charge les deux types de signaux.
Types d'appareils et comment fonctionne un variateur pour lampes à incandescence ?
La particularité des tout premiers gradateurs était la méthode de contrôle mécanique et la possibilité de ne modifier que la luminosité du dispositif d'éclairage. Les appareils avancés sont multifonctionnels.
De tels contrôleurs de lumière sont nécessairement équipés d'un microcontrôleur, et disposent également de fonctionnalités avancées qui permettent :

- contrôler la luminosité du flux lumineux;
- éteindre en mode automatique ;
- imiter la présence d'une personne dans la pièce;
- allumez et éteignez en douceur la source lumineuse;
- appliquer différents modes et effets, y compris la gradation et le clignotement ;
- contrôler l'appareil à distance.
Selon le type d'exécution, on distingue les gradateurs modulaires montés dans le tableau, les modèles monoblocs avec installation pour une coupure de phase dans le circuit, ainsi que les régulateurs à interrupteur à prise de bloc.
Selon les caractéristiques de conception et le niveau de fonctionnalité, tous les gradateurs peuvent être représentés par plusieurs variétés :
- les modèles rotatifs les plus simples et les plus courants qui vous permettent de régler la luminosité de la lumière via un dispositif rotatif rond;
- des modèles à bouton-poussoir qui vous permettent de contrôler l'appareil d'éclairage en appuyant sur des touches dédiées ;
- les modèles tactiles, qui sont souvent équipés de systèmes d'arrêt automatique, d'une minuterie et d'un effet de présence.
Les appareils les plus modernes incluent des modèles avec une télécommande qui vous permettent de contrôler l'éclairage à distance. Avec de tels gradateurs, en plus d'allumer et d'éteindre la source lumineuse, vous pouvez facilement régler le niveau de rendement lumineux.
C'est le variateur tactile pour lampes à incandescence (avec télécommande) qui est utilisé dans l'agencement du système "maison intelligente", et la télécommande peut être effectuée via un canal infrarouge ou radio, des commandes acoustiques ou vocales.
Guide de sélection
Pour choisir le bon appareil, vous devez étudier les options d'installation :
- L'option de connexion standard consiste à contrôler la lumière à partir d'un point dans la pièce.
- Dans les chambres, vous pouvez installer deux appareils - à l'entrée de la pièce et près du lit, ce qui vous permet de modifier l'intensité de l'éclairage lorsque vous vous couchez.
- Supposons l'option lorsque la régulation de la lumière est effectuée à partir d'un seul endroit et le contrôle - à partir de deux. Cela peut être un interrupteur à l'entrée et deux régulateurs dans différentes zones de la pièce.
- Option dans le rapport "trois points de contrôle et un point de contrôle". Ici, vous pouvez utiliser des gradateurs pass-through, lorsque vous allumez les lampes dans une zone de la pièce, éteignez automatiquement les appareils d'éclairage dans les autres.
Deux gradateurs et un interrupteur
Contrôle en deux points
Contrôle à point unique
Une variété de façons de connecter un gradateur vous permet de choisir la meilleure option pour chaque pièce, en tenant compte des caractéristiques de son fonctionnement.
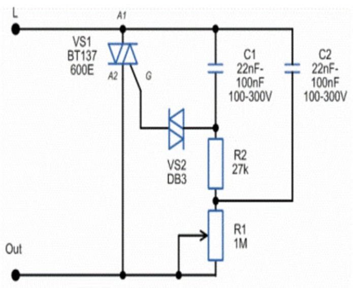
Fabrication de gradateurs DIY
Au départ, il est nécessaire de décider d'un certain nombre de paramètres, notamment la puissance, le type de placement, le contrôle. Sans cette procédure, un régulateur fonctionnel ne peut être créé que par hasard, ce qui est rare.
Ensuite, vous devez acheter ou acquérir la propriété d'une autre manière d'un triac, dinistor, ainsi que d'un nœud qui génère une impulsion de commande, par exemple, le retirer d'un appareil inutile.
De plus, vous aurez besoin d'un condensateur et de 2 résistances pouvant supporter la puissance préalablement déterminée. Et l'un d'eux doit être variable. Cette fonction vous permettra de modifier la tension.

Le diagramme montre comment l'utilisateur peut contrôler une source lumineuse à l'aide de deux contrôleurs installés dans différentes parties de la pièce, ce qui est pratique
Et lorsque sa valeur atteint le maximum possible pour le dinistor utilisé, il se déclenche et délivre l'impulsion de commande nécessaire. Qui est envoyé au triac, puis arrive aux lampes ou autres appareils électriques.
L'ouverture de cette clé d'alimentation dépend de la position des commandes. Puisqu'il peut être à la fois 220 V et 40 V, si une personne en a besoin.

Étant donné que les artisans fabriquent principalement des gradateurs aériens, il ne sera pas difficile de l'installer dans le circuit. Étant donné que cette opération n'est pas différente de l'installation d'un interrupteur traditionnel
Tous les éléments structurels ci-dessus sont connectés en un seul produit selon le schéma ci-joint à l'aide de fils et de soudure. Les contacts doivent être soigneusement isolés. Étant donné qu'un court-circuit est l'une des nombreuses causes courantes de défaillance de l'équipement électrique.
Champ d'application
Dans la vie de tous les jours, un variateur est le plus souvent utilisé pour régler la luminosité des lampes d'éclairage. En le connectant au circuit d'alimentation des lampes halogènes, on obtient un dispositif prêt à l'emploi pour un allumage en douceur de la lumière, ce qui prolonge parfois la durée de vie du dispositif d'éclairage. Souvent, les radioamateurs assemblent un gradateur de leurs propres mains pour régler le chauffage du fer à souder. Le régulateur de puissance avec une capacité de charge accrue peut être utilisé pour modifier la vitesse de rotation de la perceuse électrique.
Il est interdit de connecter le variateur à des appareils électriques qui contiennent une unité de traitement de signal électronique (par exemple, une alimentation). L'exception concerne les lampes à LED avec possibilité de gradation.
Le principe de fonctionnement du gradateur
Lors du choix d'un gradateur, vous devez tenir compte du type de lampes avec lesquelles il sera utilisé. Les principes de réglage de la puissance des différents types de lampes (incandescentes, halogènes, fluorescentes, etc.) sont différents, de sorte que leurs gradateurs sont construits selon différents schémas :
- 1) le chauffage du filament dépend de l'amplitude de la tension qui lui est fournie par le gradateur. En conséquence, sa luminosité change. Ce circuit est utilisé pour les lampes halogènes et les lampes à incandescence (tension de fonctionnement 220 V) ;
- 2) à l'aide d'un transformateur qui convertit le niveau de tension fourni par le gradateur en une valeur de 12 - 24 V. Ce circuit est conçu pour fonctionner avec des lampes halogènes à basse tension. Il convient de garder à l'esprit que le transformateur utilisé dans ce circuit doit être électronique et réglable, fournissant une inclusion "douce". Ceci est nécessaire pour réchauffer le filament de la lampe. Avec un courant initial faible, il n'y a pas de surcharge ;
- 3) avec l'utilisation de lampes contenant un starter électronique. Ces lampes sont appelées fluorescentes. Le circuit électronique sur lequel le gradateur est construit convertit la tension du secteur en valeurs dans la plage de 0 à 10 V. Cette tension appliquée aux électrodes de la lampe régule la puissance de la décharge électrique créée entre elles, qui contrôle la force de la lueur du gaz.

Contrôle des paramètres de fonctionnement - Contrôle de fonctionnement
Il existe 4 façons de contrôler le fonctionnement du gradateur :
- - mécanique ;
- - électronique;
- - acoustique ;
- - télécommande.
La méthode la plus simple et la plus courante est mécanique (avec un bouton rotatif). Il suppose la présence dans le circuit d'un potentiomètre inclus dans le circuit de commande basse tension d'un élément de puissance - un thyristor, une inductance, un rhéostat, etc.
Le variateur variateur, dont la régulation de tension est pilotée électroniquement (boutons, capteurs), intègre différents capteurs.
La commande à distance du variateur s'effectue à l'aide de la télécommande via des signaux radio ou IR.

Et pour contrôler le variateur acoustique, un signal sonore est utilisé (clap, commande vocale, etc.).
Lors du choix de ce type d'interrupteur, vous devez également tenir compte de la puissance totale des lampes qui y sont connectées. La valeur de la puissance maximale du gradateur est recommandée pour choisir plus que la puissance de charge calculée. La puissance standard des gradateurs domestiques varie de 40 à 1000 watts.
Contenu connexe sur le site :
- Interrupteurs lumineux
- Déplacer une prise
- Comment installer une prise
Gaspillage d'énergie
D'une manière générale, la tension est l'équivalent du travail utile effectué par un champ électrique pour déplacer une charge. La puissance accordée aux appareils électriques et aux gadgets est souvent bien supérieure à ce dont ils ont réellement besoin. Il semble que la différence soit flagrante si l'on parle d'appareils électroménagers tels que :
- moteur électrique d'aspirateur;
- micropuce dans un ordinateur portable;
- petites lampes à incandescence dans la lampe.
Utiliser le terme "marteau électrique" pour casser un écrou est un gaspillage d'argent ainsi que d'énergie et, par conséquent, une réduction significative de la durée de vie d'équipements coûteux. Après tout, les ampoules LED sont un plaisir très coûteux.
Une solution consiste à utiliser des équipements d'optimisation de tension. Ce dernier régule en permanence la fourniture d'électricité, de sorte que le consommateur reçoive exactement la tension dont il a besoin. Améliorons nos connaissances sur les gradateurs et examinons de près leur fonctionnement !
Schéma de raccordement variateur monobloc
Le plus souvent, les gradateurs monoblocs sont connectés indépendamment. Ils sont mis à la place d'un interrupteur. Avec un réseau monophasé, le schéma de raccordement est le même que sur un interrupteur classique - en série avec la charge - en coupure de phase. C'est une nuance très importante. Les gradateurs sont placés uniquement dans l'espace du fil de phase. Si vous connectez le gradateur de manière incorrecte (dans l'espace neutre), le circuit électronique tombera en panne. Afin de ne pas se tromper, avant l'installation, il est nécessaire de déterminer exactement lequel des fils est la phase et lequel est le neutre (zéro).

Avant de mettre un gradateur, vous devez trouver un fil de phase
Si nous parlons d'installer un gradateur à la place de l'interrupteur, vous devez d'abord déconnecter les fils des bornes de l'interrupteur (avec l'alimentation coupée sur le panneau), allumer la machine et utiliser un testeur, un multimètre ou un indicateur (tournevis avec LED) pour trouver le fil de phase (lorsque vous touchez la sonde à la phase sur l'appareil, des lectures apparaissent ou la LED s'allume, et il ne doit y avoir aucun potentiel sur le fil neutre (zéro)).

Définition d'un fil de phase par un indicateur
La phase trouvée peut être marquée d'une manière ou d'une autre - tracez une ligne sur l'isolant, collez un morceau de ruban électrique, de ruban de couleur, etc. Ensuite, l'alimentation est à nouveau coupée (l'interrupteur d'entrée sur le bouclier) - vous pouvez connecter un gradateur.

Schéma de connexion du gradateur
Le schéma de connexion du gradateur est simple: le fil de phase trouvé est alimenté à l'entrée de l'appareil, de la sortie le fil va à la charge (sur la figure à la boîte de jonction, et de là à la lampe).
Il existe deux types de gradateurs - en un, les contacts d'entrée et de sortie sont signés. Dans ce cas, vous devez suivre les instructions et appliquer la phase à l'entrée signée. Sur d'autres appareils, les entrées ne sont pas signées. En eux, la connexion de phase est arbitraire.
Considérez comment connecter un gradateur avec un cadran rotatif. Vous devez d'abord le démonter. Pour ce faire, sortez le disque - vous devez le tirer vers vous. Sous le disque se trouve un bouton, qui est fixé avec un écrou de serrage.

Avant l'installation, démonter le variateur
Nous dévissons cet écrou (vous pouvez utiliser vos doigts) et retirons le panneau avant. En dessous se trouve une plaque de montage, que nous visserons ensuite au mur. Le variateur est démonté et prêt à être installé.

Gradateur sans plastron
Nous le connectons selon le schéma (voir ci-dessous): nous commençons le fil de phase à une entrée (s'il y a un marquage d'entrée, puis à celui-ci), nous connectons le conducteur à la deuxième entrée, qui va à la lampe / lustre.

Schéma de connexion d'une lampe à un gradateur
Il reste à réparer. Nous insérons le régulateur connecté dans le boîtier de montage, le fixons avec des vis.

Installation d'un gradateur
Ensuite, nous imposons le panneau avant, le fixons avec l'écrou retiré précédemment et, enfin, installons le disque rotatif. Gradateur installé. Allumez le courant, vérifiez le travail.

Tout est prêt
Connecter et faire fonctionner un variateur : que faut-il savoir ?

Comment installer un gradateur
Avant d'acheter un gradateur et de l'installer à la place d'un interrupteur ordinaire, lisez les faits importants concernant l'appareil en question.
De nombreux utilisateurs se trompent en croyant que l'installation d'un gradateur réduira considérablement les coûts d'éclairage. En réalité, avec la luminosité minimale des lampes, il est peu probable que les économies dépassent 10 à 15 %. Le gradateur dissipera simplement l'énergie "supplémentaire" restante.
Dispositif variateur, but des borniers
Le raccordement et le fonctionnement des variateurs doivent être effectués dans le respect des règles suivantes :
- Le contrôleur ne doit pas être surchauffé. La température maximale autorisée de l'air dans la pièce est de +27 degrés;
- la valeur de la charge connectée au régulateur doit être d'au moins 40 watts. À des valeurs inférieures, il y a une réduction significative de la durée de vie des luminaires et du régulateur lui-même ;
- le variateur ne peut être utilisé qu'en combinaison avec les luminaires répertoriés dans la fiche technique.
Les régulateurs considérés sont conçus pour fonctionner avec certains types de charge. Ainsi, la plupart des modèles de gradateurs ne peuvent être utilisés que pour contrôler la luminosité des lampes halogènes et des ampoules à incandescence. Il est impossible de les utiliser en combinaison avec des lampes fluorescentes, des lampes à LED et la plupart des appareils d'éclairage à économie d'énergie, car. cela les fera casser très rapidement.

Le principe de connexion d'un gradateur
Si vous avez besoin de connecter un variateur à des lampes LED, achetez un modèle de régulateur spécialement conçu à cet effet.
Au préalable, assurez-vous de vérifier auprès de l'employé du magasin si le gradateur acheté est conçu pour fonctionner en combinaison avec les sources d'éclairage de votre maison. Assurez-vous également que la puissance du régulateur correspond à la puissance totale des appareils de votre maison.
Instructions pour installer un gradateur au lieu d'un interrupteur conventionnel
Remplacer un interrupteur traditionnel par une commande rotative ne posera aucune difficulté, car. ils sont installés de la même manière. Il vous suffit d'étudier attentivement la technologie et de suivre la séquence établie.

Premier pas. Nous coupons l'alimentation électrique et nous nous assurons en outre qu'elle est absente à l'aide d'un tournevis indicateur spécial.
Schéma de câblage (changer l'interrupteur en gradateur)
Deuxième étape. Nous retirons le bouton de l'interrupteur installé.
Troisième étape. Nous dévissons les vis qui fixent le cadre décoratif de l'interrupteur et le retirons.
Dépose du disjoncteur
Quatrième étape. Nous dévissons les vis de fixation et retirons le mécanisme de commutation du boîtier de montage. Nous pouvons installer le gradateur dans le même boîtier.
Cinquième étape. Nous dévissons les fils électriques de l'interrupteur.
Sixième étape. Nous voyons deux fils libres.

L'un d'eux (phase d'alimentation) est connecté à l'interrupteur, le second - au lustre. Nous étudions attentivement le schéma donné dans la notice du variateur ou sur le couvercle de son boîtier.

Circuit variateur

Pour le démonter, vous devez dévisser le contre-écrou et retirer toutes les garnitures décoratives

Gradateur démonté

Gradateur démonté


Schéma de câblage
Dans le cas des gradateurs, comme indiqué, vous devez respecter strictement la procédure de connexion recommandée par le fabricant. Nous connectons le câble de phase (il est rouge sur le schéma) à la borne du gradateur, signée L-in. Le câble suivant (il est orange sur le schéma) est connecté à la borne du régulateur, signé L-out.
Installation de gradateur
Septième étape. Nous insérons le gradateur dans la boîte de montage.Pour ce faire, pliez soigneusement les fils, insérez le régulateur dans la prise, serrez les vis d'espacement, fixez un cadre décoratif, fixez-le avec des vis et installez la molette de réglage.

Nous connectons les fils et insérons le gradateur dans la boîte
Huitième étape. Nous vérifions le fonctionnement du gradateur installé, après avoir allumé l'alimentation électrique. Pour vérifier, tournez le bouton du gradateur jusqu'à ce qu'il s'enclenche dans le sens inverse des aiguilles d'une montre - les lampes ne s'allumeront pas. Nous tournons doucement le régulateur dans le sens des aiguilles d'une montre - après un clic similaire sur les lampes, la tension augmentera progressivement, comme en témoigne une augmentation progressive de la luminosité de la lumière.

Nous serrons les attaches

On pose toutes les garnitures décoratives et la roue pivotante

On pose toutes les garnitures décoratives et la roue pivotante
Le variateur est connecté et fonctionne correctement. Nous pouvons l'accepter pour un fonctionnement permanent.
Remplacer un interrupteur par un variateur
Connecter une bande LED à un mini gradateur
Gradateur à condensateur
Parallèlement aux régulateurs lisses, les dispositifs à condensateur se sont répandus dans la vie quotidienne. Le fonctionnement de ce dispositif est basé sur la dépendance du transfert de courant alternatif sur la valeur de la capacité. Plus la capacité du condensateur est grande, plus il passe de courant à travers ses pôles. Ce type de gradateur fait maison peut être assez compact et dépend des paramètres requis, de la capacité des condensateurs.
Comme on peut le voir sur le schéma, il y a trois positions de 100% de puissance, à travers le condensateur d'extinction et éteint. L'appareil utilise des condensateurs en papier non polaires, qui peuvent être obtenus dans l'ancienne technologie. Nous avons parlé de la façon de souder correctement les composants radio des cartes dans l'article correspondant !
Vous trouverez ci-dessous un tableau avec les paramètres capacité-tension de la lampe.
Sur la base de ce schéma, vous pouvez assembler vous-même une simple veilleuse, utiliser un interrupteur à bascule ou un interrupteur pour contrôler la luminosité de la lampe.













































