Schéma de câblage d'un interrupteur à deux boutons et guide étape par étape pour son installation

Schéma de câblage détaillé pour un interrupteur à deux gangs

Connexion d'un interrupteur à 3 touches et d'une prise

Souvent, un interrupteur triple est installé dans un bloc avec une prise. Comment faire un tel lien ?

Tout d'abord, vous devez savoir que pour une telle installation, il est déjà nécessaire d'utiliser un câble en cuivre d'une section de 2,5 mm2.

Un câble de cette section doit aller non seulement de la boîte de commutation à l'interrupteur, mais surtout du tableau de distribution à cette boîte de jonction.

Le câble 5 * 2,5 mm2 est descendu le long du stroboscope jusqu'au bloc interrupteur + prise. Maintenant, il faudra non seulement démarrer la phase, mais aussi zéro.Il est préférable de connecter le conducteur de phase commun au contact de sortie, car c'est sur lui que la charge est supérieure à celle des luminaires.

Et déjà plus loin, avec un cavalier, placez cette phase sur la borne supérieure de l'interrupteur à 3 touches.

Zéro se connecte à la seconde prise de contact. Les trois fils restants, selon le schéma précédemment considéré, sont enroulés sous les trois contacts inférieurs du clavier à trois.

Le câblage dans la boîte de jonction est effectué presque de la même manière que celle décrite ci-dessus. Sauf qu'il est nécessaire de connecter un autre noyau zéro à un point commun de zéros.

N'oubliez pas la sécurité

Toute manipulation avec les installations électriques doit commencer par éteindre la machine, qui est située sur le panneau général de l'appartement. Après cela, la présence de tension dans le réseau est à nouveau vérifiée avec un tournevis indicateur ou un testeur - et donc à chaque fois avant de commencer à travailler avec des fils.

Si le bouclier est situé sur le palier, il est recommandé d'accrocher un panneau d'avertissement pendant le travail afin que quelqu'un ne tourne pas accidentellement l'interrupteur à bascule.

Schéma de câblage d'un interrupteur à deux boutons et guide étape par étape pour son installation
Si vous commencez à comprendre les bases de l'installation électrique, ne travaillez pas seul, mais assurez-vous d'inviter un partenaire pour l'assurance : il tiendra l'escabeau et vous donnera des pinces

Les gants de protection avec isolation peuvent également protéger contre les chocs électriques, bien qu'ils ne soient pas très pratiques pour travailler avec des fils. Lors de la poursuite et du masticage des murs, il est préférable d'utiliser des vêtements de travail, des chaussures confortables et un masque ou un respirateur pour protéger les poumons de la poussière.

Comment connecter un interrupteur avec deux clés

Avant l'installation, vous devez vous familiariser avec l'emplacement des contacts de l'interrupteur.Parfois, à l'arrière des interrupteurs, vous pouvez trouver le schéma des contacts de l'interrupteur, qui montre les contacts normalement ouverts en position d'arrêt et la borne commune.

Le double interrupteur a trois contacts - une entrée commune et deux sorties séparées. Une phase de la boîte de jonction est connectée à l'entrée et deux sorties contrôlent l'inclusion de groupes de lampes de lustre ou d'autres sources lumineuses. En règle générale, l'interrupteur doit être monté de manière à ce que le contact commun soit situé en bas.

S'il n'y a pas de schéma au verso de l'interrupteur, alors les contacts sont définis comme suit : le contact d'entrée est d'un côté de l'interrupteur, et les deux sorties auxquelles sont connectés les dispositifs d'éclairage sont de l'autre côté.

En conséquence, le commutateur à deux gangs a trois pinces pour connecter les fils - une au contact d'entrée et une à deux contacts de sortie.

Donc, nous avons compris comment le commutateur fonctionne. Vous devez maintenant préparer le lieu de travail, les outils et le matériel. Il ne faut pas oublier que la chose la plus importante lors de l'exécution de tout travail lié à l'électricité est la sécurité.

Chacune des touches de l'interrupteur à deux gangs peut être réglée sur l'une des deux positions, pour allumer ou éteindre l'appareil. Chaque groupe peut avoir un nombre différent d'ampoules - il peut s'agir d'une ou de dix lampes ou plus. Mais un interrupteur à deux gangs ne peut contrôler que deux groupes de lampes.

Vous devez d'abord vérifier les fils, c'est-à-dire tester lequel est la phase un. À l'aide d'un tournevis indicateur, cela ne sera pas difficile: au contact de la phase dans le tournevis, la LED de signalisation s'allumera.

Marquez le fil afin de ne pas le confondre avec zéro lors d'opérations ultérieures.Avant de commencer l'installation du commutateur, vous devez sécuriser votre zone de travail.

Si nous parlons d'un lustre, vous devez désactiver les fils sortant du plafond. Lorsque le type de fils est déterminé et marqué, vous pouvez couper l'alimentation (pour cela, vous devez utiliser la machine appropriée dans le blindage) et procéder à l'installation du double interrupteur.

Déterminez à l'avance et assurez-vous de la présence de matériel de connexion pour les fils.

  • Généralement appliqué :
  • cosses auto-serrantes;
  • Bornes à vis;
  • capuchons ou ruban électrique pour les fils torsadés à la main.

Le moyen le plus pratique et le plus fiable est la fixation avec des bornes auto-serrantes. Les colliers à vis peuvent s'affaiblir avec le temps et le ruban électrique a tendance à perdre de son élasticité et à se dessécher. De ce fait, la fiabilité de la connexion peut être considérablement affaiblie au fil du temps.

Les bornes auto-serrantes offrent une connexion fiable et durable. Pour connecter correctement l'interrupteur à l'ampoule, vous devez étudier attentivement les instructions étape par étape sur la façon de procéder. Après cela, vous pouvez non seulement effectuer l'installation selon le schéma, mais également identifier les éventuels dysfonctionnements. Lors de l'installation électrique dans des locaux, la question se pose souvent de savoir comment poser un câble à l'aide d'un tuyau ondulé.

  1. Pour effectuer avec précision toutes les opérations, vous devez disposer des outils suivants :
  2. 2 tournevis - plat et Phillips ;
  3. couteau d'assemblage ou de bureau ou autre dispositif pour dénuder l'isolant ;
  4. pinces ou pinces coupantes;
  5. niveau chantier.
Lire aussi :  Nous fabriquons un receveur de douche de nos propres mains

Schéma de connexion d'un bloc de prises + un interrupteur

22780 vues

Dans un article précédent, j'ai parlé de la façon dont les prises électriques simples ou doubles sont connectées au câblage électrique ou entre elles avec une boucle. Maintenant, je vais vous expliquer en détail comment les blocs sont correctement connectés, constitués d'une prise + interrupteur ou de trois ou quatre prises.

Envisager. que dans un bloc sous un même couvercle non seulement les interrupteurs, les prises électriques sont combinés, mais aussi, si nécessaire, le téléphone et l'ordinateur.

Avant de commencer les travaux de connexion des prises électriques, il est nécessaire de couper automatiquement l'alimentation électrique et de s'assurer qu'il n'y a pas de tension à l'aide d'un tournevis indicateur.

Comment connecter le commutateur de prise de bloc

Le plus souvent, un bloc composé d'un double interrupteur et d'une prise est installé dans les appartements sur la cloison entre les portes de la salle de bain et la salle de bain. Un bloc solide sert à allumer la lumière dans ces deux pièces, ainsi qu'à brancher les appareils électriques utilisés dans la salle de bain - un rasoir électrique, un sèche-cheveux, etc. Pourquoi la prise électrique est-elle retirée de la salle de bain - j'ai déjà dit dans un article intitulé Installation des prises électriques et des interrupteurs dans la salle de bain.

Dans le schéma de connexion du bloc de prises et de l'interrupteur à deux gangs, 5 fils sont utilisés de la boîte de jonction au bloc.

Le conducteur de terre (vert clair sur le schéma) et le zéro (bleu) de la boîte de dérivation sont connectés directement uniquement à la prise de l'unité. La phase (rouge) est reliée à la prise puis reliée par un cavalier au contact commun de la phase entrante de l'interrupteur.

Les deux fils restants sont connectés à deux contacts commutés, à travers lesquels les phases sont connectées à 2 lampes en appuyant sur les touches situées dans les toilettes et la salle de bain. Ceux. il s'avère qu'il y aura toujours phase, zéro et masse sur la prise, et la phase sera également sur le contact inférieur de l'interrupteur. Et sur les contacts du haut, il n'apparaîtra que lorsque vous appuyez sur les touches.

Dans la boîte de jonction du câblage électrique, 2 torsades sont constituées de deux fils (jaune et beige sur le schéma). Les phases commutées sont torsadées du commutateur aux conducteurs de phase qui vont aux lampes.

Les conducteurs zéro et de mise à la terre nécessaires au fonctionnement des luminaires sont tirés de la boîte de dérivation à partir des mêmes connexions à partir desquelles la prise du bloc est connectée.

Afin de modifier l'inclusion des clés sur le bloc. il faut intervertir les fils jaune et beige sur l'interrupteur.

Le schéma de connexion d'un bloc composé d'une prise et d'un interrupteur simple est complètement similaire, à la seule différence qu'un fil beige ou jaune tombe du circuit.

Pour connecter un interrupteur à trois touches, vous aurez besoin d'un sixième fil ou d'un câble à 6 conducteurs, qui sera connecté au troisième contact commuté par le haut, à côté des fils jaune et beige.

Comment connecter 3 ou 4 prises dans un bloc

S'il est nécessaire d'installer plus de 2 prises au même endroit pour connecter des appareils électriques, des appareils électroménagers ou un téléphone, un réseau informatique, alors un bloc de prises est utilisé, c'est-à-dire que toutes les prises seront sous un même couvercle.

Les prises électriques du bloc sont toutes connectées en parallèle. Avant de commencer la connexion, il est nécessaire de réaliser et d'installer des cavaliers de 3 fils dans chaque siège.Ne faites pas les cavaliers très longs, car alors les fils interféreront et empêcheront la prise de rester fermement dans le boîtier de montage.

Le bloc de prises est installé et connecté dans l'ordre suivant :

  1. Toutes les douilles sont démontées.
  2. Nous nettoyons les fils ou le câble d'alimentation et tous les cavaliers entre les boîtiers. Laissez toujours le câble de la boîte de jonction du câblage électrique avec une marge, de sorte que plus tard, si nécessaire, il soit possible de dénuder à nouveau les fils et de se reconnecter.
  3. Nous connectons la première prise avec le câble d'alimentation entrant conformément à cette instruction.
  4. Nous installons la prise électrique en fonction du niveau dans la boîte de montage.
  5. Nous connectons les fils en parallèle par couleur et installons la deuxième prise et les prises suivantes dans les boîtes de montage. Sur ce dernier, seuls 3 fils seront connectés.
  6. Nous mettons le couvercle et tordons les couvercles avec des fentes pour la prise sur chaque prise.

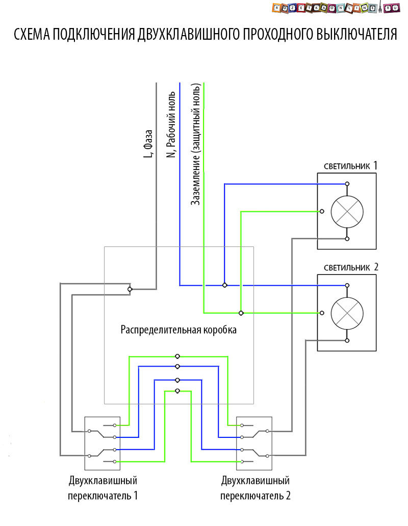
Schéma de câblage détaillé d'un interrupteur pour deux ampoules dans un lustre domestique

Un électricien expérimenté pourra lire indépendamment le schéma de connexion d'un interrupteur à deux clés et installer l'appareil sans regarder de vidéos de formation. Cependant, pour les débutants, cette tâche n'est possible que si vous suivez l'algorithme approprié. Découvrons comment fonctionne le schéma donné.

Schéma de câblage pour un interrupteur à deux gangs sur la photo

Faites attention à la conception de l'interrupteur à deux gangs illustré sur le schéma. Il a deux clés qui s'ouvrent et se ferment lorsque le bouton est enfoncé alternativement

Le conducteur neutre et de terre s'approche de la source lumineuse directement à partir du panneau électrique, et seule une phase est fournie à partir de l'interrupteur, qui sort d'abord du coin principal, après quoi il passe par les contacts de coupure des deux touches de l'interrupteur. Nous examinerons la méthode de distribution des conducteurs dans une boîte de jonction dans les instructions de la section suivante.

Instructions pour l'installation et la connexion d'un interrupteur à deux gangs

La connexion d'un interrupteur à deux gangs doit être entièrement conforme au schéma décrit ci-dessus. Effectuez l'installation conformément aux instructions suivantes.

REMARQUE!

Selon le marquage des fils électriques, la phase et le zéro peuvent différer en couleur. La phase peut être de couleur brune ou grise, et le zéro reste toujours bleu ou cyan.

N'oubliez pas que la phase doit aller aux ampoules depuis le panneau électrique en passant par l'interrupteur. Cette connexion est sécurisée.

Schéma de câblage de l'interrupteur à deux boutons

L'interrupteur à deux gangs est composé de 2 clés simples assemblées dans un seul boîtier. Les fils neutre et de terre s'approchent directement des sections et la phase passe par l'interrupteur.

Lire aussi :  Quel est le meilleur - un puits ou un puits

Ainsi, lorsque la touche correspondante est activée, le circuit se coupe, c'est-à-dire la phase appropriée pour une certaine section de l'appareil ou un appareil séparé. La connexion de l'interrupteur à la boîte de jonction est décrite ci-dessus. Il n'est souvent pas clair comment effectuer le câblage électrique au point de connexion lustres à double interrupteur.

Il peut y avoir plusieurs options, selon que le nombre de fils au plafond correspond au nombre de fils sortant du lustre.L'option la plus simple: un nombre égal de fils du plafond et du lustre (généralement 2 par 2 ou 3 par 3).

Ici, il vous suffit de tordre les fils correspondants que vous avez précédemment sonnés et marqués. Connectez le fil zéro du plafond au zéro du lustre, et le fil de phase du plafond à la phase du lustre et toujours à l'interrupteur lui-même. Installation terminée.

Dans le cas où trois fils sortent du plafond et que vous en avez plusieurs sur le lustre, vous devez pré-distribuer les paires en sections et connecter chacune d'elles à un seul des fils de phase. Dans ce cas, les deux groupes doivent certainement être connectés au fil neutre. Si vous constatez que 4 fils sortent du plafond, l'un d'eux est mis à la terre. Sa présence est typique des bâtiments modernes.

Si votre lustre a un fil similaire, il vous suffit de les torsader ensemble. Sinon, le fil provenant du plafond doit être isolé. Les fils de terre de protection sont reconnaissables à leur couleur jaune-vert caractéristique et au marquage « PE ». Dysfonctionnements possibles et recommandations générales pour leur prévention.

C'est-à-dire qu'il n'y a pas de distribution d'appareils sur les touches de l'interrupteur. Autre option: lorsque le lustre est allumé, seules certaines lampes fonctionnent et toutes ne s'allument pas même lorsque les deux touches de l'interrupteur sont enfoncées.

Très probablement, lors de la connexion, vous n'avez pas fait correspondre certains fils et les avez attachés dans le mauvais ordre. Peut-être avez-vous négligé la sonnerie des fils au plafond et dans la boîte de jonction et vous êtes-vous fié uniquement aux couleurs et aux marquages.

Et cela ne doit en aucun cas être fait, car lors de la pose du câblage, le non-respect des normes de marquage est très courant.Afin de trouver la cause, vous devez revenir au début de l'installation et suivre attentivement toutes les étapes. Armé d'un indicateur, assurez-vous de faire sonner tous les fils et de les marquer. Si vous soupçonnez un dysfonctionnement du fil, contactez les maîtres.

S'il n'y a pas de problème avec le câblage, rattachez les fils marqués selon le schéma et soyez extrêmement prudent en même temps.

  • Ainsi, des recommandations simples doivent être suivies pour ne pas rencontrer de problèmes lors de travaux électriques:
  • avant de commencer les travaux, il est impératif de couper l'électricité dans la zone de travail et de s'assurer que personne ne la rallume accidentellement au moment le plus inopportun;
  • vous devez toujours agir selon les instructions et ne pas négliger une préparation complète et approfondie : vérifier et marquer les conducteurs, les nettoyer correctement et les préparer pour les opérations ultérieures ;
  • il est nécessaire de s'armer d'outils, au moins un minimum d'appareils est requis, sinon il ne sera pas possible d'éviter les problèmes de fiabilité et de solidité des connexions en cours d'établissement.

Schéma de câblage interrupteur à deux gangs au lustre

La séquence de conduction de la lumière dans la pièce

  1. La séquence de conduction de la lumière dans une pièce a ses propres spécificités :
  2. vous devez d'abord mettre le boîtier hors tension en éteignant l'interrupteur du panneau de déconnexion ou des disjoncteurs, vous pouvez vérifier l'arrêt actuel en insérant la lampe dans la prise (si elle n'est pas allumée, tout est éteint);
  3. avant l'installation, les parties nues doivent être nettoyées ;
  4. le fil neutre passant du blindage doit être combiné avec deux groupes de contact ;
  5. le fil de deuxième phase du blindage est attaché au fil allant au contact commun ;
  6. la couleur des fils des différents groupes doit être différente (le premier fil est connecté à la phase d'un groupe de luminaires, le second est connecté à un autre groupe);
  7. les fils de phase sont attachés à leurs groupes de consommateurs ;
  8. le câblage zéro du blindage est connecté au câblage zéro des luminaires (un interrupteur à deux gangs combine deux groupes de consommateurs);
  9. vous devez examiner attentivement la sécurité de trouver un grand nombre d'associations situées dans la boîte de coupe (bien tordre, souder);
  10. l'interrupteur est soigneusement fixé au boîtier au mur (le fil de montage est très rigide);
  11. un cadre décoratif est fixé à la base, le bloc de boutons est inséré dans les rainures, solidement fixé au corps;
  12. Un indicateur de tension vous aidera à vérifier si le commutateur de passage fonctionne correctement.

Parfois, il devient nécessaire d'installer un interrupteur à deux boutons avec une prise. Dans ce cas, une section supplémentaire de fil est posée de l'interrupteur à la prise. La hauteur de l'appareil est la plus diversifiée: l'essentiel est d'être à l'aise.

Comment trouver un fil de phase ? Pour connecter correctement un interrupteur double, vous devez décider des fils. Parfois, des doutes surgissent quant au fil qui est en phase.

  • La méthode suivante aidera à clarifier la situation :
  • les extrémités des fils sont soigneusement mises de côté (pour ne pas coller ensemble);
  • allumez la tension sur le blindage ;
  • toucher les parties nues avec un tournevis indicateur ;
  • le fil de phase, lorsqu'il est touché, l'ampoule s'allume.

Les gradateurs aident à contrôler l'intensité de l'éclairage. Il y a le toucher, la pression, le rotatif. Le schéma d'installation pour tous les types est le même.

Vue générale du schéma de raccordement de l'interrupteur d'intercommunication à partir de 2 endroits

Pour implémenter le circuit de commutation pass-through, vous aurez besoin de plusieurs éléments de base qui peuvent être achetés dans n'importe quelle quincaillerie :

  • deux interrupteurs ;
  • Câble à 3 conducteurs, qui est pré-posé au point de connexion ;
  • boîtier de connexion.

Schéma de câblage d'un interrupteur à deux boutons et guide étape par étape pour son installation

Le schéma de connexion le plus simple pour deux commutateurs d'intercommunication est illustré à la fig. 1. Comme on peut le déterminer, le fil neutre va du blindage à la boîte de jonction, où il se connecte au zéro allant à la lampe. Les commutateurs sont interconnectés par un câble à trois fils à travers un boîtier. La phase vers eux et d'eux vers la lampe est connectée avec un fil unipolaire. Si vous ne connectez pas deux, mais trois dispositifs de contrôle d'éclairage ou plus, le nombre de conducteurs dans le fil est augmenté à 4, 5 ou plus, en fonction du nombre de commutateurs.

Lire aussi :  Film infrarouge pour chauffage au sol : types de films, fonctionnement, règles de pose

Double l'interrupteur de passage n'est pas difficile à installer, mais nécessite une attention particulière à la séquence des fils de connexion. Chaque modèle d'appareils de contrôle a ses propres caractéristiques d'installation, mais en termes généraux, il s'agit de la même chose que celle décrite ci-dessus.

Un exemple frappant de l'utilisation d'un commutateur de passage est illustré à la fig. 2. Ici, nous voyons que l'appartement a un long couloir éclairé par deux lampes. En entrant dans la maison, allumer la lumière se fait à l'aide d'un interrupteur situé sur le mur du couloir. Lorsque vous vous trouvez près de la chambre ou de la cuisine, il sera plus pratique d'éteindre la lumière à l'aide du deuxième interrupteur de passage, car cela n'a aucun sens de retourner dans le couloir puis d'aller dans la chambre dans l'obscurité totale.Ainsi, un interrupteur à double passage permet non seulement d'économiser de l'énergie, mais aussi d'installer un éclairage confortable, qui peut être contrôlé depuis deux endroits en même temps.

Schéma de câblage d'un interrupteur à deux boutons et guide étape par étape pour son installation

Le deuxième exemple d'utilisation non moins réussie de ce système de commande d'éclairage est connexion d'un interrupteur de passage dans la chambre. Dans ce cas, le premier élément de commande est installé à l'endroit habituel - le mur près de la porte et le second - à la tête du lit. Le schéma de connexion est réalisé selon le même principe que dans le couloir, et permet d'éteindre ou d'allumer la lumière sans sortir du lit.

Installation d'un interrupteur biphasé

Pour contrôler plusieurs appareils d'éclairage à partir de différentes parties de la pièce, utilisez un interrupteur de passage à deux clés. Par sa structure interne, il s'apparente à deux passages traversants à clé unique, réunis dans un écrin décoratif commun. Il contient deux groupes de bornes qui ouvrent l'alimentation en courant d'une paire de fils électriques à l'autre.

Lors d'une connexion en boucle, il est important de ne pas mélanger les paires de conducteurs afin que les deux interrupteurs ferment les contacts de l'un des deux circuits électriques

Comment installer:

  1. Le conducteur de phase de la boîte de jonction est posé sur les bornes 1 et 2 (à droite), qui sont interconnectées selon le schéma.
  2. Il y a déjà quatre phases qui sortent de l'interrupteur, qui mènent au boîtier, puis au deuxième interrupteur.
  3. Deux phases partent de l'interrupteur n° 2 (sans se croiser). Ils sont dirigés vers le boîtier, où ils sont reliés à deux conducteurs indépendants menant aux lampes.

Lors de l'installation, vous pouvez d'abord conduire une paire de fils, puis la seconde, afin de ne pas les confondre, sinon le circuit ne fonctionnera pas.

Internes du disjoncteur

Considérez les schémas les plus courants. Dans l'obscurité, en entrant dans la pièce, vous pouvez facilement déterminer l'emplacement de l'appareil grâce aux éléments lumineux.
Pour éviter toutes ces erreurs, marquez les conducteurs, ne soyez pas paresseux et suivez nos recommandations. Dans un autre cas, il est nécessaire de fournir un éclairage pour une grande pièce, où deux groupes de 8 sources lumineuses sont utilisés avec des ampoules lumière du jour de trois watts pour chaque lampe.Schéma de câblage d'un interrupteur à deux boutons et guide étape par étape pour son installation
Cela permettra soit d'obtenir un degré d'éclairage moyen, soit d'éclairer une autre partie de la pièce.Schéma de câblage d'un interrupteur à deux boutons et guide étape par étape pour son installation
Pour installer un nouvel appareil dans un câblage caché, en plus des outils ci-dessus, vous aurez besoin de: une perceuse à percussion ou un perforateur, une couronne d'un diamètre correspondant à la taille d'installation de l'interrupteur sélectionné, une meuleuse avec un disque ou une fraise murale . Un mauvais contact entraîne un échauffement et une panne de l'équipement. Imaginez une situation fictive, une lampe grillée, vous essayez de la remplacer, éteignez l'interrupteur, prenez un escabeau en aluminium, installez-le sur un sol en béton humide et grimpez dessus, saisissez la douille de la lampe, et il y a une phase allumée Dans ce cas, un courant traversera votre corps à travers un escabeau conducteur, les conséquences pouvant aller d'une chute d'une hauteur à un choc électrique mortel. Le nid est fait avec des perforateurs avec des couronnes de pobedit ou de diamants techniques.Schéma de câblage d'un interrupteur à deux boutons et guide étape par étape pour son installation
L'indicateur est connecté en parallèle avec les bornes de l'interrupteur. Parfois, il est connecté par erreur au fil de phase secondaire. Vous devez d'abord vérifier les fils, c'est-à-dire tester lequel est la phase un. Les modèles standard de tels interrupteurs peuvent desservir des appareils d'éclairage jusqu'à watts.

Description étape par étape du processus de travail

Schéma de câblage d'un interrupteur à deux boutons et guide étape par étape pour son installation
Vous devez d'abord retirer les éléments suspendus des clés, dévisser le cadre en plastique sous celles-ci et le boîtier extérieur de l'appareil. Il est utilisé pour créer un environnement sûr et réduire le temps passé au travail. Modulaire Ce concept comprend des appareils avec une prise intégrée, ils sont pratiques pour connecter un lampadaire ou une applique, et des appareils avec indication lumineuse. Il devrait y avoir trois fils allant au commutateur avec deux clés. À l'aide d'un tournevis indicateur, cela ne sera pas difficile: au contact de la phase dans le tournevis, la LED de signalisation s'allumera.

Vous pouvez demander au vendeur sur quel mécanisme les touches fonctionnent - came ou bascule. Vous pouvez installer une nouvelle boîte ou en utiliser une existante, l'essentiel est qu'il vous soit pratique d'y travailler.

Il est monté directement sur la surface du mur et les fils d'alimentation sont cachés dans des canaux de câbles. Nous connectons les fils de commande de la hotte et de la lampe aux sorties du mécanisme de commutation, l'ordre de connexion n'a pas d'importance. Si nous parlons d'un lampadaire ou d'une applique, ces points doivent être situés près du canapé ou à la tête du lit. Les pinces aident à fixer solidement le boîtier de montage dans le mur : lorsque la vis est serrée, elles s'écartent légèrement et butent contre la surface du mur. Lors de l'installation, assurez-vous que l'appareil est fixé de manière uniforme, sans déformations.

Évaluation
Site sur la plomberie

Nous vous conseillons de lire

Où remplir la poudre dans la machine à laver et combien de poudre verser