- Principes généraux de fonctionnement des commutateurs de passage
- Sortes
- Aérien
- Interne
- Comment fonctionne un interrupteur à deux boutons ?
- Schéma d'équipement à trois clés
- Éléments et composants du schéma de connexion
- Instructions d'installation étape par étape
- Commentaires:
- Laisser un commentaire Annuler la réponse
- Comment connecter un commutateur pass-through : un schéma de connexion vidéo vous aidera à faire tout le travail par vous-même
- Schéma de connexion d'un interrupteur de passage à partir de 3 endroits: une vidéo détaillée du travail
- Schéma de connexion d'un commutateur d'intercommunication à partir de 4 emplacements: informations actuelles
- Schéma de câblage 3 points via interrupteur
- Schéma de câblage avec deux luminaires
- Quelles erreurs peut-on commettre ?
- Commutateur triple passage - schéma de câblage
- Schéma de câblage des disjoncteurs de plusieurs zones
- Conclusions et vidéo utile sur le sujet
Principes généraux de fonctionnement des commutateurs de passage
Pour comprendre le fonctionnement du circuit, considérons ses principaux éléments à l'aide de l'exemple de deux points de commutation (le plus courant) :
- Au lieu d'un interrupteur au sens classique (un dispositif qui ouvre le circuit), un interrupteur est utilisé. C'est-à-dire qu'il y a d'une part deux contacts et d'autre part - un. Dans ce cas, la phase (qui est fournie au point lumineux) n'est pas commutée sur l'une des sorties, mais, au contraire, est reliée aux deux contacts, d'une part.
- Le circuit sera fermé lorsque les deux interrupteurs seront dans la même position. Autrement dit, soit les deux touches sont relevées, soit les deux touches sont enfoncées. L'un des commutateurs est conditionnellement considéré comme une entrée, un fil d'alimentation de phase y parvient. Selon la position de la clé, une tension est appliquée à l'un des contacts de sortie, qui sont à leur tour connectés à la paire d'entrée du deuxième interrupteur (sortie). Le schéma montre clairement dans quel cas le circuit est fermé et dans quel cas il est ouvert.
- En pratique, cela fonctionne comme ceci : vous allez au début du couloir, allumez l'éclairage. Après être passé au bout, vous utilisez le deuxième interrupteur pour éteindre la lumière. En vous déplaçant dans la direction opposée, vous déplacez simplement les touches vers une position différente, en conservant le même algorithme.
Le schéma précédent montrait comment organiser un circuit à l'aide d'une boîte de jonction. C'est la bonne méthode, mais cela entraîne un dépassement de câble : les lignes sont dupliquées, des groupes de bornes supplémentaires apparaissent. Les interrupteurs peuvent être connectés directement si la configuration de la salle le permet.

Le système fonctionne exactement de la même manière, seulement vous devez faire passer un fil horizontal entre les interrupteurs. Dans ce cas, il n'est pas nécessaire de monter la boîte de jonction et de poser des fils "supplémentaires".
Sortes
Les appareils sont divisés en 2 types en fonction du point d'attache :
Aérien
Ils sont installés directement sur le mur et peuvent être utilisés à la fois dans un système de câblage caché et lors de la pose de câbles à découvert.
Interne
Conçu pour être installé dans une boîte à prises située dans le mur. Connectez-vous uniquement au câblage interne.
Ces derniers sont utilisés comme une option plus ergonomique. Le corps entier de l'interrupteur est caché à l'intérieur du mur, et un cadre décoratif et des touches sont visibles de l'extérieur.Les modèles aériens sont plus faciles à installer, car ils ne nécessitent pas la création d'un évidement dans le mur.
Ils sont utilisés lorsqu'il n'est pas pratique d'effectuer des réparations majeures avec le remplacement du câblage. Les deux modèles du même type et de types différents peuvent fonctionner par paires.
Comment fonctionne un interrupteur à deux boutons ?
L'équipement a un total de 12 contacts, 6 pour chaque interrupteur double (2 entrées, 4 sorties), donc, pour connecter ce type d'équipement, vous devez prendre 3 fils pour chaque touche de l'appareil.
Diagramme de commutateur :
Circuit de commutation
- le dispositif est constitué d'une paire de contacts indépendants ;
- les contacts supérieurs de l'appareil N1 et N2 sont commutés sur les contacts inférieurs en appuyant sur les touches. Les éléments sont reliés par un cavalier ;
- le deuxième contact de l'interrupteur droit, représenté sur le schéma, est aligné avec la phase ;
- les contacts du mécanisme gauche ne se croisent pas, joignant deux sources différentes;
- Les 4 contacts croisés sont combinés par paires.
L'installation d'un interrupteur à deux gangs s'effectue comme suit :
- Une paire de mécanismes doubles est installée dans les prises dans des zones sélectionnées.
- Pour chaque source lumineuse, un câble à trois conducteurs séparé est placé dans la prise, dont les conducteurs sont débarrassés de l'isolant d'environ 1 centimètre.
- Dans le schéma, les âmes du câble sont désignées par L (phase), N (zéro de travail), terre (protection).
- L'appareil est équipé de marquages, ce qui simplifie la tâche de connexion des fils aux bornes de l'interrupteur. Les fils sont connectés aux bornes par paires.
- Le faisceau de fils est soigneusement placé dans la prise, après quoi le mécanisme de commutation, le cadre et le couvercle du boîtier de protection sont installés.
À quoi ressemble le marquage :
Marquage de l'interrupteur à deux clés
Exemple de schéma de connexion :
Schémas de connexion
Pour faciliter le processus de travail, il est recommandé de sélectionner des fils d'une certaine lumière. Il existe un marquage de couleur des fils pour la Russie et les autres pays de la CEI. De plus, un débutant peut apprendre à distinguer les câbles. Selon le marquage russe pour la «terre», les couleurs jaune et verte sont utilisées, le câble neutre est généralement marqué en bleu. La phase peut être rouge, noire ou grise.
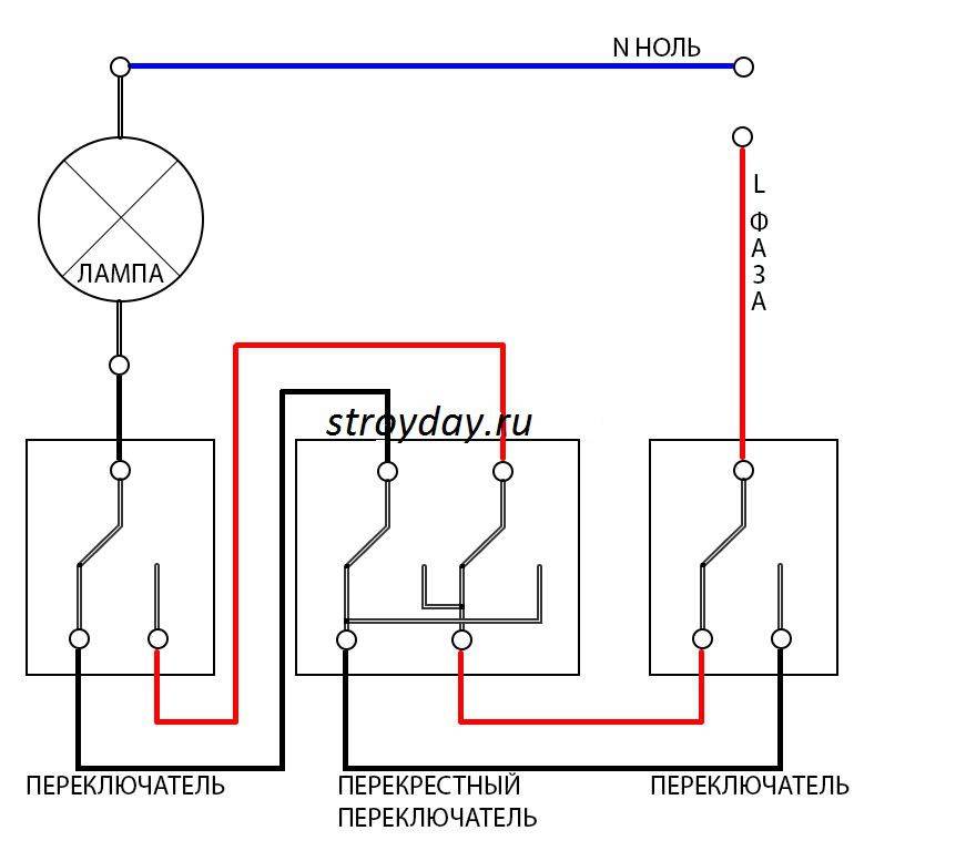
Schéma d'équipement à trois clés
Lors de l'installation d'un triple appareil, des interrupteurs intermédiaires (croisés) sont utilisés, qui sont connectés entre les deux éléments latéraux.
Schéma d'équipement à trois clés
Ce commutateur a deux entrées et sorties. L'élément croisé peut translater les deux contacts en même temps.
Triple processus d'assemblage d'équipements :
- La masse et le zéro sont connectés à une source lumineuse.
- La phase est connectée à l'entrée de l'une d'une paire de structures traversantes (avec trois entrées).
- Un fil libre de la source lumineuse est connecté à l'entrée d'un autre interrupteur.
- Deux sorties d'un élément à trois contacts sont combinées avec l'entrée d'un dispositif croisé (avec deux paires de sorties).
- Deux sorties du mécanisme de paire (avec trois contacts) sont combinées avec une autre paire de bornes du commutateur suivant (avec quatre entrées).
Éléments et composants du schéma de connexion
La structure de ce circuit comprend une boîte de jonction, des luminaires, des interrupteurs et des fils. Non seulement les lampes à incandescence conventionnelles, mais également divers types de LED et de lampes à économie d'énergie sont utilisés comme sources lumineuses. Les commutateurs utilisés dans le circuit sont divisés en travers et en croix.À leur tour, les commutateurs d'intercommunication peuvent être à bascule, redondants ou en échelle. Leur installation prend beaucoup plus de temps que les interrupteurs conventionnels.
Le schéma classique de connexion d'un interrupteur à trois voies nécessite l'utilisation de deux interrupteurs traversants et d'une croix. L'apparence des appareils de duplication est presque la même que celle d'un appareil à clé unique. Dans n'importe quelle position des touches d'un tel interrupteur, la connexion du circuit électrique n'est pas interrompue, seuls les contacts sont commutés. Le mécanisme de commutation des interrupteurs de passage est situé au centre des contacts.
Les appareils peuvent être à une ou deux touches. Dans le second cas, deux appareils sont combinés en un seul avec six contacts. Les circuits utilisent souvent des interrupteurs d'éclairage à touche unique qui ne diffèrent pas les uns des autres. Chacun d'eux est équipé de trois contacts. Au premier appareil, un fil de phase est connecté à un contact et des fils intermédiaires aux deux autres. Au troisième interrupteur, au contraire, un fil intermédiaire est connecté à un contact et des lignes de phase de sortie aux deux autres.
L'interrupteur installé au milieu agit comme un interrupteur croisé. Il a quatre contacts, à partir desquels deux fils vont à chaque interrupteur à bascule n ° 1 et n ° 3. Si le fil électrique intermédiaire est court-circuité sur l'un des dispositifs à bascule, la lumière s'allumera. Lorsque l'état de la clé change, le circuit se coupe et la lumière s'éteint. S'il est nécessaire d'augmenter le nombre de points de contrôle de la lumière, il suffit d'ajouter le nombre requis d'interrupteurs croisés au circuit existant.
Pour une installation correcte du système de contrôle, il est nécessaire de suivre certaines recommandations. Si la pièce dispose déjà d'un réseau électrique, des réseaux ouverts ou fermés distincts doivent être connectés aux interrupteurs de secours. Dans le second cas, des stroboscopes doivent être réalisés dans les murs. Vous aurez peut-être besoin d'un outil spécial et d'un plâtre de construction pour fixer le tuyau ondulé. La pose de nouvelles lignes s'effectue avec un câble à trois ou quatre fils.
Instructions d'installation étape par étape
- Débranchez l'électricité dans la chambre.
- Déterminez où se trouvent les fils, afin de ne pas les endommager.
- Désignez le futur emplacement de la boîte de jonction.
- Installez le boîtier de montage.
- Pose de câbles électriques. Il est préférable de prendre un câble à 3 ou 4 conducteurs. Pour les dispositifs de commutation, un trois fils est nécessaire. À l'aide d'un noyau, une alimentation de phase ou une lampe sera connectée. Deux noyaux sont connectés à des fils intermédiaires. Un dispositif croisé nécessite un câble à quatre conducteurs - deux conducteurs pour chaque commutateur. Deux conduiront au premier, et les deux autres au second.
Les extrémités de tous les câbles sont conduites dans la boîte de jonction et connectées aux bornes. Et zéro va à la lampe.
Pour équiper un interrupteur de passage d'une commande à 3 voies, vous devez avoir des compétences et un schéma de câblage précis. Sa présence permet de réaliser le système d'éclairage correct et de haute qualité. Et sur sa base, vous pouvez facilement créer des schémas d'éclairage plus complexes.
Commentaires:
Véda
Qui a utilisé ce schéma ? Quelqu'un a-t-il travaillé
Vassa
Du point de vue des électriciens, rien ne peut pas fonctionner ici. Tout est clairement et correctement décrit. Une autre chose est que je n'ai pas vu d'appareils de ce type en vente.Sous la commande, il est fort possible qu'ils le soient, mais je ne l'ai pas vu en magasin
Oleg
Existe-t-il d'autres utilisations pour de tels interrupteurs que dans un long couloir ?
Slavon
Il me semble que dans le couloir, ce schéma est peu utile. Une personne doit généralement atteindre le bout du couloir, puis éteindre la lumière. Très probablement, il est préférable d'utiliser un tel schéma de connexion d'interrupteur dans la chambre, où chaque côté du lit a son propre interrupteur pour allumer / éteindre l'éclairage principal et un autre est situé à l'entrée. Dans ce cas, à partir des trois points, vous pouvez allumer / éteindre la lumière
Alexandre
J'ai une fois refait le travail d'un clown électricien, qui a essayé de loger toutes les connexions d'un tel interrupteur dans une boîte à prises conventionnelle. En conséquence, l'interrupteur monté à l'intérieur a serré tous les fils. De manière générale, je ne conseille à personne de renouveler cette expérience. Le câblage des interrupteurs de passage doit être effectué uniquement dans la boîte de distribution !
André
À l'aide d'interrupteurs de passage (interrupteurs de fin de course à 3 broches), il est possible de décider de l'activation et de la désactivation uniquement pour deux postes (emplacements). Et si vous avez besoin de plus de deux bornes marche/arrêt, vous avez besoin de : interrupteurs croisés ou intermédiaires (au moins 4 broches, interrupteurs).
ANDRÉ
L'électricien a jeté des fils à trois fils, je ne sais pas si quatre fils seront nécessaires ... Est-il vraiment possible de se connecter d'une manière ou d'une autre pour que l'interrupteur fonctionne comme prévu ou dois-je chercher d'autres modèles?
Laisser un commentaire Annuler la réponse

Quelles sont les fonctionnalités de l'interrupteur Legrand et comment puis-je le connecter ?

Nous faisons nous-mêmes des trous pour la sortie dans le béton et les carreaux

Comment choisir et connecter une machine différentielle

Installation correcte et pratique des prises dans l'appartement
Comment connecter un commutateur pass-through : un schéma de connexion vidéo vous aidera à faire tout le travail par vous-même
Il peut être assez difficile, même avec un schéma, d'installer un interrupteur de passage en l'absence d'une formation spécialisée. Dans ce cas, des master classes enregistrées en vidéo peuvent venir à la rescousse. Ils décrivent en détail comment connecter le commutateur d'intercommunication et dans quel ordre le travail doit être effectué.
Avant de commencer la visualisation, vous devez décider du type d'appareil sélectionné. L'ordre de connexion de l'interrupteur croisé présentera un certain nombre de différences importantes, avec lesquelles vous devez vous familiariser à l'avance.
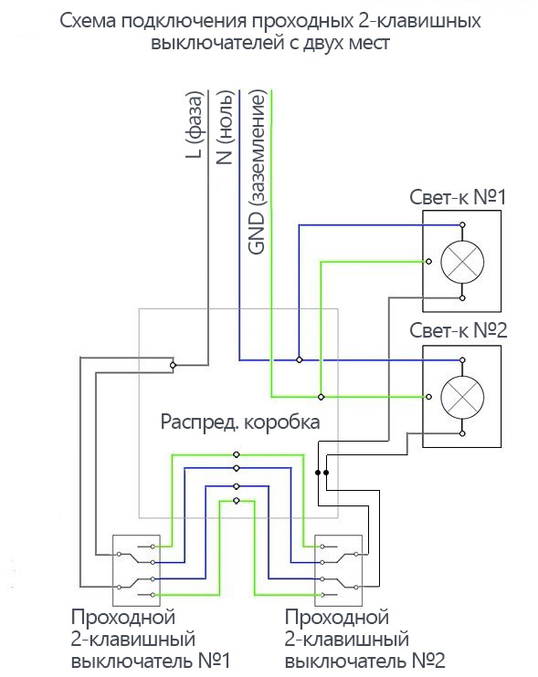
Si nous parlons d'un commutateur d'intercommunication, un schéma de connexion à 2 points est l'option la plus simple. Il s'agit du nombre minimum d'appareils pouvant être connectés au système pour que l'utilisateur puisse allumer ou éteindre une lampe. Sinon, ce sera un interrupteur normal.
Lors de l'installation d'un commutateur d'intercommunication à deux gangs, le schéma de connexion à partir de deux endroits peut être mis en œuvre pour deux charges. Ceci est assez pratique si la pièce est longue et qu'il est nécessaire de prévoir l'installation de plusieurs lampes pour un éclairage plus uniforme de l'espace environnant. Dans ce cas, il sera possible de régler l'intensité de l'éclairage de la pièce, en décidant combien de lampes seront allumées à un certain moment.
Circuit de commutation va-et-vient capable de contrôler deux charges
La vidéo suivante vous aidera à comprendre plus en détail le schéma de connexion du commutateur à partir de deux endroits :
Regardez cette vidéo sur YouTube
Il montre clairement comment connecter les fils dans la boîte de jonction afin qu'il n'y ait aucune difficulté pendant le fonctionnement. En suivant les recommandations d'un spécialiste, il est possible d'effectuer la quantité de travail requise de manière qualitative et à moindre coût.
Schéma de connexion d'un interrupteur de passage à partir de 3 endroits: une vidéo détaillée du travail
Le schéma de connexion du commutateur d'intercommunication à 3 points peut être appelé conditionnel. Dans ce cas, nous parlons de l'inclusion d'un commutateur croisé dans le circuit, agissant comme un lien supplémentaire. En règle générale, les travaux d'installation ne posent pas de difficultés particulières. Le dispositif croisé est connecté entre les traversées.
Vous pouvez en savoir plus sur le schéma de connexion des commutateurs pass-through à 3 positions en regardant la vidéo suivante :
Regardez cette vidéo sur YouTube
Des instructions détaillées vous permettront de comprendre l'ordre des travaux et de savoir de quel outil vous avez besoin pour l'installation.
Regardez cette vidéo sur YouTube
Schéma de connexion d'un commutateur d'intercommunication à partir de 4 emplacements: informations actuelles
Si la surface de la pièce est suffisamment grande, deux ou trois interrupteurs peuvent ne pas suffire. Vous devrez parcourir une longue distance à chaque fois pour allumer ou éteindre les lumières. Dans ce cas, il sera possible d'utiliser le schéma de raccordement de l'interrupteur 4 points. Dans ce cas, deux dispositifs croisés supplémentaires sont introduits dans le système.
Schéma de connexion d'une lampe à quatre interrupteurs
Un schéma de connexion à quatre points sera pertinent pour un bâtiment à plusieurs étages. Dans ce cas, la même lampe peut être commandée depuis chaque étage et, si désiré, depuis le sous-sol.
Regardez cette vidéo sur YouTube
Schéma de câblage 3 points via interrupteur
Dans ce schéma, la lampe est connectée avec un fil au fil neutre du réseau, le second au fil commun du premier interrupteur de passage. Deux fils du commutateur de premier passage sont connectés à une paire de contacts sur la croix. Les deux contacts libres restants sont connectés au deuxième interrupteur d'intercommunication. Le dernier contact du deuxième interrupteur de traversée est connecté au fil de phase.
Le schéma de connexion de 3 interrupteurs traversants à deux touches diffère pratiquement peu du schéma précédent. Sa principale différence est l'utilisation de deux interrupteurs à 2 touches d'une croix à 2 touches.
L'avantage de ce schéma réside dans le contrôle indépendant de deux sources lumineuses indépendantes (lampes, luminaires). Il existe également des schémas plus complexes, avec cinq points de commutation ou plus, mais ils sont le plus souvent utilisés dans l'industrie et leur utilisation dans la vie quotidienne est déconseillée.
Schéma de câblage avec deux luminaires
Bien sûr, la première option est populaire et facile à réaliser, elle est donc largement utilisée. Cependant, dans une pièce, il y a deux ou trois lampes ou plusieurs ampoules qui sont divisées en groupes, de sorte que le schéma standard ne convient plus ici.
Si vous souhaitez installer avec deux groupes de luminaires, vous devrez acheter un interrupteur à deux clés, où il y a six clips.
Commutateur avec deux clés, où il y a six pinces
Sinon, en termes de méthode d'installation et d'équipement, ce schéma n'est pas très différent du précédent. Cependant, plus de câblage devra être posé ici.Par conséquent, afin de réduire le coût d'achat des fils, il est recommandé de connecter le conducteur d'alimentation au premier interrupteur de la chaîne avec un cavalier. Après tout, sinon, vous devrez poser des conducteurs séparés du boîtier de distribution.
Quelles erreurs peut-on commettre ?
Naturellement, avec l'incapacité de lire le schéma d'installation des interrupteurs doubles Lezard, vous pouvez faire beaucoup d'erreurs. Et le tout premier se produit lors de la recherche d'un contact commun. Par erreur, certaines personnes pensent que le terminal commun est celui qui est situé séparément des deux autres. Et ce n'est pas du tout comme ça. Bien sûr, sur certains modèles, une telle "puce" peut fonctionner, mais cela arrive assez rarement.
Et si vous assemblez le circuit avec une erreur, les commutateurs ne fonctionneront pas correctement, peu importe le nombre de fois que vous cliquez dessus
Le contact commun peut être situé n'importe où, il est donc important de le trouver, en se concentrant sur le diagramme ou les lectures de l'instrument. Très souvent, de tels problèmes surviennent lors de l'installation ou du remplacement de commutateurs pass-through de différents fabricants. Nous avons regardé les informations une par une, les avons connectées correctement, et la seconde s'est avérée provenir d'un autre fabricant
Et il a été connecté selon le même schéma, mais cela ne fonctionne pas. Pour restaurer la fonctionnalité, vous devez trouver un contact commun et connecter correctement tous les fils. Cette étape est la principale, la façon dont l'ensemble du système fonctionnera à l'avenir en dépend directement. Inutile de se focaliser sur le hasard, mieux vaut s'assurer plusieurs fois que les contacts sont correctement définis. Et pour ne pas les oublier, vous pouvez les marquer avec un feutre. Ainsi, bien sûr, pour que ces marques ne soient pas visibles de l'extérieur
Nous avons examiné les informations une par une, les avons connectées correctement et la seconde s'est avérée provenir d'un autre fabricant. Et il a été connecté selon le même schéma, mais cela ne fonctionne pas. Pour restaurer la fonctionnalité, vous devez trouver un contact commun et connecter correctement tous les fils. Cette étape est la principale, la façon dont l'ensemble du système fonctionnera à l'avenir en dépend directement. Inutile de se focaliser sur le hasard, mieux vaut s'assurer plusieurs fois que les contacts sont correctement définis. Et pour ne pas les oublier, vous pouvez les marquer avec un feutre. Ainsi, bien sûr, pour que ces marques ne soient pas visibles de l'extérieur.
Mais il arrive aussi que l'appareil que vous utilisez ne soit pas un relais
Par conséquent, lors de l'achat, vous devez faire attention au type d'appareil qui est un pass-through ou un appareil à deux touches standard. Il convient également de mentionner la connexion incorrecte des appareils croisés. Certains électriciens mettent les fils du premier interrupteur sur les contacts situés en haut
Et du deuxième interrupteur - aux contacts ci-dessous. Mais vous devez le faire un peu différemment - connectez tous les fils à l'appareil en croix. Seulement dans ce cas, toute la structure pourra fonctionner correctement.
Certains électriciens mettent les fils du premier interrupteur sur les contacts situés en haut. Et du deuxième interrupteur - aux contacts ci-dessous. Mais vous devez le faire un peu différemment - connectez tous les fils à l'appareil en croix. Seulement dans ce cas, toute la structure pourra fonctionner correctement.
Commutateur triple passage - schéma de câblage
L'interrupteur croisé a la charge fonctionnelle suivante dans le circuit :
- un dispositif à transistor qui n'interagit pas avec une paire d'autres interrupteurs d'éclairage ;
- un dispositif indépendant qui ouvre le circuit et assure le fonctionnement d'une partie des dispositifs d'éclairage.
Si un interrupteur traversant installé pour une paire de points implique l'utilisation d'un câble électrique à trois conducteurs, alors cinq contacts sont utilisés pour équiper le troisième point.
Dans ce cas, une paire de contacts est connectée à l'un des commutateurs en vol et une autre paire est connectée au deuxième appareil. Le dispositif libre est utilisé comme dispositif de transit.
Il est important de se rappeler que le contact de transit présent dans le schéma de connexion est obligatoire, car il sert à se connecter au circuit électrique et à assurer le fonctionnement du troisième point de connexion.
Schéma de câblage des disjoncteurs de plusieurs zones
L'interrupteur croisé est monté à la fois avec deux passages, alors que presque toutes les connexions sont importantes pour être faites à travers la boîte de jonction. L'appareil de commutation est installé de manière à devenir un lien entre le reste des interrupteurs : deux fils de chaque produit électrique y sont insérés, puis en sortie. Il est facile de comprendre ce problème: du mauvais côté du commutateur croisé, ils indiquent où se trouvent l'entrée et la sortie des bornes
Il est facile de comprendre ce problème: du mauvais côté du commutateur croisé, ils indiquent où se trouvent l'entrée et la sortie des bornes.
Le raccordement d'un interrupteur croisé s'effectue en plusieurs étapes :
- élaborer un schéma de câblage électrique ;
- percer les canaux nécessaires à la pose du câblage ;
-
une boîte de jonction est insérée dans le mur d'une taille telle qu'elle permettrait de créer plus de 7 connexions et de faire passer de nombreux fils;
- le levier du panneau électrique coupe l'alimentation en courant électrique de la zone d'installation de l'appareil de commutation;
- un câble est tiré de la boîte de jonction au blindage, aux luminaires et aux interrupteurs ;
- un noyau zéro est amené aux contacts des lampes;
-
un conducteur de phase est relié au contact du premier interrupteur traversant ;
- le système est complété par des paires de fils allant d'un interrupteur à l'autre ;
- les contacts du dernier interrupteur croisé sont connectés aux appareils d'éclairage via la boîte de jonction.
Conclusions et vidéo utile sur le sujet
La manière dont l'application des schémas de connexion des commutateurs d'intercommunication à partir de plusieurs endroits se produit dans la pratique peut être trouvée dans les vidéos présentées.
L'ordre de connexion des noyaux dans la boîte de jonction:
Instruction de connexion depuis 2 lieux :
Analyse des erreurs possibles:
L'apparition et l'introduction d'appareils de ce type dans les réseaux électriques ne sont peut-être pas si importantes, mais ont tout de même affecté la facilité d'utilisation. De plus, les solutions basées sur des interrupteurs traversants permettent en fait des économies d'énergie.
Pendant ce temps, l'amélioration des appareils ne s'arrête pas. Périodiquement, de nouveaux développements apparaissent, par exemple, similaires aux interrupteurs tactiles.
Avez-vous quelque chose à ajouter ou avez-vous des questions sur la connexion d'un commutateur d'intercommunication ? Vous pouvez laisser des commentaires sur la publication, participer aux discussions et partager votre propre expérience dans l'organisation du réseau électrique. Le formulaire de contact se trouve dans le bloc du bas.









































