- Technologie de fabrication à la maison
- Vanne papillon multifonctionnelle
- Fixation universelle
- Caractéristiques, caractéristiques et but de la porte
- A quoi sert une vanne ?
- Choisir une option de localisation
- Fonctions, but et caractéristiques
- Comment faire un robinet-vanne de vos propres mains
- Préparation des matériaux et des outils
- Rédaction d'un schéma (dessin)
- Marquage et découpe de pièces
- Étapes d'installation de la vanne
- Fabrication de bricolage
- Option 1. Fabrication d'une vanne rotative en acier inoxydable
- Option 2. Réalisation d'un portail escamotable horizontal en inox
- Variétés de robinets-vannes
- Matériaux et outils
- Installation
- Fabrication de bricolage
- Fabrication de portail coulissant
- Instructions de fabrication du papillon des gaz
- Les règles de sécurité
Technologie de fabrication à la maison
Des spécialistes qualifiés se concentrent toujours sur le fait que même un maître novice peut fabriquer une porte rotative et escamotable. Après tout, pour que le produit fini s'acquitte parfaitement de sa tâche principale, vous devez effectuer correctement toutes les mesures nécessaires.
Si le registre fini s'insère bien dans la cheminée, il peut se coincer avec le temps, car il sera affecté par une température élevée.Et lorsqu'il y a un grand écart entre la vanne et le tuyau, il sera difficile de réguler l'intensité de la poussée pendant le fonctionnement.
Vanne papillon multifonctionnelle
Pour la fabrication de ce type de portail, vous devez utiliser un coin en acier de 30x30 mm, ainsi qu'une tôle d'acier solide dont l'épaisseur est d'au moins 1,5 mm. Le processus de fabrication lui-même comprend plusieurs étapes principales, qui doivent être mises en œuvre dans un ordre strict :
- Au départ, vous devez effectuer des mesures de l'intérieur de la cheminée. Ceci est fait afin d'éviter les erreurs lors de la fabrication d'un cadre à partir d'un coin, qui est fixé par une machine à souder.
- Sur un côté du cadre, un petit trou doit être percé exactement au centre (diamètre 7-8 mm). Il est utile pour l'axe rotatif.
- Un trou similaire doit être fait de l'autre côté du cadre.
- La plaque de registre doit être découpée dans une tôle d'acier. Cette pièce doit correspondre parfaitement aux dimensions intérieures du cadre en cours de fabrication.
- Pour faire un axe de guidage, vous devez prendre un morceau de fil d'un diamètre de 9 mm et d'une longueur qui dépassera de 7 cm la taille du cadre lui-même.Les fils doivent être coupés d'un côté du fil (une filière ne ce meilleur).
- L'essieu fini est soigneusement enfilé dans les trous du cadre et fixé avec un écrou.
- Toutes les sections de la plaque sont traitées avec une meuleuse et insérées dans le cadre.
- A ce stade, le maître doit souder l'axe exactement au centre de la plaque.
- Il ne reste plus qu'à fabriquer une poignée confortable pour le guide à partir de matériaux improvisés de haute qualité.
Fixation universelle
Les robinets-vannes modernes comprennent la vanne elle-même, ainsi qu'un cadre de guidage spécial.C'est pourquoi, avant de commencer les travaux, le maître doit mesurer la section interne du tuyau ou de la cheminée en brique. Conformément aux mesures disponibles, un rectangle net est découpé dans de la tôle d'acier (épaisseur 5 mm). D'un côté, un petit pli longitudinal est réalisé, dont la largeur ne doit pas dépasser 30 mm.
Ces manipulations sont nécessaires pour faciliter l'extension de l'amortisseur fini. Chaque coupe doit être meulée, grâce à quoi les dimensions du produit sont immédiatement réduites de 2 mm de chaque côté. De telles actions du maître assureront le libre mouvement du registre à l'intérieur de la cheminée.
Lorsque la porte est conçue pour une cheminée en brique, le cadre lui-même peut être constitué d'un fil d'acier épais dont le diamètre est inférieur à 6 mm. Au cours de cette procédure, le flan métallique est simplement plié en forme de lettre P en stricte conformité avec les mesures disponibles.
Si la cheminée a une forme rectangulaire et est en acier, il est préférable que le cadre soit constitué d'une bande métallique de 2 mm d'épaisseur et jusqu'à 35 mm de large. La bande préparée est pliée tout en laissant un espace net le long de l'épaisseur de la plaque. Ce n'est qu'alors que de petites coupes peuvent être effectuées à deux endroits à un angle de 45 ° pour donner à la pièce une forme en U. Tous les espaces aux endroits des coupes doivent être soudés bout à bout.
Pour connecter les extrémités d'un amortisseur fait maison, vous devez utiliser deux morceaux de métal, qui doivent être positionnés de manière à ce que le vantail du portail passe librement entre eux. À la fin de toutes ces manipulations, le maître doit avoir un cadre rectangulaire avec des rainures pour l'obturateur.
Pour fabriquer une vanne dans un tuyau rond, vous devez prendre deux pièces métalliques identiques feuille de 2 mm d'épaisseur. Des trous ronds sont découpés au centre en fonction du diamètre de la cheminée. La plaque de soupape doit être fabriquée séparément. Après cela, les feuilles sont interconnectées à l'aide d'une machine à souder.
Il est nécessaire de brasser seulement trois côtés autour du périmètre afin que les trous de la porte finie sur le tuyau correspondent exactement. Un espace de 5 mm doit être laissé entre la feuille supérieure et inférieure. Sur ce point, le processus de fabrication de la porte peut être considéré comme terminé, car le maître n'a qu'à insérer la vanne et fixer le produit fini sur la cheminée.
Caractéristiques, caractéristiques et but de la porte
Qu'est-ce qu'un robinet-vanne ? Il est conçu pour contrôler et ajuster le tirage dans le système de cheminée. De l'allemand, le mot shiber est traduit par une pièce en métal (le métal peut être différent). Tout fabricant de poêles sait qu'une bonne traction est la condition la plus importante pour faire fonctionner correctement le système de carburant.
S'il n'y a pas assez de poussée dans le système, l'oxygène, qui est si important pour la combustion, n'y parvient pas. En conséquence, le processus d'allumage et de combustion lui-même sera problématique. D'autre part, en l'absence de courant d'air, toute la fumée entrera dans la pièce, ce qui entraîne des conséquences négatives. Mais si le tirage est bon, et c'est justement celui qui est fourni par le registre rotatif de la cheminée, la combustion sera efficace :
- Tout d'abord, il sera beaucoup plus facile d'allumer le carburant.
- Deuxièmement, le processus de combustion s'améliore, le combustible brûle rapidement, apportant de plus en plus de chaleur dans la pièce.
- Troisièmement, la fumée ne pénètre pas à l'intérieur et le processus de chauffage est bien meilleur.

Ainsi, le robinet-vanne vous permet d'améliorer la traction, d'éviter les conséquences négatives lors de la combustion de combustible solide dans un poêle ou une cheminée.Les experts conseillent de monter cette pièce lors du chauffage avec n'importe quel combustible, que ce soit du gaz, du charbon ou du bois.
Le robinet-vanne lui-même est installé directement dans la cheminée. C'est le principal régulateur de poussée, contrôlant le processus de combustion du carburant. Il convient de préciser qu'une traction trop forte n'est pas non plus très acceptable, car le carburant brûlera intensément, la consommation augmentera considérablement. La soupape fonctionne comme ceci : afin de réduire le tirage et de réduire l'intensité de la combustion à l'intérieur de la fournaise, vous devez la couvrir. Et si vous avez besoin d'augmenter la traction, l'action inverse est effectuée. Le processus est effectué mécaniquement avec la participation d'une personne.
Le robinet-vanne ressemble à une plaque métallique, grâce à laquelle la cheminée peut être bloquée ou libérée. Il est monté à la fois pour les systèmes à simple paroi et pour les cuivres à double paroi.
Noter! Dans le cas où le foyer et le poêle ne sont pas utilisés, il est nécessaire de fermer la vanne à tiroir pendant toute la période.

Habituellement, une vanne de cheminée est installée près du poêle, dans la section initiale du tuyau de cheminée. C'est à environ 1 m du four. Ainsi, une personne peut facilement l'atteindre. De plus, cette zone n'est pas isolée. Les experts ne recommandent pas de monter le portail sur un site bien isolé. Cela est particulièrement vrai pour les tuyaux à double circuit. Pourquoi? Le fait est que sous l'influence d'une température élevée, le métal des tuyaux intérieur et extérieur se dilate, et la vanne elle-même se coince souvent et ne dépasse pas.
En résumé, nous pouvons considérer les tâches principales qu'un robinet-vanne effectue :
- Il est capable de réguler le tirage dans la cheminée, en le réduisant ou en l'augmentant.
- Couvre partiellement la section du tuyau de cheminée.
- Le registre sert de régulateur d'intensité de flamme dans le four.
Bien que la porte soit petite et discrète, il est tout simplement impossible de s'en passer. Cependant, il faut comprendre que dans le cas où le processus de combustion dans le four est effectué avec apport d'air frais, il n'est pas nécessaire d'installer un robinet-vanne.

Maintenant en ce qui concerne le matériau de fabrication du portail. Le plus souvent, l'acier inoxydable est utilisé à cette fin, dont l'épaisseur ne dépasse pas 1 mm. Un robinet-vanne réalisé dans ce métal de cette épaisseur sera capable de :
- résister à des températures atteignant jusqu'à 900 degrés Celsius;
- le robinet-vanne est résistant à la corrosion ;
- a un faible coefficient de dilatation thermique.
Pour que le fonctionnement de la pièce et de la cheminée elle-même soit aussi simple que possible et qu'il n'y ait aucun problème de nettoyage de la suie, vous devez choisir une vanne à guillotine coulissante avec une surface polie. L'amarrage des coutures se fait par laminage.

La note! Un registre conventionnel peut couvrir jusqu'à 85% de la section de la cheminée. C'est la meilleure option pour éliminer efficacement les produits de combustion et assurer une bonne combustion du carburant.
A quoi sert une vanne ?
L'utilisation d'un registre vous permet de fermer le canal de la cheminée après le fonctionnement de la fournaise. Les trous de ce dispositif empêchent le blocage complet de la section transversale du canal de la cheminée. Il convient de rappeler que la position fermée d'une telle vanne indique que la cheminée n'est pas utilisée et que la position ouverte signifie le début du four.
Le tirage dans la cheminée est un indicateur très important qui détermine non seulement l'efficacité de l'élimination des produits de combustion de la cheminée, mais également l'efficacité du système de chauffage dans son ensemble.Par conséquent, la régulation de la poussée, réalisée à l'aide d'un élément coulissant, est très importante. Si le niveau de tirage dans le système dépasse les paramètres autorisés, il est nécessaire d'ajuster la position de l'élément de porte. Une telle vanne régule le tirage en réduisant ou en augmentant l'indice de section du canal de la cheminée.
De plus, les éléments coulissants remplissent une autre fonction importante, qui est de réguler la combustion des produits dans le dispositif de chauffage. L'intensité de la combustion est contrôlée du fait qu'un tel élément régule le mouvement du flux d'air à l'intérieur du système. Il convient de noter qu'il est impossible de monter des produits de porte si le traitement des matières premières chauffantes est effectué dans l'appareil en raison des flux d'air d'alimentation.
Les robinets-vannes en acier inoxydable ou galvanisés sont les plus durables et les plus faciles à entretenir.
En règle générale, ces produits sont en acier inoxydable, qui présente de bonnes caractéristiques de résistance. L'acier inoxydable résiste aux influences corrosives destructrices et résiste également aux composés chimiques actifs formés à l'intérieur de la cheminée. L'épaisseur de la grille varie de 0,5 à 1 mm. Les portes se caractérisent par une stabilité thermique élevée et peuvent résister à des températures allant jusqu'à 900 degrés Celsius.
Informations utiles! Il est recommandé de sélectionner des registres avec une surface polie. Un amortisseur poli est plus facile à utiliser, plus facile à nettoyer de la suie.
L'amortisseur a des coutures roulantes et est capable de couvrir une assez grande surface du canal de la cheminée (jusqu'à 85%). Ces caractéristiques ont rendu ce produit très populaire auprès des consommateurs.
Choisir une option de localisation
Il existe plusieurs façons d'installer un portail, chacune ayant ses avantages et ses inconvénients. Un facteur important est la composition de la cheminée. Mais les maîtres modernes préfèrent utiliser les trois options les plus courantes :
- Installation dans un insert de cheminée.
- Fixation selon la méthode "pipe in pipe".
- Installation dans le système de ventilation.

Le registre peut être installé dans le système de ventilation.Dans le cas où le maître a choisi le type d'installation "tuyau dans le tuyau", il n'aura pas besoin d'utiliser des fixations spéciales pour fixer solidement le registre avec les éléments de la cheminée. L'emplacement de la porte dans le système de ventilation élimine complètement la possibilité de surchauffe du moteur du ventilateur pendant le fonctionnement actif.
Les fabricants modernes proposent des cheminées prêtes à être installées, qui sont équipées de tous les dispositifs nécessaires (un registre coulissant ne fait pas exception). Dans ce cas, la pièce doit être utilisée en stricte conformité avec les recommandations établies par le fabricant. Sinon, vous pouvez fabriquer une vanne dans la cheminée de vos propres mains et à un prix plus abordable.
Nous vous invitons à lire : Que faire si le béton est gelé
Il existe trois options principales pour placer le registre dans la cheminée :
- fixation "tuyau à tuyau" ;
- placement dans un insert de cheminée;
- installation dans un tuyau de ventilation.
Cheminée en brique avec registre
Si vous placez un robinet-vanne dans le tuyau de sortie ou dans le four du four, c'est-à-dire intégrez cet élément dans sa conception, l'amortisseur est placé sur un segment de tuyau aussi près que possible de la chaudière de chauffage. Cela garantit une facilité de contrôle, une facilité de rotation de l'amortisseur. Cela s'explique par le fait que la poignée ne touchera ni le portail ni la zone d'habillage.S'il est disposé selon l'option «tuyau à tuyau», aucune fixation supplémentaire n'est requise pour la connexion avec d'autres éléments du four.
Les cheminées sont généralement proposées prêtes à être installées, qui sont équipées de tout le nécessaire, y compris une vanne à tiroir. Dans ce cas, il est placé dans le système conformément aux instructions du fabricant. S'il n'est pas fourni pour une raison ou une autre, il est tout à fait possible de fabriquer et d'installer cet élément soi-même.
Fonctions, but et caractéristiques
Étant le principal régulateur de tirage à l'intérieur de la cheminée, le registre régule la combustion du combustible. Pour réduire le tirage et réduire l'intensité de la flamme dans le four, il suffit de recouvrir le tiroir. Pour augmenter la traction, au contraire, il faut l'ouvrir.
En fait, la porte est une plaque métallique ordinaire qui permet de régler la poussée.
Il peut être installé comme systèmes de chaudière à simple paroi, ainsi que dans ceux à double paroi.
Si le foyer avec le poêle n'est pas utilisé, pendant cette période, le robinet-vanne doit être en position fermée.
Mais sur le site d'une cheminée bien isolée, au contraire, il n'est pas recommandé d'installer une vanne. Surtout quand il s'agit de tuyaux à double circuit. Lorsque le métal des tuyaux intérieur et extérieur se dilate, la porte coulissante peut se coincer.
Ainsi, les principales tâches du robinet-vanne sont :
- La fonction du régulateur de tirage dans la cheminée.
- Chevauchement partiel de la section du conduit de cheminée.
- Régulateur d'intensité de flamme dans le four.
Le robinet-vanne est une plaque métallique mince, réglable manuellement à l'aide d'une poignée spéciale. Ce dernier est situé à l'extérieur du conduit de cheminée afin que l'utilisateur puisse régler manuellement la position de la plaque.
Selon la conception et le type d'amortisseur, il est installé à l'aide d'un cadre métallique spécial ou inséré dans le tuyau et fixé avec une tige axiale.
Le registre dans la cheminée remplit les fonctions suivantes :
- augmente la puissance de traction dans des conditions météorologiques difficiles;
- augmente l'intensité de la combustion dans le four en augmentant le débit d'oxygène ;
- réduit le tirage avec un fort grondement dans la cheminée lors de vents forts;
- économise du carburant en réduisant l'intensité de la combustion;
- empêche les fuites de chaleur une fois que le radiateur s'est réchauffé.
Comment faire un robinet-vanne de vos propres mains
Considérez comment faire les deux options pour les vannes pour cheminée - escamotable et pivotant. Chacun d'eux a ses propres nuances de fabrication et d'installation. Commençons par la vue rétractable.
Préparation des matériaux et des outils
Pour créer un modèle simple portail coulissant en acier galvanisé adapté. Il est léger, grâce à sa surface lisse, il est facilement nettoyé de la suie et, si nécessaire, la partie mobile peut être facilement remplacée.
L'acier millimétré ne convient pas, car il se plie facilement et, s'il est déformé, il sera difficile de faire glisser la plaque dans la cheminée. L'épaisseur minimale de la feuille est de 1,5 mm, et de préférence de 2 à 2,5 mm
Les principaux outils sont une machine à souder, des électrodes, une meuleuse, des cisailles à métaux (nous choisissons en fonction de l'épaisseur de la tôle), une perceuse avec un disque de meulage, des forets à métaux, une lime. Il est préférable de travailler sur un établi avec un étau. Entre autres, vous aurez besoin d'une feuille de papier pour le gabarit, d'un ruban à mesurer, d'un marqueur.
Rédaction d'un schéma (dessin)
Le dimensionnement doit être pris au sérieux, car même quelques millimètres peuvent provoquer un dysfonctionnement de la cheminée.Pour connaître les dimensions du cadre, vous devez mesurer la section transversale du canal de la cheminée avec un ruban à mesurer - elle coïncidera avec les dimensions de la face intérieure du cadre. A cette valeur, ajoutez 20-30 mm sur trois côtés et calculez le côté extérieur du cadre.
Dessin d'un amortisseur avec un fil de fer. Un cadre en fil de fer est plus difficile à fixer à la maçonnerie qu'un profil avec des côtés plats et larges.
Pour que la valve glisse facilement, sans effort, sa largeur doit être légèrement inférieure à la largeur du cadre (en tenant compte des côtés extérieurs). Pour simplifier les calculs, il est nécessaire de dessiner un schéma de conception et de désigner toutes les dimensions possibles, de sorte qu'à l'avenir, tout en travaillant avec du métal, vous puissiez naviguer par eux.
Pour les tuyaux métalliques, ils combinent généralement la conception d'un amortisseur plat avec un fragment de cheminée situé perpendiculairement.
Dimensions de conception pour un tuyau rectangulaire. Le registre doit bloquer complètement la cheminée, mais en même temps avoir de petits trous pour la pénétration d'air percés avec une perceuse, ou un espace
Pour les cheminées en briques, un cadre plat en fil de fer ou un profilé avec une vanne se déplaçant le long de guides (deux côtés parallèles) est suffisant.
Marquage et découpe de pièces
Après avoir déterminé les dimensions exactes, nous découpons le cadre du portail. Si la cheminée est petite (par exemple, dans un bain public ou dans une cuisine d'été), vous pouvez utiliser un fil épais en le pliant en forme de lettre P.
Un cadre plus détaillé est un profil d'angle solide. Pour le fabriquer, nous coupons une bande de tôle d'acier et la plions à un angle de 90º. Pour donner au profil la forme souhaitée, aux endroits où les coins sont marqués, nous coupons l'un des plans.Lors du pliage, nous obtenons un cadre. Nous soudons les endroits des plis.
Ensuite, découpez l'obturateur lui-même. Il devrait être d'environ 5 à 10 mm plus étroit que la largeur du cadre. Nous ajustons la longueur de sorte qu'à l'état fermé, seul un petit fragment de la valve regarde. Vous pouvez le décorer de différentes manières : sous la forme d'une oreille avec un trou ou juste un bord plié.
Nous nettoyons les bords de la porte coupée avec un disque afin que le processus de fermeture / ouverture se déroule facilement et silencieusement. Les détails ne peuvent pas être peints.
Étapes d'installation de la vanne
La photo montre les étapes d'installation d'un portail fabriqué en usine. Par le même principe, un appareil fait maison est monté.
Galerie d'images
Photo de
Conformément au schéma du dispositif de four, nous déterminons l'emplacement d'installation de la porte coulissante et marquons les briques à couper
Nous sortons les briques qui servent de base au montage de l'amortisseur et les coupons à la taille du cadre du portail avec une meuleuse
Nous utilisons du mortier de maçonnerie pour fixer la vanne. Nous l'appliquons sur le site d'installation, puis sur les bords du cadre par le haut
La vanne "se tenait" au même niveau que le reste des briques, il n'y a donc pas d'obstacles pour la maçonnerie supplémentaire, cela se fait de la manière habituelle - selon le schéma de commande
Étape 1 - déterminer l'emplacement d'installation
Étape 2 - couper des briques autour du périmètre du trou
Étape 3 - planter la porte sur la solution
Étape 4 - maçonnerie au-dessus de la porte
La hauteur d'installation de l'amortisseur dépend en grande partie de la conception du poêle, dans les poêles de sauna, elle est plus basse, dans les poêles de chauffage domestique, elle est plus élevée. La hauteur minimale est de 0,9 à 1 m du sol, la hauteur maximale est d'environ 2 m.
Fabrication de bricolage
La simplicité de la conception de la plaque de registre pour la cheminée vous permet de le faire vous-même afin de réguler davantage le tirage.
Option 1.Fabrication d'un portail pivotant en inox
Nous proposons des instructions détaillées pour la fabrication de l'amortisseur déjà avec le chauffage du poêle fini, une fois la conception terminée, mais le mécanisme de la porte n'a pas été fourni.
Pour fabriquer et installer une porte de vos propres mains, vous aurez besoin des matériaux suivants:
- meuleuse, coupe et meule abrasive;
- perceuse;
- robinet;
- huile pour lubrifier le robinet lors du filetage;
- un marteau;
- vice;
- pinces;
- soudage;
- cœur;
- électrodes pour acier inoxydable;
- boussole;
- roulette;
- marqueur permanent.
À partir des matériaux, vous devez immédiatement préparer:
- tôle d'acier inoxydable de 1,5 à 2 mm d'épaisseur.
- tube en acier inoxydable d'un diamètre intérieur de 6 mm;
- 2 boulons 8mm,
- clou (ou tige métallique).
Lorsque tous les outils et matériaux sont préparés, vous pouvez commencer à travailler.
- Mesurez le diamètre intérieur du tuyau et marquez-le sur la feuille d'acier inoxydable à l'aide d'un compas.
- Maintenant, à l'aide d'une meuleuse, coupez un cercle selon le balisage.
- Nous essayons l'amortisseur découpé, si nécessaire, nous l'affinons avec une meule jusqu'à ce qu'il pénètre clairement dans le tuyau.
- Prenez le tube en acier inoxydable préparé et fixez-le au cercle fini. Mesurez avec un marqueur à la taille de l'amortisseur. Nous le rendons plus petit que le diamètre intérieur de 3 mm de chaque côté.
- Nous coupons le tuyau avec une meuleuse avec une molette de coupe.
- Nous forons un trou intérieur dans le tube de 6,8 mm pour le filetage. Lors du forage, il est nécessaire de lubrifier périodiquement la surface interne du tube avec de l'huile de machine.
- Nous avons coupé un filetage de 8 mm des deux côtés du tube avec un taraud, sans oublier de lubrifier le taraud au passage.Pour enlever les copeaux coupés, il est nécessaire de faire un demi-tour de retour tous les demi-tours de taraud sur le filetage.
- Maintenant, vous devez faire trois trous dans l'amortisseur. Marquez immédiatement avec un marqueur.
- Serrez le tube et l'amortisseur dans le collier et soudez le tube à l'amortisseur à travers ces trous (rivets de soudure). Nous commençons à souder à partir du trou central, puis nous relâchons n'importe quelle pince et la soudons dans le trou libéré.
- Nous faisons des marquages pour les futurs trous sur le fumeur. Afin de faire correspondre clairement l'axe des trous, enveloppez le tuyau avec un ruban à mesurer et mesurez le centre horizontalement et verticalement. Perçage Faire des marquages
- Nous assemblons l'amortisseur dans le tube Étape 7
- Nous créons un gabarit pour le support de l'amortisseur Étape 8
- Nous transférons le balisage sur une tôle. Vous pouvez utiliser une boussole Étape 9
- Nous marquons le milieu pour les trous du loquet, coupons et perçons selon le balisage.
- Nous soudons au tuyau Nous soudons le dispositif de retenue
Option 2. Réalisation d'un portail escamotable horizontal en inox
Pour cette option, il est nécessaire d'acheter un robinet-vanne en acier inoxydable prêt à l'emploi. Le dessin représente un cadre à l'intérieur duquel le mécanisme se déplace.
- Disposez 2 rangs de poêle ou cheminée selon le schéma de commande utilisé.
- Sur la rangée où la vanne sera installée, nous découpons des rainures dans la brique. Ce sont de petites rainures dans lesquelles l'élément métallique va entrer. Il est préférable d'utiliser une meuleuse d'angle avec une roue pour ces travaux. Mais s'il n'y a pas un tel outil professionnel, vous pouvez vous débrouiller avec un fichier.
- L'amortisseur est installé.
- Dans la brique latérale, il est nécessaire de découper un évidement pour la poignée de l'amortisseur, car elle devra être nettoyée de la suie pendant le fonctionnement Nous fermons la porte avec un certain nombre de briques
- La rangée de briques suivante est posée et tous les espaces formés sont bien scellés.
Comme vous pouvez le voir, la fabrication de la porte ne nécessite pas beaucoup de temps et beaucoup d'expérience. En même temps, c'est un détail très important qui augmentera considérablement l'efficacité de la chaudière ou du foyer.
Variétés de robinets-vannes
Étant donné que les cheminées sont différentes, nos robinets-vannes sont également différents les uns des autres. Fondamentalement, cette différence réside dans la forme et dans le mode de fonctionnement. Il existe plusieurs types de robinets-vannes :
- Vanne à glissière horizontale qui se rétracte. C'est le type de robinet-vanne le plus courant. À l'intérieur de la structure se trouve une plaque rétractable, c'est grâce à elle que la section transversale est régulée. Le plus souvent, cette conception est utilisée pour les cheminées en briques. Pour qu'en position fermée de l'élément, le canal de fumée ne se chevauche pas à 100%, de petits trous sont pratiqués dans la plaque. Ceci est fait pour une raison, car la technologie de création correspond à la sécurité incendie. La particularité de la porte horizontale est la simplicité de conception et la facilité d'installation, ainsi que l'efficacité du travail.
- Portail pivotant. Il a également un deuxième nom - "papillon des gaz". Le design est fondamentalement différent de la version précédente. Il se présente sous la forme d'un tuyau de dérivation à l'intérieur duquel se trouve une plaque métallique. Seulement, il ne s'étend pas, mais se situe sur un axe de rotation. L'appareil est équipé d'un disque rotatif amovible, qui devient inutilisable avec le temps.Cependant, en raison du schéma du mécanisme rotatif, il est facile de réparer et de remplacer la pièce vous-même. La vanne est située à l'intérieur du tuyau de cheminée. Le principe de fonctionnement consiste à faire pivoter la plaque à l'intérieur. L'avantage de cette conception de robinet-vanne est qu'il est facile à utiliser. Le propriétaire de la maison n'aura pas besoin de surveiller en permanence la position de la porte.
La deuxième option étant plus difficile à mettre en œuvre, ce registre de cheminée à faire soi-même n'est pas fabriqué. Le plus souvent, c'est la première option qui est créée - une vanne horizontale. Je voudrais noter quelques nuances supplémentaires. Un robinet-vanne est nécessaire pour les poêles à bois et autres équipements de chauffage fonctionnant aux combustibles solides. Si nous parlons de chaudières à gaz et de celles fonctionnant au combustible liquide, l'amortisseur est davantage nécessaire pour protéger la structure de la cheminée de la pénétration des précipitations atmosphériques, des débris et des animaux.

Si nous parlons d'installer une porte rotative pour un bain, il vaut mieux ne pas le faire. Pourquoi? Pendant le fonctionnement, la structure laissera passer partiellement la vapeur lorsqu'elle sera fermée. Et le nettoyage à l'air libre est difficile à réaliser.
Il existe trois façons d'installer le portail :
- Installation du produit dans l'insert de cheminée. A cet effet, il est installé à une distance de 100 cm de l'appareil de chauffage (poêle, cheminée, chaudière), ce qui simplifie le fonctionnement.
- La méthode tuyau à tuyau est basée sur la combinaison du robinet-vanne avec le reste des éléments du système de chauffage, sans l'utilisation de fixations supplémentaires.
- Installation de la vanne directement dans le tuyau de ventilation. Le but d'une telle manipulation est complètement différent. La vanne est plus nécessaire pour protéger les canaux de la pénétration d'objets étrangers, de débris, de pluie et d'animaux.Ceci est fait pour protéger le moteur du ventilateur.

Il existe deux options pour savoir comment procéder si vous devez installer une vanne. La première consiste simplement à acheter un kit et à faire l'installation vous-même selon les instructions du fabricant. La seconde consiste à fabriquer soi-même un registre de cheminée. Nous examinerons les options pour créer à la fois un dispositif rotatif et un dispositif horizontal.
Matériaux et outils
En plus des différences structurelles, les types de portes peuvent différer dans le matériau de fabrication. La seule option possible est le métal, car seul il ne brûle pas et ne se déforme pas à haute température, et au fil du temps, même dans un environnement agressif, il ne change pas ses caractéristiques.
Pour la production, on utilise soit de la fonte, soit de l'acier inoxydable. Il n'est pas possible de construire indépendamment un amortisseur en fonte, car cela nécessite au moins une forge. Cependant, en vente, vous pouvez trouver des volets en fonte indescriptibles et magnifiquement conçus.

Barrière pivotante en fonte avec poignée confortable. Cette conception convient à une cheminée en brique de section rectangulaire pouvant supporter un poids assez lourd de l'appareil.
Les produits en acier semblent plus simples, mais leurs caractéristiques sont similaires à celles de leurs homologues en fonte. L'avantage des luminaires en acier est leur légèreté.
Si un registre en fonte pour une cheminée de poêle est installé uniquement sur une structure solide et permanente, une vanne en acier convient à tous les conduits de cheminée - brique et acier, rectangulaire et rond, solide et léger.

Échantillons d'un registre coulissant en acier galvanisé, le diamètre de la section de cheminée est de 150 mm. Galvanisé, contrairement à l'acier ordinaire, ne réagit pas à l'humidité (condensat) et ne se corrode pas

Une vanne en acier modeste suffit pour un poêle de campagne de chauffage, tandis qu'une porte en fonte sur mesure convient mieux pour ennoblir un poêle russe dans un chalet.
• métal de 3 ± 0,5 mm d'épaisseur: des feuilles plus minces brûleront rapidement, de plus, sous l'influence d'une température élevée, elles peuvent être conduites et le four deviendra informe; le métal à paroi épaisse se réchauffera très longtemps;
• un tuyau pour une cheminée ;
• barres 16 mm ;

• une feuille de métal d'une épaisseur de 0,3 mm pour la construction d'un caisson de récupération des cendres ;
• ruban à mesurer, règle, craie;
• poste à souder 140-200A ;
• meuleuse pour couper le métal; pour faire des trous ronds, il est plus pratique d'utiliser un coupe-gaz;
• une brosse métallique pour le nettoyage des lieux de soudure ;
• meule émeri pour monter les portes;
• perceuse et perceuses.
Installation
L'installation de ce plafond nécessite une préparation préalable et des connaissances pertinentes. Dans un premier temps, vous devez poser la cheminée jusqu'au 7e rang. Après cela, une solution est appliquée sur la surface et un cadre spécial pour la porte est placé. Pour un maximum de commodité, vous pouvez créer un évidement semi-circulaire. Cela rendra le volet plus facile à déplacer.
Installation d'un robinet-vanne dans une cheminée en brique
Le cadre est nivelé de manière à ne pas dépasser dans le trou de la cheminée, un mortier est appliqué sur le dessus et une brique est posée de la manière habituelle. Chaque espace au niveau des coutures doit être traité avec du mortier de ciment, car les fissures de la cheminée contribuent à la turbulence de l'air et réduisent la qualité du tirage.De plus, ils contribueront à la pénétration de fumée et de gaz nocifs dans l'espace de vie. Il est donc préférable de vérifier soigneusement s'il y a des trous ici après avoir terminé les travaux. Des attaches supplémentaires ne sont pas nécessaires.
Naturellement, comprendre, sur la base des instructions textuelles, n'est pas si simple. Vous pouvez faire beaucoup d'erreurs, ce qui entraînera à l'avenir de graves conséquences. Pour une clarté maximale, il est préférable de regarder d'abord les vidéos qui décrivent le processus d'installation de cette vanne. Travail réussi !
Fabrication de bricolage
Si vous le souhaitez, une porte de tout type peut être construite de vos propres mains. Nécessite une machine à souder pour fonctionner et bulgare. Au départ, vous devez prendre des mesures précises du tuyau afin que la vanne à tiroir ne soit pas bien ajustée dans le tuyau. Si l'exigence n'est pas respectée, il y a un risque de coincement du registre lorsque le tuyau est chauffé. Trop de dégagement rend difficile le réglage de la force de traction.
Matériaux utilisés dans la fabrication d'un robinet à guillotine pour cheminée de type rotatif :
- ébauches de tubes en acier inoxydable d'un diamètre intérieur de 6 mm ;
- clous;
- tôle d'acier inoxydable de 2 mm de large;
- boulons d'un diamètre de 8 mm.
Fabrication:
- Après avoir mesuré le diamètre intérieur du tuyau, transférez les dimensions sur la tôle d'acier.
- Couper des cercles, poncer.
- Essayez la pièce sur l'amortisseur et coupez la section souhaitée.
- Percez des trous pour les filetages.
- Souder les amortisseurs au tuyau.
- Faites des trous sur la cheminée, installez des registres.
Pour faire maison porte coulissante vous aurez besoin d'une ébauche de valve, d'un cadre de guidage. L'élément coulissant est prédécoupé aux dimensions souhaitées, correspondant aux dimensions de la cheminée. Pliez un côté pour faciliter les mouvements pendant l'utilisation.Effectuer le meulage. Découpez la plaque pour l'élément coulissant. Connectez les pièces par soudure et fixez sur le tuyau.
Fabrication de portail coulissant
Porte coulissante
La conception de la vanne à vanne se compose de la vanne elle-même et du cadre de guidage. Vous devez d'abord mesurer la section interne du tuyau ou de la cheminée en brique. Selon les mesures, une vanne rectangulaire est découpée dans une tôle d'acier de 4 à 5 mm d'épaisseur. D'une part, un pli longitudinal est réalisé avec une largeur de 20-30 mm, de sorte qu'il est plus pratique d'étendre l'amortisseur. Toutes les sections sont soigneusement polies, tout en réduisant la taille du produit de 1 à 2 mm de chaque côté. Cela assurera le libre mouvement du registre à l'intérieur de la cheminée.
Schéma de porte
Si la cheminée est en acier et a une forme rectangulaire, le cadre est constitué d'une bande d'acier de 2 mm d'épaisseur et de 30 à 35 mm de largeur. La bande est pliée en laissant un espace le long de l'épaisseur de la plaque, puis elle est coupée en deux endroits à un angle de 45 degrés et en forme de U. Les espaces aux endroits des coupes sont soudés bout à bout. Les extrémités du profil fait maison sont reliées par deux pièces métalliques, en les positionnant de manière à ce que la lame de soupape passe librement entre elles. Vous devriez obtenir un cadre rectangulaire avec des rainures pour la porte. Dans ce cas, le périmètre intérieur du cadre doit nécessairement être égal à la section transversale de la cheminée.
Fabrication de robinets-vannes
Conception de porte prête à l'emploi pour une cheminée ronde
Maintenant, les feuilles doivent être reliées par soudage sur trois côtés autour du périmètre afin que les trous pour le tuyau coïncident et qu'il y ait un espace de 4 à 5 mm entre les feuilles supérieure et inférieure. Après cela, il ne reste plus qu'à insérer la vanne et à fixer la porte sur le tuyau.
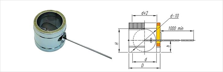
Instructions de fabrication du papillon des gaz
Pour fabriquer une vanne rotative, vous aurez besoin de plus d'outils et de temps.Le plus souvent, ce type de registre est utilisé pour une cheminée en métal pour les cheminées modernes et les poêles autoportants en métal.
Un ensemble d'outils pour le travail:
- Bulgare;
- perceuse;
- pinces;
- Machine de soudage;
- boussole;
- roulette;
- marqueur de marquage.
Pour la fabrication du portail, tôle d'acier jusqu'à 3 mm d'épaisseur, inoxydable diamètre intérieur du tuyau 6 mm, fixations (boulons, écrous) 8 mm, barre métallique.
- Tout d'abord, mesurez le diamètre intérieur du tuyau de cheminée avec un compas.
- Selon lui, tracez un cercle sur de la tôle d'acier.
- Le bulgare a coupé un cercle.
- Placez le fragment coupé dans le tuyau et vérifiez l'ajustement. Si nécessaire, finissez le volet avec un disque de meulage.
- Placer un tube métallique de 6 cm de diamètre sur un cercle au centre et y faire des marques en reculant de 3 mm de chaque côté du cercle.
- Couper le tube avec une meuleuse.
- Dans la section de tuyau résultante, percez le filetage à 6,8 mm des deux côtés.
- Percez des trous pour le soudage dans le cercle d'acier (un au centre, deux à 1 cm du bord sur les côtés opposés).
- Souder le tube fileté au cercle en acier.
Le registre à glissière est prêt, il reste à l'installer dans le tuyau de cheminée.
Les règles de sécurité
Lorsque le registre est complètement fermé, le monoxyde de carbone pénètre dans la pièce - il n'est pas visible, pas entendu, il arrive qu'il n'y ait pas d'odeur. Une exception peut être un verrou avec un verrou. Dans le poêle du sauna, vous ne devez pas fermer le registre tant que le bois de chauffage ne s'est pas éteint et que les charbons ne sont pas recouverts d'une couche de cendre.
Lors du choix du type de portail, tenez compte de ses inconvénients, par exemple, pensez que si vous avez une cheminée droite, il vous sera difficile de vous débarrasser de la suie.
Avant de faire une conception et de l'installer vous-même, consultez un spécialiste qui calculera le niveau de poussée de votre poêle. Pour ce faire, les professionnels utilisent une formule spéciale. Prends soin de toi!

















































