Système de chauffage à circulation d'eau forcée: schémas, options de mise en œuvre, détails techniques

Types de chauffage de l'eau - systèmes, câblage, avantages et inconvénients

Quels matériaux sont nécessaires pour connecter les restrictions lors du choix d'une pompe

Le dispositif d'un système de chauffage avec chauffage à eau, fonctionnant sur la base d'une circulation naturelle ou forcée, vous permettra de créer le niveau de chaleur nécessaire dans la pièce. Ce processus ne dépendra pas du chauffage central. Pour que la pompe de circulation déplace correctement l'eau dans le système de chauffage forcé. il doit être installé correctement.L'installation de la structure de la pompe ne nécessite pas beaucoup d'espace. Selon le schéma de connexion, parmi les composants du système de chauffage, ainsi que la pompe, il doit y avoir des pièces et des outils tels que:

Installation correcte de la pompe de circulation.

  1. réservoir à membranes.
  2. Filtre à mailles.
  3. Connexion d'embrayage.
  4. Bloc de contrôle.
  5. Système de signalisation.
  6. Vannes.
  7. Ligne de maquillage système.
  8. Mise à la terre.
  9. Pompe de circulation.
  10. Capteurs d'alarme et de température.
  11. Clés (19-36 mm).
  12. Clapet anti-retour.
  13. Contourne.
  14. Vanne d'arrêt.
  15. Prise de courant.
  16. Cordon électrique.
  17. Machine de soudage.

Le système de circulation forcée vous permet de cacher le pipeline principal profondément dans le mur.

Afin d'optimiser le système de chauffage, il est nécessaire d'examiner attentivement son fonctionnement avec la pompe installée. La sélection correcte de l'appareil, c'est-à-dire équipé d'un filetage détachable, accélérera l'installation de la pompe. Cela vous permettra de ne pas acheter de connexions séparément. Après avoir effectué les travaux préparatoires, vous devez lire les instructions de la pompe achetée et le schéma de son appareil afin de procéder vous-même à l'installation en toute confiance.

La connexion de la pompe de circulation au chauffage est une procédure populaire nécessaire pour créer la pression requise pendant le fonctionnement de l'ensemble du système. Dans ce cas, il devient possible de créer des structures dont les principes de connexion et de fonctionnement sont différents.

Le système de circulation naturelle, contrairement au système forcé, ne rendra pas le retour et le pipeline principal invisibles, c'est-à-dire les cachera dans la partie inférieure du mur. Avec une petite hauteur des pièces, une partie de la fenêtre sera bloquée par le tuyau d'injection, ce qui perturbera l'apparence de la pièce.

Principales différences

Les systèmes de chauffage utilisant un caloporteur liquide sont divisés en 2 types principaux - ce sont les monotubes et les bitubes. Les différences entre ces schémas résident dans la méthode de connexion des radiateurs à dégagement de chaleur au principal. La ligne principale d'un système de chauffage monotube est un circuit circulaire fermé. La conduite de chauffage est posée à partir de l'appareil de chauffage, les batteries y sont connectées en série et ramenées à la chaudière. Le système de chauffage avec une canalisation est facile à installer et ne comporte pas un grand nombre de composants, il permet donc d'économiser beaucoup sur l'installation.

Les structures de chauffage monotube avec mouvement naturel du liquide de refroidissement sont construites uniquement avec un câblage supérieur. Une caractéristique distinctive est que dans les schémas, il y a des colonnes montantes de la conduite d'alimentation, mais il n'y a pas de colonnes montantes pour le tuyau de retour. Le mouvement du liquide de refroidissement d'un système de chauffage à double circuit est réalisé le long de 2 autoroutes. Le premier est conçu pour acheminer le liquide de refroidissement chaud du dispositif de chauffage vers les circuits de dégagement de chaleur, le second - pour évacuer le liquide de refroidissement refroidi vers la chaudière.

Les radiateurs de chauffage sont connectés en parallèle - le liquide de refroidissement chauffé entre dans chacun d'eux directement à partir du circuit d'alimentation, grâce auquel il a une température presque égale. Dans la batterie, l'eau dégage de l'énergie et, refroidie, est envoyée au tuyau de sortie - le "retour". Un tel système nécessite deux fois plus de tuyaux, raccords et raccords, cependant, il permet d'organiser des structures ramifiées complexes et de réduire les coûts de chauffage grâce à la régulation individuelle des batteries. Le système à double circuit chauffe les grandes pièces et les bâtiments à plusieurs étages avec un rendement élevé.Dans les immeubles de faible hauteur (1-2 étages) et les maisons d'une superficie inférieure à 150 m², il est plus rationnel de construire une alimentation en chaleur à circuit unique, tant d'un point de vue financier qu'esthétique.

Nous fabriquons de nos propres mains un système de chauffage fermé d'une maison privée

La construction massive de maisons privées nécessite l'amélioration de nombreux systèmes - égouts, chauffage, canalisations. Après tout, il est nécessaire de monter des structures entières en peu de temps. Pendant de nombreuses années, la préférence a été donnée à un système de chauffage ouvert. Cependant, ces dernières années, cette tendance a commencé à changer. De plus en plus, un système de chauffage fermé d'une maison privée est installé. Quelle est la différence entre ces structures ?

Caractéristiques d'un système de chauffage ouvert et d'un système fermé

Au moment du lancement du système de chauffage de type ouvert, les performances de tous les éléments structurels doivent être vérifiées. Tout d'abord, il est nécessaire d'assurer un fonctionnement ininterrompu de la pompe. Après tout, c'est lui qui assure la circulation du liquide de refroidissement dans le système. Le principal avantage de ce type de chauffage est la possibilité d'installer des éléments structurels supplémentaires.

Système de chauffage fermé - le système est placé dans le domaine public. Cependant, n'effectuez pas de travaux sans calcul préalable. Ceci s'applique également au type de chauffage ouvert à la maison. Il convient de noter qu'un système de chauffage fermé à monter soi-même présente plus d'avantages que d'inconvénients.

Dans une structure ouverte, le contact entre le fluide caloporteur et l'atmosphère n'est pas souhaitable. Malheureusement, cela ne peut être évité. Et en conséquence, de l'air apparaît dans le pipeline.

Système de chauffage à circulation d'eau forcée: schémas, options de mise en œuvre, détails techniques

Ensemble complet de chauffe-eau de type fermé

Lors de l'installation d'un système de chauffage fermé d'une maison privée, il est important d'assurer une isolation complète de l'influence de l'environnement. C'est pourquoi il est nécessaire d'effectuer l'installation aussi clairement que possible, conformément au schéma. Le dessin indique également les détails et l'assemblage de la structure chauffante.

Le dessin indique également les détails et l'assemblage de la structure chauffante.

  1. Une chaudière de type fermé est l'un des éléments importants du système de chauffage.
  2. Vannes automatiques d'air, d'équilibrage, de sécurité et thermostatiques.
  3. Un certain nombre de radiateurs de chauffage (selon devis).
  4. Vase d'expansion de haute qualité.
  5. Vanne à bille et pompe.
  6. N'oubliez pas le filtre et le manomètre.
Lire aussi :  Pression optimale dans un système de chauffage de type fermé

Système de chauffage à circulation d'eau forcée: schémas, options de mise en œuvre, détails techniques

Règles pour choisir une chaudière pour le chauffage fermé

Nous vous conseillons d'évaluer la puissance de la chaudière. Si vous envisagez de chauffer une maison dont la hauteur des ruisseaux peut atteindre 3 mètres, sélectionnez-la comme ceci: pour chaque 10 m². m chambre nécessite 1 kW. Bien entendu, il s'agit d'un chiffre moyen. Après tout, un système de chauffage fermé à monter soi-même doit également être fiable.

Cela signifie qu'il existe de nombreuses exigences pour les matériaux. N'oubliez pas qu'il est préférable de confier les calculs à un ingénieur. Seulement dans ce cas, la maison se réchauffera complètement dans le froid.

Le principe de fonctionnement d'un système de chauffage fermé

Il se compose de 2 compartiments - chambre hydraulique et chambre à gaz. Lorsqu'elle est chauffée, l'eau pénètre dans une chambre de type hydraulique. L'azote est fourni au compartiment de gaz sous pression.

Système de chauffage à circulation d'eau forcée: schémas, options de mise en œuvre, détails techniques

Installation d'une ligne d'alimentation pour un système de chauffage fermé

Le fonctionnement du système de chauffage dépend directement de la capacité à maintenir la pression de fonctionnement et le volume du liquide de refroidissement

Il est très important que ces 2 paramètres soient constants. Malheureusement, la création d'étanchéité dans le chauffage ne peut pas être réalisée dans son intégralité. Par conséquent, les fuites d'eau

Par conséquent, nous ne devons pas oublier le réapprovisionnement périodique du liquide de refroidissement

Par conséquent, des fuites d'eau se produisent. Par conséquent, nous ne devons pas oublier le réapprovisionnement périodique du liquide de refroidissement.

Il convient de noter que la recharge d'un système de chauffage fermé comprend les composants suivants :

  1. La vanne d'appoint automatique est située à l'endroit où la pression est la plus basse (généralement avant l'entrée des pompes principales).
  2. Un robinet s'écrase dans le pipeline. Il est également nécessaire de monter un robinet-vanne et une vanne contrôlée. Cela vous permettra de contrôler le remplissage du système de chauffage fermé.
  3. Vous pouvez éviter les fuites accidentelles d'eau dans la conduite d'alimentation en installant un clapet anti-retour. Dans ce cas, la haute pression dans le système de chauffage fermé ne provoquera pas de dépressurisation de l'ensemble du système.
  4. L'utilisation de manomètres est proposée comme dispositifs de contrôle. Ces petits appareils aideront à garder une trace de tout changement dans le système de chauffage.

Installation d'un système de chauffage fermé

  1. Élaboration d'un schéma de la structure de chauffage.
  2. Pose de chaudière.
  3. Pose de radiateurs.
  4. Pose d'une canalisation et offrant la possibilité d'alimenter un système de chauffage fermé.
  5. Placement de la pompe, du réservoir, des raccords et des robinets. Des filtres sont également installés à ce stade.
  6. Installation de manomètres pour contrôler la pression dans un système de chauffage fermé.
  7. Raccordement des appareils de mesure et de la chaudière à la ligne électrique.
  8. Démarrage et vérification du remplissage d'un système de chauffage fermé.

Ceci complète la technologie d'installation du système de chauffage.

Système de chauffage à circulation d'eau forcée: schémas, options de mise en œuvre, détails techniques

De quoi est composé le système de chauffage ?

Du nom lui-même - un système de chauffage à eau, il devient clair que l'eau est nécessaire pour son fonctionnement. Dans ce cas, il s'agit d'un fluide caloporteur qui circule constamment en boucle fermée. L'eau est chauffée dans une chaudière spéciale, puis - par des tuyaux, elle est acheminée vers l'élément chauffant principal, qui peut être un système de "plancher chaud" ou des radiateurs.

Bien sûr, pour un fonctionnement meilleur, plus sûr et plus économique du système, vous pouvez utiliser un grand nombre d'équipements auxiliaires. Cependant, le système de chauffage de l'eau le plus simple ressemble à ceci :

Les principaux éléments du système de chauffage

Les systèmes de chauffage peuvent différer selon le principe de circulation du liquide de refroidissement :

  • chauffe-eau à circulation forcée;
  • avec du naturel.

Système de circulation naturelle

Un système à circulation naturelle est un exemple parfait de l'utilisation par l'homme des lois élémentaires de la physique. Le principe de son fonctionnement est en fait simple - le mouvement du liquide de refroidissement dans les tuyaux se produit en raison de la différence de densité de l'eau froide et de l'eau chaude.

Système de chauffage à circulation naturelle

C'est-à-dire que le liquide de refroidissement chauffé dans la chaudière devient plus léger, sa densité diminue. L'eau chaude est déplacée de la chaudière par le liquide de refroidissement froid qui y pénètre et se précipite facilement dans la colonne montante centrale. Et de là - aux radiateurs. Là, le liquide de refroidissement dégage sa chaleur, se refroidit et, ayant retrouvé sa lourdeur et sa densité antérieures, retourne à travers les tuyaux de retour vers la chaudière de chauffage - en déplaçant une nouvelle partie du liquide de refroidissement chaud. Et ce cycle se répète indéfiniment.

Afin de créer indépendamment un système de chauffage de l'eau avec circulation naturelle du liquide de refroidissement, il est important de se rappeler quelques règles simples. Tout d'abord, vous devez sélectionner des tuyaux du diamètre le plus approprié pour créer une colonne montante centrale et, en outre, respecter l'angle d'inclinaison requis lors de la pose des tuyaux. Cependant, le système de circulation naturelle présente également plusieurs inconvénients importants.

Tout d'abord, la nécessité d'utiliser des tuyaux en métal lourd (des difficultés surviennent lors de l'installation). De plus, un tel système exclut la possibilité de réguler le niveau de chauffage de chaque pièce individuelle. Un autre inconvénient du système peut être appelé consommation de carburant élevée.

Cependant, le système de circulation naturelle présente également plusieurs inconvénients importants. Tout d'abord, la nécessité d'utiliser des tuyaux en métal lourd (des difficultés surviennent lors de l'installation). De plus, un tel système exclut la possibilité de réguler le niveau de chauffage de chaque pièce individuelle. Un autre inconvénient du système peut être appelé une consommation de carburant élevée.

Système à circulation forcée du liquide de refroidissement

Système de chauffage avec circulation forcée du liquide de refroidissement

Une caractéristique distinctive de ce type de système est l'ajout obligatoire d'une pompe de circulation. C'est lui qui contribue au mouvement du liquide de refroidissement à travers les tuyaux. Le schéma du système ressemble à ceci :

L'un des principaux avantages d'un système à circulation forcée est qu'un tel chauffage de l'eau à partir de l'électricité permet de contrôler le niveau de pression dans chaque radiateur via des vannes spéciales - ainsi, le niveau de chauffage de la pièce est également contrôlé.Ce fait permet, dans une certaine mesure, de réduire la quantité de carburant utilisée pour chauffer le liquide de refroidissement.

L'inconvénient du système est sa dépendance énergétique. Dans l'éventualité où des surtensions ou des pannes de courant seraient possibles dans votre maison, la solution la plus raisonnable serait d'utiliser un système combiné combinant circulation forcée et naturelle du liquide de refroidissement.

Lire aussi :  Chauffage de garage économique de vos propres mains: comment réduire les pertes de chaleur et mieux chauffer

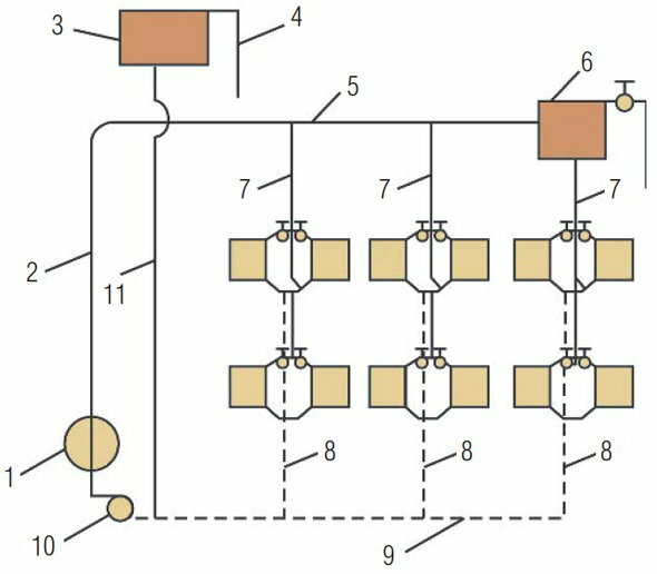
Installation de système de chauffage

Le plus pratique est la création d'un système de chauffage à deux tuyaux dans la maison. Il se compose de deux circuits combinés, le long de l'un desquels (tuyaux d'alimentation) un liquide de refroidissement chaud se dirige vers les radiateurs. Et l'eau refroidie du radiateur retourne à la chaudière par le deuxième circuit - les tuyaux de retour.

Le mouvement du liquide de refroidissement dans le système de chauffage

Un système de chauffage à circulation forcée à deux tuyaux est une excellente solution pour toute maison privée. Il vous permet de connecter des thermostats spéciaux qui vous permettent de contrôler le degré de chauffage de chaque radiateur individuel. Le système peut être complété par des collecteurs spéciaux, ce qui le rendra encore plus efficace.

6 Façons de fournir du liquide de refroidissement

Selon l'emplacement du pipeline, il existe deux options pour la tuyauterie - supérieure et inférieure. Dans les systèmes de chauffage ouverts avec le premier type de câblage, il n'est pas nécessaire d'installer des unités de sortie d'air supplémentaires. Ses résidus sont automatiquement évacués à travers la surface du vase d'expansion.

Système de chauffage à circulation d'eau forcée: schémas, options de mise en œuvre, détails techniques

De plus, avec cette option d'installation, le liquide de refroidissement chaud se déplace le long de la colonne montante principale, puis pénètre dans les radiateurs par les tuyaux de distribution.Le système est idéal pour les pièces à un ou deux étages, ainsi que pour les petites maisons privées.

La deuxième option, qui implique l'utilisation d'un câblage inférieur, est considérée comme plus pratique et efficace. Dans ce cas, le tuyau d'alimentation est en bas (près du retour), et le liquide de refroidissement circule dans le sens du bas vers le haut. Après avoir traversé les radiateurs, le liquide de refroidissement retourne à la chaudière par la ligne de retour. Toutes les batteries ont une valve Mayevsky spéciale qui vous permet d'éliminer l'air des tuyaux.

Circulation gravitaire

Dans les systèmes où le liquide de refroidissement circule naturellement, il n'y a pas de mécanismes pour favoriser le mouvement du fluide. Le processus est effectué en raison de la dilatation du liquide de refroidissement chauffé. Pour que ce type de système fonctionne efficacement, une colonne montante accélératrice d'une hauteur de 3,5 mètres ou plus est installée.

Le principal dans le système de chauffage avec circulation naturelle du liquide a certaines restrictions de longueur, en particulier, il ne doit pas dépasser 30 mètres. Par conséquent, un tel apport de chaleur peut être utilisé dans de petits bâtiments, dans ce cas les maisons sont considérées comme la meilleure option, dont la superficie ne dépasse pas 60 m2. La hauteur de la maison et le nombre d'étages sont également d'une grande importance lors de l'installation d'une colonne montante accélératrice. Un autre facteur doit être pris en compte, dans un système de chauffage à circulation naturelle, le liquide de refroidissement doit être chauffé à une certaine température; en mode basse température, la pression requise n'est pas créée.

Le schéma avec le mouvement gravitationnel d'un fluide a certaines possibilités:

  • Combinaison avec des systèmes de chauffage par le sol. Dans ce cas, une pompe de circulation est installée sur le circuit d'eau menant aux éléments chauffants.Sinon, l'opération s'effectue dans le mode habituel, sans arrêt même en l'absence d'alimentation.
  • Travaux de chaudronnerie. L'appareil est installé dans la partie supérieure du système, mais à un niveau inférieur à celui du vase d'expansion. Dans certains cas, une pompe est installée sur la chaudière pour assurer son bon fonctionnement. Cependant, il faut comprendre que dans une telle situation le système devient forcé, ce qui rend nécessaire l'installation d'un clapet anti-retour pour empêcher la recirculation du fluide.

Où mettre

Il est recommandé d'installer une pompe de circulation après la chaudière, avant la première branche, mais cela n'a pas d'importance sur la conduite d'alimentation ou de retour. Les unités modernes sont fabriquées à partir de matériaux qui tolèrent normalement des températures allant jusqu'à 100-115 ° C. Il existe peu de systèmes de chauffage qui fonctionnent avec un liquide de refroidissement plus chaud, donc les considérations d'une température plus «confortable» sont intenables, mais si vous êtes si calme, mettez-le dans la conduite de retour.

Peut être installé dans la canalisation de retour ou directe après/avant la chaudière jusqu'au premier embranchement

Il n'y a pas de différence dans l'hydraulique - la chaudière et le reste du système, peu importe qu'il y ait une pompe dans la branche d'alimentation ou de retour. Ce qui compte, c'est la bonne installation, dans le sens du liage, et la bonne orientation du rotor dans l'espace

Rien d'autre ne compte

Il y a un point important sur le site d'installation. S'il y a deux branches distinctes dans le système de chauffage - sur les ailes droite et gauche de la maison ou aux premier et deuxième étages - il est logique de mettre une unité séparée sur chacune, et non une commune - directement après la chaudière. De plus, la même règle est conservée sur ces branches : immédiatement après la chaudière, avant la première branche de ce circuit de chauffage.Cela permettra de définir le régime thermique requis dans chacune des parties de la maison indépendamment de l'autre, ainsi que d'économiser sur le chauffage dans les maisons à deux étages. Comment? En raison du fait que le deuxième étage est généralement beaucoup plus chaud que le premier étage et que beaucoup moins de chaleur y est nécessaire. S'il y a deux pompes dans la branche qui monte, la vitesse du liquide de refroidissement est beaucoup moins réglée, ce qui vous permet de brûler moins de carburant et sans compromettre le confort de vie.

Il existe deux types de systèmes de chauffage - à circulation forcée et naturelle. Les systèmes à circulation forcée ne peuvent pas fonctionner sans pompe, avec une circulation naturelle, ils fonctionnent, mais dans ce mode, ils ont un transfert de chaleur inférieur. Cependant, moins de chaleur vaut toujours mieux que pas de chaleur du tout, donc dans les zones où l'électricité est souvent coupée, le système est conçu comme hydraulique (avec circulation naturelle), puis une pompe y est enfoncée. Cela donne une efficacité et une fiabilité élevées du chauffage. Il est clair que l'installation d'une pompe de circulation dans ces systèmes présente des différences.

Tous les systèmes de chauffage avec chauffage au sol sont forcés - sans pompe, le liquide de refroidissement ne traversera pas de si grands circuits

Lire aussi :  Comment choisir un convecteur électrique

circulation forcée

Puisqu'un système de chauffage à circulation forcée est inopérant sans pompe, il est installé directement dans l'interstice du tuyau d'alimentation ou de retour (au choix).

La plupart des problèmes avec la pompe de circulation sont dus à la présence d'impuretés mécaniques (sable, autres particules abrasives) dans le liquide de refroidissement. Ils sont capables de bloquer la roue et d'arrêter le moteur.Par conséquent, une crépine doit être placée devant l'appareil.

Installation d'une pompe de circulation dans un système à circulation forcée

Il est également souhaitable d'installer des vannes à bille des deux côtés. Ils permettront de remplacer ou de réparer l'appareil sans vidanger le liquide de refroidissement du système. Fermez les robinets, retirez l'appareil. Seule la partie de l'eau qui se trouvait directement dans cette partie du système est drainée.

circulation naturelle

La tuyauterie de la pompe de circulation dans les systèmes gravitaires présente une différence significative - une dérivation est nécessaire. Il s'agit d'un cavalier qui rend le système opérationnel lorsque la pompe ne fonctionne pas. Une vanne d'arrêt à bille est installée sur la dérivation, qui est fermée en permanence pendant le pompage. Dans ce mode, le système fonctionne comme un système forcé.

Schéma d'installation d'une pompe de circulation dans un système à circulation naturelle

En cas de panne d'électricité ou de panne de l'unité, le robinet du cavalier est ouvert, le robinet menant à la pompe est fermé, le système fonctionne comme un système gravitationnel.

Caractéristiques de montage

Il y a un point important, sans lequel l'installation de la pompe de circulation nécessitera une modification: il faut faire tourner le rotor pour qu'il soit dirigé horizontalement. Le deuxième point est la direction du flux. Il y a une flèche sur le corps indiquant dans quelle direction le liquide de refroidissement doit s'écouler. Retournez donc l'appareil de manière à ce que le sens de déplacement du liquide de refroidissement soit "dans le sens de la flèche".

La pompe elle-même peut être installée à la fois horizontalement et verticalement, uniquement lors du choix d'un modèle, veillez à ce qu'elle puisse fonctionner dans les deux positions. Et encore une chose: avec une disposition verticale, la puissance (pression créée) chute d'environ 30%.Ceci doit être pris en compte lors du choix d'un modèle.

Chauffer une maison sans pompe. Deux options éprouvées

Système de chauffage à circulation d'eau forcée: schémas, options de mise en œuvre, détails techniques

Jusqu'aux années 90 du siècle dernier, le chauffage d'une maison sans pompe était le seul disponible, car la direction de la fabrication des pompes de circulation et leur promotion auprès des masses n'étaient pas développées. Ainsi, les propriétaires et les promoteurs de maisons privées ont été contraints d'installer le chauffage dans leurs maisons sans pompe.

Mais lorsque de bons équipements de chaudière, des tuyaux et des pompes de circulation compactes ont commencé à être introduits dans la CEI dans les années 90, la situation a radicalement changé. Tout le monde a commencé à installer des systèmes de chauffage. qui ne fonctionnent pas sans pompe. Ils ont commencé à oublier les systèmes gravitaires. Mais aujourd'hui, la situation est en train de changer. Les promoteurs de maisons privées rappellent à nouveau le chauffage de la maison sans pompes. Depuis partout, vous pouvez suivre les interruptions et les pénuries d'électricité, ce qui est si nécessaire au fonctionnement de la pompe de circulation.

La question de la qualité et de la quantité de l'approvisionnement en électricité est particulièrement aiguë dans les nouveaux bâtiments.

Système de chauffage à circulation d'eau forcée: schémas, options de mise en œuvre, détails techniques

C'est pourquoi aujourd'hui, plus que jamais, on se souvient d'un proverbe : "Tout ce qui est nouveau est un ancien bien oublié !". Ce proverbe est très pertinent aujourd'hui, pour chauffer une maison sans pompe.

Par exemple, auparavant, seuls des tuyaux en acier, des chaudières artisanales et des vases d'expansion ouverts étaient utilisés pour le chauffage. Les chaudières étaient de faible efficacité, les tuyaux étaient en acier volumineux et il n'est pas recommandé de les cacher dans les murs.

Les vases d'expansion étaient situés dans les greniers. à cause de cela, il y avait des pertes de chaleur et la menace d'une inondation du toit ou du gel des tuyaux dans le réservoir. Ce qui à son tour entraînait souvent une explosion de la chaudière, une rupture de canalisations et des pertes humaines.

Aujourd'hui, grâce aux chaudières, tuyaux et autres appareils de chauffage modernes, il est possible de réaliser un système de chauffage intelligent et économique sans pompe. Grâce aux chaudières économiques modernes, des économies importantes peuvent être réalisées.

Les tuyaux modernes en plastique ou en cuivre peuvent être facilement dissimulés dans les murs. Le même chauffage de la maison aujourd'hui peut être fait, à la fois avec des radiateurs et avec des sols chauds.

Aujourd'hui, il existe deux principaux systèmes de chauffage domestique sans pompe.

Le premier et le plus courant système s'appelle Leningradka. ou avec déversement horizontal.

La principale chose dans les systèmes de chauffage domestique sans pompe est la pente des tuyaux. Sans pente, le système ne fonctionnera pas. En raison de la pente, "Leningradka" n'est pas toujours adaptée, car les tuyaux parcourent tout le périmètre de la maison. De plus, en raison du fait que la pente peut ne pas être suffisante, vous devez abaisser la chaudière sous le niveau de votre plancher. La chaudière dans ce cas n'est pas pratique à chauffer et à nettoyer.

De plus, lors de l'installation d'un système de chauffage à la maison sans pompe Leningradka, les portes interfèrent le long du parcours des tuyaux. Dans ce cas, il est nécessaire de réaliser des appuis de fenêtre d'une hauteur d'au moins 900 mm.

Cela est nécessaire pour que le radiateur soit monté et qu'il y ait suffisamment de hauteur pour les tuyaux le long de la pente. Sinon, le système est assez efficace, avec des radiateurs en fonte, en acier et en aluminium.

Le deuxième système de chauffage domestique sans pompe s'appelle le "Spider" ou système vertical à déversement par le haut.

Aujourd'hui, c'est le système de chauffage domestique le plus fiable et le plus pratique sans pompe. L'essentiel est que le système "Spider" est dépourvu de tous les défauts de "Leningradka", à l'exception de la pente de la conduite de retour, en raison de laquelle la chaudière doit également être abaissée sous le sol.

Sinon, le système Spider est le système le plus efficace.Tous les radiateurs et chauffages au sol peuvent être vissés au système Spider. Il est possible de monter des vannes sous la tête thermique sur les radiateurs du système "Spider" et de cacher les tuyaux dans les murs, etc.

Aujourd'hui, il est de plus en plus nécessaire de recommander le système Spider aux développeurs, car. aujourd'hui, c'est un système de chauffage domestique idéal sans pompe.

Merci d'avoir lu cet article !

Système de chauffage à circulation d'eau forcée: schémas, options de mise en œuvre, détails techniques

Évaluation
Site sur la plomberie

Nous vous conseillons de lire

Où remplir la poudre dans la machine à laver et combien de poudre verser