- Bref aperçu des modèles populaires
- SHUN Contrôle Grundfos MP204
- SUN de l'ONG STOIK
- Armoires de la marque Grantor
- Armoires Wilo SK
- Comment choisir une armoire de commande de pompe
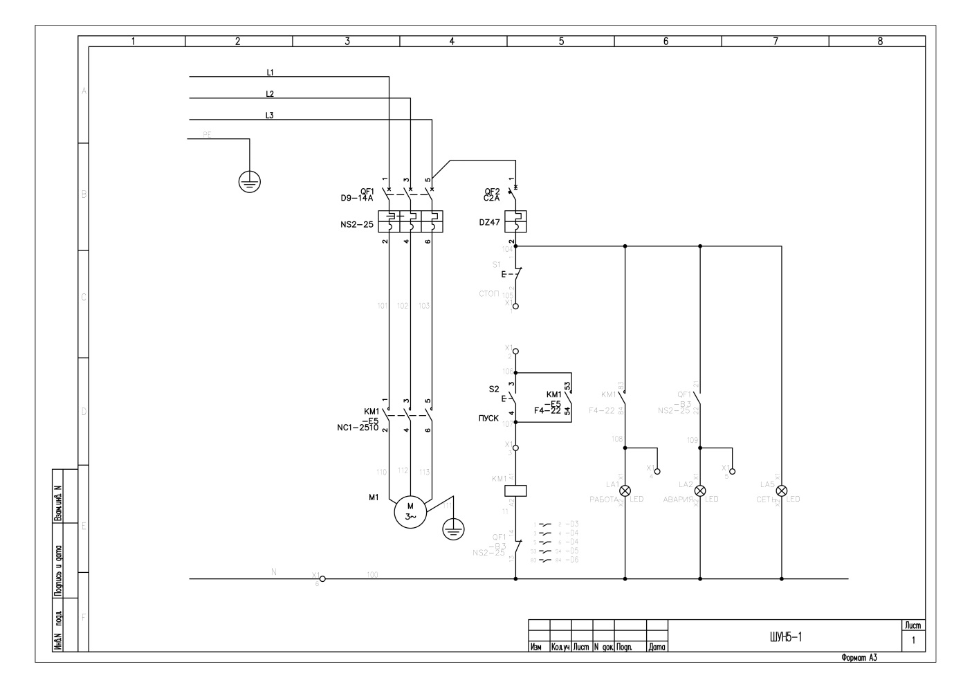
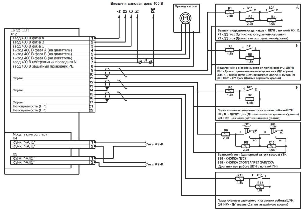
- Armoire de commande pour une pompe (SHUN-1)
- Armoires de commande pour plusieurs pompes (SHUN-2, SHUN-3, SHUN-4)
- Base Uponor X25.
- Intégralité du système d'automatisation de la station de pompage.
- Deux éléments distincts.
- Approche modulaire en blocs.
- Avantages d'une installation professionnelle
- Entretien et réparation
- Types et leurs caractéristiques
- Armoires de commande de pompes (SHUN)
- Armoires de commande de vannes (SHZ)
- Armoires de commande de ventilation (SHUV)
- Armoires de contrôle d'éclairage (SHUO)
- Armoires de commande de vannes (SHUK)
- Critères pour choisir le bon meuble
- Aperçu des modèles populaires
- Conclusion
Bref aperçu des modèles populaires
SHUN Contrôle Grundfos MP204
Les armoires de commande Grundfos Control MP204 sont conçues pour le fonctionnement automatique et la protection d'une pompe.

Les paramètres du Grundfos Control MP204 peuvent être ajustés manuellement et automatiquement, et il existe deux seuils : le premier est un avertissement, le second est un arrêt d'urgence. Un journal de trajet répertoriant les raisons de la réponse est stocké en mémoire
Caractéristiques:
- Tension - 380 V, 50 Hz
- Puissance moteur des équipements connectés - de 1,1 à 110 kW
- Plage de température – de -30°C à +40°C
- Degré de protection : IP54
L'avantage est la possibilité de transférer les données CIU et d'ajuster les paramètres via Grundfos GO.
SUN de l'ONG STOIK
Stations de contrôle pour les unités de pompage (SUN) de NPO STOIK. Conçu pour le contrôle automatique des pompes submersibles de prise d'eau et de vidange, pouvant desservir de 1 à 8 raccordements.

Un échantillon du SUN 30 kW dans un boîtier métallique à charnière avec un démarreur progressif Aucom et un convertisseur de fréquence Delta
Caractéristiques:
- Tension - 380 V, 50 Hz
- Puissance moteur des équipements connectés – de 0,75 à 220 kW
- Plage de température – de -10°C à +35°C
- Degré de protection : IP54
Parmi les fonctions de base figure l'activation automatique de la ventilation si la température à l'intérieur de l'armoire dépasse la norme.
Armoires de la marque Grantor
Les armoires multifonctionnelles de la marque Grantor sont conçues pour l'entretien des systèmes de circulation et de drainage.

Modes de fonctionnement possibles : circulation et vidange par un capteur analogique ou par un pressostat. Deux options pour l'algorithme de fonctionnement impliquent une mise en marche conjointe ou séquentielle des pompes
Caractéristiques:
- Tension - 1x220 V ou 3x380 V, 50 Hz
- Puissance moteur de l'équipement connecté - jusqu'à 7,5 kW pour chaque moteur
- Plage de température - de 0°С à +40 °С
- Degré de protection : IP65
En cas d'urgence et de panne du moteur de la pompe (en raison d'un court-circuit, d'une surcharge, d'une surchauffe), l'équipement s'éteint automatiquement et une option de secours est connectée.
Armoires Wilo SK
Les gammes SK-712, SK-FC, SK-FFS de la marque Wilo sont conçues pour piloter plusieurs pompes - de 1 à 6 pièces.

Plusieurs circuits automatiques à l'armoire Wilo SK-712 simplifient grandement le fonctionnement des stations de pompage
Caractéristiques:
- Tension -380 V, 50 Hz
- Puissance moteur des équipements connectés - de 0,37 à 450 kW
- Plage de température – de +1°C à +40°C
- Degré de protection : IP54
Pendant le fonctionnement, tous les paramètres technologiques sont affichés à l'écran. En cas d'urgence, un code d'erreur s'affiche.
Comment choisir une armoire de commande de pompe
La grande majorité des fabricants nationaux et étrangers modernes produisent des équipements entièrement prêts à fonctionner.
Afin de ne pas vous tromper lors de l'achat d'une armoire de commande de pompe, vous devez faire attention aux paramètres suivants:
- Année d'émission. Idéalement, elle doit correspondre à la date de production de l'équipement connecté.
- Paramètres et nombre d'agrégats pris en charge. Dans ce cas, il faut tenir compte de la puissance de l'appareil, du courant et de la tension de fonctionnement du moteur.
- Type de contrôle. Il peut être manuel, automatique et à distance.
- Des conditions de fonctionnement. Cela inclut des indicateurs aussi importants que la température et l'humidité.

De plus, lors de l'achat d'un SHUN, faites attention à ses performances, à sa qualité de fabrication et à sa compatibilité avec les pompes enfichables. Suivre ces règles simples vous aidera à éviter les erreurs et à acquérir un équipement durable et productif. Suivre ces règles simples vous aidera à éviter les erreurs et à acheter un équipement durable et productif.
Suivre ces règles simples vous aidera à éviter les erreurs et à acquérir un équipement durable et productif.
Armoire de commande pour une pompe (SHUN-1)
Les armoires de commande les plus simples sont les armoires de commande pour une pompe (SHUN-1). Pour son fonctionnement, il suffit d'installer un élément de contrôle - un contacteur, un démarreur progressif ou un convertisseur de fréquence. La logique de fonctionnement est la plus simple - allumer / éteindre la pompe sur un signal ou à partir des boutons "Démarrer", "Arrêter". Il est conseillé d'utiliser ShUN-1 dans les systèmes d'approvisionnement en eau domestiques, dans les systèmes de pompage de liquide, d'irrigation, de circulation, etc.
|
| ![]() | ![]() |
| Armoire de commande pour 1 pompe 75 kW avec convertisseur de fréquence ATV 630 basé sur équipement Schneider Electric | Armoire de commande pour 1 pompe 30 kW (démarrage progressif) basée sur démarreur progressif PSR, équipement Schneider Electric | Armoire de commande pour 1 pompe 4 kW avec convertisseur de fréquence ATV 212 basé sur équipement Schneider Electric |
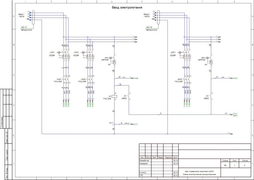
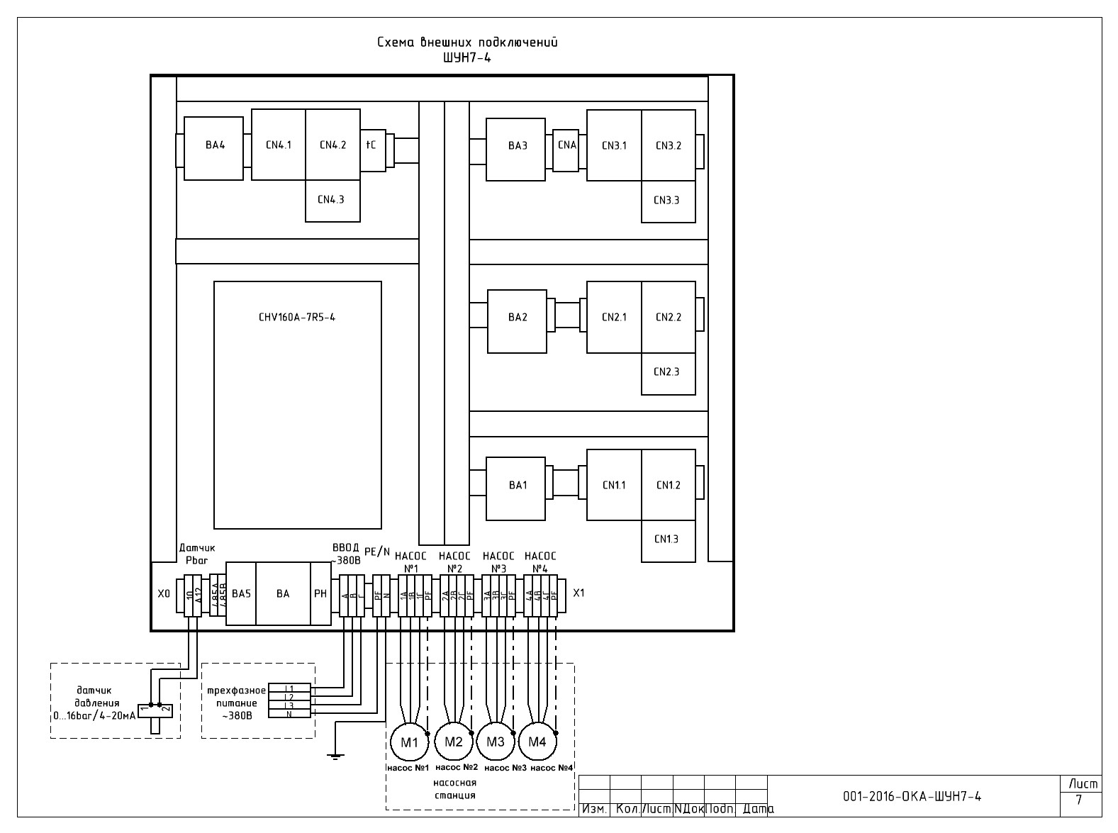
Armoires de commande pour plusieurs pompes (SHUN-2, SHUN-3, SHUN-4)
Si une logique de fonctionnement plus complexe est requise, ou une redondance pour les pompes, les armoires de commande sont utilisées simultanément pour 2, 3, 4 pompes ou plus (généralement elles sont appelées simplement, SHUN-2, SHUN-3, SHUN-4) .
De tels systèmes sont généralement utilisés dans les armoires de commande pour les pompes de circulation, les pompes de forage (submersibles) dans les systèmes d'approvisionnement en eau et d'assainissement. Mais l'utilisation la plus courante des armoires de commande pour plusieurs pompes se trouve dans les systèmes d'assainissement des bâtiments résidentiels (armoires de commande KNS), stations d'épuration ou eaux pluviales les égouts, où il faut assurer le pompage du liquide pour éviter que le niveau ne dépasse un certain niveau.
![]() | ![]() | ![]() | ![]() |
| Armoire de commande SPS avec ATS, 2 pompes (démarrage progressif), contrôleur Siemens Simatic S7-1200 basé sur l'équipement ABB | Armoire de commande pour 2 pompes avec un contrôleur Segnetics basé sur un équipement Schneider Electric | SHUDN - 2, 18,5 kW, 2 pompes (démarrage progressif), contrôleur Modicon M172, basé sur les équipements ABB et Schneider Electric |
Par défaut, dans les armoires de commande de plusieurs pompes de notre production, un schéma de démarrage en cascade est mis en œuvre, où toutes les pompes fonctionnent. Le principe de fonctionnement d'un tel démarrage est assez simple: selon un algorithme donné, l'armoire de commande, si nécessaire, change la pompe principale, pendant le fonctionnement, le temps de fonctionnement de chaque pompe est compté. La pompe avec le temps de fonctionnement le plus long est toujours éteinte en premier, celle avec le temps de fonctionnement le plus court est toujours allumée en premier. En cas de dysfonctionnement de la pompe principale, celle-ci bascule sur la pompe de secours. Comme ShUN - 1, les armoires de commande pour plusieurs pompes ont des modes de fonctionnement automatique et manuel.
En mode automatique, les signaux de démarrage et d'arrêt proviennent de dispositifs de contrôle de niveau externes (voir schéma).
![]() | 1 commande de pompe
|
![]() | Commande 2 pompes
|
![]() | Commande 3 pompes
|
Base Uponor X25.
Modulaire systèmes de contrôle de chauffage de surface Uponor mérite l'attention - c'est l'une des options pour un système de contrôle de chauffage par le sol idéal. Considérez le contrôleur filaire Uponor Base X25 le plus simple avec un relais de pompe
Considérez le contrôleur filaire Uponor Base X25 le plus simple avec un relais de pompe.
Cet appareil coûte plus de 9400r.
Fonctionnalité:
- Sélecteur de canal rotatif pour un enregistrement facile des actionneurs ;
- Relais pompe 2A ;
- Protection de surcharge;
- Voyant d'alimentation ;
— 6 canaux (thermostats) ;
- 12 actionneurs.
Fiche technique Uponor Base X25 en pdf : manuel-d'installation-uponor-base-4.pdf.
Un appareil coûteux, mais la gamme d'appareils d'Uponor vaut la peine d'être explorée.
Intégralité du système d'automatisation de la station de pompage.
Il existe trois approches pour compléter l'équipement et construire un système.
- Deux éléments distincts.
- Approche modulaire en blocs.
- Un appareil terminé.
Deux éléments distincts.
Le système se compose de deux appareils : PU et SHAK.
Cette approche est clairement exprimée, par exemple, dans l'équipement de l'ensemble Sprut-2.
Il existe un dispositif de contrôle spécialisé pour le contrôle des stations de pompage d'incendie. Le dispositif de contrôle est fabriqué en tant que produit séparé, affûté pour une utilisation dans les systèmes d'extinction d'incendie à eau. Les dispositifs de contrôle modernes ont tous les avantages : interface RS-485, dispositifs d'indication et de télécommande, dispositifs d'extension, etc.
L'ensemble de la section de puissance est contenu dans une armoire d'équipement de commutation, qui est complétée sur commande préalable et est également livrée sous forme de produit fini.
En fonction du nombre et de la puissance des unités et des actionneurs, ainsi que d'autres paramètres d'une station de pompage particulière, une armoire avec équipement de commutation est fabriquée et livrée sous forme de produit fini.
Approche modulaire en blocs.
Cette approche est mise en œuvre dans les systèmes d'alarme incendie adressables, par exemple, dans le système d'adresse Bolid et le système d'adresse Rubezh.
Le système de contrôle de la station de pompage d'extinction d'incendie est réparti sur plusieurs appareils.
Il existe un dispositif dédié spécialisé pour la mise en œuvre de la logique de contrôle de la station de pompage dans le cadre du système. Tout le reste est réparti sur plusieurs appareils. Il n'y a pas d'armoire unique avec tous les équipements électriques.
Chaque unité de puissance a sa propre armoire de commande. Par exemple, si la station de pompage a une pompe jockey, deux pompes à incendie, une vanne de dérivation et une vanne de remplissage du réservoir d'incendie, alors nous avons besoin de 5 armoires de contrôle de puissance.
Le dispositif de commande peut commander directement un petit nombre d'unités de puissance et d'actionneurs. Un tel dispositif de contrôle peut également recevoir un petit nombre de signaux d'état.
Pour organiser la collecte d'informations à partir d'un nombre suffisant de capteurs et contrôler le nombre requis d'actionneurs et d'unités de puissance, il est nécessaire d'étendre les fonctionnalités de base.
Quelque chose d'autre est également requis pour la planification et la signalisation d'état ainsi que la planification.
L'extension de la fonctionnalité n'est pas un problème - c'est un système d'adresse.
Seul cela nécessite l'utilisation d'un contrôleur de réseau, sous le contrôle duquel les éléments d'un système distribué interagissent les uns avec les autres.
Le coût de l'équipement avec cette approche est moindre en raison de l'utilisation d'appareils plus unifiés.
Mais moins de fiabilité et de facilité d'utilisation. vous devrez également passer du temps à tout configurer et à faire fonctionner.
Un appareil.
Pour les fabricants étrangers et leurs localisations en Russie, les appareils de contrôle et les armoires de commande ne sont pas divisés en boîtes séparées, mais sont fabriqués sous la forme d'une boîte rouge.Il est probablement plus rentable d'y acheter un appareil prêt à l'emploi que de concevoir et de payer des ingénieurs pour assembler un vélo.
La boîte contient à la fois des pièces à faible courant et de puissance. La partie courant faible est réalisée sous la forme d'une carte automate (automate programmable) ou d'un automate intégré dans la porte de l'armoire.
Toute la logique de fonctionnement est déjà programmée - l'utilisateur n'a qu'à sélectionner les paramètres de fonctionnement nécessaires.
Les sorties du contrôleur sont connectées aux circuits de commande de la section de puissance et les entrées sont acheminées vers les bornes de l'armoire, qui sont signées et il est clair ce qu'il faut y connecter.
Le coffret est commandé avec la configuration requise, en fonction du nombre et de la puissance des blocs d'alimentation.
Mais la boîte n'est pas un produit à la pièce : le volume de production permet de maintenir une gamme suffisante de configurations de base sous forme de produits finis.
Le boîtier de commande de la station d'extinction d'incendie à eau est un produit entièrement prêt à fonctionner.
Naturellement, si le système d'extinction d'incendie est complexe, cette approche n'est pas applicable, en raison des configurations de base limitées. Si vous avez une vanne triphasée et que la boîte a été commandée avec un canal de commande de vanne monophasée, alors c'est aussi un désastre.
Bien entendu, un tel boîtier coûte plus cher qu'un assemblage de plusieurs appareils système.
La différence est comme si vous achetiez un lecteur MP3 ou ses composants à partir d'un kit de blindage Arduino. Mais, contrairement à un lecteur MP3, le boîtier n'est pas exploité par l'acheteur du boîtier, mais par les préposés ou personne du tout.
Avantages d'une installation professionnelle
Selon les règles, l'installation et la maintenance des systèmes de ventilation, ainsi que des salles de contrôle, doivent être effectuées par des spécialistes ayant une formation d'ingénieur.Ils sont également entièrement responsables du mauvais choix, de l'installation, de la connexion des appareils, ainsi que de la maintenance des appareils techniques dans un état inapproprié ou d'urgence.
Afin de déterminer correctement le remplissage du bouclier ou de l'armoire, les installateurs effectuent une surveillance complète du réseau de ventilation.
Ensuite, vous devez faire ce qui suit :
- analyser la charge ;
- choisir le schéma optimal ;
- déterminer les modes de fonctionnement des appareils afin d'augmenter l'efficacité ;
- ramasser du matériel.
L'assemblage lui-même prend un peu de temps: tous les appareils sont montés à tour de rôle sur plusieurs rangées, les fils sont soigneusement attachés aux borniers et disposés le long des lignes en faisceaux organisés, puis ils sont sortis.

Une des options de connexion, où NK1 et NK2 sont des appareils de chauffage de type canal ; M1 - ventilateur triphasé ; A, B, C - connexion réseau, N - neutre, PE - terre ; Q - thermostat de protection contre la surchauffe ; Y - thermostat de protection contre l'allumage
Les installateurs professionnels ont de l'expérience dans l'installation et le fonctionnement du panneau de commande, il est donc peu probable qu'ils se trompent avec choix du modèle et des nuances raccordement des appareils. D'ailleurs, ils bien versé dans les schémas de système ventilation des appartements et des maisons de campagne et peut rapidement déterminer la présence d'une erreur dans le dessin.
Si vous ne le comprenez pas à temps et connectez les appareils selon un schéma analphabète - et cela se produit également - vous pouvez créer une urgence.
De nombreuses entreprises qui fabriquent ou vendent des équipements de ventilation, de réfrigération et de chauffage sont engagées dans la vente et la vente de boucliers et d'armoires. Par exemple, à Moscou, cela peut être fait dans les entreprises Ruclimat, Roven, AV-avtomatika, Galvent, etc.
Entretien et réparation
La maintenance des armoires de commande ne diffère pas des procédures similaires effectuées avec d'autres appareils électriques. Autrement dit, toutes les manipulations se résument au remplacement rapide des blocs défectueux, au nettoyage des filtres, au serrage des contacts et à d'autres choses.
La réparation des armoires de commande est effectuée en remplaçant l'unité défaillante par un nouvel appareil efficace. De plus, après chaque installation d'un nouvel élément, le fonctionnement de l'armoire doit être ajusté.
Si vous êtes propriétaire d'une maison de campagne ou d'une datcha avec alimentation en eau autonome, vous vous êtes probablement demandé au moins une fois comment faire fonctionner l'équipement de pompage plus efficacement et plus longtemps, et disposez également de plusieurs modes de fonctionnement pratiques. De plus, parfois deux pompes sont utilisées à la fois pour alimenter la maison en eau et arroser le jardin, il est donc nécessaire de coordonner et d'automatiser leur travail. Vous recevrez une réponse à toutes les questions lorsque vous découvrirez ce qu'est une armoire de commande de pompe et pourquoi elle est nécessaire.
Le but principal des armoires électriques est de contrôler le moteur électrique d'une ou plusieurs unités de pompage à la fois. Le type de pompe n'a pas d'importance. Il peut s'agir d'un équipement de type submersible ou d'une pompe de forage ou de drainage.
De plus, le but de l'équipement de pompage peut être différent. Par exemple, une unité de type submersible est nécessaire pour le fonctionnement efficace du système de chauffage, l'approvisionnement en eau d'une maison de campagne ou la création d'un système d'extinction d'incendie. Mais la pompe de drainage, associée à l'armoire de commande, est utile pour pomper du liquide.
Si vous installez une armoire de commande pour coordonner le fonctionnement de la pompe de forage, vous trouverez enfin la paix et le repos tant attendus, car désormais vous n'avez plus besoin de surveiller le fonctionnement de l'équipement, tout cela se fera par l'automatisation située dans l'armoire. Dans ce cas, cet appareil pourra remplir les fonctions suivantes :
l'équipement assurera un démarrage sûr et en douceur du moteur de l'unité de pompage ;
l'automatisation pourra réguler le fonctionnement du convertisseur de fréquence;
de plus, l'appareil surveillera la pression dans le système, le niveau d'eau, ainsi que sa température, ce qui est très important pour la mise en marche et l'arrêt en temps opportun de l'équipement de pompage.
Les fonctions des armoires de commande pour deux ou plusieurs pompes sont encore plus étendues :
- si l'unité remarque que l'une des pompes fonctionne en mode d'urgence, elle connectera immédiatement la deuxième pompe au travail ;
- puisque l'automatisation de l'armoire de commande régulera le fonctionnement alterné de chacune des pompes, l'usure générale des groupes motopompes viendra plus tard ;
- si l'une des pompes est inactive pendant une longue période, l'équipement pourra la protéger de l'envasement;
- grâce à un tel dispositif, vous pouvez bloquer manuellement le fonctionnement d'une des pompes ;
- l'automatisation de l'armoire a différents programmes de contrôle pour plusieurs pompes ;
- si nécessaire, vous pouvez obtenir des données complètes sur le fonctionnement de chaque unité séparément.
Types et leurs caractéristiques
Il existe plusieurs grands types d'armoires de commande.
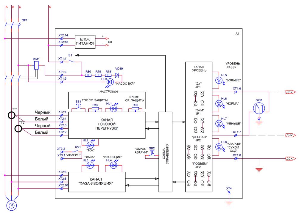
Armoires de commande de pompes (SHUN)
SHUN est une station de distribution dans laquelle se trouvent des équipements de pompage. Un système de contrôle (télécommande, ordinateur) est capable de réguler différents types de moteurs (drainage, submersible, fond de puits, etc.).Cette station est pratique à utiliser lorsque la distance entre l'objet de contrôle et l'objet de contrôle est grande. N'importe quel nombre d'appareils peut être ajouté à un tel système. Pour un travail minimal, seulement deux pompes suffiront. La première pompe (submersible ou de forage) est nécessaire pour alimenter le système en eau. La deuxième pompe (drainage) fonctionnera dans les situations d'urgence pour pomper rapidement l'eau du système. Habituellement, le SHUN se compose des éléments suivants :
- boîtier métallique rectangulaire
- fusibles et éléments de protection
- Unité de contrôle
- commutateurs
- Convertisseur de fréquence
- unité de réglage automatique
- un ensemble de capteurs et d'ampoules (utilisé pour la protection)
- relais thermique
La configuration du SHUN peut varier en fonction de son objectif. Les interrupteurs peuvent être utilisés pour allumer ou éteindre manuellement la pompe. Des capteurs sont nécessaires pour contrôler la pression et la température de l'eau. L'unité de commande régule la tension triphasée. Sur la face avant du SHUN se trouve un panneau, qui peut différer d'un fabricant à l'autre. Cependant, chaque modèle doit avoir des boutons « Démarrer » et « Arrêter » pour permettre le démarrage et l'arrêt manuels.
Armoires de commande de vannes (SHZ)
SHUZ - une station qui fonctionne avec des vannes électriques monophasées ou triphasées. Travailler avec eux dépend des signaux provenant des modules. Un système a été pensé dans l'armoire afin que les vannes puissent être contrôlées à la fois manuellement (depuis le panneau) et à distance (à l'aide d'un équipement spécial, tel qu'un ordinateur). Il y a une alarme lumineuse dans la SHZ. Il indique l'état des vannes, effectue des opérations qui protègent contre un fonctionnement prolongé (plus de 1 seconde) et bloque les surcharges.
Armoires de commande de ventilation (SHUV)
Shuv - une station qui maintient la température et l'humidité souhaitées dans la pièce et définit également de nouveaux paramètres, si nécessaire. La station est réglée à l'aide d'une télécommande spéciale ou d'un réseau informatique. Le forfait standard de SHV comprend :
- mécanismes de défense
- disjoncteurs
- indicateurs lumineux
- contacteurs, démarreurs, interrupteurs
- Convertisseur de fréquence
- relais
- contrôleur de microprocesseur
Des échangeurs de chaleur (principalement à eau) ou des réchauffeurs d'air sont utilisés pour protéger le SHUV des basses températures, du gel et de la formation de glace.
Armoires de contrôle d'éclairage (SHUO)
SHUO est une station qui contrôle tous les éléments d'éclairage. L'algorithme d'éclairage peut être complètement différent selon les exigences du projet. SHOO se compose des éléments suivants :
- déclencheur d'éclairage manuel
- interrupteur de charge électronique
- batterie de résérve
- commutateurs
- fusible électrique
- disjoncteur de protection contre les surintensités
- canal de câble externe
La commodité de travailler avec SHUO est obtenue grâce à un interrupteur supplémentaire. Avec lui, vous pouvez sélectionner l'un des trois modes de fonctionnement : manuel, minuterie, photorelais. Avec les blocs intégrés, vous pouvez définir les heures d'activation et de désactivation.
Armoires de commande de vannes (SHUK)
SUK est une station qui régule les clapets anti-fumée et coupe-feu. Dans le même temps, la signalisation lumineuse indique la position actuelle de chacune des vannes et le répartiteur peut recevoir les informations nécessaires. La position des vannes varie selon trois modes : à distance, manuel et automatique.En mode automatique, la protection standard est activée (l'alarme incendie est activée et le système d'extinction d'incendie est activé). En mode distant, une notification est envoyée à l'opérateur du processus. Le mode manuel est utilisé si les deux précédents ne fonctionnent pas. Pour l'utiliser, vous devez appuyer vous-même sur le bouton pour démarrer le système d'extinction d'incendie et activer l'alarme.
Critères pour choisir le bon meuble
Étant donné que dans les systèmes d'approvisionnement en eau, d'extinction d'incendie et autres, la connexion synchrone de plusieurs appareils est souvent requise, un SHUN sera nécessaire pour résoudre ce problème. Lors de son achat, il est nécessaire de prendre en compte à la fois le niveau de qualité du produit et les performances des charges pour lesquelles il est conçu.
Mais choisir un panneau de commande de pompe de drainage bien équipé n'est pas tout
Il est important que le système de contrôle soit compatible avec l'équipement en cours d'entretien. Par exemple, si vous allez utiliser une armoire de commande SPS en combinaison avec des pompes de nouvelle génération, vous devez vous arrêter à un modèle moderne. Habituellement, le système est choisi de sorte que son année de fabrication soit la même que celle de l'équipement.
En règle générale, le système est sélectionné de sorte que son année de fabrication soit la même que celle de l'équipement.
Afin d'obtenir un fonctionnement efficace, un retour sur investissement rapide et une longue durée de vie de l'armoire de commande de la pompe à incendie, il est nécessaire de l'acheter conformément au schéma du système hydraulique. Avec une solution compétente de ce problème, il est possible d'obtenir non seulement une fiabilité élevée, mais également une économie de ressources.
Les composants de l'armoire de commande KNS doivent être sélectionnés en tenant compte de l'équipement de pompage disponible.
Tableau de commande KNS
Pour le bon fonctionnement du système, vous aurez besoin de :
- capteurs de pression ;
- convertisseurs ;
- démarreurs électromagnétiques;
- Inductances de réseau ;
- Contrôleurs.
En plus des indicateurs de qualité, les acheteurs font souvent attention au coût des équipements.
Ici, il est important de ne pas essayer de choisir le modèle le moins cher d'armoire de commande de pompe SHUN. Étant donné que ces appareils ne sont généralement pas très fiables et ne sont pas conçus pour de longues périodes de fonctionnement. Étant donné que ces appareils ne sont généralement pas très fiables et ne sont pas conçus pour une longue durée de vie.
Étant donné que ces appareils ne sont généralement pas très fiables et ne sont pas conçus pour de longues périodes de fonctionnement.
Aperçu des modèles populaires
Parmi les SHUN présentés sur le marché intérieur, il y a des marques qui ont déjà réussi à faire leurs preuves du meilleur côté. Ces produits incluent ShUN Grundfos. L'équipement de ce fabricant est conçu pour contrôler le fonctionnement des pompes de drainage et fécales des types suivants :
- SEG ;
- VSE ;
- A.P.
Dans ce cas, l'armoire joue le rôle d'un appareil de commutation. Il relie la pompe au système et flotte à l'aide de câbles. Les armoires de commande de pompe de vidange Grundfos peuvent être connectées à un réseau 220V et 380V. Si le marquage du modèle que vous avez choisi contient la lettre latine D, cela signifie que le produit est conçu pour contrôler 2 pompes.
Modèle Grundfos
La gamme de produits Grundfos est présentée assez largement. Il comprend SHUN différant par la configuration et les caractéristiques techniques. Cependant, tous sont capables d'effectuer les fonctions suivantes :
- Commande de pompe ;
- Démarrage automatique pendant de longues périodes d'inactivité ;
- Contrôle du niveau de liquide avec sortie de données sur le panneau d'affichage ;
- ajustement.
Le fonctionnement des armoires de commande de pompe incluses dans OKOF est possible à des températures de moins 20 à plus 40°C.
La plupart des modèles Grundfos sont équipés d'une unité de protection électronique du moteur contre :
- essai à sec ;
- chutes de tension ;
- phase manquante.
Les armoires KNS Alpha Control KNS ne sont pas une marque moins populaire. Ils sont conçus pour organiser le travail des stations d'égout et assurer le contrôle automatique de leurs équipements. Les armoires de cette marque protègent les pompes des facteurs de défaillance et sont capables de contrôler tous les modèles d'unités.
Grâce à l'utilisation de tels équipements, il est possible d'obtenir un développement uniforme de la ressource en pompes. Le schéma SHUN de base vous permet de contrôler deux appareils ou plus sur le principe du principal et de la sauvegarde.
Conclusion
En analysant les informations ci-dessus, nous pouvons conclure que l'utilisation de SHUN permet non seulement d'obtenir un fonctionnement efficace de l'équipement, mais également d'économiser de l'électricité. Par conséquent, ils sont largement utilisés dans divers domaines de l'activité humaine.















































