- Matériaux pour créer une plaque solaire
- Plaquettes de silicium ou cellules solaires
- Cadre et élément transparent
- Le principe de fonctionnement de la batterie solaire
- Caractéristiques
- Le principe de fonctionnement d'une centrale solaire à la maison
- Description de vidéo
- Comment l'énergie solaire est utilisée pour produire de la chaleur
- Fabricants populaires de panneaux solaires
- Étapes d'installation de la batterie
- En conséquence - les perspectives de développement des technologies solaires
- Schéma de montage d'un système d'énergie solaire
- Type de panneaux solaires et leurs équipements
- Les nuances de la puissance de calcul
- Caractéristiques générales et disponibilité d'achat
- Conception du système et sélection du site
- Encore une fois sur l'opportunité
- Comment connecter un panneau solaire à un contrôleur de charge
- Faire un collectionneur de vos propres mains
- Nuances d'installation
- Pose de batterie solaire
Matériaux pour créer une plaque solaire
Lorsque vous commencez à construire une batterie solaire, vous devez vous approvisionner en matériaux suivants :
- plaques photocellules en silicate;
- feuilles d'aggloméré, coins et lattes en aluminium;
- caoutchouc mousse dur de 1,5 à 2,5 cm d'épaisseur;
- un élément transparent qui sert de base aux tranches de silicium ;
- vis, vis autotaraudeuses;
- mastic silicone pour usage extérieur;
- fils électriques, diodes, cosses.
La quantité de matériaux nécessaire dépend de la taille de votre batterie, qui est le plus souvent limitée par le nombre de cellules solaires disponibles. Parmi les outils dont vous aurez besoin: un tournevis ou un jeu de tournevis, une scie à métaux pour le métal et le bois, un fer à souder. Pour tester la batterie finie, vous avez besoin d'un testeur d'ampèremètre.
Considérons maintenant les matériaux les plus importants plus en détail.
Plaquettes de silicium ou cellules solaires
Les photocellules pour batteries sont de trois types :
- polycristallin;
- monocristallin;
- amorphe.
Les plaques polycristallines se caractérisent par une faible efficacité. La taille de l'action utile est d'environ 10 à 12%, mais ce chiffre ne diminue pas avec le temps. La durée de vie des polycristaux est de 10 ans.
La batterie solaire est assemblée à partir de modules, eux-mêmes constitués de convertisseurs photovoltaïques. Les batteries à photocellules rigides en silicium sont une sorte de sandwich à couches consécutives fixées dans un profilé en aluminium.
Les cellules solaires monocristallines offrent une efficacité supérieure - 13-25% et une longue durée de vie - plus de 25 ans. Cependant, avec le temps, l'efficacité des monocristaux diminue.
Les convertisseurs monocristallins sont obtenus en sciant des cristaux artificiellement développés, ce qui explique la photoconductivité et les performances les plus élevées.

Les photoconvertisseurs à film sont obtenus en déposant une fine couche de silicium amorphe sur une surface polymère souple.
Les batteries flexibles au silicium amorphe sont à la pointe de la technologie. Leur convertisseur photoélectrique est pulvérisé ou soudé sur une base polymère. Efficacité de l'ordre de 5 à 6 %, mais les systèmes de film sont extrêmement faciles à installer.
Les systèmes de film avec des photoconvertisseurs amorphes sont apparus relativement récemment. Il s'agit d'un produit extrêmement simple et aussi bon marché que possible, mais qui perd des qualités de consommation plus rapidement que ses rivaux.
Il est déconseillé d'utiliser des photocellules de tailles différentes. Dans ce cas, le courant maximal généré par les batteries sera limité par le courant de la plus petite cellule. Cela signifie que les plaques plus grandes ne fonctionneront pas à pleine capacité.

Lors de l'achat de photocellules, renseignez-vous auprès du vendeur sur le mode d'expédition, la plupart des vendeurs utilisent la méthode du cirage pour éviter la destruction des éléments fragiles
Le coût des photocellules est assez élevé, mais de nombreux magasins vendent les éléments dits du groupe B. Les produits affectés à ce groupe sont défectueux, mais adaptés à l'utilisation, et leur coût est de 40 à 60% inférieur à celui des plaques standard.
Cadre et élément transparent
Le cadre du futur panneau peut être constitué de lattes de bois ou de coins en aluminium.
La deuxième option est préférable pour plusieurs raisons :
- L'aluminium est un métal léger qui ne charge pas sérieusement la structure de support sur laquelle la batterie doit être installée.
- Lors du traitement anti-corrosion, l'aluminium n'est pas affecté par la rouille.
- N'absorbe pas l'humidité de l'environnement, ne pourrit pas.
Lors du choix d'un élément transparent, il est nécessaire de prêter attention à des paramètres tels que l'indice de réfraction de la lumière du soleil et la capacité à absorber le rayonnement infrarouge. L'efficacité des photocellules dépendra directement du premier indicateur : plus l'indice de réfraction est faible, plus l'efficacité des tranches de silicium est élevée.
L'efficacité des photocellules dépendra directement du premier indicateur : plus l'indice de réfraction est bas, plus l'efficacité des tranches de silicium est élevée.
Le coefficient de réflexion lumineuse minimum pour le plexiglas ou sa version moins chère - le plexiglas. L'indice de réfraction du polycarbonate est légèrement inférieur.
Cela dépend de la valeur du deuxième indicateur si les photocellules au silicium elles-mêmes chaufferont ou non. Moins les plaques sont exposées à la chaleur, plus elles dureront longtemps. Le rayonnement IR est mieux absorbé par le plexiglas spécial absorbant la chaleur et le verre avec absorption IR. Un peu pire - verre ordinaire.
Si possible, la meilleure option serait d'utiliser du verre transparent antireflet comme élément transparent.

En termes de rapport coût/indices de réfraction de la lumière et d'absorption du rayonnement infrarouge, le plexiglas est la meilleure option pour la fabrication d'une batterie solaire
Le principe de fonctionnement de la batterie solaire

L'appareil est conçu pour convertir directement les rayons du soleil en électricité.
Cette action s'appelle l'effet photoélectrique.
Les semi-conducteurs (tranches de silicium), qui sont utilisés pour fabriquer des éléments, ont des électrons chargés positifs et négatifs et se composent de deux couches, la couche n (-) et la couche p (+).
Les électrons en excès sous l'influence de la lumière du soleil sont expulsés des couches et occupent des places vides dans une autre couche.
Cela provoque un mouvement constant des électrons libres, se déplaçant d'une plaque à l'autre, générant de l'électricité qui est stockée dans la batterie.

Caractéristiques
Le dispositif de batterie solaire se compose de plusieurs composants :
Directement cellules solaires / panneau solaire ;
Un onduleur qui convertit le courant continu en courant alternatif ;
Contrôleur de niveau de batterie.


(Tesla Powerwall - une batterie de panneaux solaires de 7 kW - et recharge à domicile pour les véhicules électriques)
Le principe de fonctionnement d'une centrale solaire à la maison
Une centrale solaire est un système composé de panneaux, d'un onduleur, d'une batterie et d'un contrôleur. Le panneau solaire transforme l'énergie rayonnante en électricité (comme mentionné ci-dessus). Le courant continu entre dans le contrôleur, qui distribue le courant aux consommateurs (par exemple, un ordinateur ou un éclairage). Un onduleur convertit le courant continu en courant alternatif et alimente la plupart des appareils électroménagers. La batterie stocke de l'énergie qui peut être utilisée la nuit.
Description de vidéo
Un bon exemple de calcul montrant combien de panneaux sont nécessaires pour fournir une alimentation électrique autonome, voir cette vidéo :
Comment l'énergie solaire est utilisée pour produire de la chaleur
Les systèmes solaires sont utilisés pour le chauffage de l'eau et le chauffage domestique. Ils peuvent fournir de la chaleur (à la demande du propriétaire) même lorsque la saison de chauffage est terminée, et alimenter la maison en eau chaude gratuitement. Le dispositif le plus simple consiste en des panneaux métalliques installés sur le toit de la maison. Ils accumulent de l'énergie et de l'eau chaude, qui circule à travers des tuyaux cachés sous eux. Le fonctionnement de tous les systèmes solaires est basé sur ce principe, malgré le fait qu'ils peuvent être structurellement différents les uns des autres.
Les capteurs solaires sont constitués de :
- réservoir de stockage;
- station de pompage;
- manette
- canalisations ;
- raccords.
Selon le type de construction, on distingue les capteurs plats et sous vide. Dans le premier cas, le fond est recouvert d'un matériau calorifuge et le liquide circule dans des tuyaux en verre. Les collecteurs sous vide sont très efficaces car les pertes de chaleur sont réduites au minimum. Ce type de collecteur fournit non seulement le chauffage solaire d'une maison privée - il est pratique de l'utiliser pour les systèmes d'eau chaude et le chauffage des piscines.
Le principe de fonctionnement du capteur solaire
Fabricants populaires de panneaux solaires
Le plus souvent, les produits de Yingli Green Energy et Suntech Power Co. se trouvent sur les étagères. Les panneaux HiminSolar (Chine) sont également populaires. Leurs panneaux solaires produisent de l'électricité même par temps de pluie.
La production de batteries solaires a également été établie par un fabricant national. Les entreprises suivantes le font :
- Hevel LLC à Novocheboksarsk;
- "Telecom-STV" à Zelenograd ;
- Sun Shines (Autonomous Lighting Systems LLC) à Moscou ;
- JSC "Usine Ryazan de dispositifs métallo-céramiques" ;
- CJSC "Termotron-zavod" et autres.
Vous pouvez toujours trouver une option appropriée pour le prix. Par exemple, à Moscou, pour des panneaux solaires pour une maison, le coût variera de 21 000 à 2 000 000 de roubles. Le coût dépend de la configuration et de la puissance des appareils.
Les panneaux solaires ne sont pas toujours plats - il existe un certain nombre de modèles qui concentrent la lumière en un point
Étapes d'installation de la batterie
- Pour installer les panneaux, l'endroit le plus éclairé est choisi - le plus souvent, ce sont les toits et les murs des bâtiments. Pour que l'appareil fonctionne aussi efficacement que possible, les panneaux sont montés à un certain angle par rapport à l'horizon.Le niveau d'obscurité du territoire est également pris en compte : les objets environnants pouvant créer une ombre (bâtiments, arbres, etc.)
- Les panneaux sont installés à l'aide de systèmes de fixation spéciaux.
- Ensuite, les modules sont connectés à la batterie, au contrôleur et à l'onduleur, et l'ensemble du système est ajusté.
Pour l'installation du système, un projet personnel est toujours développé, qui prend en compte toutes les caractéristiques de la situation : comment les panneaux solaires seront installés sur le toit de la maison, prix et conditions. Selon le type et l'étendue des travaux, tous les projets sont calculés sur une base individuelle. Le client accepte le travail et reçoit une garantie pour celui-ci.
L'installation des panneaux solaires doit être effectuée par des professionnels et dans le respect des mesures de sécurité.
En conséquence - les perspectives de développement des technologies solaires
Si sur Terre le fonctionnement le plus efficace des panneaux solaires est entravé par l'air, qui dans une certaine mesure disperse le rayonnement du Soleil, alors dans l'espace il n'y a pas un tel problème. Les scientifiques développent des projets de satellites géants en orbite avec des panneaux solaires qui fonctionneront 24 heures sur 24. À partir d'eux, l'énergie sera transmise aux dispositifs de réception au sol. Mais c'est une question d'avenir, et pour les batteries existantes, les efforts sont orientés vers l'amélioration de l'efficacité énergétique et la réduction de la taille des appareils.
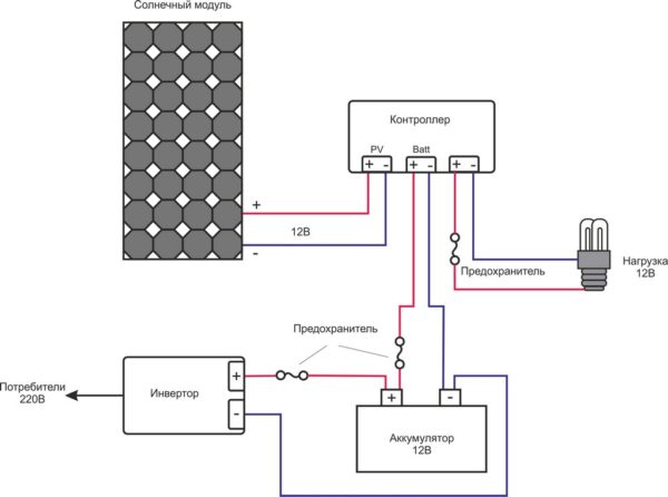
Schéma de montage d'un système d'énergie solaire
La connexion des panneaux solaires s'effectue à l'aide des fils de connexion intégrés d'une section de 4 mm2. Les fils de cuivre massifs sont les mieux adaptés à cet effet, dont la tresse isolante est résistante aux rayons ultraviolets.
Dans le cas d'utilisation d'un fil dont l'isolant n'est pas résistant aux rayons UV, il est recommandé d'effectuer sa pose extérieure dans une gaine ondulée.
L'extrémité de chaque fil est reliée à un connecteur MC4 par soudure ou sertissage, ce qui assure une connexion étanche.
Quel que soit le schéma choisi, avant de brancher les panneaux solaires, il est impératif de vérifier le bon câblage.
Lors de la connexion des panneaux, il n'est pas recommandé de dépasser les exigences techniques pour le courant admissible et la tension maximale des autres appareils.
Il est important de respecter les spécifications du fabricant pour le contrôleur de charge et l'onduleur.
Le schéma d'assemblage standard pour la centrale solaire la plus simple est le suivant.
Le schéma de connexion des panneaux à la batterie, à l'onduleur et au contrôleur a une conception simple et ne pose donc aucune difficulté particulière de connexion
Pour éviter d'endommager le contrôleur, il est important de suivre l'ordre lors de la connexion des éléments du système. Les travaux d'installation se déroulent en plusieurs étapes: Les travaux d'installation se déroulent en plusieurs étapes:
Les travaux d'installation se déroulent en plusieurs étapes:
- La batterie est connectée au contrôleur, en utilisant les connecteurs appropriés pour cela et sans oublier de respecter la polarité.
- Une batterie solaire est connectée au contrôleur par l'intermédiaire des connecteurs, tout en respectant la même polarité.
- Une charge de 12 V est connectée aux connecteurs du contrôleur.
- S'il est nécessaire de convertir la tension électrique de 12 à 220 V, un onduleur est inclus dans le circuit. Il est connecté uniquement à la batterie et en aucun cas directement au contrôleur.
- Les appareils électriques conçus pour une tension de 220 V sont connectés à la sortie libre de l'onduleur.
Après avoir effectué la connexion, vous devez vérifier la polarité et mesurer la tension en circuit ouvert des panneaux. Si l'indicateur diffère de la valeur du passeport, la connexion n'est pas établie correctement.
Pour connecter l'appareil au système, il n'est pas nécessaire d'ouvrir la boîte de jonction - tous les connecteurs sont situés à portée de main
Au stade final, la batterie solaire doit être mise à la terre. Pour minimiser la possibilité d'un court-circuit, des fusibles sont installés aux connexions entre la batterie, l'onduleur et le contrôleur.
L'énergie des centrales solaires trouvera son application dans l'alimentation des appareils électroménagers de faible puissance et dans la charge des batteries des équipements mobiles :
Ceux qui souhaitent construire une batterie solaire de leurs propres mains seront aidés par les informations fournies dans l'article suivant.
Type de panneaux solaires et leurs équipements
La séparation des panneaux solaires se produit par la puissance. Il existe ici deux types :
- Faible puissance - 12-24 po. Cette énergie est suffisante pour fournir de l'électricité à plusieurs appareils électroménagers. Par exemple, un téléviseur ou un ordinateur peut éclairer complètement la maison.
- Grande puissance. Il s'agit d'un système complet qui fournira de l'électricité non seulement pour les appareils électroménagers et l'éclairage, mais également pour le système de chauffage. Vous pouvez choisir la puissance des batteries afin qu'elle ne suffise qu'à certains besoins. Par exemple, uniquement pour le chauffage.
Si nous parlons de l'ensemble complet de chauffage à partir de panneaux solaires, cela comprend:
- Cellules solaires de type collecteur. Ils sont aussi appelés vide.
- Un contrôleur qui contrôle le fonctionnement de l'ensemble du système dans son ensemble. Un appareil très nécessaire, dont le fonctionnement dépend de l'efficacité de l'ensemble du chauffage.
- Une pompe de circulation qui entraîne l'eau du réservoir de stockage à travers le collecteur dans tout le système de chauffage.
- Réservoir de stockage pour liquide de refroidissement. Son volume peut varier entre 500 et 1000 litres.
Les nuances de la puissance de calcul
Pour déterminer avec précision la puissance requise des panneaux solaires, vous devez décider à quelles fins l'énergie consommée sera utilisée. Et cela dépendra de la superficie et du volume de la maison, du nombre de personnes qui l'habitent et de la fréquence de consommation de cette énergie.
Par exemple, une famille de trois à quatre personnes consomme 200 à 500 kW par mois. Et ce n'est que la consommation totale pour l'éclairage, les appareils et le chauffage. Si l'alimentation en eau chaude est ajoutée ici, la puissance des cellules solaires devra être augmentée. Il en va de même pour le système de chauffage par le sol. D'ailleurs, avec un chauffage au sol, la puissance est calculée à partir du rapport de 10 m² de sol à 1 m² de plan de cellules solaires. Si un chauffage conventionnel par conduite d'eau est utilisé, lorsqu'une chaudière de chauffage électrique conventionnelle est installée, le rapport sera différent : 1000 kWh par mètre carré de surface de la maison et par an
S'il vous plaît noter - par an. Si nous comparons cette consommation en la transférant à l'utilisation du gaz naturel, le rapport sera le suivant : 100 litres de gaz pour 1 m². Actuellement, les fabricants proposent des panneaux solaires de forte puissance dans des tailles compactes.
Il existe sur le marché des modèles d'une superficie de 4 m², pouvant produire 2000 kW/h par an
Actuellement, les fabricants proposent des panneaux solaires de forte puissance dans des tailles compactes. Il existe sur le marché des modèles d'une superficie de 4 m², qui peuvent produire 2000 kW/h par an.
Les experts, en revanche, estiment que pour les conditions climatiques russes, le rejet des principales méthodes de chauffage des locaux est une mauvaise décision. Les panneaux solaires ne fonctionneront pas efficacement en hiver, il y aura donc toujours des problèmes de température interne. La meilleure option est une approche combinée pour résoudre ce problème. Autrement dit, utilisez des combustibles traditionnels pour le système de chauffage et utilisez des panneaux solaires comme option auxiliaire.
Types et modèles
Caractéristiques générales et disponibilité d'achat
L'équipement ne nuit pas à l'environnement et fournit une alimentation stable sans surtension. Et, plus important encore, il fournit de l'énergie gratuite : pour laquelle les factures de services publics ne viennent pas.

L'apparence des panneaux solaires a peu changé après leur invention, ce qui n'est pas le cas du "rembourrage" interne
Le module solaire convertit la lumière en énergie électrique en générant du courant continu. La surface des panneaux peut atteindre plusieurs mètres. Lorsqu'il est nécessaire d'augmenter la puissance du système, augmentez le nombre de modules. Leur efficacité dépend de l'intensité de l'ensoleillement et de l'angle d'incidence des rayons : du lieu, de la saison, des conditions climatiques et de l'heure de la journée. Pour bien prendre en compte toutes ces nuances, l'installation doit être réalisée par des professionnels.
Type de module :
Monocristallin.
Composé de cellules en silicone qui convertissent l'énergie solaire. Différence dans les tailles compactes. En termes de performances, c'est jusqu'à récemment la batterie solaire la plus efficace (rendement jusqu'à 22%) pour la maison. Un ensemble (son prix est l'un des plus chers) coûtera à partir de 100 000 roubles.
Polycristallin.
Ils utilisent du silicium polycristallin.Ils ne sont pas aussi efficaces (jusqu'à 18 % d'efficacité) que les cellules solaires monocristallines. Mais leur coût est beaucoup plus faible, ils sont donc accessibles à la population générale.
Amorphe.
Ils ont des cellules solaires à base de silicium à couche mince. Ils sont inférieurs aux mono et polycristaux en termes de génération d'énergie, mais ils sont également moins chers. Leur avantage est la capacité de fonctionner en lumière diffuse et même faible.
Hétérostructurel.
Modules solaires modernes et les plus efficaces aujourd'hui, avec une efficacité de 22 à 25 % (sur toute la durée de vie !). Ils fonctionnent efficacement aussi bien par temps nuageux qu'à des températures élevées).
En Russie, le seul fabricant de modules pour cette technologie est la société Hevel, qui est l'un des cinq fabricants mondiaux produisant des modules solaires à hétérostructure.
En 2016, le centre R&D de l'entreprise a breveté sa propre technologie de création de modules hétérostructuraux et la développe activement.

Panneaux solaires Hevel
Le système comprend également les composants suivants :
- Un onduleur qui convertit le courant continu en courant alternatif.
- Batterie d'accumulateurs. Il accumule non seulement de l'énergie, mais nivelle également les chutes de tension lorsque le niveau de lumière change.
- Contrôleur pour la tension de charge de la batterie, le mode de charge, la température et d'autres paramètres.
Dans les magasins, vous pouvez acheter à la fois des composants individuels et des systèmes complets. Dans ce cas, la puissance des appareils est déterminée en fonction des besoins spécifiques.
Conception du système et sélection du site
La conception du système solaire comprend des calculs de la taille requise de la plaque solaire. Comme mentionné ci-dessus, la taille de la batterie est généralement limitée par des cellules photovoltaïques coûteuses.
La cellule solaire doit être installée à un certain angle, ce qui garantirait une exposition maximale des tranches de silicium à la lumière du soleil. La meilleure option est les batteries qui peuvent changer l'angle d'inclinaison.
Le lieu d'installation des plaques solaires peut être très diversifié : au sol, sur un toit en pente ou plat d'une maison, sur les toits des locaux techniques.
La seule condition est que la batterie soit placée du côté ensoleillé du site ou de la maison, non ombragée par la haute cime des arbres. Dans ce cas, l'angle d'inclinaison optimal doit être calculé par la formule ou à l'aide d'une calculatrice spécialisée.
L'angle d'inclinaison dépendra de l'emplacement de la maison, de la saison et du climat. Il est souhaitable que la batterie ait la capacité de modifier l'angle d'inclinaison suivant les changements saisonniers de la hauteur du soleil, car. ils fonctionnent plus efficacement lorsque les rayons du soleil tombent strictement perpendiculairement à la surface.
Pour la partie européenne des pays de la CEI, l'angle d'inclinaison stationnaire recommandé est de 50 à 60 º. Si la conception prévoit un dispositif pour modifier l'angle d'inclinaison, alors en hiver, il est préférable de placer les batteries à 70 º par rapport à l'horizon, en été à un angle de 30 º
Les calculs montrent que 1 mètre carré du système solaire permet d'obtenir 120 watts. Par conséquent, par des calculs, il peut être établi que pour fournir à une famille moyenne de l'électricité à hauteur de 300 kW par mois, un système solaire d'au moins 20 mètres carrés est nécessaire.
Il sera problématique d'installer immédiatement un tel système solaire. Mais même l'installation d'une batterie de 5 mètres aidera à économiser de l'énergie et apportera une contribution modeste à l'écologie de notre planète. Nous vous recommandons également de vous familiariser avec le principe de calcul du nombre de panneaux solaires requis.
La batterie solaire peut être utilisée comme source d'énergie de secours en cas d'arrêt fréquent de l'alimentation centralisée. Pour une commutation automatique, il est nécessaire de prévoir un système d'alimentation sans coupure.
Un tel système est pratique en ce que lors de l'utilisation d'une source d'électricité traditionnelle, l'accumulateur du système solaire est chargé simultanément. L'équipement servant à la batterie solaire est situé à l'intérieur de la maison, il est donc nécessaire de lui prévoir une pièce spéciale.
Lorsque vous placez des batteries sur un toit en pente de la maison, n'oubliez pas l'angle du panneau, idéal lorsque la batterie dispose d'un dispositif de changement saisonnier de l'angle d'inclinaison
Encore une fois sur l'opportunité
Il est avantageux d'utiliser l'énergie solaire pour le chauffage au lieu des ressources énergétiques habituelles. Selon le type de système solaire choisi, les économies sur la consommation de chaleur payée peuvent atteindre 100 %.
Une option pour un remplacement complet du système de chauffage est l'utilisation de capteurs à tubes sous vide. Il s'agit d'un projet assez coûteux au stade initial. À l'avenir, il peut garantir une indépendance énergétique complète, amortie en 6 à 8 ans.

L'ingéniosité des artisans à domicile ne connaît pas de limites - un tuyau ordinaire peut être adapté en labyrinthe pour la circulation du fluide à l'intérieur du collecteur
La durée de vie des installations solaires peut atteindre 25 ans. Ils nécessitent peu d'entretien - nettoyage périodique des surfaces de la neige, de la poussière et des débris. Quant à la réparation, elle peut être effectuée seule. Un inconvénient important est que les capteurs plats et les panneaux solaires ont « peur » des ouragans.
Un tel chauffage est sans danger pour les habitants de la maison et l'environnement.Il est entièrement gratuit et ne dépend pas du taux de change, des prix de l'énergie.
Comment connecter un panneau solaire à un contrôleur de charge
Cet équipement est utilisé dans un système de batterie pour surveiller leur niveau de charge. C'est-à-dire qu'il décharge l'excès d'électricité sur eux et empêche l'accumulation en cas de charge complète. Il permet également de connecter des appareils à faible tension nominale - 12V, 24V, 48V, etc. (selon la façon dont les panneaux sont connectés).

- 1 paire de contacts - un réseau de panneaux est connecté.
- 2 paires - les batteries sont connectées.
- 3 paires - connecte la source et la faible consommation.
Il est recommandé de connecter d'abord les batteries pour tester l'équipement. Ensuite, les panneaux eux-mêmes, après déjà le consommateur, s'il est prévu dans le circuit.

Schéma de connexion, qui se trouvait dans la documentation du contrôleur. Tout est assez simple et clair.
Faire un collectionneur de vos propres mains

Lors de l'achat d'un kit prêt à l'emploi, le schéma branchements panneaux solaires généralement indiqué dans la documentation jointe. Mais certains habitants préfèrent assembler chez eux un collecteur fait maison. Une unité simple est fabriquée à partir de matériaux improvisés en utilisant une structure en serpentin tirée d'un réfrigérateur obsolète ou cassé comme base.
Pour fabriquer un collecteur, vous devrez préparer :
- feuille et feuille de verre;
- une bobine du réfrigérateur (vous pouvez également démonter les pinces de connexion et les utiliser dans une nouvelle unité);
- éléments de rack pour créer un cadre;
- ruban adhésif;
- attaches - vis et vis;
- tapis de caoutchouc;
- réservoir de liquide ;
- conduites d'alimentation et d'évacuation.
La bobine est d'abord lavée de la saleté, de la poussière et des traces de fréon, puis essuyée. Les lattes sont taillées pour s'adapter aux dimensions de la structure serpentine de manière à ce qu'elle s'insère dans le cadre assemblé à partir d'elles. Ensuite, vous devez connecter les rails les uns aux autres. Le tapis en caoutchouc doit correspondre aux dimensions du cadre. Coupez l'excédent si nécessaire. Lors du processus de connexion des rails, de petits trous doivent être pratiqués dans les murs afin que les tubes de la bobine y passent s'ils doivent être sortis.
Le tapis est recouvert d'une couche de papier d'aluminium sur le dessus. Si vous devez utiliser de petites coupures pour le revêtement, elles sont reliées avec du ruban adhésif. Ensuite, la structure de la crémaillère est posée, puis la bobine, qui est fixée avec des pinces. Ce dernier doit être fixé du côté opposé avec des vis. Les rails en sont également cloués pour rendre la configuration plus rigide.
Si des espaces sont trouvés entre les rails et la feuille, ils sont censés être scellés avec du ruban adhésif. Cela garantira que les pertes de chaleur sont réduites au minimum et augmentera l'efficacité de l'installation finie. Lorsque l'appareil est prêt, un couvercle en verre est placé dessus. Ensuite, le dimensionnement se fait avec du ruban adhésif sur tout le périmètre du produit.
Nuances d'installation
Avec une installation en toiture, ces fonctions régulatrices disparaissent, et vous n'aurez pas à reconstruire la toiture pour respecter l'angle d'inclinaison souhaité.
Assurez-vous de prendre en compte le moment de l'ombrage des batteries les unes avec les autres. Si sur le toit vous les mettez sur le même plan, alors dans les fermes certaines utilisent plusieurs niveaux.
Dans ce cas, il faut tenir compte de la distance nécessaire pour éviter l'ombrage. Cette distance est de 1,7 fois la hauteur de la ferme.
Conseil d'expert : pour mieux exploiter l'espace disponible, il est recommandé de combiner les types d'agencement des panneaux solaires. Fixez les panneaux sur le toit de la maison et sur les fermes au sol spéciales.
Le résultat du travail effectué sera le fait que vous avez une batterie solaire sur votre site, selon le matériau et la superficie de laquelle, vous pouvez recevoir différentes quantités d'électricité.
En faisant l'installation vous-même pour la première fois chez vous, à l'avenir vous pourrez proposer ce service à d'autres, et avec le fait que les ventes de panneaux solaires sont en pleine croissance, cela peut mettre un "centime" supplémentaire dans votre poche.
Regardez la vidéo, qui montre en détail les étapes d'installation des panneaux solaires :
Pose de batterie solaire
La construction d'une centrale solaire a l'avantage sur l'équipement complet de pouvoir augmenter constamment la capacité, et d'optimiser le procédé.
Vous devez commencer à fabriquer la station avec le développement du projet. A ce stade, les facteurs suivants sont pris en compte :
— lieu d'installation des modules ;
- calcul de l'angle d'inclinaison de la structure ;
- s'il est prévu d'utiliser le toit pour l'installation, calculez la capacité portante de la charpente du toit, des murs et des fondations;
- une pièce ou un coin séparé dans la maison pour les batteries.
Après avoir acheté l'équipement et les photocellules nécessaires, l'installation est effectuée.
• L'ossature se rassemble à partir d'un angle aluminium de 35 mm de large. Le volume de la cellule doit correspondre aux dimensions du nombre de photocellules requis (835x690 mm).

• Sceller l'intérieur du coin avec deux couches de mastic.
• Placez une feuille de plexiglas, polycarbonate, plexiglas ou autre matériau dans le cadre.Scellez les joints du cadre et des feuilles en appuyant légèrement sur les surfaces autour du périmètre. Laisser à l'extérieur jusqu'à séchage complet.
• Fixez le verre avec dix quincailleries dans les trous situés aux coins et sur les côtés du cadre.
• Nettoyer la surface de la poussière avant de fixer les photocellules.
• Soudez le conducteur à la tuile, après avoir essuyé les contacts avec de l'alcool et mis du flux dessus. Tout en travaillant avec le cristal, il faut éviter d'exercer une pression dessus. Une structure fragile peut s'effondrer.

• Retourner les plaques et souder de la même manière.
• Poser les photocellules sur le plexiglas dans le cadre, les fixer avec du ruban de montage. La mise en page est plus facile à faire après le balisage. Il est également recommandé d'utiliser de la colle silicone pour la fixation. Il doit être appliqué ponctuellement. Une goutte par carreau suffit.
• Il est nécessaire de placer les cristaux avec un espace de 3-5 mm afin que la surface ne se déforme pas lorsque le matériau est chauffé.
• Connecter les conducteurs le long des bords des photocellules avec des jeux de barres communs.
• Utilisez un appareil spécial pour tester la qualité de la soudure.
• Sceller le panneau en appliquant du mastic entre les carreaux
Appuyez doucement dessus avec vos doigts pour que les bords soient bien ajustés contre le verre. Il est également nécessaire d'enduire les bords du cadre de mastic

• Fermez le cadre avec une vitre de protection. Sceller toutes les connexions pour empêcher la pénétration d'humidité.

• Fixez le panneau sur un toit ou un autre endroit ensoleillé.





































