- Fais le toi-même
- Phase préparatoire
- Instruction étape par étape
- pistolet électrique
- Matériaux nécessaires
- Processus de fabrication
- Réserve de carburant
- Principe de fonctionnement des brûleurs à mazout
- Buse
- Fabrication d'un décapeur thermique à gaz
- Unité # 2 - pistolet thermique à carburant diesel
- Comment fonctionne une telle conception ?
- processus d'assemblage
- Exigences pour l'installation et le fonctionnement d'un four à mazout
Fais le toi-même

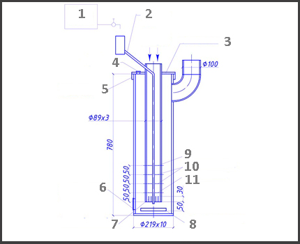
Le processus de fabrication d'un brûleur Babington n'est pas très compliqué et, avec tous les matériaux et outils nécessaires, cela ne prendra que quelques jours, selon les compétences de la personne.
Pour la fabrication de cette unité, il faudra les matériaux suivants:
- tube en acier DU10,
- té en métal d'un diamètre de 50 millimètres avec un filetage intérieur;
- une sphère (ou hémisphère) métallique d'un diamètre inférieur à 50 millimètres ;
- tube en cuivre DN10 d'au moins un mètre de longueur ;
- coude métallique DU10 avec filetage externe;
- entraînement d'un diamètre de 50 millimètres avec un filetage extérieur d'une longueur d'au moins 10 centimètres;
Vous aurez également besoin d'un ensemble minimum d'outils :
- meuleuse d'angle (meuleuse) ou scie à métaux;
- perforateur;
- mandrin spécial pour forets fins;
- perceuse;
- foret d'un diamètre de 0,1 à 0,3 mm;
- fer à souder;
Phase préparatoire
Avant de commencer le montage, il est nécessaire de faire un trou dans la sphère (hémisphère). C'est l'une des étapes les plus difficiles et les plus critiques, car le trou doit être fait exactement au milieu. Sinon, la torche du brûleur sera dirigée sur le côté, ce qui peut nuire à la qualité du produit et à son efficacité.
De plus, percer des trous de ce diamètre est une tâche difficile, car les forets fins peuvent casser. Par conséquent, ce processus doit être effectué avec précaution et lentement.
Instruction étape par étape

Brûleur Babington
Une fois la sphère ou l'hémisphère prêt, vous pouvez commencer l'assemblage. Il est très simple et consiste en plusieurs manipulations simples :
- La raclette métallique jouera le rôle d'une buse. Il est coupé à la longueur désirée et vissé dans le té. Après cela, un trou suffisamment grand est percé sur le côté du lecteur pour que le jet puisse être enflammé à travers celui-ci.
- Au-dessus du té, plus près de la buse, un trou est percé pour un tube en cuivre à travers lequel le carburant sera fourni à l'appareil.
- Un coude est fixé au tube de cuivre pour connecter la conduite de carburant.
- Plusieurs tours sont effectués avec un tube de cuivre (2-3 suffiront) autour de la buse. Ils doivent être effectués à une certaine distance du lecteur. Cela permettra à l'huile d'être chauffée à la bonne température avant qu'elle n'entre dans la sphère.
- Dans la sphère de l'extrémité opposée au petit trou, un autre est percé le long du diamètre extérieur du tube en acier. Le tube est inséré hermétiquement dans la sphère. Cela est nécessaire pour que l'air ne s'échappe que par un petit trou et qu'une pression soit créée à l'intérieur. Si un hémisphère est utilisé à la place d'une sphère, le tube est soudé à la place d'un petit trou et scellé.
- Un tube métallique avec une sphère est inséré dans le té à partir de l'extrémité opposée de la buse. Elle y est fixée.
- Ainsi, le brûleur est prêt à fonctionner. Il ne reste plus qu'à connecter un compresseur au tube avec la sphère, qui y pompera de l'air et la conduite de carburant au tube en cuivre.
- Si vous le souhaitez, ce système peut être amélioré en connectant une pompe pour fournir de l'huile. Vous pouvez également mettre une unité de contrôle des capteurs de contrôle. Cela rendra le système automatique et plus sûr.
pistolet électrique
Cet équipement est le plus sûr et le plus simple à mettre en place. Si le site est connecté au secteur, il est préférable de fabriquer un pistolet thermique électrique de vos propres mains. Un appareil fait maison peut être utile à la fois pendant la construction et à l'avenir pour divers besoins personnels. Le nom "canon" lui-même est né de la similitude du corps rond avec un pistolet militaire. Le corps peut également être rectangulaire ou carré.
Matériaux nécessaires
Fabriquer un appareil de chauffage n'est pas trop cher. Pour fabriquer un pistolet électrique de vos propres mains, vous aurez besoin de:
- boîtier en acier;
- le cadre où la structure sera située;
- ventilateur électrique;
- radiateur de chauffage;
- fils pour connecter l'appareil au secteur;
- changer.
Pour créer un pistolet électrique, vous aurez besoin d'au moins un ventilateur
Le boîtier de cet appareil peut devenir très chaud pendant l'utilisation. Il faut donc choisir un métal plutôt épais ou résistant à la chaleur. De plus, il est logique d'appliquer une isolation thermique aux éléments métalliques.
Lors du choix d'un élément chauffant, il ne faut pas oublier que la température de l'air sortant dépendra du nombre et de la puissance de ces éléments chauffants.Dans le même temps, la vitesse du ventilateur n'affectera pas la température, cependant, plus cet appareil tourne vite, plus la chaleur est répartie uniformément dans la pièce. C'est-à-dire que l'élément chauffant est responsable de la température de chauffage et que le ventilateur est responsable de la qualité de la distribution.
Pour réduire les coûts, vous pouvez utiliser un élément chauffant d'un vieux fer à repasser ou d'un autre appareil. Dans certains cas, il est judicieux de raccourcir la longueur du canon du pistolet afin d'augmenter la température de préchauffage. Un moteur électrique approprié avec turbine peut être retiré d'un aspirateur inutile.
Dans cette vidéo, vous apprendrez à fabriquer un canon :
Processus de fabrication
Pour assembler un décapeur thermique, il est préférable de commencer par dessiner un schéma du circuit électrique de l'appareil de chauffage. En règle générale, des schémas prêts à l'emploi sont utilisés.
Un pistolet thermique électrique est fabriqué dans l'ordre suivant:
- Vous devez d'abord préparer le cadre et le corps de l'appareil.
- Après cela, un ou plusieurs éléments chauffants doivent être installés au centre du boîtier.
- Ensuite, vous devez leur apporter le câble d'alimentation.
- Après avoir installé le ventilateur, branchez-y l'électricité.
- Connectez le cordon d'alimentation, le câble des éléments chauffants et le ventilateur au panneau de commande.
- Installez la grille de protection aux extrémités du boîtier.
Pendant l'assemblage, assurez-vous d'isoler toutes les connexions de fils. Une fois l'assemblage terminé, un essai de fonctionnement de l'appareil de chauffage est effectué. S'il fonctionne en mode normal, sans panne, vous pouvez utiliser l'équipement conformément à sa destination.
L'ordre de fabrication du pistolet est présenté ci-dessus.
Réserve de carburant
Les artisans amateurs font souvent l'alimentation des fours goutte à goutte avec un combustible à un étage : un réservoir à mazout, un robinet à boisseau sphérique, un tube d'alimentation.Premièrement, c'est dangereux: pour la commodité et la même sécurité de démarrage du four, la vanne doit être placée plus près de celui-ci. Le tuyau d'alimentation en bas de l'alimentation en carburant est assez chaud. Si le chauffage passe à travers le tuyau au-delà de la vanne, vers laquelle il y a une colonne continue de carburant dans le tuyau, cela menace de catastrophe. Deuxièmement, l'alimentation en combustible du four s'avère instable : au fur et à mesure que le tube se réchauffe, les chutes deviennent plus fréquentes, car l'huile s'amincit. S'il se déverse en goutte à goutte, c'est à nouveau dangereux.
L'alimentation en huile goutte à goutte du four pendant l'extraction doit être organisée selon un schéma en 2 étapes: réservoir d'huile principal (accumulatif) - vanne - compte-gouttes d'alimentation - réservoir d'alimentation (réservoir) - vidange libre à au moins 60 mm du fond (pour sédimentation supplémentaire des boues) - goutte à goutte de travail. L'alimentation en combustible est ouverte lorsque le petit bois dans le bol (voir ci-dessous) est allumé. Pendant que l'huile s'égoutte dans le réservoir jusqu'au niveau de la vidange, vous pouvez régler lentement son alimentation, puis elle s'égouttera dans la cuvette goutte à goutte.
Schéma d'alimentation en toute sécurité d'un four goutte à goutte à partir d'un réservoir d'alimentation avec une soupape de sécurité et un capillaire
Ce système n'est cependant pas totalement sécurisé. Si vous êtes pressé, par ignorance ou si vous essayez simplement de vous réchauffer du froid dès que possible, ouvrez trop la vanne, le consommable se remplira immédiatement, le carburant se déversera dans le poêle et il jettera une langue du feu et aller cracher des embruns brûlants. Il serait correct de construire un système d'égouttement de l'huile dans le four avec une soupape à flotteur de sécurité et un capillaire de dosage (voir la figure à droite).
Étant donné que différents métaux sont mouillés par l'exploitation minière de différentes manières et que ses propriétés varient considérablement d'un lot à l'autre, la longueur du capillaire devra être sélectionnée : l'huile est fournie sous une pression gravitationnelle de 120 à 150 mm (à partir d'un conteneur suspendu) à température ambiante, et le capillaire est sélectionné de manière à ce qu'il coule plus souvent, mais avec des gouttes clairement visibles à l'œil. De la même mangeoire, goutte à goutte four solaire, mais le capillaire devra être prélevé avec une lumière de 0,6 à 1 mm et une longueur 2,5 à 3 fois supérieure à celle du test. Un tel schéma d'alimentation en combustible d'un four goutte à goutte ne présente qu'un seul inconvénient: l'exploitation minière est un combustible sale et le capillaire devra être nettoyé périodiquement.
Principe de fonctionnement des brûleurs à mazout
Les brûleurs à combustible liquide sont également appelés buses. Leur travail est basé sur le principe de l'injection. C'est-à-dire qu'un fort flux d'air est créé à travers la buse et un vide se forme dans la conduite d'alimentation en carburant, grâce à quoi l'huile pénètre dans la chambre de combustion et la mélange à l'air.
- Préparation du carburant.
Avant d'entrer dans le brûleur, le carburant est filtré dans le filtre à carburant et préchauffé dans une chambre spéciale. Ceci est nécessaire pour réduire la viscosité de l'huile.
Pour l'exploitation minière brûlante, le préchauffage est de 80-900C. La température de préchauffage du carburant est contrôlée automatiquement.
- Réserve de carburant.
Le carburant est pompé hors du réservoir par la pompe à carburant. Son apport s'effectue à partir de la surface du miroir liquide inflammable. Cela est dû au fait que l'exploitation minière peut avoir des impuretés mécaniques ou de l'eau qui se déposent au fond du réservoir.
- processus de combustion.
Pour maintenir le processus de combustion, il est nécessaire d'avoir une certaine quantité d'oxygène dans la chambre de combustion. L'air qui est utilisé pour se raréfier et fournir du carburant est appelé primaire, et il soutient le processus de combustion, mais cela ne suffit pas.
Un ventilateur supplémentaire fournit l'air secondaire. L'intensité du ventilateur est contrôlée par un registre et participe au fonctionnement du système d'automatisation.
- Allumage du carburant.
Pour l'allumage automatique d'une chaudière à combustible liquide, un transformateur d'allumage et des électrodes sont utilisés. Le carburant est mélangé à un jet d'air et pulvérisé en petites gouttelettes. Ensuite, il est introduit dans la chambre de combustion et s'enflamme sous l'influence d'une température élevée.
Buse
Vous devez d'abord fabriquer une buse sphérique, le carburant y circulera à l'avenir. Faire un trou dans la sphère, le diamètre doit être d'environ 0,25 mm
Veuillez noter que la puissance d'un brûleur fait maison dépend du diamètre. Plus le diamètre est petit, plus la puissance est faible et vice versa
Toutes les difficultés vous attendent précisément dans la fabrication de la buse. Le canal pour le passage de l'air doit être parfaitement égal. Il faut que l'air frappe vers l'avant et non contre les parois de la buse. La meilleure option est de faire un trou sur une machine spéciale.

Mais si la chance vous sourit et que vous trouvez un jet avec le bon diamètre, ne manquez pas l'occasion et placez-le au centre de l'élément sphérique. Si vous ne trouvez pas d'hémisphère, vous pouvez utiliser un petit morceau de tôle avec un jet attaché à l'intérieur. En conséquence, vous obtiendrez une buse de pulvérisation d'huile.Le carburant chauffé y coulera et la pulvérisation se produira en raison de l'air entrant. Lors de l'installation d'un tel appareil dans une chaudière universelle, vous obtenez une source de chaleur efficace et bon marché.
Fabrication d'un décapeur thermique à gaz
Comme la version précédente, cette conception a un corps cylindrique en métal. Selon les lois de l'aérodynamique, la section ronde est optimale et le métal a une conductivité thermique élevée, grâce à laquelle l'air chauffé est transféré du boîtier à la pièce.
Les armes à feu sont divisées en deux types :
- chauffage direct . À l'intérieur du cylindre se trouve un brûleur à gaz de section circulaire, il est soufflé de tous les côtés par un ventilateur. La chaleur à la sortie est mélangée aux produits de combustion et sort à travers le corps du pistolet du côté opposé. Il s'avère que des gaz pénètrent également dans la pièce, ce dont de nombreux propriétaires ne sont pas satisfaits. De tels appareils ne peuvent être utilisés que dans un garage, des ateliers ou des dépendances avec de grandes surfaces, où ils ne peuvent pas blesser une personne.
- Action indirecte . Il dispose d'un système intégré d'action indirecte, qui sépare les gaz de combustion, leur chaleur est transférée à l'air soufflé dans un échangeur de chaleur spécialement prévu. Ainsi, le gaz et l'air n'entrent pas en contact l'un avec l'autre. L'air après chauffage quitte l'échangeur de chaleur par la seconde ouverture du boîtier. Les produits brûlés sont évacués par un tuyau latéral relié au tuyau de cheminée.

La progression du pistolet à gaz à faire soi-même est la suivante:
- Prolongez le brûleur à gaz avec un tuyau de diamètre approprié.
- Augmentez l'ouverture du brûleur de 5 mm, ainsi que l'ouverture d'alimentation en gaz de 2 mm.
- Fabriquez un échangeur de chaleur, il doit avoir la forme d'un tuyau, insérez une rallonge du brûleur à une extrémité.
- Fixez la structure avec des pinces.
- Découpez un trou pour la sortie d'air chaud dans la pièce et soudez-y un tuyau du diamètre souhaité.
- Installez un ventilateur sur le côté opposé du tuyau.
- Percez un trou pour l'allumage du carburant. Prévoir une vanne de régulation.
Ayant les compétences nécessaires et se concentrant un peu sur le fonctionnement du pistolet, vous pouvez le créer à partir des matériaux disponibles. Un de ces appareils est présenté dans la vidéo :
Unité # 2 - pistolet thermique à carburant diesel
Lorsque l'accès à l'électricité est limité ou impossible, des appareils de chauffage alimentés au diesel sont souvent utilisés. Il est un peu plus difficile de fabriquer soi-même un tel décapeur thermique qu'un modèle électrique. Vous devrez fabriquer deux caisses et travailler avec une machine à souder.
Comment fonctionne une telle conception ?
Le bas du pistolet thermique diesel est le réservoir de carburant. L'appareil lui-même est placé sur le dessus, dans lequel la chambre de combustion et le ventilateur sont connectés. Le carburant est fourni à la chambre de combustion et le ventilateur souffle de l'air chaud dans la pièce. Pour transporter et allumer du carburant, vous aurez besoin d'un tube de raccordement, d'une pompe à carburant, d'un filtre et d'une buse. Un moteur électrique est fixé au ventilateur.
La chambre de combustion est montée au centre du corps supérieur du pistolet thermique. Il s'agit d'un cylindre métallique dont le diamètre doit être environ deux fois inférieur au diamètre du corps. Les produits de combustion du carburant diesel sont évacués de la chambre par un tuyau vertical. Pour chauffer une pièce d'environ 600 m². m peut nécessiter jusqu'à 10 litres de carburant.
processus d'assemblage
Le fond du boîtier doit être à au moins 15 cm du haut. Pour éviter que le réservoir de carburant ne surchauffe, il doit être fabriqué dans un matériau à faible conductivité thermique. Vous pouvez également utiliser un réservoir métallique ordinaire, qui devra être recouvert d'une couche de matériau calorifuge.
Le schéma montre clairement le dispositif d'un pistolet thermique fonctionnant au carburant diesel. L'appareil doit être monté sur un châssis solide et stable.
Le haut du corps doit être en métal épais, il peut s'agir d'un morceau approprié d'un large tuyau en acier. Il faut fixer dans le cas :
- chambre de combustion à sortie verticale;
- pompe à carburant avec buse ;
- ventilateur avec moteur électrique.
Ensuite, une pompe à carburant est installée et un tuyau métallique est retiré du réservoir, à travers lequel le carburant est d'abord fourni au filtre à carburant, puis à la buse dans la chambre de combustion. A partir des extrémités, le haut du corps est recouvert de filets de protection. L'alimentation électrique du ventilateur devra être prise en charge séparément. S'il n'y a pas d'accès au secteur, une batterie doit être utilisée.
Lors de l'utilisation d'un pistolet thermique diesel, il est important de respecter les règles de sécurité. Même à une distance d'un mètre du boîtier, le flux d'air chaud directionnel peut atteindre 300 degrés
Il n'est pas recommandé d'utiliser cet appareil à l'intérieur, car les produits de combustion du carburant diesel peuvent être dangereux pour la santé humaine.
En plus de l'unité fonctionnant au diesel, d'autres types de matériaux combustibles liquides sont également utilisés pour les pistolets thermiques, par exemple l'huile moteur usée. Une version intéressante d'un tel appareil pour «s'entraîner» est présentée dans la vidéo suivante:
Exigences pour l'installation et le fonctionnement d'un four à mazout
Nécessite que le four soit situé dans une pièce vide à l'écart des surfaces inflammables
Une attention particulière est accordée aux appareils fabriqués par nos soins. Ils ne doivent pas être posés sur une étagère ou tout autre support qui pourrait prendre feu
Un four artisanal pour l'exploitation minière doit être situé sur une base plate, qui peut être en béton ou en brique. Il est nécessaire que la distance entre l'appareil et le mur soit d'au moins 1 m. Pour assurer un bon tirage, la cheminée doit avoir une longueur supérieure à 4 m. Sur son côté extérieur, une isolation doit être prévue pour éviter la formation de condensat acide.
L'huile usagée ne doit contenir aucun solvant ou autre élément inflammable, de sorte que ces composants doivent être tenus à l'écart du four. Il est également inacceptable que de l'humidité pénètre dans le réservoir d'huile. Cela allumera le four. En cas d'urgence, un extincteur doit être utilisé pour éteindre le feu.

Le principe de fonctionnement du poêle avec alimentation goutte à goutte est similaire au mécanisme de fonctionnement des moteurs diesel
Avant de commencer le travail, de l'huile est versée dans le récipient en une quantité égale à la moitié du volume du réservoir, ce qui fournira l'espace nécessaire à la formation de vapeurs. Pour que les vapeurs s'enrichissent en oxygène, il faut attendre un peu. Ensuite, le carburant est enflammé avec de longues allumettes. Dès que le processus d'inflammation des vapeurs commence, le registre est à moitié recouvert.
Pour améliorer les performances du mini-four pendant l'exploitation minière, vous pouvez installer un réservoir scellé avec du liquide au-dessus de sa chambre supérieure. Pour alimenter et drainer l'eau, des raccords y sont fixés, qui sont placés à différents niveaux.Une autre option pour augmenter la productivité est la convection d'air nécessaire, qui est réalisée à l'aide d'un ventilateur situé près de la chambre supérieure. Prenant l'air chaud du poêle, il contribue à son refroidissement, ce qui a un effet positif sur la durée de vie de l'appareil.









































