- Procédure de remplacement d'une chaudière obsolète
- Quels documents sont nécessaires lors du remplacement d'une chaudière à gaz
- Ai-je besoin d'un nouveau projet lors du remplacement d'une chaudière à gaz
- Caractéristiques du remplacement d'une chaudière de même puissance
- Est-il possible de remplacer une chaudière à gaz par une électrique
- Exigences pour le système de ventilation
- Exigences pour le territoire et les locaux
- Matériau de vitrage
- Conseils de montage
- Equipement de chaufferie
- Règlements
- Règles et règlements pour l'installation d'une chaudière à gaz dans une maison privée
- Normes et exigences de fonctionnement
- Exigences pour une pièce pour l'installation d'une chaudière à gaz
- Caractéristiques de l'installation d'équipements à gaz au sous-sol
- Nouvelles règles pour l'utilisation du gaz dans les locaux d'habitation
- Pourquoi équiper une chaufferie séparée chez soi ?
- Définition de la catégorie de danger d'incendie
- Où placer une chaufferie autonome ?
Procédure de remplacement d'une chaudière obsolète
L'équipement à gaz est considéré comme un appareil à danger accru.
Par conséquent, tous les travaux d'installation et d'entretien d'appareils à gaz sont également classés comme travaux à danger accru. Les règles existantes répondent sans équivoque à la question - comment remplacer une chaudière à gaz dans une maison privée - il est interdit d'installer ou de remplacer vous-même l'équipement de la chaudière.L'installation de chaudières ne peut être effectuée que par des autorités spéciales (gorgaz, rygaz, oblgaz) par l'intermédiaire d'entreprises titulaires d'une licence pour de tels travaux.
Pour commencer à remplacer la chaudière, vous devez procéder comme suit :
- Écrivez une demande au service du gaz pour obtenir l'autorisation de remplacer la chaudière. Vous devez savoir que lors du remplacement d'une ancienne chaudière par une similaire, vous n'avez pas besoin de créer un nouveau projet, mais si des modifications ont eu lieu - une chaudière d'un type différent, l'emplacement ou le schéma d'alimentation en gaz change, puis un nouveau projet est créé.
- Après avoir reçu une réponse, vous devez remettre un passeport de construction au service du gaz. Recueillir et soumettre les certificats d'inspection DVK, et si une chaudière importée est installée, un certificat de conformité.
Quels documents sont nécessaires lors du remplacement d'une chaudière à gaz
Avant de remplacer une chaudière à gaz, il est nécessaire de collecter de nombreux documents et d'obtenir des autorisations pour de tels travaux.
Vous aurez besoin des documents suivants :
- Si l'équipement provient de fabricants étrangers, vous devez fournir un certificat conforme à nos normes de sécurité ;
- Si la chaudière est à double circuit, il est nécessaire d'avoir un certificat sanitaire et hygiénique pour fournir de l'eau chaude pour les besoins domestiques. Habituellement, un tel document est fourni immédiatement avec la carte de garantie ;
- Document sur la vérification des conduits de ventilation et de fumée ;
- Contrat de garantie d'au moins 1 an, qui est conclu avec une société de services ;
- Un document avec les résultats de la connexion des équipements aux réseaux d'ingénierie.
- Agir sur les travaux cachés lors de l'installation d'une cheminée coaxiale à travers le mur;
- Projet avec modifications. La condition principale: la nouvelle chaudière doit être légalisée.
Vous devez rassembler tous les documents vous-même.Si vous n'avez pas une telle opportunité, vous pouvez contacter une entreprise d'installation spéciale. Mais dans ce cas, des coûts supplémentaires doivent être calculés.
Ai-je besoin d'un nouveau projet lors du remplacement d'une chaudière à gaz
Le projet précise le modèle, le type et la puissance de l'unité de chauffage. De plus, chaque chaudière a son propre numéro de série, indiqué dans la fiche technique et inclus dans la documentation du projet. Par conséquent, lors du remplacement, vous devrez créer un nouveau projet avec de nouvelles données.
Vous devez à nouveau suivre les étapes suivantes :
- Obtenir un devis pour le remplacement d'une chaudière à gaz. À ce stade, la société de distribution de gaz peut modifier la capacité de l'unité en fonction de la surface habitable réelle de la maison.
- Faire un nouveau projet.
- Obtenez l'approbation en soumettant un projet de distribution de gaz, les spécifications et les résultats de la vérification du conduit de cheminée.
- Remplacez l'ancienne unité par une nouvelle.
Lors du remplacement d'une ancienne chaudière à gaz par une nouvelle, les documents suivants sont nécessaires :
- Le passeport.
- Documents du propriétaire du logement.
- Passeport technique pour les équipements à gaz.
- Caractéristiques.
Les prix standard pour le remplacement des équipements à gaz déjà installés sont de 1 000 à 1 500 roubles, selon la région.
Caractéristiques du remplacement d'une chaudière de même puissance
Si la consommation de gaz par heure de la nouvelle chaudière est similaire à la consommation de gaz de l'ancienne, cela simplifie grandement la tâche. Étant donné que tout ce qui est nécessaire de la part du propriétaire est de soumettre une notification de remplacement à Gorgaz.
Et à cela devrait être attaché:
- Certificat de raccordement chaudière.
- L'acte d'inspection de la ventilation, de la cheminée.
- Contrat d'au moins un an de maintenance des équipements gaz.
Après examen, la demande est autorisée.Après cela, l'équipement est remplacé, testé et son fonctionnement commence. Ainsi, le RF GD n° 1203 p.61(1) permet de fonctionner.
Est-il possible de remplacer une chaudière à gaz par une électrique
Le remplacement est tout à fait possible, mais pour cela, vous devrez obtenir l'autorisation d'un autre organisme impliqué dans l'alimentation électrique. Les documents ne sont nécessaires que si la chaudière électrique a une puissance supérieure à 8 kW. Jusqu'à cette limite de performance, l'unité appartient aux chauffe-eau domestiques ordinaires par le type de chaudière, par conséquent, elle est installée sans permis ni approbation.
Pour les chaudières électriques productives, une ligne d'alimentation électrique séparée sera nécessaire. Vous devrez faire un projet et obtenir la permission d'augmenter la quantité d'électricité produite. Séparément, il est nécessaire d'écrire une déclaration sur la déconnexion de la chaudière à gaz du réseau.
Exigences pour le système de ventilation
Pour que l'air de la pièce circule constamment et en continu, les travaux suivants sont effectués:
- Un trou Ø 100–150 mm est percé dans le mur à une hauteur de 250–300 mm de la surface du sol. L'ouverture doit être à une distance de 200-300 mm de la chambre de combustion de la chaudière. Un morceau de tuyau en plastique ou en métal est inséré dans ce trou, à travers lequel passera la voie de ventilation;
- À l'extérieur, une maille fine est fixée au tuyau de ventilation fileté, qui agit comme un filtre grossier qui protège la ventilation des débris de la rue et des rongeurs ;
- De l'intérieur, un clapet anti-retour coupe le tuyau, ce qui retardera le flux d'air sortant de la chaufferie ;
- Sous le plafond, de préférence au-dessus de la chaudière, de la même manière que ci-dessous, un autre trou de sortie perce. Ce trou n'est pas protégé par un grillage, et un clapet anti-retour doit y être installé.La seule protection est le pare-brise.
Si la chaudière a une puissance supérieure à 30 kW, il est logique de penser à une ventilation électrique forcée, qui rafraîchira l'air, quels que soient le temps et la force du vent. La puissance des ventilateurs dépendra du volume de la chaufferie, mais dans tous les cas, la règle du triple échange d'air doit être respectée - pendant une heure de fonctionnement, une telle ventilation doit déplacer trois volumes d'air dans la pièce, pas moins Dispositif de ventilation pour chauffage au gaz
Exigences pour le territoire et les locaux
Tous les sites industriels adjacents à la chaufferie à gaz doivent être maintenus en ordre et propres, et les déchets des activités de production qui s'y sont accumulés doivent être évacués en temps opportun. Un éclairage suffisant doit être prévu à l'intérieur de la chaufferie.
Il est interdit de stocker des matériaux et substances combustibles dans les locaux des chaudières à gaz. Lorsque les canalisations gèlent, elles ne peuvent être chauffées qu'avec de la vapeur ou de l'eau chaude. L'utilisation de flammes nues est strictement interdite.
Il est interdit de stocker et de sécher des vêtements, des chiffons huilés sur la canalisation et les chaudières. S'il y a un produit de nettoyage dans la chaufferie, il est permis de le stocker dans un récipient en métal avec un couvercle hermétique.
! Le fonctionnement des appareils électroménagers à l'intérieur des chaudières à gaz est interdit !
Une pancarte doit être placée sur les portes indiquant la personne responsable, son poste et son numéro de téléphone de contact.
En cas de fuite de gaz, une alarme automatique doit être prévue pour une concentration accrue de gaz dans la pièce.
Chaufferie
Les passages vers le bâtiment où se trouve la chaudière à gaz, dont la sécurité incendie est la tâche principale de la direction de l'organisation, doivent être débarrassés de la glace et de la neige pendant la saison froide en cas d'incendie, afin que les pompiers puissent y accéder facilement .
La chaufferie doit être protégée de manière fiable contre les tiers en verrouillant les portes, dont la clé doit être conservée par la personne responsable et les gardiens.
Matériau de vitrage
Lors de l'équipement d'une fenêtre pour une chaufferie gazéifiée, des exigences particulières sont également imposées au matériau des cadres. Ils doivent être résistants aux températures élevées et fabriqués avec des matériaux respectueux de l'environnement.
Pour la construction de la structure de la fenêtre, on utilise de l'aluminium ou du métal-plastique. Le profil en aluminium protège le compartiment chauffé des conditions climatiques défavorables. Il fournit une étanchéité fiable qui empêche la formation d'un courant d'air, ne permet pas au feu de s'éteindre dans la chaudière même avec des rafales de vent exilées à l'extérieur.
Les cadres en métal-plastique ne sont pas moins fiables et contribuent à la conservation de la chaleur dans le four.
Le verre plat est utilisé comme matériau de vitrage. Il est également permis d'installer des fenêtres à double vitrage qui répondent aux exigences de GOST et jouent le rôle de structures facilement largables.
Conseils de montage
Le schéma de l'appareil de chauffage dans chaque maison privée est individuel - et pourtant il existe des principes et des critères clairs qui sont plus ou moins universels.
La procédure de tuyauterie de chauffage et de chaudières à eau chaude de vos propres mains implique tout d'abord la division en groupes ouverts et fermés.
Dans la version ouverte, la chaudière de chauffage est placée sous tous les autres composants.Le vase d'expansion est relevé le plus haut possible : c'est la différence de hauteur entre eux qui détermine le rendement global de l'ensemble des équipements.

Le moyen le plus simple de préparer un circuit ouvert
De plus, il est non volatil, ce qui est très important pour les endroits éloignés et pour les zones où les pannes de courant sont fréquentes. Mais il faut comprendre que le contact continu du liquide de refroidissement avec l'air atmosphérique conduit inévitablement à un colmatage par des bulles d'air.
Le liquide de refroidissement circulera lentement et il est impossible d'accélérer son écoulement en raison des schémas structurels. Si ces points sont fondamentaux, et si l'on souhaite réduire également le débit du liquide de refroidissement, il serait plus correct de faire le chauffage selon un circuit fermé.

Si la chaufferie est située dans une extension, elle doit être adjacente à une section solide du mur. Dans le même temps, au moins 1 m d'espace libre doit être laissé à la fenêtre ou à la porte la plus proche. Le bâtiment lui-même est constitué d'un matériau résistant au feu avec une résistance garantie à la combustion pendant au moins 45 minutes. Les chaudières murales sont montées uniquement sur des murs en matériaux ignifuges. Surveillez attentivement que tous les autres murs mesurent au moins 0,1 m.

Si des chaudières puissantes (200 kW et plus) sont utilisées, il est impératif de leur préparer une fondation séparée. La différence entre la hauteur de cette fondation et la hauteur du sol ne peut pas dépasser 0,15 m.Lorsqu'il est prévu d'utiliser du gaz combustible, il est prévu d'installer un appareil sur le tuyau qui coupe de toute urgence le gaz dans une situation critique.
Les salles des fours sont équipées de portes non renforcées ou faiblement renforcées : en cas d'explosion, elles sont projetées vers l'extérieur, ce qui réduit le risque de destruction de l'ensemble du bâtiment.

Lorsqu'une chaufferie intégrée à la maison elle-même est montée, il est permis d'installer des portes entièrement renforcées. Cependant, ils sont déjà présentés avec une autre exigence : contenir le feu pendant au moins ¼ d'heure.
Pour améliorer la ventilation, dans tous les cas, un trou est pratiqué dans le tiers inférieur de la porte, recouvert d'un treillis. Tout le volume des murs de l'intérieur est fini avec des matériaux ignifuges. Cela doit être fait dès que l'installation de la chaudière et sa connexion aux communications sont terminées.


Le nombre de circuits est également important. Si vous envisagez de vous limiter au chauffage, il est tout à fait raisonnable de choisir une chaudière à circuit unique
Pour votre information : il peut également être utilisé pour l'alimentation en eau chaude, mais uniquement en association avec une chaudière. L'installation d'une chaudière se justifie sous 2 conditions : beaucoup d'eau chaude est consommée et il y a beaucoup d'espace libre. Sinon, il serait plus correct de commander une chaudière à double circuit.


Les communications de ventilation sont montées dans le mur opposé à la chaudière. Un treillis et un registre doivent être installés dans le tuyau de ventilation. Dans les chaufferies situées dans une pièce séparée, vous devrez réaliser un conduit de ventilation dans la porte avec une grille à persiennes.


Equipement de chaufferie
Chaudière - un appareil situé dans la chaufferie. Un appareil avec un liquide de refroidissement reçoit de l'énergie thermique des éléments chauffants du combustible. Sa propriété est de brûler. C'est un objet explosif. L'opération est effectuée conformément aux exigences, normes et standards établis.

Le carburant dans les équipements de chauffage est diversifié:
- liquide;
- gaz;
- dur.
L'achat d'une chaudière électrique est l'option la meilleure et la plus sûre. Mais en premier lieu, les chaudières à gaz. Le choix doit être fait en fonction des paramètres approuvés. Considérez la capacité, le budget, la disposition.Un spécialiste vous aidera à suggérer l'appareil. Il sélectionnera un appareil de chauffage pour tous les membres de la famille, les caractéristiques du ménage dans une maison privée.
Un autre appareil dans la chaufferie est une chaudière. Fournit le chauffage de l'eau, économique à l'usage, productif au travail. Définir une taille différente, des propriétés différentes. Continue de fonctionner pendant les arrêts planifiés de l'eau chaude, fournira le bâtiment, le site avec de l'eau. Permet d'accumuler de l'eau, de produire du chauffage, de fournir de la chaleur. Peut être un chauffage direct, indirect, combiné.
Une pompe circulaire est située dans la chaufferie à gaz d'une maison privée. Permet de réguler le système de chauffage, augmente les performances de l'équipement de la pièce. Fournit le chauffage, le transfert de chaleur. Réduit la charge sur la chaudière. Situé dans la partie chauffage de la maison.
L'un des appareils de la pièce est un collecteur de distribution. Contrôle les processus de chauffage, distribue proportionnellement la chaleur. L'installation n'est pas toujours nécessaire. Dépend du type de bâtiment, des appareils, des circuits disponibles. Le contrôle d'un débit uniforme est important dans une maison privée.
La chaufferie à gaz comprend - une flèche hydraulique, un vase d'expansion, des canalisations. Les appareils vous permettent de réguler le flux de chaleur dans la maison, d'éviter les pannes et d'effectuer des calculs de paiement.
Règlements
Les exigences établies régissent l'organisation du système de chauffage pour chaque type de chaudière, sa puissance et son emplacement.
L'équipement le plus couramment utilisé qui fonctionne au gaz naturel. Cela est dû à des performances élevées et à un faible coût d'utilisation. La conception et le mode de fonctionnement lui permettent d'être utilisé également dans les bâtiments publics.
Les normes SNiP II-35-76 déterminent les conditions d'installation des chaudières à combustible solide. Les chaudières électriques sont montées conformément aux normes PUE.
Ces documents fixent les exigences pour le dispositif du système de chauffage. En plus d'eux, il existe de nombreuses autres unités de chauffage qui régulent certains moments de la construction.
Règles et règlements pour l'installation d'une chaudière à gaz dans une maison privée
Puisqu'il est nécessaire de respecter un grand nombre de règles, et parfois de s'entendre sur les conditions avec les ouvriers du gaz, les concepteurs, l'inspection des incendies, l'hôte, il est préférable de confier le développement du projet et l'installation d'une unité de chauffage à un organisme autorisé à effectuer ces travaux et dûment certifié.
Cependant, la connaissance par le propriétaire des normes de base est recommandée. Le lieu d'installation de la chaudière est strictement réglementé. Seuls les petits appareils électroménagers peuvent être placés dans la cuisine ou dans une autre pièce de la maison jusqu'à 60kW.
Le volume de la chaufferie est également établi par les règles en vigueur.

Le lieu est déterminé comme suit :
- Une chaudière d'une puissance allant jusqu'à 30 kW peut être placée dans n'importe quelle pièce d'au moins 7,5 m², à l'exception de la cuisine.
- Si la cuisine fait 15 m³ et que la hauteur sous plafond est de 2,5 m, il est permis d'avoir une chaudière jusqu'à 60 kW.
- Les équipements d'une capacité de 30 à 60 kW peuvent être installés avec un volume de pièce d'au moins 13,5 m³.
- La capacité cubique de la chaufferie avec des équipements de 150 à 350 kW est fournie à hauteur de 15 m³ ou plus.
Le système de chauffage peut avoir 1 ou 2 circuits. Dans le premier cas, il ne sert qu'au chauffage et nécessite l'installation supplémentaire d'une chaudière, et dans le second, il remplit les deux fonctions, c'est-à-dire chauffe la maison et chauffe l'eau.Il est conseillé d'installer une chaudière à circuit unique où beaucoup d'eau chaude est utilisée.
En 2019, une nouvelle exigence a été introduite - une chaufferie à gaz doit être équipée d'un système de détection des fuites de gaz. Un analyseur spécial arrêtera le fonctionnement de la chaudière si nécessaire.
La chaudière est fixée au mur ou installée au sol. Dans le premier cas, sa puissance ne doit pas dépasser 60 kW, et dans la cuisine ou le couloir, ce chiffre est de 35 kW.
Les chaudières murales à gaz sont très sensibles à la dureté de l'eau. Pour l'adoucir, un filtre est installé à l'entrée de l'appareil. Les options de plancher chauffent de grandes surfaces et sont plus durables.
Pour l'entretien des équipements, il est recommandé de concevoir une zone de chaufferie d'au moins 7-10 m², et s'il y a d'autres équipements, il est préférable de l'augmenter à 12 m². Les manomètres et autres appareils de mesure sont vérifiés par un laboratoire d'instrumentation certifié selon un calendrier établi.

Normes et exigences de fonctionnement
Il existe des exigences concernant la conception et l'installation des chaudières de toit, mais elles sont minimes. Tous sont basés sur la garantie de la sécurité lors de l'exploitation de la structure.
En particulier, les actions suivantes doivent être effectuées régulièrement :
- Il est nécessaire de vérifier en permanence les vannes d'alimentation et d'échappement, grâce auxquelles la chaufferie est ventilée.
- Il est nécessaire au stade de la conception de prévoir l'installation de capteurs qui détectent les éventuels incendies, fuites de gaz et autres situations d'urgence. De plus, il est nécessaire d'installer une bride d'isolation gaz capable d'arrêter l'ensemble du système en cas d'incendie.
- Le toit d'un bâtiment à plusieurs étages doit être équipé d'un système d'alarme, qui commencera immédiatement à avertir les autres par des signaux sonores et lumineux d'un incendie dans la chaufferie.
- La chaufferie doit être équipée de fenêtres et de portes menant directement au toit. Un ascenseur d'incendie spécial et une sortie de service sont également nécessaires. L'éclairage de la chaufferie doit être conforme aux normes.
- Une cheminée séparée doit être conçue pour chaque chaudière à gaz et elles doivent toutes être de la même hauteur. La distance entre les tuyaux peut être quelconque.
Pour assurer un fonctionnement plus stable et plus sûr des chaudières sur le toit, une branche d'électricité distincte doit leur être connectée. Cela nivellera les surtensions possibles dans la maison, ce qui peut entraîner une panne de l'ensemble du système de chauffage.
Il est également souhaitable de prévoir une alimentation électrique alternative, notamment pour acheter un générateur diesel.
Selon les règles de sécurité, le tuyau de cheminée doit être au moins 2 mètres plus haut que la hauteur du toit de la chaufferie elle-même
Il est interdit d'installer une chaudière à gaz directement au-dessus des appartements résidentiels. Entre eux et le toit, vous devez faire un plancher technique afin de respecter la liste des conditions obligatoires concernant les chaufferies. Les appareils à gaz ne peuvent être posés que sur un sol constitué de dalles en béton armé.
N'oubliez pas que la chaufferie est assez bruyante, il est donc important de l'insonoriser. Une fois la chaufferie conçue et installée, il est nécessaire d'organiser son entretien périodique.
Pour ce faire, il suffit d'embaucher une ou deux personnes. De temps en temps, des employés du service de gaz viendront également avec des inspections, qui surveilleront l'état de l'équipement en fonctionnement.
Une fois la chaufferie conçue et installée, il est nécessaire d'organiser son entretien périodique. Pour ce faire, il suffit d'embaucher une ou deux personnes. De temps en temps, des employés du service de gaz viendront également avec des inspections, qui surveilleront l'état de l'équipement en fonctionnement.
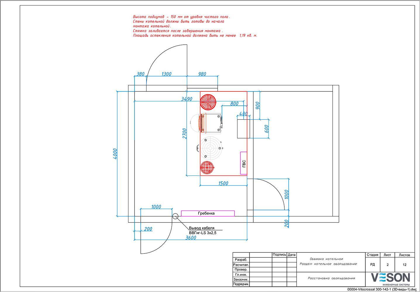
Exigences pour une pièce pour l'installation d'une chaudière à gaz
Des informations complètes sur la bonne préparation des locaux sont contenues dans l'un des documents ci-dessus. En particulier, il existe des réglementations sur les dimensions de la chaufferie, la disposition de la porte d'entrée, la hauteur du plafond et d'autres paramètres importants (voir les principales exigences ci-dessous).
Il convient de noter immédiatement que si la puissance thermique maximale d'une chaudière à gaz est supérieure à 30 kW, une pièce séparée doit être allouée pour son installation. Des modèles avec une capacité inférieure et avec un emplacement approprié pour la sortie de la cheminée peuvent être installés, par exemple, dans une pièce de cuisine. Il est strictement interdit d'installer une chaudière à gaz dans la salle de bain.
Vous ne pouvez pas l'installer dans la salle de bain, ainsi que dans les pièces considérées comme résidentielles en fonction de leur destination. En alternative, l'aménagement de la chaufferie dans un bâtiment séparé est autorisé. Dans le même temps, leurs propres normes sont prises en compte, à propos desquelles il y a des informations ci-dessous.
Une chaufferie dans une maison particulière peut être aménagée au sous-sol, dans les combles (déconseillé) ou simplement dans une pièce spécialement aménagée pour ces tâches.
Conformément aux règles d'installation d'une chaudière à gaz dans une maison privée, elle doit être équipée des critères suivants:
- La superficie n'est pas inférieure à 4 m2.
- Une pièce est calculée pour pas plus de deux unités d'équipement de chauffage.
- Le volume libre est pris à partir de 15 m3.Pour les modèles à faible productivité (jusqu'à 30 kW), ce chiffre peut être réduit de 2 m2.
- Du sol au plafond doit être de 2,2 m (pas moins).
- La chaudière est installée de manière à ce que la distance entre celle-ci et la porte d'entrée soit d'au moins 1 m; il est recommandé d'équiper l'unité près du mur, qui est situé en face de la porte.
- Sur la face avant de la chaudière, il faut laisser au moins 1,3 m de distance libre pour l'installation, le diagnostic et la réparation de l'appareil.
- La largeur de la porte d'entrée est prise aux alentours de 0,8 m ; il est souhaitable qu'elle s'ouvre vers l'extérieur.
- La pièce est munie d'une fenêtre avec une fenêtre s'ouvrant vers l'extérieur pour une ventilation d'urgence de la pièce ; sa superficie doit être d'au moins 0,5 m2 ;
- La finition de surface ne doit pas être réalisée à partir de matériaux susceptibles de surchauffer ou de s'enflammer.
- Une ligne électrique séparée est introduite dans la chaufferie pour relier l'éclairage, une pompe et une chaudière (si elle est volatile) avec son propre disjoncteur et, si possible, avec un RCD.
Une attention particulière doit être portée à la disposition du sol. Il doit avoir une base solide sous la forme d'une chape rugueuse avec renfort, ainsi qu'une couche de finition en matériaux absolument incombustibles (céramique, pierre, béton)
Pour faciliter le réglage de la chaudière, les sols sont réalisés strictement en fonction du niveau.
Sur une surface courbe, l'installation de la chaudière peut être difficile voire impossible en raison d'une portée insuffisante des pieds réglables. Il est interdit de placer des objets tiers en dessous pour niveler l'appareil. Si la chaudière est installée de manière inégale, elle peut ne pas fonctionner correctement, avec une augmentation du bruit et des vibrations.
Pour remplir le système de chauffage de l'eau et l'alimenter pendant le fonctionnement, il est nécessaire d'entrer une conduite d'eau froide dans la chaufferie. Pour vidanger le système pendant la période d'entretien ou de réparation des équipements, un point d'égout est aménagé dans le local.
Il existe des exigences particulières pour la cheminée et pour assurer l'échange d'air dans la chaufferie d'une maison privée, c'est pourquoi cette question est examinée dans un alinéa séparé ci-dessous.
Si la pièce pour l'installation d'une chaudière à gaz est équipée dans un bâtiment séparé d'une maison privée, les exigences suivantes lui sont imposées:
- votre fondation;
- base concrète;
- la présence d'une ventilation forcée;
- les portes doivent s'ouvrir vers l'extérieur;
- les dimensions de la chaufferie sont calculées selon les normes ci-dessus;
- il est permis d'installer pas plus de deux chaudières à gaz dans la même chaufferie;
- la présence d'une cheminée correctement équipée;
- il doit être librement accessible pour le nettoyage et autres opérations ;
- pour l'alimentation des équipements d'éclairage et de chauffage de la pièce, une entrée séparée avec une machine automatique de la puissance appropriée est prévue ;
- l'approvisionnement en eau doit être organisé de manière à ce que le réseau ne gèle pas pendant la saison froide.
Mini-chaufferie montée à proximité de la maison.
Les sols, les murs et les plafonds d'une chaufferie équipée séparément doivent également être fabriqués et finis avec des matériaux correspondant à la classe des incombustibles et résistants à la chaleur.
Caractéristiques de l'installation d'équipements à gaz au sous-sol
Placer une chaudière à gaz au sous-sol est pratique pour les personnes vivant dans une maison privée, mais cela n'est pas toujours autorisé. Les exceptions ont longtemps été les systèmes de gaz d'hydrocarbures liquéfiés, qui ont longtemps été utilisés partout.
Les chaudières d'un tel système fonctionnent avec du combustible extrait du pétrole. Dès que le gaz naturel s'est répandu et que des équipements spéciaux pour les bâtiments résidentiels ont été produits à cet effet, les restrictions d'installation dans les sous-sols ont été complètement supprimées.
Désormais, les exigences du SNIP autorisent jusqu'à 4 unités à gaz de tout type situées au sous-sol, dont la puissance totale ne doit pas dépasser 200 kW. Le degré de sécurité est si élevé que leur emplacement est possible même dans le grenier.
L'une des principales exigences avant de commencer les travaux d'installation sur l'installation d'équipements à gaz est une conception approuvée de la chaufferie. Cela doit être fait avant de démarrer le système, car son fonctionnement est un facteur de risque d'incendie accru, à la suite de quoi il peut être interdit par l'inspection incendie. Dans ce cas, il s'agit même du démantèlement de la chaufferie ou de la restructuration du système.
Nouvelles règles pour l'utilisation du gaz dans les locaux d'habitation
Tous les résidents des immeubles à appartements sont tenus d'écouter un briefing sur les mesures de sécurité lors de l'utilisation d'équipements à gaz. L'événement a lieu après la conclusion d'un accord avec les représentants de GorGaz. De plus, le briefing est répété après chaque inspection programmée.
Les résidents sont tenus de permettre aux employés de GorGaz d'accéder aux locaux où sont installés les équipements à gaz à toute heure de la journée. Sinon, vous devrez payer une lourde amende. S'il n'y a pas de résidents dans la maison ou l'appartement pendant plus de 24 heures, il est impératif de fermer le robinet d'alimentation en gaz.
Les nouvelles règles obligent les sociétés de gestion à vérifier régulièrement les sous-sols et les conditions de ventilation une fois tous les 10 jours.
Les résidents sont tenus de :
- surveiller la propreté de la ventilation;
- avant de commencer à cuisiner, aérez la pièce;
- ne pas installer de meubles inflammables à proximité du poêle.
S'il y a une odeur de gaz dans la pièce, fermez d'urgence le robinet, ouvrez les fenêtres et appelez les secours.
Une mauvaise utilisation des appareils à gaz dans les bâtiments résidentiels peut entraîner de tristes conséquences.
Les nouvelles règles entrent en vigueur le 9 mai 2018.
Pourquoi équiper une chaufferie séparée chez soi ?
Lors de l'aménagement du système de chauffage, le propriétaire de la maison doit choisir l'emplacement de l'équipement utilisant du gaz.
La décision peut être due à des considérations esthétiques et de conception, à la question de la sécurité (en présence de personnes handicapées à la maison, ainsi que d'enfants). Mais en plus, cela peut être dicté par les normes en vigueur en matière de puissance des équipements.
Considérez les types d'emplacement des chaufferies.
Les chaudières peuvent être situées :
- à l'intérieur de la maison - ils sont généralement prévus au stade de la construction d'une maison, car dans la maison construite, il peut ne pas y avoir de pièce libre adaptée en termes de paramètres;
- sur une fondation distincte en prolongement, le long d'un mur aveugle et en respectant une distance de la porte et de la fenêtre la plus proche de 1 mètre sans majeur attenant à un immeuble d'habitation;
- détaché - situé à une certaine distance de la maison principale.
La réglementation détermine que si la puissance des équipements utilisant du gaz ne dépasse pas 60 kW, ils peuvent être placés dans la cuisine (à l'exception de la niche de la cuisine), dans la cuisine-salle à manger et dans d'autres locaux non résidentiels, à l'exception des salles de bains et salles de bains.
Le volume minimum de four pour 30 kW de puissance est d'au moins 7,5 mètres cubes. M. De 60 à 150 kW nécessitent l'aménagement d'une pièce séparée. Le volume minimum de la pièce est de 13,5 mètres cubes. M. De 150 à 350 kW.Le volume minimum de la pièce est de 15 mètres cubes. M.
Une chaufferie gaz autoportante doit être conçue avant sa construction ou son installation. Suivez toutes les règles pour son agencement, sinon l'emplacement de l'équipement utilisant du gaz ne sera pas approuvé
Nous parlons de chaufferies individuelles, c'est-à-dire d'une puissance d'équipement de 60 à 350 kW.
Définition de la catégorie de danger d'incendie
Selon le règlement technique (FZ n ° 123), la catégorie des chaudières à gaz pour la sécurité incendie doit être déterminée. La chaufferie gaz appartient à la classe F5 en tant que bâtiment de type production (Catégories et classes de bâtiments à risques d'explosion et d'incendie). Ensuite, vous devez vous référer au règlement de construction 12.13130.2009, qui définit la sous-classe de risque d'incendie. La sous-classe est calculée en fonction des facteurs pouvant provoquer un incendie. Celui-ci prend en compte :
- type de combustible dans la chaufferie;
- type d'équipement utilisé;
- caractéristiques de conception d'une chaudière à gaz.
Dans les calculs, la chaufferie est conditionnellement divisée en trois zones: canalisations, directement chaudières, cheminée. De plus, il est nécessaire de prendre en compte la pression dans le gazoduc. En conséquence, une catégorie est attribuée pour une chaufferie à gaz de A à G. Les données obtenues doivent également être placées sur les portes d'entrée de la chaufferie.
Où placer une chaufferie autonome ?
Il est très important de choisir le bon endroit pour installer les appareils de chauffage. Ainsi, une chaufferie à gaz sur le toit d'un immeuble de grande hauteur est considérée comme l'option la plus préférée.
Souvent, ils sont également installés dans des sous-sols ou des sous-sols.
Pour entretenir la chaufferie, il suffit d'engager un seul spécialiste, ce qui représente une véritable économie d'argent chaque mois.
De loin, la meilleure option en termes de sécurité et de facilité d'entretien consiste à construire un bâtiment séparé à proximité du bâtiment résidentiel. Les résidents ne seront pas menacés par d'éventuelles fuites de carburant, accumulation de gaz au sous-sol.
Mais vous devrez construire un bâtiment supplémentaire, en poser les fondations, effectuer de nombreux travaux de terrain, rédiger un certain nombre de documents. Cela effraie immédiatement les investisseurs potentiels. Par conséquent, une chaufferie à gaz au sous-sol ou sur le toit peut être considérée comme la meilleure option.

































