- La longueur de la ligne de fréon
- Normes de distance entre blocs
- Conduite trop courte
- La distance est supérieure à la norme
- Types principaux
- Concevoir
- Emplacement
- Possibilité de localisation de l'unité dans le local technique
- Blocs de connexion
- Drainage
- Système de circulation de fréon
- roulant
- Connexion portuaire
- Règles de base pour l'installation et le raccordement d'un climatiseur
- Caractéristiques de montage de l'unité extérieure du climatiseur
- Quel est le plus rentable: installation professionnelle ou installation par vous-même d'un système divisé
- Test de pression et d'étanchéité
- Bloc de fixation
- Installation de la partie extérieure
- Installation de l'intérieur
- Quelques informations générales
- Choisir le bon endroit pour installer le climatiseur
- Conclusions et vidéo utile sur le sujet
La longueur de la ligne de fréon
Les utilisateurs de la technologie climatique se disputent souvent sur la distance entre l'unité externe du climatiseur et l'unité interne, puis expérimentent l'installation. Ils peuvent être compris - parfois, les caractéristiques de l'intérieur ou l'emplacement des pièces nécessitent une augmentation de la longueur du pipeline.
Mais les installateurs professionnels savent avec certitude qu'il est impossible d'augmenter ou de diminuer arbitrairement la longueur du pipeline. En effet, un écart par rapport aux paramètres requis affecte immédiatement les performances du climatiseur.
Nous découvrirons quelles doivent être les normes d'installation et pourquoi elles ne peuvent pas être modifiées.
Normes de distance entre blocs
Les normes d'installation sont fixées par le fabricant. Si vous suivez les instructions, vous trouverez dans la section d'installation des schémas et des paramètres de fonctionnement sur lesquels vous devez vous concentrer lors de l'installation.
En règle générale, ils indiquent la longueur maximale de l'autoroute, rien n'est dit sur le minimum. Mais dans le kit avec les blocs, vous trouverez des tubes en cuivre pour les connecter - en aucun cas ils ne doivent être raccourcis.
La longueur de la tuyauterie dépend du modèle.
Pour les systèmes split domestiques avec une unité murale intérieure, les normes suivantes s'appliquent :
- la distance maximale entre les blocs est de 15 m ou 20 m (moins souvent - 10 m);
- la distance minimale entre les blocs est de 3, 4, 5 m (sur la longueur du tuyau dans le kit).
Les données exactes sont indiquées dans les documents techniques pour un modèle spécifique.
Selon les paramètres indiqués dans le tableau, il est clair que lorsque l'itinéraire est prolongé, un remplissage supplémentaire du circuit avec du fréon est nécessaire.
Si le système divisé est équipé d'un tuyau de 5 mètres, il ne peut pas être raccourci. Et si la distance entre les blocs n'était que de 3 m et que le tube était de 5 m ? Il vous suffit de l'enrouler soigneusement en gros anneaux, sans casser ni tordre, et de cacher les 2 m restants dans l'un des blocs.
Conduite trop courte
Si les fabricants n'indiquent la longueur minimale de la ligne de fréon dans aucune des sources disponibles (instructions papier ou électroniques, vidéo), laissez-vous guider par la valeur généralement acceptée - 3 m.Vous ne pouvez pas raccourcir l'itinéraire.
Si nous nous rappelons comment se déroule le processus de transition du réfrigérant d'un état à un autre, nous comprendrons alors qu'un tuyau court ne suffit tout simplement pas pour une transformation complète de la substance.Le fréon, qui n'a pas eu le temps de se transformer en gaz dans l'évaporateur, entrera dans le compresseur sous forme de liquide, ce qui ne doit pas être autorisé.
Les conséquences de l'installation d'une canalisation trop courte sont différentes :
- panne de pièces de climatiseur;
- la transition des vibrations du module extérieur vers le mur ;
- bruits inhabituels pour un climatiseur - gargouillis de fréon dans le pipeline.
Ces problèmes ne peuvent être éliminés qu'en augmentant la longueur du pipeline. Comme vous pouvez le voir, une petite nuance de montage s'est avérée très importante.
La distance est supérieure à la norme
Comme vous le savez déjà, la longueur maximale de la ligne de fréon est limitée à 20 mètres. Cette valeur est pertinente pour les modèles domestiques avec une performance moyenne de 2,5 à 3 kW. Mais pour les unités semi-industrielles de 8 à 9 kW, d'autres limites sont utilisées - la longueur du pipeline passe à 50 m.
On peut en conclure que les paramètres de distance entre les blocs des systèmes divisés sont directement liés à une caractéristique technique telle que la performance.
La chose la plus dangereuse qui puisse arriver si le pipeline est trop long est une diminution de la pression. De plus, les deux sections - gaz et liquide - s'attendent à des conséquences négatives.
Si la pression du gaz chute avant d'entrer dans le compresseur, elle diminue également à la sortie. En conséquence, les paramètres de température diminuent, la congélation se produit.
Il n'y a pas de fonction de chauffage de ligne spéciale, de sorte que le compresseur surchauffe et tombe en panne en raison de la charge. Vous avez examiné les caractéristiques du diagnostic du compresseur et la méthode de réparation dans l'article : Comment poser un itinéraire de climatiseur : les spécificités d'un appareil de communication
Une diminution de la pression dans une section de canalisation avec du fréon liquide entraîne une augmentation de la proportion de gaz.Une teneur élevée en gaz augmente la vitesse du réfrigérant, ce qui entraîne une perte de charge encore plus importante. Dans de telles conditions, le fonctionnement normal du climatiseur est tout simplement impossible.
Mais il existe une solution : pour réduire les pertes de charge dans la ligne, augmentez le diamètre du tuyau en cuivre. Pour cela, utilisez la formule :
Les installateurs professionnels conseillent d'augmenter la longueur de la ligne de fréon uniquement dans les sections horizontales.
Afin de ne pas recourir à des calculs complexes, il est recommandé d'augmenter le diamètre du tuyau de gaz (il est légèrement plus épais) d'une taille : c'est-à-dire remplacer 3/8 par 1/2, 1/2 par 5/8, etc.
Nous vous déconseillons de faire vous-même l'installation habituelle d'un climatiseur ou de remplacer les tuyaux. Les professionnels expérimentés savent mieux gérer les cas difficiles et éviter les problèmes.
Types principaux
Lors de l'installation, vous devez lire attentivement les instructions, car l'installation dépendra du type de lavabo que vous avez acheté.
Ces puits sont classés selon plusieurs critères.
Concevoir
Selon les caractéristiques de conception, il existe trois types:
- Monolithique - lorsque le piédestal et l'évier lui-même ne font qu'un. La particularité de ces produits est l'absence d'arrêt d'évier - il s'agit d'un dispositif intégral et indivisible.
- Constitués d'un bol séparé, ils sont pratiques en ce sens que lors du nettoyage du siphon, vous n'avez pas besoin de déplacer toute la structure, il vous suffit d'éloigner la jambe.
- Modifications dans lesquelles la jambe ne touche pas le sol. L'avantage est leur installation à n'importe quelle hauteur dont vous avez besoin.

Emplacement
Il existe deux types :
- Coin - idéal pour les petites salles de bains. L'installation est effectuée uniquement dans le coin de la pièce. Fondamentalement, ces coquilles sont de petite taille.
- Ordinaire - leur installation est effectuée le long d'un mur plat. C'est l'option la plus populaire, car ils peuvent être installés dans n'importe quelle salle de bain.
Possibilité de localisation de l'unité dans le local technique
Les locaux non résidentiels d'un immeuble d'appartements qui ne font partie d'aucun appartement appartiennent à tous les propriétaires d'appartements de cet immeuble de grande hauteur en même temps. Ceci est homologué par le Code du logement dans la première partie de l'article 36.
Cela signifie que tout grenier, ainsi que les locaux techniques d'un immeuble à appartements est en copropriété locataires.

Du point de vue de la loi, le grenier est conçu pour accueillir les communications utilitaires et techniques à usage domestique, et donc les équipements climatiques (c'est-à-dire les climatiseurs)
L'article 161 du code du logement traduit la nécessité de maintenir des conditions de vie favorables pour tous les résidents d'un immeuble de grande hauteur. Cette pièce, qui est la propriété commune des copropriétaires, doit être maintenue en bon état tant du point de vue du bien-être sanitaire et épidémiologique que de la sécurité incendie.
Selon les "Règles de fonctionnement technique du parc de logements" élaborées par Gosstroy n ° 170 du 27 septembre 2003, l'organisme de gestion (ci-après dénommé MA) est tenu de garantir les conditions de température et d'humidité du grenier ( plancher technique), ce qui exclut la formation de condensat sur l'enveloppe du bâtiment (clause 3.3.1).
De plus, la température d'un local technique froid (non chauffé) ne peut dépasser la température de l'air extérieur que de 4 °C (clause 3.3.2).
L'accès aux combles n'est autorisé qu'aux salariés de la MA et au personnel des sociétés d'exploitation dont les équipements sont situés en toiture ou dans les combles (clause 3.3.5).
Selon les normes ci-dessus, ils n'ont pas défini d'interdiction directe d'installer un élément de climatiseur split dans le grenier. Si l'autorité de gestion ne parvient pas à fournir des objections raisonnables et si 50 % des propriétaires de l'immeuble donné ne se prononcent pas contre le placement de l'unité (ou des unités) de compresseur-évaporation dans l'étage technique, cette installation sera légale.
Blocs de connexion
Ici, en général, il n'y a pas de secrets particuliers. Les communications tendues à travers le trou dans le mur sont connectées aux connecteurs appropriés. La connexion du câble ne pose aucun problème - connectez les fils de la même couleur aux bornes qui leur sont déjà connectées. Dans ce cas, vous ne pouvez pas vraiment vous tromper.
Si la différence de hauteur dans l'installation des blocs dépasse 5 mètres, il est nécessaire de faire une boucle pour récupérer l'huile (nous posons ainsi des tuyaux en cuivre) dissoute dans le fréon. Si le drop est plus faible, on ne fait pas de boucles.
Pose du chemin entre l'unité intérieure et l'unité extérieure du système split
Drainage
Il existe deux façons de détourner le drainage du système divisé - dans les égouts ou juste à l'extérieur, par la fenêtre. La deuxième méthode est plus courante chez nous, bien qu'elle ne soit pas très correcte.
C'est la sortie de vidange de l'unité intérieure (pratique)
Le raccordement du tuyau de vidange est également facile. Un tuyau ondulé est facilement tiré sur la sortie du système de drainage de l'unité intérieure (un tube avec un embout en plastique au bas de l'unité). Pour le maintenir en sécurité, vous pouvez serrer la connexion avec une pince.
Il en va de même pour le drainage de l'unité extérieure. Sortez-le en bas. Souvent, ils laissent tout tel quel et l'eau s'égoutte, mais il est probablement préférable de mettre également un tuyau de drainage et d'évacuer l'humidité des murs.
Vidange de l'unité extérieure
Si ce n'est pas un tuyau flexible qui est utilisé, mais un tuyau en polymère, il faudra sélectionner un adaptateur qui vous permettra de connecter la sortie du climatiseur et le tube. Il faudra surveiller sur place, car les situations sont différentes.
Lors de la pose d'un tuyau de drainage, il est préférable d'éviter les virages serrés et certainement de ne pas permettre l'affaissement - la condensation s'accumulera à ces endroits, ce qui n'est pas bon du tout. Comme cela a été dit plus d'une fois, le tube est disposé avec une pente. Optimal - 3 mm par mètre, minimum - 1 mm par mètre. Tout au long, il est fixé au mur, au moins tous les mètres.
Système de circulation de fréon
Il est un peu plus difficile de raccorder des tuyaux en cuivre. Ils sont soigneusement disposés le long des murs, en évitant les plis et les plis. Pour le cintrage, il est préférable d'utiliser une cintreuse, mais vous pouvez vous débrouiller avec une cintreuse à ressort. Dans ce cas, les virages serrés doivent également être évités, mais afin de ne pas plier les tubes.
Les ports de l'unité extérieure ressemblent à ceci. Idem à l'intérieur.
Dès le début, nous connectons les tubes dans l'unité intérieure. Sur celui-ci, nous tordons les écrous des ports. Lorsque les écrous se desserrent, un sifflement se fait entendre. C'est de l'azote qui sort. C'est normal - de l'azote est pompé à l'usine afin que l'intérieur ne s'oxyde pas. Lorsque le sifflement s'arrête, retirez les bouchons, retirez l'écrou, placez-le sur le tube, puis commencez à rouler.
roulant
Tout d'abord, retirez les bouchons des tuyaux et vérifiez le bord. Il doit être lisse, rond, sans bavures. Si la section n'est pas ronde lors de la coupe, utilisez un calibrateur. Il s'agit d'un petit appareil que l'on peut trouver dans le magasin du front. Il est inséré dans le tuyau, défilé, alignant la section.
Les bords des tubes sont soigneusement alignés sur 5 cm, après quoi les bords sont évasés afin de pouvoir être connectés à l'entrée / sortie des blocs, créant un système fermé. La bonne exécution de cette partie de l'installation est très importante, car le système de circulation du fréon doit être étanche. Ensuite, le ravitaillement en carburant du climatiseur ne sera plus nécessaire de sitôt.
Tuyaux en cuivre expansibles pour installation de climatisation
Lors de l'évasement, maintenez le tuyau avec le trou vers le bas. Encore une fois, pour que les particules de cuivre ne pénètrent pas à l'intérieur, mais se répandent sur le sol. Dans le support, il est serré de sorte qu'il dépasse de 2 mm vers l'extérieur. C'est vrai, ni plus, ni moins. Nous serrons le tube, posons le cône évasé, le tordons en appliquant des efforts solides (le tube est à paroi épaisse). L'évasement est terminé lorsque le cône n'avance plus. On réitère l'opération de l'autre côté, puis avec l'autre tube.
C'est ce que le résultat devrait être
Si vous n'avez jamais roulé de tuyaux auparavant, il est préférable de s'entraîner sur des pièces inutiles. Le bord doit être lisse, avec une bordure continue claire.
Connexion portuaire
Nous connectons le bord évasé du tuyau à la sortie correspondante, serrons l'écrou. Aucun joint, produit d'étanchéité, etc. supplémentaire ne doit être utilisé (interdit). Pour cela, ils utilisent des tubes spéciaux en cuivre de haute qualité, de sorte qu'ils assurent l'étanchéité sans fonds supplémentaires.
Principe de connexion du tube en cuivre avec le port du climatiseur
Vous devez faire un effort sérieux - environ 60 à 70 kg. Seulement dans ce cas, le cuivre s'aplatira, serrera le raccord, la connexion deviendra presque monolithique et scellée avec précision.
La même opération est répétée avec les quatre sorties.
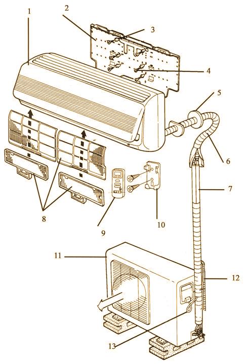
Règles de base pour l'installation et le raccordement d'un climatiseur
La structure du système split traditionnel comprend une unité externe, située à l'extérieur de la fenêtre, et une unité interne. Dans certains cas, plus d'un bloc est installé. De telles combinaisons sont connues sous le nom de systèmes multi-splits.
Schéma d'installation de l'unité intérieure et extérieure du système split
Chaque élément du système remplit ses fonctions. Ainsi, l'unité extérieure est responsable de la condensation, tandis que l'unité intérieure remplit les fonctions d'un évaporateur. Les blocs sont connectés à l'aide d'une ligne de tubes et de fils. Le fréon circule dans les tubes. Le système comprend également un tube de vidange. Il est connecté à l'unité extérieure. Il est responsable de l'évacuation de l'humidité condensée lors du fonctionnement de l'installation. Selon les règles, ce tube doit être raccordé au réseau d'égouts.
Des systèmes de climatisation sont disponibles à la vente pour tous les goûts et toutes les demandes. Cependant, en termes de composition et de technologie de connexion, ils ne diffèrent pratiquement pas les uns des autres.
Avant de procéder à l'installation des blocs, vous devez décider d'un certain nombre de points importants.
- Tout d'abord, décidez du côté du monde où ira l'unité de condensateur.
- Deuxièmement, vous devez établir le matériau à partir duquel les murs de la maison sont fabriqués. Conformément à ce moment, des fixations appropriées seront sélectionnées. De plus, certains changements dans le processus d'installation du système sont apportés par le poids des blocs.
Lors du choix de la puissance d'un futur système split, tenez compte des caractéristiques opérationnelles et autres caractéristiques importantes du logement. Tout d'abord, considérez l'orientation de l'appartement ou de la maison par rapport aux points cardinaux
Le nombre de personnes habitant le logement, la puissance totale des appareils électriques, le nombre de radiateurs de chauffage, la présence d'autres systèmes et appareils de ventilation sont également importants.
Caractéristiques de montage de l'unité extérieure du climatiseur
Le plus souvent, cette partie des systèmes split modernes est placée sur le mur de la maison. Mais gardez à l'esprit que si vous vivez dans un immeuble à plusieurs étages, l'installation de l'unité extérieure du climatiseur lui-même et l'entretien préventif / d'entretien régulier à l'avenir coûteront cher. Le fait est qu'un tel travail ne peut être effectué que par une personne spécialement formée, au moins qui possède un certificat de grimpeur industriel.
Les experts recommandent de choisir un balcon ou une loggia pour installer l'unité extérieure du climatiseur. Gardez simplement à l'esprit qu'il est strictement interdit par les règles de sécurité d'installer l'unité extérieure des systèmes split sur des balcons / loggias vitrés s'il n'est pas possible d'assurer l'apport d'air frais en ouvrant les châssis des fenêtres.
En général, lors de l'installation de l'unité extérieure d'un système split, vous devez être guidé par les recommandations suivantes des spécialistes :
- vous ne pouvez pas installer l'unité près des arbres et à proximité des communications de gaz ;
- il n'est pas souhaitable d'installer l'unité extérieure du côté ensoleillé de la maison - il y aura des problèmes de refroidissement de haute qualité de la pièce et l'unité tombera rapidement en panne sous l'influence de l'air chaud;
- la meilleure option est d'installer l'unité extérieure du côté sous le vent de la maison ;
- vous ne pouvez pas installer la partie considérée du système split trop près du sol.
Si l'unité extérieure est installée à côté d'un arbre, alors les branches de ce dernier battront constamment contre l'unité au moindre souffle de vent, et les débris tomberont directement dans l'appareil. Par conséquent, s'il n'est pas possible de «contourner» la cime d'un arbre, il vous suffit de le couper.
L'installation de l'unité extérieure trop près du sol augmente le risque de contamination par les débris/poussière de la rue et la neige. S'il n'y a pas d'autre option de montage, vous devez utiliser un support spécial.
Un autre point est très important - vous devez prendre soin de l'élimination du condensat. Bien sûr, il est sorti automatiquement, mais il est nécessaire de prévoir son point de collecte. Gardez à l'esprit que le simple fait de décharger du condensat sur le trottoir conduira à l'insatisfaction des personnes environnantes - il est peu probable qu'elles aiment passer sous des gouttes d'eau pas trop propre.
Attention : les installateurs de climatiseurs peuvent proposer d'équiper un système d'évacuation des condensats dédié, mais cela nécessitera des coûts financiers supplémentaires, et non négligeables. Il peut être possible de détourner le condensat vers un parterre de fleurs ou vers un drain - il y a quand même des options
Enfin, l'unité extérieure du climatiseur est bruyante. Si vous l'installez à proximité des fenêtres du voisin (dans un immeuble), des problèmes peuvent survenir "à l'improviste" - il est peu probable que les voisins soient fans des bouchons d'oreille.
L'installation d'un climatiseur est l'apanage des spécialistes, bien que vous puissiez effectuer vous-même ce processus. Mais dans tous les cas, vous devrez choisir l'emplacement d'un système split moderne, en tenant compte des caractéristiques techniques de l'équipement.
Quel est le plus rentable: installation professionnelle ou installation par vous-même d'un système divisé
Le prix d'installation d'un climatiseur dépend de la complexité des travaux, de la puissance et de la taille de l'équipement. Pour que la comparaison soit correcte, le coût des services professionnels pour l'installation d'un petit appareil électroménager de puissance, par exemple 3,5 kW, peut être considéré comme une base.
Cette prestation comprend :
- installation et connexion des deux blocs ;
- pose de harnais (jusqu'à 5 m);
- formation de trous traversants dans le mur.
De plus, le coût d'installation d'un climatiseur comprend le coût des consommables. En moyenne, l'installation professionnelle de systèmes divisés à faible consommation coûte au client entre 5 500 et 8 000 roubles.
Prix moyens de location d'un outil et d'achat de matériel pour l'installation d'un climatiseur dans un appartement de vos propres mains:
- Perforateur ("Makita") - 500 roubles par jour.
- Pompe à deux étages - 700 roubles / jour.
- Kit d'installation + communications (5 m) - 2500 roubles.
L'installation indépendante d'un système divisé permet d'économiser de 1500 à 4000 roubles.
Dans certains cas, l'équipement n'est loué qu'en garantie. C'est environ 4000-8000 roubles. Le montant de la caution dépend de la valeur du matériel loué. Si le laminage de tuyaux est nécessaire, des kits d'outils conçus à cet effet devront être ajoutés à la liste. Le coût de leur loyer est de 350 à 500 roubles par jour.
Le montant total atteint 3700 roubles. A cette valeur, il faut ajouter 10%, qui couvriront les frais imprévus et l'achat de consommables. Le résultat sera d'environ 4000 roubles. Cela signifie que l'auto-installation d'un système divisé permet d'économiser de 1 500 à 4 000 roubles.
Il est à noter que le montant minimum pour une installation professionnelle ne comprend pas toujours une liste complète des travaux.Vous devrez peut-être payer un supplément pour certains d'entre eux. Dans cet esprit, nous pouvons conclure que les économies sont d'environ 2 500 à 3 500 roubles.
Sur une note! Les avantages économiques ne peuvent être obtenus que grâce à l'installation correcte d'un système divisé de vos propres mains. Les réparations et les modifications n'entraîneront que des coûts supplémentaires.
Le coût d'installation d'un climatiseur comprend le coût des consommables.
Test de pression et d'étanchéité
Avant le processus de pompage du fréon, assurez-vous de vérifier le drainage. Pour ce faire, après avoir retiré le filtre, versez de l'eau propre sur l'évaporateur de l'unité intérieure, comme pour simuler la formation de condensat.
Si le drainage est effectué correctement, l'eau sortira librement par le tube et ne débordera pas sur le bord du bac intérieur.
De plus, avant d'ouvrir les orifices de la conduite de fréon, il est conseillé de vérifier la pression dans le système. En règle générale, le fabricant remplit le réfrigérant sur 5 mètres du parcours et le signale sur la plaque signalétique de l'unité extérieure.
Cependant, il existe également des copies à moitié vides (elles économisent du fréon).
Ensuite, l'étanchéité de toutes les connexions est vérifiée. Les super-professionnels le font au juste prix avec de l'azote, à une pression de 38 bars. Mais êtes-vous prêt à payer pour une telle qualité ?
Dans la version standard, après déconnexion de la pompe à vide, une certaine quantité de réfrigérant (5-7 bar) est simplement libérée dans le circuit et la valeur de pression est mémorisée.
Attendez 20 minutes et vérifiez si les lectures ont changé. Avec un résultat positif, en utilisant les hexagones, les vannes de service du climatiseur sont complètement ouvertes et tout le fréon est lancé dans la conduite.
Ensuite, appliquez une tension au climatiseur et testez-le dans tous les modes.Pendant le refroidissement, mesurez la température de surface de l'évaporateur avec un pyromètre, et surtout avec un thermomètre à contact.
Après être entré dans le mode de fonctionnement, il devrait être d'au moins + 6C. Si la température est plus élevée, une charge supplémentaire de fréon peut être nécessaire.
Dans ce cas, une recharge complète du système est plus utilisée, et pas seulement son ravitaillement, en raison de la complexité du processus.
Si toutes les étapes d'installation sont terminées sans commentaire, vous pouvez profiter de la fraîcheur et supposer que votre climatiseur est correctement installé.
Bloc de fixation
Installation de fenêtres en plastique (PVC) dans une maison ou un appartement : instructions étape par étape pour une installation à faire soi-même | Photo & Vidéo
Branchement d'un climatiseur
retour au menu
Installation de la partie extérieure
Choisir et installer des portes intérieures : instructions étape par étape pour une installation à faire soi-même | Plus de 80 photos et vidéos
Tout d'abord, la partie extérieure est installée. La première règle est de ne pas oublier la sécurité si l'installation a lieu au-dessus du deuxième étage. Lors de l'installation, tenez compte des facteurs suivants :
- Le bloc ne doit pas obstruer la vue des voisins
- Le condensat ne doit pas couler le long du mur
- Fixez l'appareil afin de pouvoir effectuer sa maintenance.
Schéma de montage du climatiseur
Lors de la fixation de l'unité extérieure sur le balcon, vous devez également suivre les règles :
- assurez-vous que le balcon est suffisamment solide pour supporter l'appareil. En moyenne, le poids d'un tel produit est de 10 à 15 kg.
- si possible, il doit être fixé dans un endroit où le vent souffle de tous les côtés afin que le condensat ne coule pas le long du mur
Installation du module à l'extérieur
Recommandations pour l'installation de climatiseurs :
- Le bloc à l'intérieur doit être installé de manière à ce que l'air ne souffle pas sur vous, sinon une amygdalite et une bronchite seront fournies
- La distance au plafond doit être de 100 mm. Et de la paroi latérale 125 mm
- L'unité extérieure doit être fixée de manière à pouvoir l'atteindre pour l'entretien préventif
- La distance du produit extérieur à la paroi arrière doit être de 20 cm et de la paroi latérale à 300 mm
Retraits des bords des murs
Si possible, le module à l'extérieur ne doit pas être placé sur le côté de la fenêtre, mais mieux sous la fenêtre, car si vous décidez d'appeler le maître en cas de panne ou de vérifier l'appareil, il peut bien refuser de travaux en raison d'une mauvaise installation.
Fixation de l'unité extérieure et intérieure, de l'inclinaison et de la tuyauterie
retour au menu
Installation de l'intérieur
Faire un dressing de ses propres mains : comment équiper un système de rangement dans un garde-manger ou une chambre ? | Plus de 100 photos et vidéos
Installation de l'intérieur
La première étape consiste à organiser correctement le câblage. Assurez-vous que le câblage peut supporter cette charge.
Recommandations pour la fixation de l'appareil :
La partie interne doit être située de manière à ce qu'il n'y ait pas d'objets inutiles à proximité, sinon ils interféreraient avec le refroidissement de l'appareil. Ne placez pas le climatiseur au-dessus d'une cheminée ou d'une autre source de chaleur. Le vent du climatiseur électrique ne doit pas souffler directement sur une personne, à moins, bien sûr, que vous souhaitiez maintenir votre santé.
retour au menu
Quelques informations générales
Notre objectif principal est d'installer le climatiseur sans l'endommager. Mais, en plus, il est nécessaire d'installer correctement les unités intérieure et extérieure. Sinon, les performances seront bien inférieures, si l'appareil fonctionne du tout.
Pour commencer, vous aurez besoin d'un outil spécial : un perforateur et une pompe à vide, une pompe manométrique, un niveau de construction. En ce qui concerne les consommables, l'installation d'un système divisé s'effectue avec un kit standard, qui doit être inclus dans le kit. Il s'agit d'un appareil de chauffage, d'un tuyau de drainage, de chevilles, de supports, etc. Si ce n'est pas là, vous devez l'acheter, et seulement après cela, commencez à installer le climatiseur.
Choisir le bon endroit pour installer le climatiseur
Lors du choix d'une zone de votre pièce appropriée pour le montage d'un système divisé - à la fois les structures internes et externes - assurez-vous de prendre en compte chacun des facteurs suivants :
Tout d'abord, il est nécessaire de calculer correctement la présence dans cette pièce d'un accès régulier et sans entrave au dispositif de climatisation lui-même, afin de pouvoir nettoyer les filtres du climatiseur ou identifier d'éventuels problèmes;
De plus, il faut tenir compte de la rationalité de la distance minimale et du nombre minimal de barrières physiques entre les unités intérieures et extérieures, car avec une augmentation des communications entre les unités, les performances du système de climatisation dans son ensemble sont réduit significativement). La longueur de route idéale et la plus rationnelle est de 6 mètres, dans les systèmes avec de telles communications, les propriétaires de climatiseurs ne posent plus de problèmes (nécessité de faire le plein ou de nettoyer l'excès d'humidité dans le climatiseur);
Pour assurer le fonctionnement le plus efficace du climatiseur en termes de soufflage, la distance minimale entre l'unité et le mur résistant ne doit pas être inférieure à dix centimètres;
En aucun cas, vous ne devez placer les unités intérieures du climatiseur au-dessus des murs, des armoires ou de tout autre grand meuble, car une barrière élevée se forme constamment dans l'atmosphère, grâce au climatiseur, les caillots d'air froid seront un facteur naturel de réduire l'activité productive de votre appareil de climatisation
150 centimètres est la distance minimale de l'unité intérieure de toute obstruction au flux d'air refroidi ;
Selon le même facteur, respectez la distance minimale entre l'unité intérieure et le plafond et les parois latérales (le minimum est de 15 et 30 centimètres, respectivement) ;
De plus, il est fortement recommandé de coordonner l'installation du climatiseur avec vos voisins afin d'éviter les problèmes et les scandales lors de l'installation de votre système split. En principe, l'installation d'une unité extérieure, dans le cadre du flux de travail, ne devrait pas causer de problèmes extrêmement graves pour la population d'un immeuble, si les travaux y ont lieu, cependant, il est très possible que quelqu'un dans ce cas peut ne pas aimer du tout, par exemple, le son d'une hélice en marche ou un condensat de gaz. Dans ce cas, essayez d'informer à l'avance les voisins de la quantité de travaux à venir;
Et, enfin, le facteur le plus intuitif - le fonctionnement du climatiseur lui-même ne doit pas interférer avec les autres personnes, et les flux d'air ne doivent pas interférer avec la vie ou le travail des personnes qui sont avec vous dans la même pièce. Par conséquent, tenez compte du flux de courants d'air légers lors de l'installation.
Après avoir décidé de l'emplacement de la structure, en tenant compte de tous les facteurs ci-dessus et en ne trouvant aucun défaut dans votre propre plan, vous pouvez passer directement au flux de travail lui-même.
Conclusions et vidéo utile sur le sujet
Une vidéo démontrant la procédure de démontage sera une aide supplémentaire pour les personnes souhaitant retirer le système de leurs propres mains.
La vidéo montre clairement toutes les subtilités du travail :
Résoudre le problème du retrait (démantèlement) d'un système de séparation domestique de vos propres mains est un processus tout à fait réalisable. L'essentiel est d'avoir une idée du dispositif d'un tel équipement et de la manière dont il est installé. Évidemment, le démontage devra se faire dans l'ordre inverse.
Installez-vous, remplacez-vous, réparez-vous et entretenez-vous des systèmes divisés et retirez-vous et remettez-vous de l'équipement à plusieurs reprises ? Partagez vos secrets de démantèlement avec les débutants dans ce domaine - laissez des recommandations ci-dessous sous cet article.
Si c'est la première fois que vous vous lancez dans la suppression des blocs système fractionnés et que vous avez des questions que nous n'avons pas prises en compte dans ce document, posez-les à nos experts et aux autres visiteurs du site.









































