- Installation de lampes LED GX53
- Durée de vie
- Comment mesure-t-on le flux lumineux d'une lampe LED ?
- Caractéristiques de la base Edison
- Particularités
- Dispositif
- Disposition
- Comparaison
- caractéristiques générales
- Avantages et inconvénients des lampes DRV
- Mythe un Plus il y a de LED, mieux c'est.
- Appareil à lampe au sodium
- Dimensions et spécifications
- Matériaux utilisés dans les lampes à incandescence
- Métaux
- Contributions
- verre
- des gaz
- Avantages et inconvénients
- Types de lampes LED e40 puissantes pour l'intérieur et l'extérieur
- Température de couleur de la lampe E40
- Un bref aperçu et des tests des lampes LED populaires
- Option 1 - Ampoule LED BBK P653F
- Option #2 - Lampe LED Ecola 7w
- Option # 3 - lampe pliable Ecola 6w GU5,3
- Option #4 - Lampe Jazzway 7.5w GU10
Installation de lampes LED GX53
Dans les plafonds suspendus ou tendus, les appareils d'éclairage sont fixés au plafond principal à l'aide de supports réglables en hauteur. Le placement est déterminé avant de commander la structure afin que le fabricant puisse déterminer où seront les trous.
Avant d'installer un plafond suspendu (tendu), les sites d'installation sont marqués sur le principal, des trous sont percés et des fils sont posés. Les luminaires sont montés après l'installation de la structure du plafond.
- montage des supports de crémaillère et fixation dans les trous ;
- réglage de la hauteur du rack et installation et sécurisation de la rampe (plate-forme);
- connexion aux lampes de fils;
- vérification de la position des dispositifs d'éclairage (distance à la structure 0,5-1 mm);
- fixation à la plate-forme.
Les lampes pour ce type d'ampoules sont :
- estampé ou coulé ;
- fixe ou pivotant ;
- avec lumière froide ou chaude;
- carré, ovale, rond.
Durée de vie
Lors du choix des lampes à LED, vous devez également tenir compte de leur durée de vie, indiquée par les fabricants sur l'emballage. Cependant, ces chiffres sont très relatifs. Même si le fabricant indique 30 000 heures de fonctionnement sur la boîte, la lampe LED peut tomber en panne beaucoup plus tôt. La durée de vie globale dépend des autres parties de l'équipement. De plus, cet indicateur est affecté par la qualité d'assemblage de la lampe, la soudure des éléments radio. Étant donné que les éléments LED ont une longue durée de vie, aucun fabricant ne peut tester la durée de fonctionnement. Par conséquent, tous les pointeurs sur les packages peuvent être considérés comme conditionnels.
Durée de vie des différents types d'ampoules.
Comment mesure-t-on le flux lumineux d'une lampe LED ?
Comme je l'ai dit, le flux lumineux d'une lampe LED ou de toute autre source lumineuse peut être mesuré en Lumens. Les lumens sont abrégés en Lm ou Lm sur les emballages de lampes.
Avant de procéder aux calculs, il est important de comprendre ce qu'est Lumen. Imaginons que notre ampoule est un sac de sable d'où coule constamment du sable, imaginons qu'un lumen est un grain de sable
Le nombre de lumens pour notre ampoule de sac signifiera combien de grains de sable tomberont sur un mètre carré de surface, par exemple, 900 lumens signifieront que 900 grains de sable tomberont sur un mètre carré.
Mais nous n'avons pas de sable ordinaire, mais de la lumière, et elle est répartie uniformément sur toute la surface, donc si le flux lumineux de la lampe est de 900 lumens et que la superficie de la pièce est de 3 mètres carrés, alors 300 lumens tomberont par mètre carré.
Et nous arrivons ici à un autre paramètre très important - l'éclairage de la pièce. Les lumens caractérisent uniquement le flux lumineux de la lampe, si nous continuons notre analogie, puis la quantité de sable qui peut se répandre hors du sac
Mais il y a un autre paramètre - c'est l'éclairage de la pièce et il est mesuré en lux. Lux montre combien de lumens tomberont dans une certaine pièce par mètre carré. Noté Lk ou Lx. Si nous disons que notre source lumineuse émet 900 lumens et que la surface est de trois mètres carrés, l'éclairage de notre pièce sera de 300 lux. Pour ceux qui aiment beaucoup les formules 1 lux = 1 lumen / 1 mètre carré.
J'ai compris? Passons maintenant à la question de savoir comment connaître la puissance d'éclairage des lampes à LED.
Caractéristiques de la base Edison
La base « E » (du latin Edison) est une base Edison filetée (à vis). Ce type de socle est le plus répandu depuis son invention et peut être des tailles suivantes : 5, 10, 12, 14, 17, 26, 27, 40 mm. Et chacune des tailles a son propre nom.
| Type de lampe | Nom |
| E40 | GES - grand |
| E26, E27 | ES - moyen |
| E14 | SES - minion (petite base) |
| E10, E12 | MES - miniature |
| E5 | LES - microbase. |
La base à vis est utilisée dans les lampes halogènes, LED, fluorescentes et analogues avec un filament incandescent.
Particularités
Les principaux avantages du type de base:
- simplicité de la cartouche;
- fiabilité de la connexion ;
- alimentation secteur 220 volts (pour socles E14, E27, E40).
La version la plus courante de la base Edison est E27, qui est utilisée pour les luminaires domestiques.
Dispositif
Selon l'abréviation établie DNaT, il s'agit de dispositifs (D - arc, Na - sodium, T - tubulaire). Selon le principe de fonctionnement, ils appartiennent à un équipement d'éclairage à haute pression. Structurellement, les lampes HPS sont une ampoule en verre avec un culot, généralement E27 ou E40.
Riz. 1. Dispositif de lampe HPS
Le dispositif interne se compose de :
- tube à décharge - fait d'oxydes d'aluminium et conçu pour brûler un arc à l'intérieur de la lampe;
- électrodes - conçues pour démarrer la décharge, c'est pourquoi elles sont en molybdène;
- mélange de gaz - agit comme un moyen de générer un rayonnement lumineux, le pourcentage principal ici est occupé par la vapeur de sodium, mais l'argon est inclus comme impureté pour accélérer l'allumage, le mercure pour assurer un rendement lumineux élevé.
Le ballon est en verre résistant à la chaleur, car le gaz dans le tube peut être chauffé jusqu'à 1300ºС, à la suite de quoi la lampe HPS elle-même à la surface aura de 100 à 400 ºС. Un vide est installé à l'intérieur de la lampe pour un meilleur rendement lumineux.
Disposition
Les appareils légers considérés sont classés dans la première classe de danger. Par conséquent, le nombre d'endroits où leur utilisation est interdite augmente. Il est possible que dans quelques années les lampes au mercure soient supprimées partout, car la politique des États vise à réduire la quantité d'équipements contenant du mercure. Conformément à la commande de l'État, les services publics réduisent l'utilisation des DRL.
Malheureusement, tout le monde ne pense pas aux problèmes de mise hors service de ces sources lumineuses. En faisant cela, ils nuisent non seulement à eux-mêmes, mais aussi à ceux qui les entourent.
Bientôt leur vente sera complètement stoppée. Les appareils contenant du mercure ne seront laissés que dans les équipements médicaux jusqu'à ce qu'une alternative sûre soit trouvée.
Actuellement, l'élimination des lampes au mercure est un service autorisé. Le 3 septembre 2010, une résolution correspondante du gouvernement de la Fédération de Russie a été adoptée. Le document décrit les exigences pour le processus d'élimination, contient des informations sur la procédure de traitement de la contamination par le mercure. Le processus de démercurisation - élimination du mercure est décrit.
Désormais, toutes les entités juridiques de la Fédération de Russie sont tenues de générer un certificat de déchet pour les lampes fluorescentes et de tenir un registre strict des déchets contenant du mercure. La présence de mercure est déjà un danger potentiel.

Le recyclage et l'élimination s'entendent comme la récupération des métaux obsolètes des appareils qui en contiennent. Mercure inclus. Un ballon endommagé assurera la libération de métal liquide dans l'environnement.
En Russie, la loi FZ-187 (article 139) est en vigueur. Selon elle, une amende sera perçue en cas d'élimination inappropriée ou de placement d'un conteneur de déchets dangereux au mauvais endroit. L'exportation non autorisée en dehors de la zone de stockage est également punissable.
Comparaison

Tableau comparatif des lampes à économie d'énergie et des lampes à incandescence
Désignations :
- La puissance de rayonnement est donnée en Watts (W/W). Selon la puissance, la luminosité de la source lumineuse dépend, respectivement, il y a une plus grande consommation d'électricité. Le flux lumineux, mesuré en lumens (Lm/Lm), caractérise la puissance lumineuse du flux de rayonnement.
- L'efficacité lumineuse est un indicateur de la source, montrant le niveau de production de lumière par chaque watt d'énergie. Ce paramètre est mesuré en Lm/W.
- Illumination - indique le degré d'éclairage d'une pièce particulière, mesuré en Lux (Lx). Cette caractéristique montre le rapport d'une unité de flux lumineux à l'éclairement d'une unité de surface.
- Rendu des couleurs - ce paramètre indique le degré de transmission du spectre de couleurs avec le naturel.
caractéristiques générales
Une lampe LED à culot E40 est une ampoule sur la surface intérieure de laquelle est appliquée une substance qui contribue à la création d'un rayonnement, qui se transforme ensuite en un flux lumineux.
Pendant très longtemps, les lampes à incandescence connues de l'ère soviétique ont été produites avec une base similaire, aujourd'hui, par analogie, des lampes fluorescentes à économie d'énergie sont également produites, mais le fil reste le même.
La lampe E40 est insérée dans la même douille dans laquelle une lampe à incandescence conventionnelle est insérée. Diamètre du filetage - 40 mm - la principale différence entre cette lampe et une lampe similaire avec une base Edison. C'est le plus grand parmi les appareils avec une base similaire, donc les lampes avec une base E40 sont souvent appelées des goliaths.

Avantages et inconvénients des lampes DRV
En général, les avantages et les inconvénients des DRV s'expliquent par leurs caractéristiques de conception inhérentes aux dispositifs à décharge gazeuse.
avantages
- Compatible avec les lampes à incandescence. Ne nécessite pas de PRA.
- Lueur blanche chaude, plus agréable à l'œil.
- Meilleure restitution des couleurs.
- Bas prix.
- Efficacité énergétique.
Les moins
- Allumage long - de trois à sept minutes.
- La présence de mercure.
- Faible flux lumineux.
- fragilité.
- Difficultés de recyclage. Les lampes au mercure sont éliminées exclusivement par des entreprises certifiées.
- Suppression imminente et possible interdiction d'exploitation. Selon les dispositions de la Convention de Minamata, en 2020, les appareils contenant du mercure doivent être mis hors service.Il faudra donc trouver une alternative. La seule option décente est l'éclairage LED.
- obsolescence morale.
- Le fonctionnement en courant continu n'est pas possible.
- Le luminophore est sujet à dégradation.
À la maison, de telles sources lumineuses n'ont pas trouvé d'application. Ni la qualité de la lumière ni le temps long pour atteindre le mode de fonctionnement n'y contribuent.
Mythe un Plus il y a de LED, mieux c'est.
Examinons ce mythe en utilisant trois lampes annulaires populaires comme exemple :
Mettle LED 240 mini qui dispose de 240 LED, la température de la lumière est contrôlée par un variateur spécial. Vous pouvez acheter pour 5990 roubles. Mettle LED 240 qui a 240 LED et la température de la lumière est régulée avec des caches diffuseurs. Le prix est de 8490 roubles. Et Mettle LED Premium FD-480, eh bien, ou Mettle LED Lux FE-480 qui ont 480 LED, la température de la lumière est contrôlée par un variateur. Le prix est plus élevé : 11990 et 13990 roubles.
Il semblerait que tout soit évident: lors du choix, la préférence devrait être donnée à la lampe économique Mettle LED 240 mini avec un contrôle de température pratique. Après tout, mieux vaut tourner le variateur que changer de diffuseurs, en plus le prix ne mord pas... Et si le portefeuille le permet, on se penche immédiatement sur les lampes Mettle LED Premium FD-480 et Mettle LED Lux FE-480. Ils n'ont pas du tout d'égal ! Et il y a un gradateur et il y a deux fois plus de LED. Tout le monde, on prend !
Ouais. Peu importe comment. Voici un secret pour vous : la LED est réglée sur une seule température de lueur. En termes simples, cela signifie qu'une LED ne peut pas briller à la fois avec une lumière chaude et froide. Vous demandez, comment est-ce?! Et le fameux gradateur ? Comment y travaille-t-il alors ?
La réponse est très simple et évidente. Sur les lampes avec régulateur, la moitié des LED sont réglées sur une lumière froide et l'autre moitié sur une lumière chaude.Autrement dit, seules 120 LED fonctionnent simultanément sur la mini lampe Mettle LED 240 et 240 diodes sur les lampes Mettle LED Premium FD-480 et Mettle LED Lux FE-480.
Et qu'est-ce qu'on obtient ?
Sur la mini lampe Mettle LED 240, 120 LED fonctionnent simultanément et son prix est de 5990. Sur la lampe Mettle LED 240, 240 LED fonctionnent simultanément et son prix est de 8490 roubles. Sur les lampes Mettle LED Premium FD-480, bien, ou Mettle LED Lux FE-480, 240 LED fonctionnent simultanément et leur prix est de 11990 et 13990.
Alors, quelle lampe choisir ?
En fait, parmi les lampes répertoriées, il n'y a ni mieux ni pire. Le fait est que chacune de ces lampes est simplement conçue à des fins différentes.
Mettle LED 240 mini est conçu pour l'éclairage local. Il est idéal pour les artistes des sourcils, les fabricants de cils, les artistes des ongles, les maquilleurs permanents.
Mettle LED 240 est conçu pour l'éclairage à grande échelle. Il vous sera utile dans votre magasin ou showroom. Il convient également à une grande variété de professionnels de l'industrie de la beauté : maquilleurs, stylistes, cosmétologues et tatoueurs. En un mot - pour ceux qui ont besoin de beaucoup de lumière et deux modes suffisent : chaud et froid. Pensez-vous qu'ils les changent souvent?
Les lampes Mettle LED Premium FD-480 et Mettle LED Lux FE-480 sont également conçues pour l'éclairage à grande échelle. Mais. Si vous êtes généraliste, il vous sera beaucoup plus pratique de modifier la température de la lumière à l'aide d'un variateur, plutôt que de réorganiser à l'infini les diffuseurs
De plus, vous devez faire attention à ces modèles si vous choisissez une lampe pour un salon de beauté, où la lampe sera utilisée par des spécialistes de divers domaines. De plus, les photographes et les vidéastes apprécieront certainement la lumière à grande échelle, couplée à des réglages de température fins, car cela leur facilitera le traitement ultérieur des photos.
Maintenant, je pense que vous l'avez un peu compris et qu'il vous sera beaucoup plus facile de choisir la bonne lampe.
Appareil à lampe au sodium
Extérieurement, ces lampes sont similaires aux DRL. Le corps extérieur est un cylindre de verre cylindrique, mais il peut également avoir la forme d'une ellipse. Il contient un "brûleur" - un tube à l'intérieur duquel se produit une décharge d'arc. Les électrodes sont situées à ses extrémités. Ils sont reliés au socle. Le sodium n'est pas utilisé dans la fabrication du "brûleur", car sa vapeur a un effet assez fort sur le boîtier en verre. De plus, le ballon extérieur joue également le rôle de "thermos" - il isole le brûleur de l'environnement extérieur.
La figure mentionne un getter. Il est rarement mentionné dans la documentation d'aide. Un getter est un absorbeur de gaz, un adsorbeur. Il est capable de piéger et de retenir les gaz, à l'exception des gaz inertes. Il trouve son application non seulement dans les lampes à décharge, mais également dans l'électronique radio - les appareils à vide. Sa fonction principale est d'augmenter la durée de vie. L'absence de corps étrangers réduit "l'empoisonnement" des électrodes.
Le brûleur lui-même est en polycor, une alumine polycristalline. Il est obtenu par frittage. De plus, seule la forme alpha du réseau cristallin est acceptable pour la fabrication du corps du tube à décharge. Il se caractérise par la densité maximale de "tassement d'atomes". Il s'agit d'un développement par General Electric. Le développeur a appelé ce matériau "lucalos". Il résiste à la vapeur de sodium et transmet environ 90 % du rayonnement visible. Par exemple, un dnat 400 a un tube de 8 centimètres de long et 7,5 millimètres de diamètre. Avec l'augmentation de la puissance, la taille du "brûleur" augmente. Les électrodes sont en molybdène.En plus du sodium sous forme vapeur, un gaz inerte, l'argon, a été injecté. Il est nécessaire pour faciliter la formation d'une décharge. Pour améliorer le rendement lumineux, le mercure et le xénon sont introduits. Lorsque la lampe est allumée, la température dans le brûleur atteint 1200-1300 kelvins. Autour de 1300 degrés Celsius. L'air est évacué du flacon pour éviter tout dommage. Il est assez difficile de maintenir le vide, car des fissures et des trous microscopiques peuvent apparaître lors de la dilatation thermique. L'air peut y pénétrer. Pour éliminer cela, des joints spéciaux sont utilisés. Le ballon ne chauffe pas autant que le brûleur. La température habituelle est de 100C. Les couleurs orange, jaune et dorée s'expriment dans la lueur.
Auparavant, les lampes n'avaient qu'une base ronde filetée, comme les lampes à incandescence domestiques. Cependant, un nouveau type de socle est récemment apparu - Double Ended.
Quelle que soit la conception, le spectre sera approximativement le même.
Fondamentalement, ce type de lampes est utilisé par les entreprises agricoles. Ils sont généralement deux fois plus minces qu'une lampe au sodium standard. Le flacon est en quartz. À l'intérieur du ballon se trouve de l'azote. Le brûleur a deux électrodes pour fournir une impulsion et une tension d'alimentation subséquente pour maintenir la décharge. Les conclusions sont situées aux extrémités de la lampe, c'est une solution plus parfaite pour éviter la déformation thermique de l'ampoule.
Des lampes HPS à deux brûleurs ont également été développées.
La variété montrée sur la photo est généralement utilisée pour le placement en serre (à des fins d'éclairage). Le deuxième brûleur est une lampe aux halogénures métalliques. En fait, ce modèle est un hybride de HPS et MGL dans un seul package.
Mais il existe aussi des modèles qui contiennent une paire de brûleurs identiques. Ils sont dans un réservoir commun et connectés en parallèle.Ceci est fait pour l'utilisation alternée de chacun des tubes à décharge de gaz. Pendant le fonctionnement, un seul émet de la lumière. C'est celui où les conditions d'éclairage les plus appropriées sont allumées. Cette solution réduit les coûts d'exploitation globaux. Sinon, les options à un ou deux tubes n'ont pas de différences fondamentales, les paramètres de puissance et de flux lumineux seront les mêmes. Les principes ne sont pas modifiés.
Dimensions et spécifications
Pour commencer, parlons du design de la lampe LB 40 et de ses capacités. Structurellement, l'appareil est un flacon en verre, aux extrémités duquel deux électrodes sont soudées avec des spirales de matériau réfractaire (généralement du tungstène) qui leur sont connectées. La surface intérieure du ballon est recouverte d'un luminophore en poudre, le ballon lui-même est rempli d'un gaz inerte avec l'ajout d'une petite quantité de mercure ou d'amalgame et scellé. A l'extérieur, les fils des électrodes sont équipés de douilles G13 à deux broches.

Lorsque la lampe est allumée, une décharge luminescente se produit dans l'ampoule, ce qui provoque l'émission des molécules de mercure dans le spectre ultraviolet. La lumière, tombant sur le luminophore, provoque sa lueur brillante, mais déjà dans le spectre visible, et est elle-même absorbée par le même luminophore et le verre de la lampe. Ainsi, l'appareil n'émet que de la lumière visible. Le marquage LB 40 se déchiffre comme suit :
- L - lampe fluorescente linéaire;
- B - lumière blanche ;
- 40 - puissance de l'appareil en watts.
Quant aux dimensions de cette source lumineuse :
| Marquage | Longueur, mm | Diamètre, mm | socle |
| LB 40 | 1200 | 38 ou 25,4 | G13 |
Voyons maintenant les principales caractéristiques du LB 40 :
| Caractéristique | Paramètre |
| Tension d'alimentation, V | 220 ou 127 |
| Consommation d'énergie, W | 40 |
| Flux lumineux, lm | 2800 |
| Température de couleur, K | 3500 |
| Indice de rendu des couleurs (RA ou CRI) | 60-69% |
| Ressource, h | 10000 |
Matériaux utilisés dans les lampes à incandescence
Dans la fabrication des lampes à incandescence, différents matériaux sont utilisés. La production est réglementée par les articles pertinents de GOST, qui énoncent toutes les exigences nécessaires - de la taille aux exigences de sécurité.
Métaux
La lampe à incandescence contient des pièces métalliques - une spirale et des supports. Le filament est le plus souvent en tungstène - un métal réfractaire dont le point de fusion peut atteindre 3400 ° C. Beaucoup moins souvent, l'osmium et le rhénium sont utilisés pour les spirales. Lorsqu'il est connecté au réseau, la température du filament atteint 2000-2800 ° C. Les pieds doivent résister à des températures élevées et avoir un faible taux de dilatation thermique, ils sont donc en molybdène, ce qui répond aux exigences posées.
Contributions
Dans cet élément d'éclairage, les contacts seront également en métal, à travers lesquels le courant du réseau sera transmis à la zone de travail. Un contact est une base en aluminium, à laquelle un fil est attaché de l'intérieur, qui va à l'électrode (le plus souvent, du nickel). Le deuxième contact est situé au bas de la base et est séparé du corps principal par un isolant.
verre
Dans une lampe à incandescence, l'ampoule est en verre transparent ordinaire. Il existe des types de verre dépoli, qui diffusent la lumière, la rendant plus douce. Il existe des modèles spéciaux dans des flacons colorés ou avec un revêtement miroir.
des gaz
Pour éviter la formation d'oxyde et la combustion du tungstène, l'ampoule de la lampe est remplie d'un gaz inerte (chimiquement inactif) - argon, xénon, krypton ou azote. Il existe des types de vide. En plus d'une augmentation relative de la durée de vie, ces modèles ont un transfert de chaleur minimal.
Types d'ampoules.
Avantages et inconvénients
Comme toute source de lumière, les DRL ont leurs aspects positifs. Mais, malheureusement, il y a plus de côtés négatifs.
avantages
- Excellent rendement lumineux.
- Haute puissance (plus principal).
- Petites dimensions du corps.
- Prix bas (par rapport aux produits LED).
- Petite consommation d'énergie.
- Durée de vie - jusqu'à 12 000 heures. Ce paramètre est déterminé par la qualité de fabrication. Toutes les entreprises de fabrication ne contrôlent pas soigneusement le processus. Cela est particulièrement vrai pour les nouvelles entreprises chinoises.
Les moins
- La présence de mercure.
- Temps de sortie long.
- N'allumez pas une lampe chauffée tant qu'elle n'a pas refroidi. C'est environ quinze minutes.
- Sensibilité aux surtensions (un écart de tension de 15 % entraîne une modification de la luminosité pouvant atteindre 30 %).
- Sensibilité à la température ambiante. Plus il fait froid, plus le temps de retour au fonctionnement normal est long.
- Pulsation de la lumière et faible rendu des couleurs (Ra pas plus de 50, confortable à partir de 80).
- Chauffage très fort.
- Le besoin de fils et de cartouches spéciaux résistants à la chaleur.
- Le besoin d'ARP.
- L'illuminateur DRL émet un bourdonnement.
- Pendant le fonctionnement, de l'ozone se forme. Selon les normes sanitaires, une ventilation doit être présente.
- Toutes les lampes à arc ne sont pas compatibles avec les gradateurs - des dispositifs permettant un contrôle en douceur de l'éclairage.
- Pendant le fonctionnement, la couche de phosphore se dégrade, le flux lumineux s'affaiblit, le spectre de luminescence s'écarte de celui de référence. À la fin de leur durée de vie, ils perdent jusqu'à cinquante pour cent du flux lumineux.
- Pendant le fonctionnement, un scintillement est possible.
- Le fonctionnement en courant continu n'est pas possible.
Si vous envisagez toujours d'utiliser DRL pour l'éclairage, il est conseillé de s'abstenir d'acheter des lampes bon marché d'origine inconnue.
Dans les pays européens, Osram et Philips occupent toujours les premières places dans la qualité de fabrication des appareils d'éclairage.
Types de lampes LED e40 puissantes pour l'intérieur et l'extérieur
Ils se distinguent selon :
- flux lumineux et forme de conception ;
- sur le type de LED.

Les formes les plus courantes de conception de lampe e40 :
- SA ou bougie dans le vent. Forme attrayante, souvent utilisée pour décorer l'intérieur de la pièce.
- G est une lampe ronde. Disponible sous forme de mini-boules, et sous forme de grandes lampes sphériques.
- R et BR. Les réflecteurs sont disponibles en différentes tailles. Conçu pour l'éclairage ponctuel d'objets.
- MR et PAR sont des réflecteurs équipés de surfaces réfléchissantes planes.
- T - sont caractérisés par des formes tubulaires. Le design de la lampe ressemble visuellement à un épi de maïs.
Température de couleur de la lampe E40
Le paramètre le plus important lors de la caractérisation de l'ampoule LED E40 est la température de couleur des éléments d'éclairage.
Le marché présente principalement des lampes à lumière neutre et froide (4 000-6 000 K), ce qui s'explique facilement, puisque les lampes qui nous intéressent sont principalement axées sur l'éclairage public, les zones industrielles.
Si vous le souhaitez, vous pouvez passer une commande individuelle. L'expérience montre que les lampes E40 peuvent réguler la température de la lumière de 2 700 à 8 000 K. Il convient de garder à l'esprit que la température de couleur normale dans la pièce est de 3 700-4 200 K (blanc naturel) et de 2 600-3 200 K (blanc chaud).
Un bref aperçu et des tests des lampes LED populaires
Bien que les principes de construction des circuits de commande pour divers dispositifs d'éclairage soient similaires, il existe des différences entre eux à la fois dans la séquence des éléments de connexion et dans leur choix.
Considérez les circuits de 4 lampes qui sont vendus dans le domaine public. Si vous le souhaitez, ils peuvent être réparés de vos propres mains.
S'il y a de l'expérience avec les contrôleurs, vous pouvez remplacer les éléments du circuit, le ressouder et l'améliorer légèrement.
Cependant, un travail scrupuleux et des efforts pour trouver des éléments ne sont pas toujours justifiés - il est plus facile d'acheter un nouveau luminaire.
Option 1 - Ampoule LED BBK P653F
La marque BBK a deux modifications très similaires: la lampe P653F ne diffère du modèle P654F que par la conception de l'unité rayonnante. En conséquence, à la fois le circuit de commande et la conception de l'appareil dans son ensemble dans le deuxième modèle sont construits selon les principes du premier appareil.
La planche a des dimensions compactes et une disposition bien pensée des éléments, pour la fixation desquels les deux plans sont utilisés. La présence d'ondulations est due à l'absence d'un condensateur de filtrage, qui devrait être à la sortie
Il est facile de trouver des défauts dans la conception. Par exemple, l'emplacement d'installation du contrôleur : en partie dans un radiateur, en l'absence d'isolation, en partie dans un socle. Le montage sur la puce SM7525 produit 49,3 V en sortie.
Option #2 - Lampe LED Ecola 7w
Le radiateur est en aluminium, le socle est en polymère gris résistant à la chaleur. Sur une carte de circuit imprimé d'un demi-millimètre d'épaisseur, 14 diodes connectées en série sont fixées.
Entre le dissipateur thermique et la carte se trouve une couche de pâte thermoconductrice. Le socle est fixé avec des vis autotaraudeuses.
Le circuit du contrôleur est simple, implémenté sur une carte compacte. Les LED chauffent la carte de base jusqu'à +55 ºС. Il n'y a pratiquement pas d'ondulations, les interférences radio sont également exclues
La carte est complètement placée à l'intérieur de la base et connectée avec des fils courts. L'apparition de courts-circuits est impossible, car il y a du plastique autour - un matériau isolant. Le résultat à la sortie du contrôleur est de 81 V.
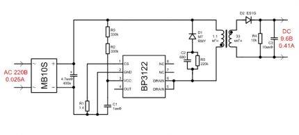
Option # 3 - lampe pliable Ecola 6w GU5,3
Grâce à la conception pliable, vous pouvez réparer ou améliorer indépendamment le pilote de périphérique.
Cependant, l'impression est gâchée par l'aspect et le design disgracieux de l'appareil. Le radiateur global alourdit le poids, par conséquent, lors de la fixation de la lampe à la cartouche, une fixation supplémentaire est recommandée.
La planche a des dimensions compactes et une disposition bien pensée des éléments, pour la fixation desquels les deux plans sont utilisés. La présence d'ondulations est due à l'absence d'un condensateur de filtrage, qui devrait être à la sortie
L'inconvénient du circuit est la présence de pulsations notables du flux lumineux et d'un degré élevé d'interférences radio, ce qui affectera nécessairement la durée de vie. La base du contrôleur est le microcircuit BP3122, l'indicateur de sortie est de 9,6 V.
Nous avons examiné plus d'informations sur les ampoules LED de marque Ecola dans notre autre article.
Option #4 - Lampe Jazzway 7.5w GU10
Les éléments externes de la lampe se détachent facilement, de sorte que le contrôleur peut être atteint assez rapidement en dévissant deux paires de vis autotaraudeuses. La vitre de protection est maintenue par des loquets. Il y a 17 diodes couplées en série sur la carte.
Cependant, le contrôleur lui-même, situé dans la base, est généreusement rempli de composé et les fils sont enfoncés dans les bornes. Pour les libérer, vous devez utiliser une perceuse ou appliquer une soudure.
L'inconvénient du circuit est qu'un condensateur classique remplit la fonction d'un limiteur de courant.Lorsque la lampe est allumée, des surtensions se produisent, entraînant soit un grillage des LED, soit une défaillance du pont LED
Aucune interférence radio n'est observée - et tout cela en raison de l'absence de contrôleur d'impulsions, mais à une fréquence de 100 Hz, des pulsations lumineuses notables sont observées, atteignant jusqu'à 80% de l'indicateur maximum.
Le résultat du fonctionnement du contrôleur est de 100 V à la sortie, mais selon l'évaluation générale, la lampe est plus susceptible d'être un appareil faible. Son coût est clairement surestimé et assimilé au coût des marques qui se distinguent par une qualité de produit stable.
Nous avons donné d'autres caractéristiques et caractéristiques des lampes de ce fabricant dans l'article suivant.






































