Détecteur de câblage caché à faire soi-même

Les meilleurs détecteurs de fils cachés - voir ici. (photo + notice et vidéo)

Détecteur de fil - fonctions principales

Au début des travaux de réparation, peu de gens ont un plan de câblage électrique entre les mains, donc la situation où vous vous y mêlez avec une vis ou un clou est assez courante. Un tel incident est dangereux, soit dit en passant, non seulement parce que les fils sont endommagés, mais il faut en tirer de nouveaux ... Dans une telle situation, vous pouvez également vous blesser ou vous brûler, car nous parlons d'électricité. Pour éviter cela, vous avez besoin d'un détecteur spécial.

Détecteur de câblage caché à faire soi-même

De plus, un tel appareil est utile à la ferme non seulement en cas de réparation, car il est parfois nécessaire de faire un seul trou dans le mur, par exemple pour accrocher un tableau ou clouer une étagère. En général, il peut y avoir mille options. Bien sûr, nous savons tous que les fils électriques sont posés horizontalement ou verticalement, et une personne qui a au moins un peu développé la pensée logique peut deviner approximativement leur emplacement.

Détecteur de câblage caché à faire soi-même

Cependant, cette option est très douteuse, car dans les maisons avec un vieux câblage, les câbles peuvent se trouver n'importe où. Ainsi, la détection d'un câblage caché sans dispositif spécial est tout simplement impossible. Il est également utile pour vérifier l'intégrité du réseau électrique, trouver des objets métalliques et déterminer la polarité. Circuits CC. Et certains de ces appareils peuvent trouver du bois, du plastique, des métaux non ferreux, etc.

Instructions d'utilisation du détecteur

En raison de la variété des modèles indicateurs de câblage cachés il est nécessaire de considérer les instructions pour leur utilisation sur l'exemple d'un modèle spécifique. Pour cela, un FAI électrostatique peu coûteux "Dyatel E-121", largement utilisé par les installateurs domestiques, a été choisi. Mais vous devez d'abord vous préparer à la procédure de recherche.

Préparation des travaux à venir

Pour accélérer la détection du câblage électrique à l'aide de n'importe quel détecteur, des experts expérimentés suggèrent de suivre un certain nombre de règles simples.

Détecteur de câblage caché à faire soi-même
Vous pouvez tester un nouveau détecteur sur une rallonge ordinaire branchée sur une prise de courant. Des livres ou des assiettes en céramique peuvent être utilisés comme barrière.

Ci-dessous les principaux :

  1. Testez d'abord les performances de l'appareil sur n'importe quel fil sous tension. Le détecteur peut simplement manquer de piles et ne fonctionnera pas correctement.
  2. Calibrez l'appareil à une distance de 1 mètre des murs, si cette option est disponible.
  3. Les surfaces à examiner ne doivent pas être mouillées.
  4. Si possible, éteignez tous les appareils électriques en état de marche dans l'appartement, y compris les téléphones.
  5. La précision du câblage sera considérablement réduite si une pâte à papier peint conductrice est utilisée.

Ces recommandations élimineront les pertes de temps dues à des équipements inopérants et à des paramètres inacceptables de la surface à l'étude.

Utilisation du détecteur "Woodpecker E-121"

Le détecteur Dyatel E-121 est capable de fonctionner dans 4 gammes de sensibilité.

La procédure pour travailler avec ce dispositif de détection de fil est la suivante :

  1. Appuyez alternativement sur les touches des plages de sensibilité. En même temps, le dispositif de signalisation doit émettre un court signal lumineux et sonore. S'il n'y a pas de réaction de l'appareil, vérifiez la batterie.
  2. Appuyez sur le bouton "4" (fournit une sensibilité maximale), amenez le détecteur à la surface analysée et, s'il y a une indication, réduisez la sensibilité en appuyant sur les boutons de "3" à "1" en séquence.
  3. Simultanément à une diminution de la sensibilité, il est nécessaire de réduire la distance à l'objet détecté, en localisant la zone de fonctionnement du dispositif de signalisation.
  4. Pour trouver l'emplacement du conducteur, déplacez le détecteur le long du mur, en essayant de trouver la zone avec le champ électromagnétique maximum.
  5. Pour neutraliser les courants ambiants parasites, posez la main sur la surface analysée à proximité du détecteur. S'il n'y a pas de conducteur près de la main, le "Woodpecker E-121" cessera d'émettre des signaux.
  6. Lorsque vous recherchez un fil cassé, appliquez une tension sur le noyau endommagé et mettez le reste à la terre.

La précision de la détermination de l'emplacement du câble électrique dépend du degré d'humidité et des matériaux entourant le fil.

La détection de fils électriques dans des murs plâtrés, des panneaux en béton armé et dans un blindage au sol sera difficile.

Détecteur de câblage caché à faire soi-même
Le détecteur domestique "Woodpecker E-121" détecte efficacement le câblage sur profondeur jusqu'à 8 cm et coûte environ 15 $, ce qui lui garantissait une popularité auprès des électriciens

Pour tester les fusibles et les fusibles, vous devez activer le mode "1" ou "2" et toucher l'antenne aux contacts avant et après le fusible. En cas de dysfonctionnement, le détecteur ne signale pas.

Détecteur de câblage caché à faire soi-même
Le détecteur Dyatel E-121 dispose d'un système combiné d'alarmes lumineuses et sonores, qui vous permettent de maintenir le fonctionnement de l'appareil si l'une des alarmes tombe en panne

Pour une interprétation correcte des résultats du travail appareil, vous devez d'abord vous familiariser avec ses instructions, car presque tous les détecteurs nécessitent une configuration initiale correcte.

Le circuit le plus simple

C'est le schéma le plus simple, nous en parlerons donc d'abord et expliquerons toutes les petites choses dans les moindres détails (laissez comprendre les gens sans rire). Si vous le souhaitez, n'importe qui peut le récupérer.

Détecteur de câblage caché à faire soi-mêmePour implémenter nous avons besoin de :

  1. transistor à effet de champ de type KP 103 ou KP 303 (désigné VT) ;
  2. alimentation 1,5-5 V (une ou plusieurs piles) ;
  3. téléphone électromagnétique (désigné SP);
  4. fils;
  5. tout interrupteur ou interrupteur à bascule ;
  6. ohmmètre (noté Ω) ou avomètre (testeur), bien que vous puissiez vous en passer.

Parmi les outils, vous n'avez besoin que d'un fer à souder et d'une pince coupante. Pour la soudure, bien sûr, il doit y avoir de la soudure, du flux ou de la colophane. Maintenant plus sur les détails obscurs.

Transistor à effet de champ

Le détail le plus important, sur le schéma il est indiqué comme ceci :

Détecteur de câblage caché à faire soi-mêmeStructure et désignation d'un transistor à effet de champ

Nous regardons le côté droit de la figure, celui de gauche n'est pas important pour nous, ici ses conclusions sont indiquées par des lettres :

"Z" - obturateur (le sens de la flèche indique le type p ou n, cela n'est pas non plus pris en compte maintenant;
"Je" - source ;
"C" - crosse.

Si aucune tension n'est appliquée à la grille du transistor, alors il y a une grande résistance entre la source et le drain, le courant ne circule presque pas. En appliquant une tension, nous ouvrons la porte et réduisons la résistance (comme ouvrir un robinet sur un tuyau), le courant commence à circuler. De plus, les transistors à effet de champ sont très sensibles, le circuit détecteur de câblage caché est basé sur cette fonctionnalité.

C'est à quoi ça ressemble sur la photo.

Détecteur de câblage caché à faire soi-mêmeTransistor KP103 dans un boîtier métallique

Le transistor KP 303 a le même aspect, mais diffère par le marquage

Après les chiffres, il y a encore une désignation de lettre, nous n'en tenons pas compte. Une deuxième version est disponible dans un boîtier en plastique sous la forme d'un prisme et de trois bornes plates en bas

La façon dont les conclusions sont situées sur le cas devrait être claire à partir de la figure ci-dessous. Sur celui-ci, un transistor dans un boîtier métallique est représenté avec les fils vers le bas, vous devez naviguer par la touche.

Détecteur de câblage caché à faire soi-mêmeC'est ainsi que se situent les conclusions sur l'affaire

Téléphone électromagnétique

Ce n'est pas un poste téléphonique, mais seulement sa partie (l'appareil tire son nom d'ici), il ressemble à ceci :

Détecteur de câblage caché à faire soi-mêmeTéléphone électromagnétique

Livré avec un corps entièrement en plastique. Convient aux anciens téléphones à cadran. Il est situé dans le tube dans la partie adjacente à l'oreille (on en entend l'interlocuteur). Pour retirer le téléphone, vous devez dévisser le couvercle décoratif et débrancher les fils aux bornes.

Détecteur de câblage caché à faire soi-mêmeCombiné

Le marquage n'est pas important pour nous sauf pour la résistance, elle doit être comprise entre 1600 et 2200 Ohms (elle peut être notée Ω).

Le téléphone fonctionne comme suit principe - à l'intérieur se trouve un électroaimant qui, lorsqu'un courant le traverse, attire une membrane métallique. Les vibrations de la membrane créent le son que nous entendons.

Ohmmètre

Il s'agit d'un appareil de mesure pour déterminer la résistance.

Il ressemble à ceci :

Détecteur de câblage caché à faire soi-mêmeOhmmètre

Si c'est dur à trouver, alors on peut s'en passer, le circuit fonctionnera quand même. Si nécessaire, vous pouvez tirer des conclusions pour la connexion, et utiliser le "testeur" lors de la recherche (un avomètre ou un multimètre, c'est la même chose) en mode mesure de résistance. Presque tout le monde possède cet appareil.

Lire aussi :  Conseils pour choisir une bouilloire électrique de qualité

Détecteur de câblage caché à faire soi-mêmeAvomètre ou "testeur"

Assemblage du schéma

Détecteur de câblage caché à faire soi-mêmeUn fer à souder suffit pour le montage.

Nous assemblons tous les détails avec un auvent à l'aide de fils selon le schéma. Nous soudons un morceau de fil unipolaire d'une longueur de 5 à 10 centimètres à la grille du transistor. Ce sera l'antenne.

Après assemblage, vous pouvez emballer le tout dans n'importe quel étui approprié, comme un porte-savon en plastique.

Détecteur de câblage caché à faire soi-mêmeLe porte-savon peut servir d'étui

Nous recherchons du câblage

Nous apportons l'appareil allumé au mur et commençons à tirer l'antenne le long de celui-ci. À l'endroit où il y a un fil sous tension du téléphone, un bourdonnement se développera (comme un transformateur en marche). Plus le fil est proche, plus le son est fort.

Plus précisément, vous pouvez trouver le câblage en fonction des lectures de l'ohmmètre; à l'approche, il montre le moins de résistance. Pour travailler avec un ohmmètre, coupez l'alimentation de l'appareil.

Comment fonctionne l'appareil

Tout l'intérêt (comme nous l'avons déjà dit) est la haute sensibilité du transistor à effet de champ. Un champ électromagnétique induit sur sa grille avec une antenne ouvre le transistor. Le courant est appliqué au téléphone et il commence à émettre un bip à une fréquence de 50 Hertz (la fréquence du courant alternatif dans le secteur).

Un ohmmètre mesure la résistance entre la source et le drain. Il devient plus petit à mesure que le signal de porte augmente.

Intéressons-nous maintenant à des appareils plus complexes, sans trop entrer dans les détails.

Les options sont bonnes - faites votre choix

De toute évidence, il existe de nombreuses options pour cet appareil. Certains artisans sont aidés par un tournevis indicateur avec la fonction de détecter le câblage caché. Il déterminera si la rallonge électrique est en état de marche, s'il y a de la tension dans le réseau, trouver une phase ou zéro dans la prise, un câble dans le mur sous une couche de plâtre. C'est simple à utiliser. L'extrémité pointue doit être placée au bon endroit. Par exemple, branchez-le sur une prise. Le voyant s'allume pour indiquer qu'une phase a été trouvée.

Vidéo: le principe de fonctionnement du tournevis indicateur avec la fonction de détection de câblage caché est simple et clair.

Détecteur de câblage caché à faire soi-mêmeRegardez cette vidéo sur YouTube

Un outil convient également pour déterminer une coupure dans le réseau. Pour ce faire, un tournevis est conduit le long du mur où passe le câble. En cas de pause, le voyant s'éteint. De la même manière, ils recherchent également un câble fermé dans le mur. Certes, la zone mince de la pointe du tournevis rendra ce processus assez long dans le temps.

Une plus grande zone peut être capturée par un smartphone.Étonnamment, il est également possible de restaurer la disposition des câbles électriques dans la pièce à l'aide d'un téléphone portable. Pour ce faire, vous devez télécharger une application spéciale Détecteur de métaux sur votre téléphone. Bien sûr, l'application est conçue pour rechercher du métal. Cependant, il fait également face aux fils cachés.

Le principe de fonctionnement est basé sur le capteur magnétique intégré. Ils recherchent du métal.

Détecteur de câblage caché à faire soi-même

Le capteur magnétique intégré aidera trouver le câblage caché et en utilisant un smartphone ordinaire

Sur certains smartphones du système Android, ce programme est installé par défaut. C'est ce qu'on appelle la boussole électronique. Il s'agit du même capteur d'intensité de champ magnétique. Ils utilisent le programme de la même manière qu'un détecteur électromagnétique : ils conduisent le gadget le long du mur à la recherche de ce qui est caché aux yeux.

D'une manière ou d'une autre, l'indicateur de câblage dans le mur est une chose irremplaçable. Réparer sans cela est extrêmement difficile. Et, à l'inverse, l'utilisation d'un tel objet simplifie vraiment le travail. À tous autres égards, vous devez être guidé par vos goûts et la fréquence à laquelle vous contactez cet appareil pour obtenir de l'aide. C'est de ces facteurs que dépend l'option choisie.

Détecteur de câblage caché à faire soi-même

L'utilisation d'un détecteur de fil caché simplifie les travaux de réparation

Et encore une chose. N'importe quel appareil pour détecter une rupture dans un caché le câblage peut être erroné. Les appareils ne répondent pas toujours clairement à deux éléments proches l'un de l'autre. La batterie peut être déchargée ou un autre facteur peut être déclenché, entraînant un fonctionnement incorrect de l'appareil. Par conséquent, il est préférable de jouer la sécurité et, avant de percer un mur, coupez l'électricité dans cette pièce.

Types d'instruments de recherche modernes et leurs caractéristiques

A ce jour, il existe un grand nombre de détecteurs de différents types. Certains appareils aident à trouver non seulement des fils dans le mur, mais également une rupture accidentelle.

Selon le principe de son action Il existe deux types de demandeurs :

  • Électrostatique.
  • Électromagnétique.
  • Détecteurs de métaux.
  • Combiné.

Testeurs électrostatiques

Les détecteurs électrostatiques aident à détecter les champs électromagnétiques provenant de fils sous tension. Ce sont de simples chercheurs que vous pouvez créer vous-même selon un certain schéma.

Caractéristiques et caractéristiques des détecteurs :

  • Étant donné que le viseur réagit à certains champs électromagnétiques, les fils dans le mur doivent être sous haute tension pour être détectés.
  • Lorsque vous travaillez avec l'appareil, il est nécessaire de sélectionner un certain niveau de sensibilité, car s'il est trop bas, il peut y avoir des problèmes de détection des fils trop profonds dans le mur sous le plâtre. Si le niveau est trop élevé, l'appareil peut fonctionner de manière erronée.
  • Si les murs de la pièce sont humides ou s'ils contiennent de nombreuses structures métalliques différentes, il sera presque impossible de rechercher le câblage.

Mais compte tenu du faible coût, de la facilité d'utilisation et de l'efficacité, de tels appareils sont utilisés même par les électriciens.

Détecteur de câblage caché à faire soi-mêmeDispositif électrostatique pour trouver le câblage électrique caché

Appareils électromagnétiques

De tels dispositifs aident à trouver l'excitation électromagnétique qui provient du câblage connecté à une certaine charge. La qualité du travail et la précision de ces détecteurs sont bien supérieures aux précédentes.

En outre, ces appareils ont une caractéristique du travail.Afin de déterminer où certains câblages sont posés dans le mur et à quelle profondeur, il doit avoir une charge pas moins de 1kW. Par exemple, vous pouvez simplement connecter une bouilloire électrique ou un fer à repasser au secteur.

Détecteur de câblage caché à faire soi-mêmeDispositif électromagnétique pour trouver le câblage caché

Détecteurs de métaux (chercheurs)

Il existe des situations où il est impossible de connecter la tension aux fils ou à la charge, alors dans ce cas, des détecteurs ou des détecteurs de métaux sont utilisés. Les appareils fonctionnent de cette manière : divers éléments métalliques entrent dans le champ électromagnétique du viseur, ce qui provoque certaines vibrations qui sont captées par le détecteur.

De tels appareils réagissent clairement à tous les objets métalliques qui se trouvent dans les murs, donc en plus des fils, ils les trouveront également.

Détecteur de câblage caché à faire soi-mêmeDétecteur de métaux pour trouver des fils dans les murs

Appareils combinés

Les détecteurs de ce type sont multifonctionnels, car ils sont capables de combiner plusieurs types d'appareils qui trouvent le câblage dans les murs. De telles fonctions élargissent considérablement la portée des détecteurs et augmentent leur efficacité.

Le modèle TS-75, qui contient un détecteur de métaux et un détecteur électrostatique, est très demandé.

Détecteur de câblage caché à faire soi-mêmeAppareil multifonctionnel combiné pour trouver le câblage caché

Les détecteurs faits maison peuvent être :

  • Avec indication sonore. Lors du fonctionnement d'un tel appareil, lorsqu'il trouve des fils cachés, un son caractéristique est émis.
  • Avec système d'avertissement sonore et lumineux (indication). Lorsque l'appareil trouve le câblage, non seulement il émet une alerte sonore, mais le voyant commence également à clignoter.
  • Sur un transistor à effet de champ. Cet appareil est facile à fabriquer selon un certain schéma.Il existe plusieurs options différentes pour assembler un appareil avec une alerte lumineuse.
  • Dispositif de signalisation de recherche sans piles. L'appareil est alimenté par le secteur, ce qui signale également la détection d'une lumière vive située sur le corps du viseur.
  • Le détecteur sur le microcontrôleur. Un tel détecteur fonctionne sur la réactivité du chercheur au champ électromagnétique, qui est formé par le courant circulant dans les fils. Lors de l'assemblage, vous pouvez utiliser une LED ou un émetteur piézo sonore comme annonciateur.
  • Appareil à deux éléments. Le détecteur a une lampe LED comme indicateur, qui commence à briller lorsque le câblage est détecté.

Instruments de recherche professionnels

Il existe de nombreuses méthodes qui vous permettent de savoir où sont posés les câbles. Ils reposent sur l'utilisation d'appareils capables de détecter un fil sans contact direct. Ceux-ci incluent les appareils suivants :

  • détecteur de câblage caché électromagnétique ;
  • tournevis indicateur;
  • Détecteur de métaux;
  • multimètre et transistor à effet de champ ;
  • détecteur combiné.

Détecteur de fil caché électromagnétique

Les détecteurs électromagnétiques sont des appareils professionnels fabriqués pour détecter les fils. Leur travail est basé sur l'enregistrement de champs électromagnétiques variables provenant du conducteur. Ce type d'appareil nécessite que pendant la recherche, un courant de 5 à 10 ampères circule dans le câble sondé. Cela correspond à une charge électrique de 1-2 kW.

Lire aussi :  Scellé antimagnétique sur le compteur électrique : principe de fonctionnement et spécificités d'utilisation

Détecteur de câblage caché à faire soi-mêmeDétecteur de fil

Le détecteur de fil électromagnétique a une bonne précision. Mais il y a un gros inconvénient. Il est capable de détecter un fil si le courant le traverse.Il ne sera pas possible de trouver une coupure de circuit avec un tel appareil. En conséquence, la maison doit être sous tension et la ligne à l'étude ne doit pas avoir de rupture de fil. Ce type de détecteur est parfait si le câble fonctionne et que vous devez faire un trou dans le mur sans aucun risque supplémentaire.

Tournevis indicateur

La méthode la moins chère pour détecter le câblage caché. L'indicateur coûte environ 20-30 roubles. Chaque électricien en a un. Les électriciens l'utilisent pour trouver la phase et le zéro. Si vous touchez le tournevis indicateur au câble, il s'allumera. Les modèles coûteux sont capables d'émettre un signal sonore. Quel que soit le prix, l'appareil indique le fil de phase, et est silencieux à zéro.

Détecteur de câblage caché à faire soi-mêmeRecherche de câble avec à l'aide d'un tournevis indicateur

Les modifications de transistor des tournevis indicateurs peuvent briller sans contact direct avec le câble. La sensibilité vous permet de détecter le fil de phase jusqu'à 20 mm de distance. Par conséquent, si le noyau porteur de courant se trouve à faible profondeur, l'appareil le détectera

Il est important que le fil soit sous tension et que l'indicateur soit un transistor

Détecteur de métaux

Cet appareil est souvent appelé détecteur de métaux. Il est utilisé pour déterminer la présence de métal dans le sol à une profondeur d'environ un mètre. S'il n'y a pas de raccords métalliques dans les murs, rien ne vous empêche d'utiliser un détecteur de métaux pour rechercher le câblage.

L'utilisation d'un détecteur de métaux l'emporte sur les autres méthodes de recherche. Le câble n'a pas besoin d'être sous tension pour détecter un fil. L'appareil est conçu pour rechercher à de grandes profondeurs, il est donc facilement capable de trouver un fil dans le mur à des distances de 1 à 5 cm. Les câbles sont généralement posés à cette profondeur.

Détecteur de câblage caché à faire soi-même

Cependant, l'utilisation d'un détecteur de métaux dans un bâtiment avec des raccords ne fonctionnera pas.L'appareil fonctionne sur n'importe quel métal, et pas spécifiquement sur le câblage électrique. Les détecteurs de métaux sont assez grands. Il est problématique de les stocker dans une norme boîte à outils.

Multimètre et FET

La détermination du câblage caché avec un multimètre convient aux radioamateurs. L'élément sensible pour la recherche devra être soudé de vos propres mains. En plus du dispositif de mesure, un transistor à effet de champ est utile. L'essentiel est que sa grille ait une faible tension d'ouverture et une petite capacité d'entrée. Par exemple, des éléments soviétiques de la série KP103 ou importés 2SK241. Il est également permis d'utiliser un ancien testeur de pointeur comme appareil.

Détecteur de câblage caché à faire soi-même

Le multimètre est mis en mode de mesure de haute résistance. Il s'agit généralement de plages allant jusqu'à 200 kΩ ou 2 MΩ. Les sondes du dispositif sont connectées à la jonction drain-source. L'obturateur reste suspendu dans l'air. Pour augmenter la sensibilité de la recherche, un morceau de fil doit y être soudé. La longueur et la forme du segment sont choisies empiriquement

Des précautions doivent être prises lors de l'assemblage de l'appareil. KP103 - pas les transistors les moins chers

Ils sont facilement endommagés par l'électricité statique.

Détecteur combiné

Les détecteurs de câbles cachés combinés sont une classe d'appareils qui ont plusieurs éléments sensibles. Par exemple, un détecteur de métaux et un détecteur électromagnétique dans un corps compact. Deux types de capteurs, fonctionnant simultanément, éliminent les défauts et les erreurs les uns des autres.

Les appareils combinés sont plus chers que leurs homologues plus simples. Une personne qui recherche un dysfonctionnement du réseau peut, à sa discrétion, allumer ou éteindre l'un ou l'autre type de capteur, ou en utiliser plusieurs en même temps. Tout dépend de l'expérience avec le détecteur et de l'état du câblage à l'étude.

Détecteur de câblage caché à faire soi-même

1 Détecteur fait maison avec un élément piézoélectrique - en termes simples sur le complexe

Les détecteurs à fil affleurant sont divisés en appareils bas de gamme et haut de gamme. L'appareil de classe inférieure est conçu pour rechercher des appareils électriques et des câbles sous tension. Le détecteur haut de gamme a une grande sensibilité et des fonctionnalités avancées. Un tel dispositif sert à déterminer la rupture du câblage caché, détecte l'emplacement des fils sans tension.

Détecteur de câblage caché à faire soi-même par des moyens improvisésen ajoutant quelques petits détails. Lors de la conception de cet instrument, veuillez noter qu'afin de déterminer fils dans le mur la tension conviendra. Et si vous avez besoin d'un équipement haute fréquence pour détecter une rupture et repérer l'emplacement exact du câble au millimètre près, achetez un détecteur de qualité en magasin.

Détecteur de câblage caché à faire soi-même

Vous pouvez fabriquer vous-même un détecteur de câblage caché

Pour assembler l'appareil, vous aurez besoin de l'ensemble d'éléments suivant :

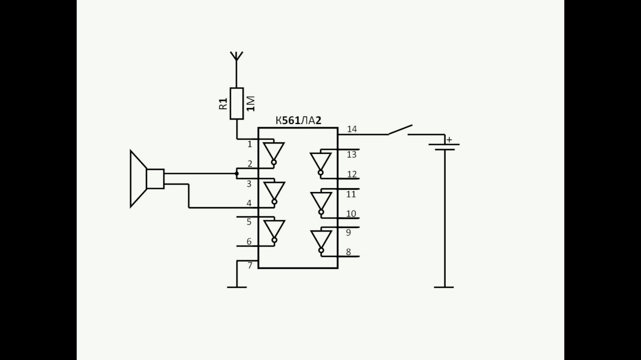
  • puce K561LA7 ;
  • pile 9 V Krona ;
  • connecteur, connecteur de batterie ;
  • limiteur de courant (résistance) avec une résistance nominale de 1 MΩ ;
  • élément piézoélectrique sonore ;
  • fil ou fil de cuivre unipolaire L = 5–15 cm;
  • câblage pour contacts à souder;
  • une règle en bois, des boîtes sous l'alimentation électrique, une autre conception maison pour la pose de la chaîne.

De plus, pour le travail, vous aurez besoin d'un petit fer à souder puissance jusqu'à 25 Wpour ne pas surchauffer la puce; colophane; souder; pinces coupantes. Avant de procéder à l'assemblage, examinons de plus près les principaux éléments. La pièce principale sur laquelle s'effectue l'assemblage est le microcircuit de type soviétique K561LA7. On peut le trouver sur le marché de la radio ou dans des stocks anciens.Le microcircuit K561LA7 est sensible aux champs statiques et électromagnétiques créés par les appareils électriques et les conducteurs. Le niveau de courant dans le système contrôle la résistance située entre le circuit intégré et l'antenne. Nous utilisons un fil de cuivre unipolaire comme antenne. La longueur de cet élément affecte la sensibilité de l'appareil, il est sélectionné expérimentalement.

Un autre détail d'assemblage important est l'élément piézoélectrique. Captant un signal électromagnétique, il crée un craquement caractéristique qui signale la présence d'un câblage à un endroit donné. Il n'est pas nécessaire d'acheter spécifiquement une pièce, de retirer le haut-parleur de l'ancien lecteur, des jouets (Tetris, Tamagotchi, horloge, machine à son). Au lieu d'un haut-parleur, vous pouvez souder des écouteurs. Le son sera plus clair et vous n'aurez pas à écouter le craquement. En tant qu'indicateur de câblage caché, un élément LED peut être monté en plus dans l'appareil. Le circuit est alimenté par une pile Krona de 9 volts.

Détecteur de câblage caché à faire soi-même

Une pile Krona de 9 volts sera nécessaire pour alimenter le circuit

Pour vous faciliter le travail avec le microcircuit, prenez du carton ou du polystyrène et marquez avec une aiguille les emplacements de fixation des 14 pattes (jambes) de la pièce. Insérez-y ensuite les pattes du circuit intégré et numérotez-les de 1 à 14, en partant de gauche à droite avec les pattes vers le haut.

Détecteur de câblage caché à faire soi-même

Schéma d'assemblage d'un détecteur avec une LED

Nous établissons les connexions dans l'ordre suivant :

  1. 1. Nous préparons une boîte où nous mettrons les pièces après assemblage. Pour une alternative bon marché, utilisez un bouchon de bouteille en plastique. Faire un trou à l'extrémité avec un couteau d'environ 5 mm de diamètre.
  2. 2.Insérez une tige creuse dans le trou résultant, par exemple la base d'un stylo à bille, adaptée au diamètre, qui sera la poignée (support).
  3. 3. Nous prenons un fer à souder et soudons une résistance de 1 MΩ à 1-2 pattes du microcircuit, bloquant les deux contacts.
  4. 4. Nous soudons le premier fil de haut-parleur à la 4ème jambe, après quoi nous connectons les 5ème et 6ème jambes ensemble, les soudons et connectons la deuxième extrémité du fil piézoélectrique.
  5. 5. Nous fermons les jambes 3 et 5–6 avec un fil court, formant un cavalier.
  6. 6. Soudez le fil de cuivre à l'extrémité de la résistance.
  7. 7. Tirez les fils du connecteur (connecteur de la batterie) à travers la poignée. Nous soudons le fil rouge (avec une charge positive) à la 14e jambe et le fil noir (avec une charge négative) à la 7e jambe.
  8. 8. De l'autre extrémité du capuchon en plastique (boîte), nous faisons un trou pour que le fil de cuivre sorte. Nous mettons un microcircuit avec câblage à l'intérieur du couvercle.
  9. 9. Par le haut, fermez le couvercle avec un haut-parleur en le fixant sur les côtés avec de la colle chaude.
  10. 10. Redressez le fil de cuivre verticalement et connectez la batterie au connecteur.

Le détecteur de câblage est prêt. Si vous avez correctement connecté tous les éléments, l'appareil fonctionnera. Si possible, nous vous conseillons d'équiper le système d'un interrupteur ou de retirer la batterie de la prise après la fin des travaux afin d'économiser la batterie et de ne pas surcharger le système.

Un aperçu de plusieurs modèles de détecteurs de fils et de métaux

Commençons le bilan par des modèles pas chers, qui s'avèrent souvent les plus pratiques pour les non-professionnels qui souhaitent rénover leur logement.

Détecteur de tension UNI-T UT-12A

Détecteur de câblage caché à faire soi-même

Cet appareil peu coûteux et compact jouit d'une bonne réputation. Prix ​​jusqu'à 500-600 roubles. Malgré sa simplicité, il détecte de manière fiable le câblage sous tension caché.L'appareil est équipé d'une alarme sonore qui peut être désactivée et guidée par un indicateur LED qui clignote lorsqu'une tension est détectée. Si le voyant ne clignote pas mais reste allumé, ce n'est pas un signe dysfonctionnement de l'appareil, mais signe qu'il est temps de changer la pile.

Localisateur Mastech MS6812

Détecteur de câblage caché à faire soi-même

Le testeur de câbles et détecteur de fils MS6812 peut localiser les fils sous tension cachés. Le kit comprend un générateur qui étend les capacités du scanner. Si vous lisez l'article depuis le début, alors vous savez qu'il permet de rechercher un câblage même sans tension. Et en plus, vous pouvez trouver un lieu de fermeture caché. Ou appelez un conducteur séparé dans le faisceau, ce qui est parfois nécessaire et n'est pas la tâche la plus facile.

Localisateur de câblage BSIDE FWT11

Détecteur de câblage caché à faire soi-même

À l'aide des connecteurs RJ45 et RJ11, vous pouvez connecter des câbles LAN, Ethernet et les tester. Il est également possible de se connecter à des câbles à l'aide de pinces crocodiles. Pour les conditions de travail bruyantes, il existe une prise pour casque (casque).

Le générateur et la sonde-récepteur sont alimentés par des piles de taille 6F22 9 V (« Krona »). La sonde a une lampe de poche LED intégrée qui aide dans les zones faiblement éclairées.

Les caractéristiques:

Longueur de câble : 300 mètres
Classe de protection: IP40
Les fonctions: traçage, topologie, générateur de signaux
Dimensions: 235 x 145 x 51 mm
Le poids: 500g

Scanner IdeenWelt (Allemagne)

Détecteur de câblage caché à faire soi-même

Cet appareil peut être classé comme combiné. Il comprend une bobine et un capteur capacitif. Par conséquent, il peut détecter le bois et les plastiques. Lors de la recherche de câblage, ces fonctions n'interfèrent pas du tout, car elles vous permettent parfois d'obtenir une réponse à des questions supplémentaires.Les avantages incontestables de l'appareil incluent la facilité de manipulation.

L'appareil fournit une indication sonore et lumineuse des objets détectés.

Certaines caractéristiques sont données dans le tableau :

Détection de câblage : jusqu'à 30 millimètres
Détection de métal: jusqu'à 50 millimètres
Détection d'arbre : jusqu'à 38 millimètres

Détecteur de métaux Einhell TC-MD 50

Détecteur de câblage caché à faire soi-même

Un appareil de type combiné qui utilise un champ magnétique et électrique pour détecter des objets. Au verso il y a un joint afin de ne pas rayer les murs lors de la recherche, vous pouvez également utiliser un revêtement doux. Le détecteur dispose d'une alarme visuelle et sonore. Si l'appareil n'est pas utilisé, il s'éteindra automatiquement après 1 minute.

Les caractéristiques:

Détection de métaux (noir): 50 millimètres
Détection d'arbre : 19 millimètres
Détection de métaux (cuivre): 38 millimètres
Détection de câblage : 50 millimètres
Poids du scanneur : 150 g
Poids emballé : 340 g

Scanner de câblage BOSCH PMD 7

Détecteur de câblage caché à faire soi-même

Scanner multifonctionnel pour détecter les métaux, le bois et le câblage caché. Tous les métaux sont détectés jusqu'à une profondeur de 70 mm et le câblage sous tension jusqu'à 50 mm. Le détecteur a une indication tricolore (jaune, vert, rouge).

L'étalonnage dans l'appareil est automatique, la détection se produit en temps réel. L'alimentation est fournie par un élément de 1,5 V. Le poids n'est que de 150 g. Le fabricant (Allemagne) donne une garantie d'un an et demi.

Détecteur de fil Bosch GMS 120 M

Détecteur de câblage caché à faire soi-même

Il s'agit d'un appareil de qualité professionnelle. Il vous permet de déterminer le câblage (sous tension) à une profondeur allant jusqu'à 50 mm. Le bois est détecté jusqu'à 38 mm, les métaux ferreux jusqu'à 120 mm et le cuivre jusqu'à 80 mm.

L'appareil dispose d'un calibrage automatique. Il y a une fonction de détection centrale.De plus, l'anneau au milieu est conçu pour indiquer la position exacte de la cible et marquer le mur avec un marqueur. L'interrupteur permet de sélectionner l'un des trois modes de fonctionnement : bois, métal, câblage.

L'écran du scanner est rétroéclairé. L'appareil est alimenté par une pile 9 V. Il y a une fonction arrêt automatique lorsque non-utilisation pendant plus de 5 minutes.

Scanner de câbles et de matériaux métalliques BOSCH D-Tect 150 Professional

A la fin de l'examen, un appareil de type radar professionnel. Il détecte le câblage à une profondeur de 60 mm. Les métaux (y compris les raccords en acier) se trouvent à une profondeur de 150 mm, les tuyaux - 80 mm. L'appareil pèse environ 700 g.

Le principal avantage de l'appareil est sa haute précision jusqu'à 1 mm - détection de métal. L'affichage est très instructif. Ce radar ne nécessite aucun étalonnage et est prêt pour les mesures immédiatement après sa mise en marche.

Détecteur de câblage caché combiné

Cet appareil est un "deux en un" pouvant fonctionner à la fois en mode de recherche de rayonnement électromagnétique, et en tant que détecteur de métaux.

Voici son schéma :

Détecteur de câblage caché à faire soi-mêmeDétecteur de fil combiné

Le choix des modes est effectué par l'interrupteur S 1, qui peut alimenter en tension l'un ou l'autre bloc, nous les considérerons tour à tour.

Bloc détecteur de métaux

Il est situé au sommet (selon le schéma de ce moment off) et se compose des nœuds suivants :

Antenne magnétique sur tige de ferrite (WA 1);

Détecteur de câblage caché à faire soi-mêmeAntenne magnétique

Générateur monté sur un transistor KT315 (VT 1) et une seconde bobine d'une antenne magnétique (L2) ;

Détecteur de câblage caché à faire soi-mêmeTransistor KT 315

Unité réceptrice sur la première bobine de l'antenne magnétique (L1), condensateur C2 avec un détecteur sur la diode KD522 (VD1);

Diodes KD522

Détecteur de câblage caché à faire soi-mêmeBrochage de la diode

Amplificateur sur la puce 140UD12 (DA1);

Détecteur de câblage caché à faire soi-mêmePuces K140 UD 12 sur la carte

  • Un indicateur sous la forme d'une LED KIPMO1B (d'autres peuvent être utilisés à la place, par exemple AL 307) ;
  • Un générateur d'impulsions d'une durée allant jusqu'à une seconde basé sur deux éléments logiques d'un microcircuit numérique de la logique la plus simple 561LE5 (D1 1; D 1 2);
  • Générateur de fréquence audio sur les deux éléments restants du microcircuit ;
  • Émetteur piézocéramique ZP-1 (VA 1).

Détecteur de câblage caché à faire soi-mêmeEmetteurs piézocéramiques, on les retrouve dans presque tous les petits appareils avec une alarme sonore

Comment fonctionne un circuit détecteur de métaux

Le générateur est accordé sur une fréquence proche du seuil d'émission du récepteur. Pour ce faire, les résistances d'ajustement R2 et R6 sont utilisées.

  • En présence de métal à proximité, les réglages des circuits du générateur et du récepteur changent et le signal du générateur passe à travers le filtre de fréquence du récepteur.
  • De plus, l'amplificateur opérationnel - comparateur DA 1 a un seuil de réponse par rapport à la tension fournie par le diviseur sur les résistances R9, R10 à sa seconde entrée. Si cette valeur est dépassée, il commence à fonctionner. Le signal est amplifié par l'amplificateur opérationnel à un niveau suffisant pour être perçu par le générateur sur D1, D2 comme une unité logique et le démarrer. La LED HL 1 est également reliée à la sortie de l'amplificateur qui, par son allumage, indique la détection de câblage.
  • Le signal provenant du premier générateur démarre périodiquement le générateur de fréquence audio à D3, D4. Un émetteur piézocéramique connecté à la sortie du générateur émet un signal intermittent.

Bloc de recherche magnétique

Pour le démarrer, vous devez régler le commutateur S 1 sur la deuxième position. Ce nœud est beaucoup plus simple. Il est monté sur le deuxième amplificateur opérationnel DA 2.

Une antenne est connectée à son entrée, une seconde LED HL 2 est installée en sortie, s'il y a interférence (signal) sur l'antenne, l'amplificateur va monter son niveau et allumer la LED connectée.

Assemblage d'instruments

Nous ne donnerons pas de conseils ici, alors instructions de montage inutiles, les techniques sont les mêmes que pour l'installation de tous les appareils électroniques. Il est difficile d'en faire un auvent, il vaut mieux utiliser un circuit imprimé.

Les radioamateurs eux-mêmes savent tout faire. Mais il y a une remarque - pour un fonctionnement stable, vous avez besoin le plus loin possible antennes magnétiques et conventionnelles séparées.

Détecteur de câblage caché à faire soi-mêmeAppareil assemblé en action

Conseils d'utilisation des détecteurs de fils cachés

Quel scanner de câble utilisez-vous ?

ÉlectrostatiqueÉlectromagnétique

Voici quelques conseils utiles :

Le tout premier conseil est de s'assurer que la pile est fraîche avant d'utiliser le détecteur.

Si ce n'est pas le cas, la précision de détection sera extrêmement faible et vous pourrez frapper la perceuse directement dans un câble sous tension ou une conduite d'eau.
Si vous utilisez un générateur pour alimenter le câble à tester, assurez-vous qu'il est débranché du secteur et qu'il n'y a pas de tension dessus ! Le non-respect de ces conseils peut entraîner un choc électrique.
Si vous trouvez une réponse de l'appareil (peu importe s'il utilise un indicateur sonore ou lumineux), ne vous précipitez pas pour tirer des conclusions. Surtout s'il s'agit d'un appareil de type actif, un détecteur de métaux

Examinez le parcours en détail, dessinez son emplacement sur papier ou marquez-le au crayon sur le mur. Ce n'est qu'après avoir analysé toutes les données que vous décidez où se trouvent les tuyaux ou les raccords et où se trouve le câblage. Tenez également compte des entrées des services publics dans un lieu connu afin de suivre leur itinéraire plus loin.
Notez qu'un détecteur de fil de type simple (passif) en mode secteur ne montrera que l'emplacement du fil de phase. Il ne détectera pas la terre neutre ou de protection si elles courir séparément des fils de phase.

Évaluation
Site sur la plomberie

Nous vous conseillons de lire

Où remplir la poudre dans la machine à laver et combien de poudre verser