Comment connecter un interrupteur avec une seule clé: règles et schémas de connexion

Comment installer un interrupteur d'éclairage : instructions étape par étape, schémas et règles

Quels sont les avantages des interrupteurs à deux gangs ?

En taille, les modèles doubles ne diffèrent pas des modèles simples. Ceci est pratique s'il devient nécessaire de remplacer l'un par un autre.

Les commutateurs diffèrent par leur appareil. La partie travaillante du double comprend trois contacts : un en entrée et deux en sortie. Ce sont les contacts sortants qui commandent le fonctionnement de deux sources lumineuses (ou groupes) indépendantes.

Contacts entrants et sortants

L'installation d'appareils de commutation à 2 clés a ses avantages.

  1. Lors de l'installation de deux modèles à clé unique, il est nécessaire de tirer le câble vers chacun d'eux. En conséquence, leur remplacement par un seul appareil entraîne une réduction des coûts de main-d'œuvre et des économies de matériaux.
  2. Deux sources lumineuses distinctes peuvent être connectées à différentes touches et leur fonctionnement peut être contrôlé à partir d'un point. Par exemple, cela est pratique lors de la sortie de contacts à partir d'appareils dans les toilettes et la salle de bain, s'ils sont situés à proximité. De plus, conformément au PUE, il est permis de placer des interrupteurs uniquement à l'extérieur de ces locaux. De la même manière, il est possible de configurer l'inclusion de différents groupes de projecteurs. Ils peuvent être allumés alternativement ou simultanément (en appuyant sur les deux touches).
  3. Les commutateurs sont assez simples, faciles à installer et faciles à entretenir. Ils servent pendant longtemps sans perte de caractéristiques opérationnelles et esthétiques.
  4. Des interrupteurs doubles sont installés dans des locaux à des fins diverses : dans des appartements et des bureaux, des institutions publiques et dans la production. Les modèles résistants à l'humidité peuvent également être utilisés à l'extérieur.
  5. Ce n'est pas toujours pratique lorsque dans un lustre avec plusieurs ampoules elles fonctionnent toutes en même temps. L'installation d'un appareil à deux clés permet de faire du câblage en connectant un certain nombre de sources lumineuses à chacune d'elles. Ainsi, le travail du lustre devient plus fonctionnel et l'électricité est économisée lorsqu'il n'est pas nécessaire d'allumer toutes les lampes.

Interrupteur d'éclairage réglable

Prix ​​des interrupteurs réglables

Variateur

Les inconvénients des appareils incluent des problèmes d'allumage de l'éclairage lorsque l'interrupteur tombe en panne. Puisqu'un appareil contrôle deux lampes à la fois, en cas de panne, les deux ne fonctionneront pas.

La conception et le principe de fonctionnement de l'interrupteur à deux gangs

La conception d'un interrupteur à deux gangs est assez simple. Cela consiste en:

  1. Deux touches (parties mobiles vers le haut et vers le bas).
  2. Logement (coquille), qui est retiré avant de commencer à travailler avec de l'électricité.
  3. Borniers (les endroits auxquels la tension ou le courant sont fournis).

Conception de commutateurComment connecter un interrupteur avec une seule clé: règles et schémas de connexion

Dans de rares cas, le troisième élément - les borniers - peut être remplacé dans la conception par des colliers à vis. La différence est que les premiers maintiennent le fil longtemps et en toute sécurité, tandis que les seconds font de même, mais sans serrer le fil, ni le tordre, de sorte que la première option est plus facile à connecter et à travailler plus longtemps. La conception peut également inclure un éclairage supplémentaire - un gradateur situé sur chaque touche.

À l'intérieur d'un interrupteur à deux gangs non lumineux, il y a deux fils parallèles l'un à l'autre + une entrée pour une phase. Chacune des bornes adaptées aux touches peut indépendamment ouvrir ou fermer un contact qui allume une lampe, une deuxième lampe ou toutes les lampes à la fois.

Fils d'interrupteur à deux gangsComment connecter un interrupteur avec une seule clé: règles et schémas de connexion

Le principe de fonctionnement de l'interrupteur est la variabilité du degré d'éclairement :

  1. Vous ne pouvez allumer qu'une seule touche pour qu'une ampoule (ou le premier groupe de lumières) s'allume.
  2. Il est possible d'allumer la deuxième clé - l'éclairage changera, car certaines parties de la pièce seront clairement visibles, tandis que d'autres seront légèrement assombries.
  3. La troisième option consiste à allumer toutes les lampes en même temps - les deux touches sont en position «marche» - la pièce reçoit alors un éclairage maximal.

Certains commutateurs à deux gangs sont constitués de deux appareils à un gang isolés l'un de l'autre. Dans ce cas, il est d'usage de les appeler modulaires.

En plus du composant externe, un tel appareil peut également remplir les fonctions d'économie d'énergie et de création d'une atmosphère diversifiée.Et les interrupteurs à deux gangs augmentent la sécurité, car lorsqu'ils sont installés dans une pièce, le nombre de points sous tension électrique diminue.

Lire aussi :  Comment trouver de l'eau pour un puits: un aperçu du "grand-père" et des méthodes de recherche modernes

Avant de commencer les travaux de préparation de la connexion de l'interrupteur, nous vous suggérons de vous familiariser avec le schéma d'un interrupteur à deux gangs ci-dessous :

Comment connecter un interrupteur avec une seule clé: règles et schémas de connexion

Types d'interrupteurs électriques

La gamme d'appareils électriques présentée sur le marché russe ne permet pas d'énumérer tous les noms de ce produit, mais absolument tous les appareils sont divisés en les modifications suivantes :

  1. Montage dissimulé - ce type d'interrupteurs électriques vous permet d'économiser l'intérieur de la pièce et de placer un élément d'équipement électrique à l'intérieur du mur. Parmi les inconvénients de ce type d'éléments d'équipements électriques, on peut citer la nécessité de chasser les murs, ce qui augmente considérablement le temps consacré aux travaux d'installation.
  2. Installation extérieure - utilisée principalement dans les salles de bains et les buanderies. Ce type d'interrupteurs est beaucoup plus pratique à utiliser et à réparer, mais est nettement inférieur aux appareils cachés en termes d'esthétique.

L'installation de ces appareils prend un peu de temps, mais chaque type a ses propres caractéristiques et séquence d'installation. Comment installer un interrupteur d'éclairage selon toutes les règles sera décrit en détail ci-dessous.

Procédure de montage de l'appareil

Toutes les actions effectuées lors de l'installation de l'interrupteur de passage sont effectuées conformément au schéma de connexion. Il diffère du montage d'un interrupteur standard en ce que trois fils sont utilisés au lieu de deux.Les deux fils de ce circuit agissent comme un cavalier reliant les commutateurs adjacents situés à différents points de la pièce. Le troisième fil fournit l'alimentation de phase.

Comment connecter un interrupteur avec une seule clé: règles et schémas de connexionLa différence entre le schéma de connexion de l'interrupteur de passage et le schéma d'installation d'un appareil standard est la présence de trois fils, dont deux relient les appareils et le troisième fournit l'alimentation

Lors de la connexion d'un interrupteur traversant, tout type de lampe peut être utilisé, d'une lampe à incandescence traditionnelle à des sources d'éclairage LED fluorescentes modernes.

Cinq fils s'adapteront à la boîte de jonction :

  • câble du dispositif d'éclairage ;
  • fil d'alimentation de la machine ;
  • fil du second interrupteur d'intercommunication.

Pour assurer une longue durée de vie du câblage électrique, il est recommandé de choisir la bonne taille de câble pour le câblage domestique.

Pour construire un circuit avec deux interrupteurs à touche unique, un câble à trois conducteurs est utilisé. Dans ce cas, mise à la terre, "zéro" s'affiche sur la source lumineuse. Et la phase surlignée en marron dans le diagramme fournit de l'énergie. Il traverse à la fois les interrupteurs et la lampe.

Étant donné que ces interrupteurs sont situés dans la rupture du câble de phase, la sécurité du travail lors de la réparation et de l'entretien du dispositif d'éclairage est assurée.

Les travaux de connexion d'un interrupteur simple (traversant) sont effectués dans l'ordre suivant:

  • libérer les extrémités des fils de l'isolant ;
  • à l'aide de l'indicateur, trouvez le fil de phase et zéro;
  • posez le fil neutre de la machine à travers la boîte de jonction jusqu'au lustre / lampe.
  • au contact d'entrée du premier interrupteur, connectez la phase du fil d'alimentation qui a traversé la boîte de jonction ;
  • connecter (à travers la boîte de jonction) deux contacts de sortie d'un interrupteur d'intercommunication à deux contacts de sortie de l'autre ;
  • il reste à connecter la phase allant (par la boîte de jonction) au lustre/lampe au contact de sortie du deuxième interrupteur.

Les joints peuvent être torsadés, soudés et enveloppés de ruban isolant. Ou utilisez des borniers auto-serrants.

Comment connecter un interrupteur avec une seule clé: règles et schémas de connexionDans les appartements, les chalets privés, les interrupteurs de passage non pas à un mais à deux boutons sont plus souvent utilisés. Les appareils à deux clés vous permettent de contrôler deux luminaires situés dans des pièces différentes

En plus des modèles de clavier, les fabricants proposent des écrans tactiles. Cependant, lors de leur installation, une aide professionnelle est indispensable.

S'il est nécessaire de contrôler l'éclairage à partir de plus de deux points, jusqu'à six interrupteurs de passage peuvent être utilisés dans le circuit. Dans notre autre article, nous avons examiné étape par étape les nuances de la connexion d'un interrupteur de passage à deux et trois endroits, en fournissant au matériel des diagrammes visuels.

Comment choisir l'emplacement du commutateur

Avant de commencer l'installation du commutateur, vous devez décider de son emplacement. Il faut peser tous les avantages et les inconvénients de son emplacement. L'emplacement le plus courant des interrupteurs près de la porte. C'est pratique lorsque, en sortant ou en entrant, vous pouvez contrôler la lumière dans toute la pièce. D'autres options sont également possibles. Par exemple, des interrupteurs sont situés à la tête du lit.

Comment connecter un interrupteur avec une seule clé: règles et schémas de connexion

Avant de commencer à installer le commutateur, vous devez comprendre le schéma de câblage correspondant.Les règles d'installation doivent être prises en compte: l'interrupteur ne doit pas être situé à moins de soixante cm de la cabine de douche et à au moins un demi-mètre de la branche de gaz.

Lire aussi :  Amortisseur de cheminée: caractéristiques d'installation + un exemple d'autoproduction

Selon eux, vous devez également vous retirer des portes à environ 10 cm et à près d'un mètre du sol. Dans les pièces à forte humidité et à fortes variations de température, l'installation d'interrupteurs doit être évitée.

Comment connecter un interrupteur avec une seule clé: règles et schémas de connexion

Sécurité

Lors des travaux d'installation, il convient de rappeler que le zéro ne peut pas être connecté à l'interrupteur et lors des travaux de réparation, il est nécessaire de vérifier que le zéro ou la phase est fourni aux contacts.

La vérification doit être effectuée pour votre propre sécurité. Afin de ne pas tomber accidentellement sous tension lors du remplacement d'une ampoule ou de travaux de réparation.

Si vous n'avez pas les compétences nécessaires pour travailler avec des appareils électriques, vous devez contacter un spécialiste qui installera professionnellement un interrupteur simple pour un câblage affleurant. L'électricien conviendra avec le client de la manière d'installer correctement l'interrupteur d'éclairage et lui indiquera à quelle hauteur il doit être installé.

Combien de fils sur le lustre

Le nombre de fils sur un lustre dépend de la complexité du lustre et du nombre d'ampoules qu'il doit allumer. Lorsqu'il n'y a que deux fils sur le lustre, il s'agit probablement d'un simple lustre avec une seule ampoule. Il n'est pas difficile de connecter un tel lustre, il suffit de connecter chaque conducteur au zéro et à la phase (séparément). Si le lustre est simple et qu'il y a 3 prises au plafond et qu'elles sont connectées à un interrupteur à deux gangs, alors :

  • Il est possible de connecter deux conducteurs de phase ensemble, formant ainsi un conducteur de phase.Dans ce cas, le lustre peut être allumé et éteint avec chaque touche, ce qui n'est pas très pratique.
  • Un conducteur de phase est isolé, puis le lustre s'allumera / s'éteindra avec l'une des touches, au choix.

Il existe des lustres multipistes qui peuvent avoir plus d'une ampoule, il y a donc plus de fils, en plus, il peut y avoir un fil (jaune-vert) pour la mise à la terre.

Lorsque le lustre a 3 fils, faites ceci :

  • Le fil de terre n'est pas connecté s'il n'est pas au plafond.
  • Le conducteur de terre est connecté au même conducteur au plafond.

Les deux autres fils sont connectés au conducteur de phase et neutre. En règle générale, les lustres modernes sont nécessairement produits avec un fil de terre, qui est associé aux exigences des règles de sécurité.

Connexion à un interrupteur à deux gangs

Lorsqu'un lustre a plus de 2 sources lumineuses, il n'est pas logique d'allumer constamment un grand nombre d'ampoules, mais il est préférable de les diviser en deux groupes. Dans ce cas, vous disposez de 3 options d'allumage : un minimum de lumière, un éclairement moyen et un maximum de lumière. Il doit y avoir au moins 3 fils au plafond - 2 phases et 1 zéro.

Connexion d'un lustre à cinq bras à un interrupteur double (deux gangs)

Récemment, les lustres sont connectés à l'intérieur avec des fils multicolores. En règle générale, des conducteurs bleus et marron sont utilisés, bien que d'autres options de couleur soient possibles. Selon les normes, le fil bleu est destiné à connecter "zéro". Par conséquent, tout d'abord, "zéro" est formé, en raison de la torsion de tous les fils bleus

Il est important de vérifier qu'aucun autre fil n'entre dans cette connexion.

Avant de connecter le lustre, le groupe de conducteurs

L'étape suivante est la formation de groupes de sources lumineuses. Si le lustre est à 3 cornes, il n'y a pas beaucoup d'options ici: 2 groupes sont formés, composés de 1 et 2 ampoules. Pour un lustre 5 caroubes, les options suivantes sont possibles : 2 + 3 ampoules ou 1 + 4 ampoules. Ces groupes sont formés en torsadant les fils de phase, qui peuvent être bruns. En conséquence, un groupe de conducteurs "zéro" de la même couleur est obtenu, le deuxième groupe représente un groupe "phase" séparé, qui peut inclure un ou plusieurs conducteurs, et le troisième groupe est également un groupe "phase", qui comprend 2 fils ou plus, selon le nombre de sources lumineuses.

Schéma de câblage pour un interrupteur à deux gangs

Regardez cette vidéo sur YouTube

Connecter un lustre à un seul interrupteur

La méthode de connexion est assez simple, même s'il y a plus d'une ou deux ampoules dans le lustre. Il est beaucoup plus facile de le faire si des fils de deux couleurs sortent du lustre. Dans ce cas, les fils de la même couleur sont torsadés ensemble, formant ainsi une ligne à 2 fils. La figure ci-dessous montre un schéma d'allumage d'un lustre à un seul interrupteur.

Lire aussi :  Comment faire la bonne cheminée pour un poêle à ventre de vos propres mains: instructions étape par étape

Schéma de connexion d'un lustre à un interrupteur simple

Naturellement, avec un tel schéma de commutation, toutes les ampoules sont commutées simultanément, ce qui n'est pas toujours justifié d'un point de vue économique.

Connexion à partir d'une prise

Mais il existe des cas où il est nécessaire de connecter une lampe supplémentaire avec un interrupteur séparé. Ensuite, le câblage à partir d'une prise existante est possible. Le choix de la méthode de référence (externe ou interne) n'a pas de sens maintenant pour démonter, cela ne s'applique pas à ce sujet.Il est plus logique de considérer les options de connexion. Lors de l'installation d'un interrupteur à clé unique, aucune difficulté ne survient, vous n'avez besoin que d'un fil à deux fils et du dispositif de commutation lui-même.

Si un disjoncteur est installé au-dessus de la prise, les fils neutre et de phase en sont retirés. La phase est interrompue à l'intérieur de l'interrupteur, tandis que le zéro reste intact. Le reste de l'équipement d'éclairage connecté au circuit est alimenté selon les schémas ci-dessus.

Avec cela, trois noyaux de fil sont nécessaires (à la sortie - zéro, phase, phase), et si le disjoncteur a trois clés, alors 4 noyaux (zéro et 3 phases) sont nécessaires.

Application de l'interrupteur LED

Un interrupteur équipé d'un rétro-éclairage est installé là où il fait sombre même pendant la journée, et l'utilisation constante d'un dispositif d'éclairage n'est pas pratique. Il est également utilisé dans les chambres dont l'accès est nécessaire la nuit.

Comment connecter un interrupteur avec une seule clé: règles et schémas de connexion
Un interrupteur avec rétroéclairage LED, tout comme un interrupteur conventionnel, peut être monobloc ou composé d'une, deux ou plusieurs touches

Plus il y a de sources lumineuses, plus il faudra de touches sur l'interrupteur. Pour contrôler l'éclairage, composé de plus de trois luminaires, des commutateurs à cadran sont utilisés, qui sont installés sur une rangée.

Pour contrôler l'éclairage à partir de plusieurs endroits, un interrupteur rétroéclairé spécial est acheté.

Connexion correcte

Après avoir connecté les fils, vous ne devez pas vous tromper lorsque vous travaillez avec des boîtiers de prises, en particulier dans les vieilles maisons. Les appareils modernes diffèrent en taille par rapport aux produits plus anciens.

Remplacement d'un ancien appareil

Il faut souvent composer avec un vieil appareil pour éteindre la lumière. Il doit être démonté.Pour retirer le cache en plastique sous lequel se cache l'ancienne structure, dévisser toutes les vis externes.

Il existe un diagramme sur la façon de remplacer rapidement et facilement un interrupteur simple.

  1. A l'aide d'un tournevis indicateur, régler la phase.
  2. Mettez des gants de protection et apportez l'outil à chaque contact à tour de rôle.
  3. Après avoir vérifié les premier et deuxième fils, éteignez la lumière.
  4. Ce n'est qu'en l'absence de tension que vous pouvez commencer à retirer l'ancien produit.
  5. En retirant l'unité de travail, débranchez le premier fil de "phase", puis le second et isolez-les.
  6. Pour l'isolation, un ruban isolant multicolore convient.

Après avoir libéré de l'espace pour un nouvel appareil, il n'est pas difficile de l'installer.

Comment connecter l'appareil

La nécessité de se connecter à partir de la boîte de jonction est due à la présence dans une pièce de plusieurs lampes, prises et interrupteurs. La tâche est compliquée par le fait que vous devez connecter plusieurs fils dans l'appareil. Il est plus facile de connecter directement le fil à l'appareil que de connecter la lampe, l'interrupteur et les fils du panneau électrique en même temps.

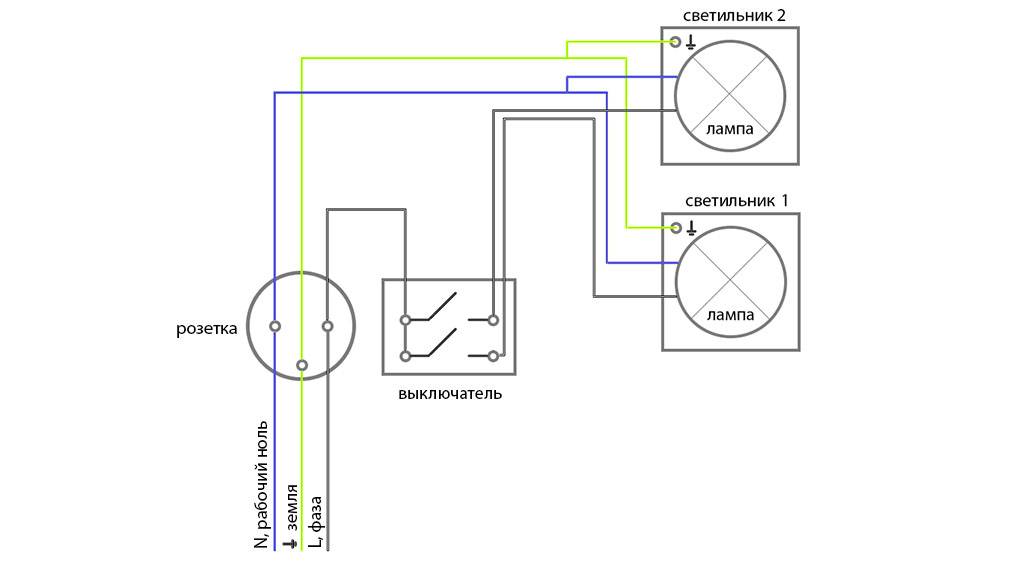
Connecter un interrupteur et une prise

Pour connecter l'interrupteur, vous devez trouver la phase - le fil rouge, ainsi que le zéro, il est bleu. Ils viennent tous du bouclier. Le circuit n'est pas très différent, mais la prise est installée différemment: le fil rouge est connecté au même rouge de l'interrupteur et le fil bleu est connecté au bleu. Les fils mènent à la boîte de montage, de la même manière que pour l'installation de l'appareil sans boîte de jonction. Tous les fils qui ont été connectés doivent être fixés avec du ruban électrique, soudés et placés dans une boîte.

Conclusions et vidéo utile sur le sujet

Ayant un schéma de câblage pour un interrupteur traversant, une expérience de base en travaux électriques, vous pouvez vous-même mettre à niveau votre système de contrôle d'éclairage domestique.

La vidéo ci-dessous vous aidera à comprendre les différences entre un commutateur conventionnel et un commutateur pass-through, et à déterminer la procédure d'installation :

Cette vidéo vous aidera à connecter des interrupteurs sans utiliser de boîte de jonction :

Et cette vidéo aidera à contrôler l'éclairage à partir de trois endroits ou plus.

La possibilité d'augmenter le confort de vie, combinée à une réduction du coût de l'électricité, intéresse beaucoup, de sorte que l'utilisation d'interrupteurs à passage devient de plus en plus populaire parmi les propriétaires d'appartements spacieux et de chalets privés.

Évaluation
Site sur la plomberie

Nous vous conseillons de lire

Où remplir la poudre dans la machine à laver et combien de poudre verser