- Circuits pilotes et leur principe de fonctionnement
- Driver avec stabilisation de courant
- Pilote stabilisé en tension
- Pilote sans stabilisation
- Évaluation des fabricants de lampes à LED.
- Comment choisir les LED ?
- Fabrication de lampes DIY
- Outils et matériaux
- Instructions étape par étape pour fabriquer une lampe
- Fabriquer un chauffeur
- Vidéo : fabriquer une lampe LED DIY
- Alimentations à découpage
- Comment choisir un pilote pour les LED. Façons de connecter la LED
- Comment choisir un pilote pour les LED
- Driver LED à faire soi-même pour LED haute puissance
- Modifications du circuit avec une résistance supplémentaire et une diode Zener
- Modification du circuit pour les LED "dimming"
- Pilote LED - qu'est-ce que c'est
- Conclusion
Circuits pilotes et leur principe de fonctionnement
Pour effectuer une réparation réussie, vous devez bien comprendre le fonctionnement de la lampe. L'un des principaux composants de toute lampe à LED est le pilote. Schémas de pilote pour Lampes LED allumées Il existe de nombreux 220 V, mais conditionnellement ils peuvent être divisés en 3 types :
- avec stabilisation du courant.
- Avec stabilisation de tension.
- Pas de stabilisation.
Seuls les appareils du premier type sont intrinsèquement des pilotes. Ils limitent le courant à travers les LED. Le deuxième type est mieux appelé une alimentation pour bande LED. Le troisième est généralement difficile à nommer, mais sa réparation, comme je l'ai indiqué plus haut, est la plus simple.Considérez les circuits de lampe sur les pilotes de chaque type.
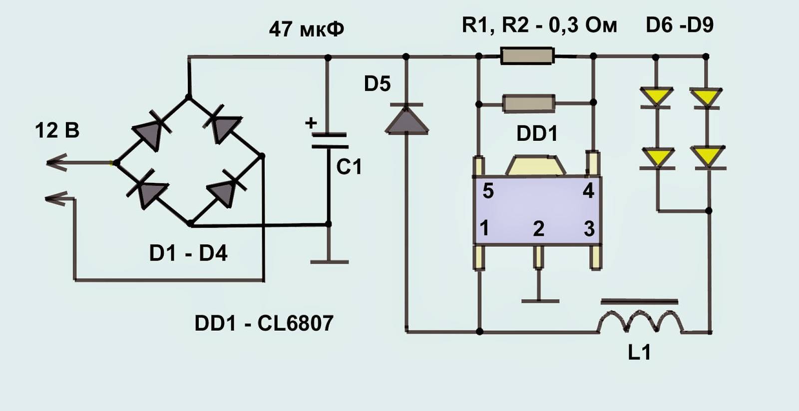
Driver avec stabilisation de courant
Le pilote de lampe, dont vous voyez le circuit ci-dessous, est assemblé sur un stabilisateur de courant intégré SM2082D. Malgré son apparente simplicité, il est complet et de grande qualité, et sa réparation n'est pas difficile.
La tension secteur à travers le fusible F est fournie au pont de diodes VD1-VD4, puis, déjà redressée, au condensateur de lissage C1. La tension constante ainsi obtenue est fournie aux LED de la lampe HL1-HL14, connectées en série, et à la broche 2 de la puce DA1.
Dès la toute première sortie de ce microcircuit, une tension stabilisée en courant est fournie aux LED. La quantité de courant dépend de la valeur de la résistance R2. La résistance R1 d'une valeur assez importante, un condensateur shunt, n'intervient pas dans le fonctionnement du circuit. Il est nécessaire pour décharger rapidement le condensateur lorsque vous dévissez l'ampoule. Sinon, en tenant la base, vous risquez de vous électrocuter gravement, car C1 restera chargé jusqu'à une tension de 300 V.
Pilote stabilisé en tension
Ce circuit, en principe, est également de très haute qualité, mais vous devez le connecter aux LED d'une manière légèrement différente. Comme je l'ai dit plus haut, il serait plus correct d'appeler un tel pilote une alimentation, car il ne stabilise pas le courant, mais la tension.
Ici, la tension secteur est d'abord fournie au condensateur ballast C1, ce qui la réduit à une valeur d'environ 20 V, puis au pont de diodes VD1-VD4. De plus, la tension redressée est lissée par le condensateur C2 et envoyée au régulateur de tension intégré. Il est à nouveau lissé (C3) et à travers la résistance de limitation de courant R2 alimente une chaîne de LED connectées en série.Ainsi, même avec des fluctuations de la tension secteur, le courant traversant les LED restera constant.
La différence entre ce circuit et le précédent réside précisément dans cette résistance de limitation de courant. En fait, il s'agit d'un circuit de bande LED avec une alimentation à ballast.
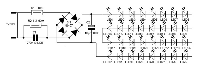
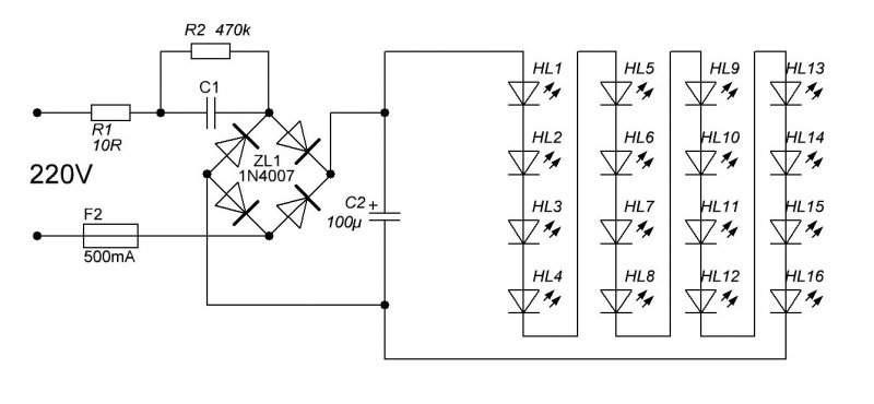
Pilote sans stabilisation
Le pilote assemblé selon ce schéma est un miracle des circuits chinois. Cependant, si la tension secteur est normale et ne saute pas beaucoup, cela fonctionne. L'appareil est assemblé selon le schéma le plus simple et ne stabilise ni le courant ni la tension. Il l'abaisse simplement (tension) à la valeur approximative souhaitée et la redresse.
Dans ce schéma, vous voyez un condensateur d'extinction (ballast) que vous connaissez déjà, shunté par une résistance pour plus de sécurité. Ensuite, la tension est fournie au pont redresseur, lissée par un condensateur offensivement petit - seulement 10 microfarads - et à travers une résistance de limitation de courant, elle entre dans la chaîne de LED.
Que dire d'un tel "pilote" ? Puisqu'il ne stabilise rien, la tension sur les LED et, par conséquent, le courant qui les traverse dépendent directement de la tension d'entrée. S'il est trop élevé, la lampe s'éteindra rapidement. S'il saute, la lumière clignotera également.
Cette solution est généralement utilisée dans les lampes économiques des fabricants chinois. Bien sûr, il est difficile d'appeler cela un succès, mais cela se produit assez souvent et, avec une tension de réseau normale, peut fonctionner pendant longtemps. De plus, de tels circuits sont facilement réparables.
Évaluation des fabricants de lampes à LED.
La note est basée sur les données des magasins en ligne basées sur les commentaires des consommateurs. Ce top est présenté à partir de lampes à led avec un culot E27 et une puissance moyenne de 7 W. OSRAM (4,8 points).
La marque allemande produit des modèles à led lumineux et fiables avec un bon système de refroidissement.
avantages
- Faible ondulation (10 % );
- Un bon indice de rendu des couleurs (80) n'alourdit pas les yeux.;
- Une large gamme de produits et de prix (de 150 roubles à 1500);
- La possibilité de connecter certains modèles à une "maison intelligente", mais uniquement en direct, sans socle. Tous les modèles sont équipés d'un stabilisateur de tension ;
Les moins
Faites attention au pays du fabricant, ces lampes sont produites à la fois en Russie, en Chine et en Allemagne même. Gauss (4,7 points)
Gauss (4,7 points).
Marque russe.
avantages
- Il n'y a pas de scintillement.
- Il existe de puissantes sources de lumière led e27 35W
- Indice de rendu des couleurs très élevé (supérieur à 90).
- La durée de vie la plus longue parmi celles présentées est de 50 000 heures.
- L'une des sources de lumière les plus brillantes.
- Des modèles avec des formes de flacons inhabituelles sont disponibles
- Des prix abordables (à partir de 200 roubles).
Les moins
- Petite zone d'éclairage (pour la plupart des modèles),
- Les ventes se font majoritairement en ligne.
Navigateur (4,6 points).
Marque russe, bien que la production soit basée en Chine.
avantages
- Disponibilité. Les modèles sont largement représentés dans les magasins du pays
- Vaste gamme de sources lumineuses de différentes formes et couleurs. Il existe plusieurs modèles d'appareils d'éclairage spécialisés.
- Prix bas (environ 200 roubles pièce).
- Durée de vie 40 000 heures
- Pas de scintillement
- Rendu des couleurs élevé (89)
- Fonctionne avec les fluctuations de température
Les moins
- L'absence de stabilisateur de tension dans les modèles bon marché
- Chauffage par radiateur
TSA (4,5 points).
Marque russe, produits adaptés aux spécificités de l'alimentation électrique du pays.
avantages
- Grand choix de sources lumineuses LED professionnelles disponibles
- Les prix sont bas
- Durée de vie 30 000 heures
- Bon rendu des couleurs (89)
Les moins
- La gamme de sources lumineuses domestiques est réduite
- Mauvais refroidissement
- Taux de nuptialité relativement élevé
LED Philips (4,5 points).
avantages
- Toutes les sources lumineuses de cette société sont testées en laboratoire pour la sécurité des yeux. Ceci est réalisé grâce au faible facteur de scintillement.
- Les sources lumineuses de cette marque ont le meilleur système de refroidissement.
- Prix dans une large gamme: de 200 roubles à 2000.
- Tous les modèles ont un régulateur de tension intégré. De nombreux modèles sont intégrés dans la "maison intelligente".
Les moins
Xiaomi Yeelight (4,5 points).
Sources lumineuses LED Xiaomi de la marque chinoise.
avantages
- La plage de température de couleur est de 1500 à 6500 K, ce qui fournit environ 16 millions de nuances de couleurs.
- Coefficient d'ondulation - 10 %.
- Durée de vie - 25000 heures.
- Compatible avec la maison intelligente. Peut être contrôlé via un smartphone, Yandex Alice ou Google Assistant.
Les moins
Bourdonnement lorsqu'il est allumé à pleine luminosité
Coût élevé (plus de mille roubles chacun).
ERA (4,3 points).
Marque russe, fabrique des produits en Chine.
avantages
- L'entreprise produit certaines des ampoules les moins chères du marché.
- Bonne durée de vie de 30 000 heures.
- Comme le Navigator, les modèles ERA sont disponibles dans la plupart des magasins à travers le pays. Plusieurs centaines de modèles de lampes sont présentés.
- Ils ont un très bon refroidissement.
Les moins
- Facteur de scintillement assez élevé (15-20%)
- Petit angle de diffusion
- Mauvaise fixation dans le socle
Camélion (4,3 points).
Marque allemande, fabriquée en Chine.
avantages
- Longue durée de vie de 40 000 heures
- Pas de scintillement
- lumière brillante
- Rendement lumineux accru
- La gamme de modèles est représentée par des sources lumineuses de différentes formes et couleurs.
- Il existe des lampes à usages spéciaux, jusqu'aux phytolampes
- La fourchette de prix est large (à partir de 100 roubles)
Les moins
- Période de garantie plus courte que les autres
- Une longue durée de vie est assurée si la lampe fonctionne 3 heures par jour.
Écola (3 points).
Entreprise conjointe russo-chinoise.
avantages
- Produit en Chine.
- Durée de vie 30 000 heures.
- Prix (à partir de 100 roubles pièce).
- La température de couleur de 4000 K est bien adaptée aux environnements de bureau.
Les moins
Comment choisir les LED ?
Tout dépend de l'endroit où vous utiliserez ces lampes artisanales. Si vous avez besoin d'une lumière vive dans le salon, vous avez besoin de luminaires super lumineux en grande quantité. Et si pour un couloir, des toilettes, une salle de bain ou un couloir, quelques pièces suffisent.
C'est assez simple - plus de LED, plus de lumière. Parfois, vous avez juste besoin de voyants lumineux pour montrer le fonctionnement de l'appareil ou que la tension est appliquée. Cela est parfois nécessaire dans les usines et les équipements d'usine. Dans ce cas, une LED ordinaire rouge ou verte suffit. Vous pouvez même utiliser l'AL307 soviétique, largement utilisé dans les anciens magnétophones et autres équipements.

Fabrication de lampes DIY
C'est difficile à imaginer, mais même une lampe LED peut être fabriquée à la main et économiser beaucoup sur l'achat d'appareils.
Outils et matériaux
La qualité des matériaux et des outils nécessaires pour créer une lampe 220V joue un rôle important. La fiabilité et la sécurité, la durabilité du produit en dépendent.
Il est facile de fabriquer des lampes à lumière directionnelle de vos propres mains
Pour travailler, vous avez besoin d'éléments tels que :
- lampe halogène sans verre;
- jusqu'à 22 LED ;
- adhésif rapide;
- fil de cuivre et feuille d'aluminium dont l'épaisseur est de 0,2 mm;
- résistances, choisies en fonction du circuit.
Avant de travailler à l'élaboration d'un schéma de connexion tous les détails, en fonction de la situation spécifique. À cette fin, une variété de calculatrices en ligne sont utilisées pour obtenir un résultat précis. Avec plus de 22 LED, la connexion est complexe et nécessite une approche particulière.
Le schéma est sélectionné en fonction de la situation.
Comme outils, un tournevis, un marteau, une perforatrice, un petit fer à souder sont utilisés. En cours de travail, vous aurez également besoin d'un petit support, qui vous permettra de placer facilement les diodes sur le disque réfléchissant.
Instructions étape par étape pour fabriquer une lampe
Fabriquer une lampe LED 220 V de vos propres mains ne nécessite pas de connaissances professionnelles ni d'outils complexes.
- Vous devez d'abord préparer une lampe défectueuse en ouvrant le boîtier. La base en est détachée très soigneusement, et pour cela, vous pouvez utiliser un tournevis.
- À l'intérieur de la conception, il y a une carte d'un appareil électronique de ballast, qui sera nécessaire pour des travaux ultérieurs. Vous avez également besoin de LED. Le dessus du produit a un couvercle avec des trous. Les tubes doivent en être retirés. La base est en plastique ou en carton épais.
- Sur une base en plastique, les LED tiendront plus solidement que sur du carton. Par conséquent, il est préférable d'utiliser un morceau de plastique.
- La lampe sera alimentée par le driver RLD2-1, adapté à un réseau 220 V. Dans ce cas, 3 LED blanches d'un watt peuvent être connectées en série. Trois éléments sont connectés en parallèle, puis toutes les chaînes sont fixées en série.
- Les fils de la base peuvent être endommagés lors du démontage de la structure de la lampe.Dans ce cas, vous devez souder les éléments en place, ce qui fournira une technique simple pour l'assemblage ultérieur du produit.
- Un morceau de plastique doit également être placé entre le driver et la planche. Cela évite la fermeture. Dans ce cas, vous pouvez également utiliser du carton, car la lampe LED ne chauffe pas. Après cela, la conception est assemblée et l'appareil est vissé dans la cartouche et ses performances sont vérifiées.
Après l'assemblage, vous devez vérifier les performances de l'appareil
La puissance d'une telle lampe est d'environ 3 watts. L'appareil est connecté à un réseau avec une tension de 220 V et fournit un éclairage lumineux. La lampe est efficace comme source de lumière auxiliaire. Sur la base de cet exemple de bricolage, il est facile de créer des conceptions plus puissantes.
Fabriquer un chauffeur
Un dispositif de stabilisation de courant et une source de tension constante - un pilote - sont présents dans la conception d'une lampe connectée à un réseau avec une tension de 220 V. Sans cela, il est impossible de créer une source lumineuse, et vous pouvez faire un tel élément de vos propres mains. Pour ce faire, démontez soigneusement la lampe, coupez les fils menant à la base et aux ampoules en verre. Il convient de considérer que l'un des fils du rond-point peut avoir une résistance. Dans ce cas, l'élément coupé suit la résistance, car il est nécessaire lors de la création du pilote.
Après avoir coupé les fils, un tel détail reste
Chaque option de carte diffère selon le fabricant, la puissance de l'appareil et d'autres caractéristiques. Pour les LED 10W, il n'est pas nécessaire de modifier le driver. Si la lampe diffère par l'intensité du flux lumineux, il est préférable de prendre un convertisseur d'un appareil de plus grande puissance. 18 tours de fil émaillé doivent être enroulés sur une self de lampe de 20 W, puis sa sortie doit être soudée au pont de diodes.Ensuite, une tension est appliquée à la lampe et la puissance de sortie est vérifiée. Ainsi, vous pouvez créer un produit dont les caractéristiques répondent aux exigences.
Vidéo : fabriquer une lampe LED DIY
Fabriquer une lampe LED 220 V de vos propres mains est facile, mais vous devez d'abord déterminer la puissance requise, le circuit et sélectionner tous les éléments. De plus, le processus ne pose pas de difficultés même aux maîtres novices. Le résultat est un appareil économique et fiable pour éclairer tous les locaux.
Alimentations à découpage
Tout d'abord, le redressement de la tension se produit immédiatement. C'est-à-dire que le courant alternatif 220V est fourni à l'entrée et immédiatement à l'entrée, il est converti en courant continu 220V.
Vient ensuite le générateur d'impulsions. Sa tâche principale est de créer une tension alternative artificielle à très haute fréquence. Plusieurs dizaines voire centaines de kilohertz (de 30 à 150 kHz). Comparez cela aux 50 Hz auxquels nous sommes habitués dans les prises domestiques.
Soit dit en passant, en raison d'une fréquence aussi énorme, nous n'entendons pratiquement pas le bourdonnement des transformateurs d'impulsions. Cela s'explique par le fait que l'oreille humaine est capable de distinguer le son jusqu'à 20 kHz, pas plus.

Le troisième élément du circuit est un transformateur d'impulsions. Il ressemble à l'habituel en forme et en design. Cependant, sa principale différence est son faible encombrement.
C'est exactement ce qui est obtenu grâce à la haute fréquence.
De ces trois éléments, le plus important est le générateur d'impulsions. Sans cela, il n'y aurait pas d'alimentation électrique aussi petite.
Avantages des blocs d'impulsion :
un petit prix, à moins bien sûr qu'on le compare en terme de puissance, et le même appareil monté sur un transfo classique
Efficacité de 90 à 98%
la tension d'alimentation peut être appliquée dans une large plage
avec un fabricant d'alimentation de qualité, les onduleurs pulsés ont un cosinus phi plus élevé
Il y a aussi des inconvénients :
la complexité du schéma de montage
structure complexe
si vous rencontrez une unité d'impulsion de mauvaise qualité, elle émettra un tas d'interférences haute fréquence dans le réseau, ce qui affectera le fonctionnement du reste de l'équipement
En termes simples, une alimentation normale ou pulsée est un appareil qui a exactement une tension à la sortie. Bien sûr, il peut être "tordu", mais pas dans de grandes plages.
Pour les lampes à LED, de tels blocs ne conviennent pas. Par conséquent, des pilotes sont utilisés pour les alimenter.
Comment choisir un pilote pour les LED. Façons de connecter la LED
Disons qu'il y a 6 LED avec une chute de tension de 2V et un courant de 300mA. Vous pouvez les connecter de différentes manières, et dans chaque cas, vous aurez besoin d'un pilote avec certains paramètres :
- Régulièrement. Avec cette méthode de connexion, un pilote avec une tension de 12 V et un courant de 300 mA est nécessaire. L'avantage de cette méthode est que le même courant traverse tout le circuit et que les LED s'allument avec la même luminosité. L'inconvénient est que pour piloter un grand nombre de LED, un pilote à très haute tension est nécessaire.
- Parallèle. Un driver 6 V suffira déjà ici, mais la consommation de courant sera environ 2 fois plus qu'avec une connexion série. Inconvénient: les courants circulant dans chaque circuit sont légèrement différents en raison de la variation des paramètres des LED, donc un circuit brillera un peu plus fort que l'autre.
- Deux de suite. Ici, vous aurez besoin du même pilote que dans le second cas.La luminosité de la lueur sera plus uniforme, mais il y a un inconvénient important : lors de la mise sous tension de chaque paire de LED, en raison de la dispersion des caractéristiques, l'une peut s'ouvrir plus tôt que l'autre, et un courant 2 fois plus élevé que le courant nominal le traversera. La plupart des LED sont conçues pour de telles surtensions à court terme, mais cette méthode est toujours la moins préférée.
Veuillez noter que dans tous les cas, la puissance du pilote est de 3,6 W et ne dépend pas de la manière dont la charge est connectée. Ainsi, il est plus opportun de choisir un pilote pour les LED déjà au stade de l'achat de ce dernier, après avoir préalablement déterminé le schéma de connexion
Si vous achetez d'abord les LED elles-mêmes, puis sélectionnez un pilote pour elles, cela peut être une tâche difficile, car la probabilité que vous trouviez exactement la source d'alimentation qui peut assurer le fonctionnement de ce nombre particulier de LED, inclus dans un particulier régime, est petit
Ainsi, il est plus opportun de choisir un pilote pour les LED déjà au stade de l'achat de cette dernière, après avoir préalablement déterminé le schéma de connexion. Si vous achetez d'abord les LED elles-mêmes, puis sélectionnez un pilote pour elles, cela peut être une tâche difficile, car la probabilité que vous trouviez exactement la source d'alimentation qui peut assurer le fonctionnement de ce nombre particulier de LED, inclus dans un particulier régime, est petit.
Comment choisir un pilote pour les LED
Après avoir traité du principe de fonctionnement du pilote led, il reste à apprendre à les choisir correctement. Si vous n'avez pas oublié les bases de l'électrotechnique reçues à l'école, c'est simple. Nous listons les principales caractéristiques du convertisseur pour LED qui interviendront dans la sélection :
- tension d'entrée;
- tension de sortie;
- courant de sortie ;
- puissance de sortie;
- degré de protection vis-à-vis de l'environnement.
Tout d'abord, vous devez décider de quelle source votre lampe LED sera alimentée. Il peut s'agir d'un réseau 220 V, d'un réseau embarqué d'une voiture ou de toute autre source de courant alternatif et continu. Première exigence : la tension que vous utiliserez doit s'inscrire dans la plage indiquée dans le passeport du conducteur dans la colonne "tension d'entrée". En plus de l'amplitude, il faut prendre en compte le type de courant : continu ou alternatif. En effet, dans la prise, par exemple, le courant est alternatif et dans la voiture - direct. Le premier est généralement abrégé AC, le second DC. Presque toujours, ces informations peuvent être vues sur le boîtier de l'appareil lui-même.

Ensuite, nous passons aux paramètres de sortie. Supposons que vous disposiez de trois LED pour une tension de fonctionnement de 3,3 V et un courant de 300 mA chacune (indiqué dans la documentation jointe). Vous avez décidé de faire une lampe de table, les diodes sont connectées en série. Nous additionnons les tensions de fonctionnement de tous les semi-conducteurs, nous obtenons la chute de tension sur toute la chaîne: 3,3 * 3 = 9,9 V. Le courant avec cette connexion reste le même - 300 mA. Vous avez donc besoin d'un pilote avec une tension de sortie de 9,9 V, qui assure une stabilisation du courant au niveau de 300 mA.
Bien sûr, c'est pour cette tension que l'appareil est introuvable, mais ce n'est pas nécessaire. Tous les pilotes ne sont pas conçus pour une tension spécifique, mais pour une certaine plage. Votre tâche consiste à adapter votre valeur à cette fourchette. Mais le courant de sortie doit correspondre exactement à 300 mA. Dans les cas extrêmes, cela peut être un peu moins (la lampe ne brillera pas aussi fort), mais jamais plus. Sinon, votre produit maison s'éteindra immédiatement ou dans un mois.
Passez. Nous découvrons le type de puissance de conducteur dont nous avons besoin. Ce paramètre doit au moins correspondre à la consommation électrique de notre future lampe, et il vaut mieux dépasser cette valeur de 10 à 20 %. Comment calculer la puissance de notre « guirlande » de trois LED ? Rappel : la puissance électrique de la charge est le courant qui la traverse, multiplié par la tension appliquée. Nous prenons une calculatrice et multiplions la tension de fonctionnement totale de toutes les LED par le courant, après avoir converti ce dernier en ampères : 9,9 * 0,3 = 2,97 W.
La touche finale. Exécution structurelle. L'appareil peut être à la fois dans le boîtier et sans lui. Le premier, bien sûr, a peur de la poussière et de l'humidité, et en termes de sécurité électrique, ce n'est pas la meilleure option. Si vous décidez d'encastrer le driver dans une lampe dont le boîtier est une bonne protection de l'environnement, alors ça ira. Mais si le boîtier de la lampe comporte de nombreux trous de ventilation (les LED doivent être refroidies) et que l'appareil lui-même se trouve dans le garage, il est préférable de choisir une source d'alimentation dans votre propre boîtier.
Nous avons donc besoin d'un driver LED avec les caractéristiques suivantes :
- tension d'alimentation - réseau 220 V AC ;
- tension de sortie - 9,9 V;
- courant de sortie - 300 mA;
- puissance de sortie - pas moins de 3 W;
- boîtier - anti-poussière.
Allons au magasin et jetons un coup d'œil. Il est la:

Et pas seulement adapté, mais parfaitement adapté aux besoins. Un courant de sortie légèrement inférieur prolongera la durée de vie des LED, mais cela n'affectera en rien la luminosité de leur lueur. La consommation électrique tombera à 2,7 W - il y aura une réserve de marche pour le conducteur.
Driver LED à faire soi-même pour LED haute puissance

C'est l'un des schémas les plus simples que vous puissiez assembler de vos propres mains à partir de matériaux improvisés.
Q1 - Transistor à effet de champ à canal N (IRFZ48 ou IRF530);
Q2 - transistor bipolaire npn (2N3004 ou équivalent);
R2 - 2,2 ohms, résistance 0,5-2 W ;
Tension d'entrée jusqu'à 15 V ;
Le conducteur se révélera être linéaire et l'efficacité est déterminée par la formule : VLED /VDANS
où vLED - chute de tension aux bornes de la LED,
VDANS - tension d'entrée.
Selon les lois de la physique, plus la différence entre la tension d'entrée et la chute aux bornes de la diode est grande et plus le courant de commande est important, plus le transistor Q1 et la résistance R2 s'échauffent.
VDANS doit être supérieur à VLED au moins 1-2V.
Je répète que le circuit est très simple et qu'il peut même être assemblé avec une simple installation articulée et qu'il fonctionnera sans problème.
Calculs :
- Le courant LED est approximativement égal à : 0,5 / R1
- Puissance R1 : La puissance dissipée par la résistance est d'environ : 0,25 / R3. sélectionnez une valeur de résistance d'au moins deux fois la puissance nominale afin que la résistance ne devienne pas chaude.
Donc, pour un courant LED de 700mA :
R3 = 0,5 / 0,7 = 0,71 ohm. La résistance standard la plus proche est de 0,75 ohm.
Puissance R3 \u003d 0,25 / 0,71 \u003d 0,35 W. nous aurons besoin d'au moins 1/2 watt de résistance nominale.
Modifications du circuit avec une résistance supplémentaire et une diode Zener
Modification du circuit avec une résistance supplémentaire
Modification du circuit de la diode Zener
Et maintenant, nous allons assembler le pilote LED de nos propres mains, en utilisant quelques modifications. Ces modifications ont des changements concernant la limitation de tension du premier circuit. Disons que nous devons maintenir le NFET (broche G) sous 20V et si nous souhaitons utiliser une alimentation supérieure à 20V.Ces modifications sont nécessaires si nous utilisons un microcontrôleur avec le circuit ou connectons un ordinateur.
Dans le premier circuit, une résistance R3 est ajoutée et dans le second, la même résistance est remplacée par D2 - une diode Zener.
Si nous voulons régler la tension de la broche G à environ 5 volts, utilisez une diode Zener de 4,7 ou 5,1 volts (par exemple : 1N4732A ou 1N4733A).
Si la tension d'entrée est inférieure à 10 V, remplacez R1 par 22 kΩ.
En utilisant ces modifications, vous pouvez obtenir la possibilité de faire fonctionner le circuit avec une tension de 60 V.
Grâce à ces modifications, vous pouvez désormais utiliser en toute sécurité des microcontrôleurs, PWM ou même vous connecter à un ordinateur.
Ces éléments ne seront pas pris en compte. Mais si vous êtes intéressé, j'ajouterai un article avec de tels schémas.
Modification du circuit pour les LED "dimming"

Envisagez une autre modification. Ce pilote assemblé pour LED de vos propres mains vous permettra de "varier" les LED. Au contraire, ce ne sera pas un gradateur à part entière. Ici, le rôle principal est joué par 2 résistances, qui sont conçues de telle sorte que lorsque l'interrupteur est allumé ou éteint, la luminosité de la diode change. Ceux. "en russe - un gradateur avec une béquille." Mais cette option a aussi le droit d'exister. Vous pouvez toujours trouver des calculatrices pour calculer les résistances sur notre portail et les utiliser.
Quelqu'un dira - que "vous pouvez utiliser" une résistance d'accord. Je peux parier - pour de si petites valeurs, malheureusement, il n'y a pas de résistances de réglage. Il existe des schémas complètement différents pour cela.
Pilote LED - qu'est-ce que c'est
La traduction directe du mot "conducteur" signifie "conducteur". Ainsi, le pilote de toute lampe à LED remplit la fonction de contrôle de la tension fournie à l'appareil et ajuste les paramètres d'éclairage.
Image 1.Pilote de LED
Les LED sont des appareils électriques capables d'émettre de la lumière dans un certain spectre. Pour que l'appareil fonctionne correctement, il est nécessaire de lui appliquer une tension exclusivement constante avec une ondulation minimale. La condition est particulièrement vraie pour les LED haute puissance. Même des chutes de tension minimes peuvent endommager l'appareil. Une légère diminution de la tension d'entrée affectera instantanément les paramètres de sortie de lumière. Le dépassement de la valeur définie entraîne une surchauffe du cristal et son épuisement sans possibilité de récupération.
Conclusion
Le prix des lampes LED baisse lentement mais sûrement. Cependant, le prix reste encore élevé. Tout le monde ne peut pas se permettre de changer des lampes de mauvaise qualité, mais bon marché, ou d'en acheter des plus chères. Dans ce cas, la réparation de tels luminaires est une bonne solution.
Si vous suivez les règles et les précautions, les économies seront d'un montant décent.
La lampe à maïs donne plus de lumière, mais elle consomme aussi plus d'énergie
Nous espérons que les informations présentées dans l'article d'aujourd'hui seront utiles aux lecteurs. Les questions qui surgissent au cours de la lecture peuvent être posées dans les discussions. Nous y répondrons le plus complètement possible. Si quelqu'un a eu l'expérience d'œuvres similaires, nous vous serions reconnaissants de la partager avec d'autres lecteurs.
Et enfin, par tradition, une petite vidéo pédagogique sur le sujet du jour :





























