- Types d'interrupteurs - désignation sur les schémas de construction
- Interrupteur tactile - qu'est-ce que c'est et où est-il utilisé
- Comment mettre en place un contrôle centralisé de l'éclairage ?
- Connexion du commutateur au réseau
- Par des interrupteurs
- À quoi ressemble un interrupteur et comment fonctionne-t-il ?
- Interrupteur principal ou interrupteur à couteau
- Comment faire un interrupteur de passage avec vos propres mains une leçon de travail
- Connexion de plusieurs commutateurs Ethernet à l'aide d'un cluster de commutateurs
- Fonctions de commutation croisée
- Orientation du câblage des interrupteurs et des prises
Types d'interrupteurs - désignation sur les schémas de construction
L'un des schémas utilisés par les constructeurs électriciens est le schéma d'implantation. Il est réalisé selon ses propres règles et a des désignations différentes des schémas de circuit.
Avant d'installer un interrupteur d'un type et d'un type appropriés, les consommateurs doivent s'entendre sur le projet, en tant que clients, ils ont parfaitement le droit de le faire. Afin de ne pas se confondre dans le schéma ci-dessous, nous fournissons une photo montrant la désignation des prises et des interrupteurs dans les dessins.
Désignation des types d'interrupteurs sur le schéma
Un petit cercle sur le dessin est la désignation des interrupteurs.Un segment linéaire en émane à un angle d'environ 60° par rapport à l'horizontale. Un interrupteur monté ouvert est indiqué par un tiret court vers la droite, mis à l'écart de la fin du segment.Le nombre de ces tirets indique le nombre de pôles. Le nombre d'interrupteurs indépendants dans un groupe est indiqué par la répétition de segments verticaux décalés de 30°. Un interrupteur à quatre touches sera représenté par quatre segments, un interrupteur triple par trois, etc.
Le demi-cercle, convexe vers le haut, signifie l'image des rosettes. Dans le schéma, autant de segments sont écartés du cercle que la douille a de pôles. Si la prise a une borne pour la terre de protection, une tangente horizontale s'affiche en haut de l'arc.
Désignation des prises sur le schéma
Afin que vous compreniez encore mieux les types, les types d'interrupteurs, ainsi que la différence dans leur utilisation, nous plaçons des images qui montrent des détails difficiles à imaginer dans votre esprit. Par exemple, les prises de courant et les interrupteurs. Les cachés ne diffèrent d'eux que par une ligne verticale dans le segment de cercle (prises) et un tiret en forme de T au lieu d'un tiret en forme de L au niveau des interrupteurs. Les prises et interrupteurs extérieurs destinés à un fonctionnement extérieur (extérieur) sont désignés de la même manière que ceux illustrés, seule la classe de protection est inférieure : de IP44 à IP55, ce qui signifie respectivement : "pas d'espace de 1 mm ou plus et protection contre les éclaboussures de toutes les directions" et “ une protection partielle contre la poussière et une protection à court terme contre les jets de toutes directions.
Interrupteur tactile - qu'est-ce que c'est et où est-il utilisé
Un interrupteur tactile est un appareil électronique qui allume ou éteint l'appareil à l'aide d'un signal tactile - toucher léger, son, mouvement, signal de la télécommande - dans la zone de sensibilité du capteur. L'appui mécanique sur la touche, comme sur un interrupteur conventionnel, n'est pas nécessaire. C'est la principale différence entre un interrupteur tactile et un interrupteur à clavier conventionnel.
De tels interrupteurs sont utilisés dans un appartement ou une maison, le plus souvent pour le système d'éclairage, ainsi que pour lever les stores, les rideaux, ouvrir les portes de garage, allumer ou éteindre les appareils électroménagers et régler les systèmes de chauffage.
Une apparence élégante décorera l'intérieur et la facilité d'utilisation apportera un confort supplémentaire. Un tel interrupteur est intégré à la surface d'un appareil électrique, par exemple dans une lampe de table. Pour allumer l'appareil, il suffit de le toucher. En outre, le capteur de commutation peut être contrôlé par télécommande, voix, réagir au mouvement, être équipé d'une minuterie, d'un gradateur. La minuterie vous aidera à économiser de l'électricité et le gradateur créera l'intensité d'éclairage dont vous avez besoin. Créez par exemple une lumière tamisée cosy pour un dîner romantique ou une soirée détente.

L'interrupteur tactile est utilisé pour économiser de l'énergie dans les endroits à fort trafic de personnes. Par exemple, dans l'entrée. Le capteur réagit au mouvement lorsque le locataire entre dans l'entrée et s'éteint après un certain temps.
Un tel interrupteur peut être placé dans la cour d'une maison privée pour éclairer la cour si nécessaire. Cela réduira la consommation d'électricité.
Il est possible d'équiper le bureau d'interrupteurs tactiles, pour la commodité d'éteindre et d'allumer l'éclairage, de fermer et de relever les stores.
Ainsi, l'interrupteur tactile convient pour :
- appartements;
- maison privée;
- Bureau
- les lieux publics;
- territoires de la maison.

Comment mettre en place un contrôle centralisé de l'éclairage ?
Un réseau de contrôle à partir de plusieurs endroits présente un inconvénient important - tous les interrupteurs qui y sont impliqués n'ont pas de position fixe. Par conséquent, il est impossible de déterminer si la lumière dans la pièce est allumée ou éteinte s'il n'y a pas d'électricité.L'installation d'un interrupteur conventionnel devant le premier passage élimine ce problème.
Au schéma déjà connu de connexion des interrupteurs à bascule et de passage, un autre élément est ajouté - le groupe unique habituel. Placez-le dans la même pièce ou apportez-le à la porte d'entrée. Lorsqu'il est activé, il permettra au système de fonctionner normalement. À l'état éteint, il mettra complètement le circuit hors tension et, quelle que soit la position des interrupteurs, la lumière ne brûlera pas.
Mieux encore, le contrôle centralisé peut être amélioré à l'aide d'un télérupteur. Il a une grande fonctionnalité et vous permet de contrôler un groupe séparé d'équipements électriques ou d'éclairage dans toute la maison.
Connexion du commutateur au réseau
On rappelle que l'interrupteur est installé pour couper le fil porteur de courant. Le fil "0-th" vient toujours à l'ampoule de la boîte de jonction. Les fils sont connectés dans un certain ordre:
- couper jusqu'à un centimètre d'isolant du fil;
- à l'arrière de l'interrupteur, vérifiez le schéma de connexion ;
- insérez le fil dénudé dans le trou de contact entre les plaques de serrage et serrez la vis de serrage ;
- vérifier la fiabilité de la fixation du fil (le fil ne doit pas osciller);
- assurez-vous qu'une veine nue est visible depuis le contact pas plus de deux millimètres;
- insérez le deuxième fil et fixez-le ;
- dévissez les boulons du mécanisme d'espacement et insérez l'interrupteur dans le porte-gobelet du mur, alignez-le et fixez-le le long de son horizon;
- fixez l'interrupteur dans le porte-gobelet du mur et vérifiez sa fixation ;
- installez le cadre de protection et fixez-le avec des vis ;
- installez l'interrupteur marche/arrêt à sa place.
Les travaux de connexion des interrupteurs, la commutation du réseau électrique ne nécessitent pas une grande force physique, mais il est impératif de respecter les règles de sécurité électrique et de commutation des éléments des circuits électriques.
Par des interrupteurs
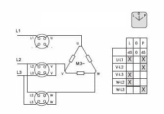
Avant de comprendre à quoi sert un interrupteur croisé, vous devez comprendre comment fonctionne un interrupteur de passage.

Schéma de câblage des interrupteurs de passage pour la commande d'éclairage indépendante à partir de deux points
Le fil neutre est connecté directement au luminaire, le fil de phase est connecté via deux interrupteurs reliés entre eux par un fil à deux fils.
Si les contacts 1 et 3 sont fermés sur les interrupteurs PV1 et PV2, alors le circuit est fermé et le courant traverse l'ampoule. Pour ouvrir le circuit, vous devez appuyer sur la touche de n'importe quel interrupteur, par exemple PV1, tandis que les contacts 1 et 2 y seront fermés.En appuyant sur la touche de l'interrupteur PV2, le circuit se fermera. Ainsi, la lampe peut être allumée et éteinte indépendamment à partir de deux emplacements distants.
À quoi ressemble un interrupteur et comment fonctionne-t-il ?
Si nous parlons de la face avant, la seule différence est une flèche à peine perceptible sur la touche haut et bas.

À quoi ressemble un interrupteur simple ? Regarde, il y a des doubles flèches
Si nous parlons du circuit électrique, tout est également simple: dans les interrupteurs ordinaires, il n'y a que deux contacts, dans la traversée (également appelée inverseur) trois contacts, dont deux sont communs. Il y a toujours deux appareils de ce type ou plus dans le circuit et, à l'aide de ces fils communs, ils sont commutés.

La différence est dans le nombre de contacts
Le principe de fonctionnement est simple. En changeant la position de la clé, l'entrée est connectée à l'une des sorties. C'est-à-dire que ces appareils n'ont que deux positions de travail :
- entrée connectée à la sortie 1 ;
- entrée connectée à la sortie 2.
Il n'y a pas d'autres dispositions intermédiaires. Grâce à cela, tout fonctionne. Étant donné que le contact passe d'une position à une autre, les électriciens pensent qu'il est plus correct de les appeler "interrupteurs". Ainsi, le commutateur de passage est également cet appareil.
Afin de ne pas vous fier à la présence ou à l'absence de flèches sur les touches, vous devez inspecter la partie contact. Les produits de marque doivent avoir un diagramme qui vous permet de comprendre quel type d'équipement vous avez entre les mains. C'est définitivement sur les produits de Lezard (Lezard), Legrand (Legrand), Viko (Viko). Ils sont souvent absents sur les copies chinoises.

Voici à quoi ressemble l'interrupteur à bascule vu de l'arrière
S'il n'y a pas un tel circuit, regardez les bornes (contacts en cuivre dans les trous): il devrait y en avoir trois. Mais pas toujours sur les spécimens bon marché, le terminal qui en coûte un est l'entrée. Souvent, ils sont confus. Pour trouver où se trouve le contact commun, vous devez appeler les contacts entre eux à différentes positions clés. Cela doit être fait, sinon rien ne fonctionnera et l'appareil lui-même risque de s'éteindre.
Vous aurez besoin d'un testeur ou d'un multimètre. Si vous avez un multimètre, mettez-le en mode son - il émet un bip lorsqu'il y a un contact. Si vous avez un testeur de pointeur, appelez pour un court-circuit. Placez la sonde sur l'un des contacts, trouvez avec lequel des deux elle sonne (l'appareil émet un bip ou la flèche indique un court-circuit - elle dévie vers la droite jusqu'à ce qu'elle s'arrête). Sans changer la position des sondes, changez la position de la clé. Si le court-circuit est absent, l'un des deux est commun. Reste maintenant à vérifier laquelle. Sans changer de clé, déplacer une des sondes vers un autre contact. S'il y a un court-circuit, le contact à partir duquel la sonde n'a pas été déplacée est le commun (c'est l'entrée).
Cela peut devenir plus clair si vous regardez une vidéo sur la façon de trouver l'entrée (contact commun) pour le commutateur d'intercommunication.
Interrupteur principal ou interrupteur à couteau
Interrupteurs à couteau dans le panneau électrique d'un immeuble à appartements
L'utilisation d'un interrupteur à couteau est l'option la plus simple et la plus courante que l'on trouve partout. Avantages de cette solution :
- Simplicité. L'équipement du tableau avec un interrupteur à couteau est effectué par des personnes ayant un minimum de connaissances et de compétences dans le domaine de l'approvisionnement en énergie.
- Fiabilité. La simplicité d'exécution et un minimum d'éléments dans la conception font de l'interrupteur à couteau une option fiable.
- Compacité. L'espace utile du tableau électrique n'est en aucun cas limité.
- Prix. Le prix d'installation d'un interrupteur à couteau est inférieur à celui d'options similaires.
Globalement, l'interrupteur est une solution durable et fiable qui ne gêne pas l'équipement du tableau électrique, contrairement à l'installation d'un interrupteur général pour l'ensemble de l'espace de vie. Dans le même temps, l'interrupteur à couteau n'est pas si pratique à utiliser, car l'interrupteur principal de l'appartement est plus facile à utiliser que l'interrupteur à couteau, qui est installé sur le bouclier lui-même. De plus, une installation supplémentaire d'éclairage sur les lignes non commutables tout au long du trajet jusqu'au panneau électrique sera nécessaire.
Étant donné que l'interrupteur doit être situé à l'intérieur du panneau électrique lui-même, afin d'assurer un arrêt simple de tous les appareils, pour réguler l'alimentation électrique, vous devrez vous en approcher et effectuer toutes les opérations manuellement. De plus, vous devez vous assurer que le chemin depuis la pièce à l'intérieur de laquelle l'appareil est installé est éclairé, sinon vous devrez atteindre l'interrupteur dans l'obscurité, ce qui crée une gêne.
Contacteur modulaire dans le tableau électrique
L'interrupteur principal est une option polyvalente qui fournit tout ce dont vous avez besoin. Il n'est pas nécessaire d'utiliser le bouton, qui se trouve dans l'appartement et éteint immédiatement la lumière de la maison. Au lieu de cela, il existe des options pour un système de contrôle d'accès holistique, un arrêt à distance, un accès par carte et autres. Une telle solution est pratique, ne nécessite pas d'installation supplémentaire d'éclairage non commutable sur le bouclier, et il n'y a aucune difficulté à équiper la machine, qui fonctionnera au bon moment.
Dans le même temps, étant donné que l'équipement pour le fonctionnement normal du contacteur nécessite l'implication d'un certain nombre de composants, le système devient par conséquent peu fiable, car si un composant tombe en panne, l'ensemble du système cesse de fonctionner. De plus, un grand nombre d'éléments entraîne une augmentation du coût et de l'encombrement d'une telle solution, c'est pourquoi elle prend beaucoup de place dans le blindage, mais ce problème est partiellement résolu en installant un relais de sélection de phase.
Le choix entre un interrupteur général et un interrupteur à couteau doit être fait en fonction de vos besoins et de vos préférences, car chacun d'eux a ses propres avantages et inconvénients.
Comment faire un interrupteur de passage avec vos propres mains une leçon de travail
Vous avez probablement déjà consulté les catalogues électroniques et remarqué qu'un commutateur à triple passage peut coûter très cher. Que faire? - La question séculaire russe, réinterprétée par Shakespeare, être ou ne pas être. Nous choisirions le premier : tout le monde ne peut certainement pas payer ce genre d'argent pour des interrupteurs de passage.Nous présentons à l'attention de nos lecteurs le premier fait à la main à Runet, où il sera réel et les images montrent comment convertir un interrupteur ordinaire coûtant une centaine (c'est un modèle vraiment bon marché) en une chose chère - un pass-through changer. Et sans compétences particulières et techniques spéciales.
Nous regardons la première image et voyons le commutateur dont les boutons sont supprimés
Plus précisément, il est également sorti de la prise (si je puis dire), mais ce n'est pas le sujet maintenant. Comme vous pouvez le voir sur la photo, nous avons ici un schéma de connexion typique à 2 clés. Au cas où, les vis des entretoises de la boîte à douilles et les contacts de serrage des fils appropriés sont représentés et signés avec des lignes colorées.
Tous doivent être considérablement desserrés pour démonter l'interrupteur de la prise murale. N'oubliez pas de couper l'alimentation avant cela, et nous vous recommandons également fortement de vérifier avec une sonde où se trouve la phase, et de dessiner d'une manière ou d'une autre ces endroits directement sur le batiste (isolation du noyau en plastique). À l'avenir, tout cela simplifiera grandement le processus de réinstallation du commutateur.
Au cas où, les vis des entretoises de la boîte à douilles et les contacts de serrage des fils appropriés sont représentés et signés avec des lignes colorées. Tous doivent être considérablement desserrés pour démonter l'interrupteur de la prise murale. N'oubliez pas de couper l'alimentation avant cela, et nous vous recommandons également fortement de vérifier avec une sonde où se trouve la phase, et de dessiner d'une manière ou d'une autre ces endroits directement sur le batiste (isolation du noyau en plastique). À l'avenir, tout cela simplifiera grandement le processus de réinstallation du commutateur.

Vis pour entretoises

Maintenant, nous regardons la photo suivante, qui montre l'envers de notre future victime. Dans le bon sens du terme, bien sûr.Ici, nous voyons les pinces sur le boîtier de l'interrupteur qui doivent être dépliées afin de retirer la partie électrique. Tout cela se fait avec un tournevis ordinaire en quelques minutes. Ensuite, vous devez obtenir des poussoirs à ressort du cadre en plastique. La façon la plus simple de le faire est d'utiliser un tournevis à fente épais. Le plus fin ne rentre tout simplement pas. Vous comprendrez rapidement cela. Il n'y a pas besoin de se précipiter, car cet endroit est le plus difficile de tout le processus de remaniement d'un interrupteur conventionnel dans l'entrée. Sur la photo, les poussoirs à ressort ont déjà été retirés et des contacts mobiles sont visibles à l'endroit où ils se trouvaient.

Contacts mobiles sous les poussoirs à ressort
Nous avons sauté le moment de retirer la partie en plastique de la céramique (sur les photos), car cela, à notre avis, s'explique de lui-même. Il y a deux dents faibles aux extrémités de toute la partie retirée de l'interrupteur. Retirez-les simplement avec un tournevis plat et commençons à retravailler un interrupteur régulier dans le point de contrôle. Maintenant, sur la base en céramique de l'interrupteur, nous voyons des groupes de contacts :

Trois groupes de contacts
- Plaquettes de contact du groupe général.
- Contacts individuels pour chaque ampoule.
- Contacts à bascule mobiles.
Maintenant, nous avons une bascule pour tourner à 180 degrés et couper l'une des plages de contact du groupe commun (il vaut mieux ne pas isoler). La position résultante est indiquée dans la dernière image. Maintenant, la dernière étape est de savoir comment tout cela fonctionne. Nous prenons et collons les deux boutons avec un pistolet chinois pour qu'ils ne fassent qu'un. Désormais, lorsque l'un de nos contacts est fermé, le second est suspendu dans les airs.
Tout ingénieux est simple. Par conséquent, en plus du fait que nous avons montré comment fabriquer un interrupteur traversant à partir d'un interrupteur conventionnel, nous ajoutons qu'en principe, il n'est pas nécessaire de retirer les poussoirs à ressort. Vous pouvez vous en passer.Et deux boutons n'ont pas besoin d'être collés si vous retirez la clé d'un interrupteur conventionnel de même largeur et du même fabricant. Habituellement, le brochage des jambes est exactement le même là-bas. Tout cela permettra non seulement de faire un point de contrôle Commutateur de bricolage, mais aussi pour produire un produit vraiment fonctionnel et beau.
Donc, nous pensons avoir trop réfléchi aux questions posées. Montré comment le faire correctement brancher un interrupteur, comment ne pas le faire et - surtout - ils ont expliqué comment vous pouvez économiser beaucoup d'argent sur l'ensemble du processus. Nous espérons que les recommandations seront à votre goût, et maintenant chaque propriétaire pratique pourra se vanter d'avoir un design aussi original dans sa maison. Eh bien, qu'appelleriez-vous d'autre un interrupteur de passe ?
Connexion de plusieurs commutateurs Ethernet à l'aide d'un cluster de commutateurs
Le clustering de commutateurs peut gérer plusieurs commutateurs interconnectés comme une seule unité logique. La cascade et la pile de commutateurs sont des conditions préalables pour un cluster. Un cluster n'a généralement qu'un seul commutateur administratif, appelé commutateur de commande, qui peut gérer d'autres commutateurs. Sur le réseau, ces commutateurs ne nécessitent qu'une seule adresse IP pour le commutateur de commande uniquement, ce qui permet d'économiser de précieuses ressources d'adresse IP.

Figure 5 : Commutateur de commande et plusieurs membres de commutateur dans un bloc de clustering de commutateurs
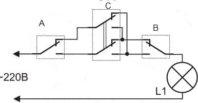
Fonctions de commutation croisée
Le dispositif de commutation, conçu pour éteindre et allumer la lumière et appelé la croix, est devenu populaire en raison de la création de conditions confortables pour la consommation de lumière artificielle.Mais la principale raison du désir de la plupart des gens d'installer un interrupteur croisé dans une maison ou un appartement est qu'il est possible d'économiser de l'argent dépensé en électricité.
Dans de tels endroits, les interrupteurs croisés sont indispensables.
Le plus souvent, le dispositif de commutation discuté est monté dans les parties communes des immeubles résidentiels de 5 à 9 étages. Cela est nécessaire en raison de la disposition de longs couloirs dans de tels bâtiments avec un grand nombre de portes et du manque d'ascenseurs. Dans de tels endroits, des interrupteurs croisés sont installés aux sorties des appartements et à l'entrée du couloir commun. Par exemple, le propriétaire d'un appartement, en le quittant, peut immédiatement allumer la lumière à l'entrée au moyen d'un interrupteur en croix et, lorsqu'il y arrive, l'éteindre.
Avec un tel système d'alimentation en lumière, la fonction d'interrupteurs croisés est assurée par tous les dispositifs de commutation situés entre le premier et le dernier bouton d'alimentation en courant du dispositif d'éclairage. Plus de deux interrupteurs peuvent être installés pour vous permettre de fournir de la lumière à partir de différents points de la maison.
Orientation du câblage des interrupteurs et des prises

Qui d'entre nous n'a pas été irrité de temps en temps par l'orientation incompréhensible des interrupteurs de nos appartements et bureaux. Dans certains cas, la lumière s'éteint lorsque appuyant sur le bas de la touche, dans d'autres cas - vers le haut.
Le chaos dans cette affaire dans le pays est complet, ce qui souligne parfaitement le manque total d'attention aux détails. Beaucoup attribuent cela aux particularités de la mentalité russe.
Il est fort possible que la mentalité n'ait rien à voir avec cela, et les règles d'orientation des interrupteurs n'ont tout simplement pas été formulées explicitement.
Cette règle ne s'applique pas aux interrupteurs du schéma "couloir" ou en échelle, qui, à chaque pression, changent l'état du système en sens inverse.
Ici en Chine, les interrupteurs s'allument lorsque vous appuyez sur le bas de la touche. Probablement, les Chinois ont en quelque sorte raté l'ère des interrupteurs à couteau.
Il existe une autre théorie pour l'orientation des commutateurs. Selon cette théorie, l'orientation dépend de la hauteur des interrupteurs sur le mur. Si l'interrupteur est réglé au niveau de la main abaissée, il est plus pratique de l'allumer en appuyant sur la partie supérieure de la touche, s'il est au niveau de la tête - la partie inférieure. type d'approche scientifique. Vous devenez fou avec ces théories.
En fait, la position "ON" de la clé est déterminée par le fabricant et il y a différentes choses. L'essentiel est que l'uniformité soit observée dans tout le bâtiment. Sinon, la personne devient désorientée.
Remarque
Il existe des interrupteurs qui ont des étiquettes indicatrices spéciales, des ampoules, des LED ou les inscriptions "ON" ou "ON". Dans tous les cas, les inscriptions ne doivent pas être installées à l'envers et les repères ou ampoules doivent afficher correctement l'état «ON».
Et, bien sûr, nous devons tenir compte du fait que nous vivons en Russie et non en Chine. Nous avons le droit d'appuyer sur le haut de la touche pour allumer.
Récemment, il est devenu à la mode d'installer des interrupteurs avec une clé qui commute en position horizontale, mais comment les allumer - à gauche ou à droite - est inconnu. Telle est l'introduction dosée d'un léger élément d'incertitude dans le morne déterminisme quotidien. Mais dans tous les cas, il faut orienter les interrupteurs à clé horizontale de la même manière dans tout le bâtiment.
En plus des interrupteurs à clavier, il existe également des interrupteurs à bascule. En particulier, les appareils électroménagers et les DDR ont des interrupteurs à bascule (becs).
La règle d'orientation de la douille est beaucoup plus simple et généralement directe. Les prises sont généralement installées de manière à ce que les trous de prise soient horizontaux.
Il est recommandé d'installer les prises à trous verticaux uniquement à proximité immédiate du sol (à une distance d'environ 100 mm).
Nous vous attendons au bureau pour une consultation gratuite sur les réseaux d'ingénierie!
Lors de la commande de travaux d'installation :
CADEAU 1. PROJETS D'APPARTEMENTS GRATUITS
CADEAU 2. ASSURANCE de l'appartement (RosGosStrakh, réseaux de finition et d'ingénierie) pour 300 000 roubles.
CADEAU 3. Remise sur les matériaux jusqu'à 40%. Les matériaux peuvent être consultés ici
KIT pour constructions neuves : Projets + Installation + Laboratoire + Tous Actes + Parachèvement
Il existe toutes les licences : SRO, Ministère des situations d'urgence, ISO (GOST)
Tous réseaux : Electricité, eau, chauffage et ventilation !
Vérifier les prix ? Appel : +7 (495) 215-07-10, +7 (495) 215-56-82
Bureau à 3 minutes à pied de la station de métro Oktyabrskaya ! Carte routière
Pour les concepteurs, les architectes et les constructeurs, il existe des conditions de partenariat, des bonus et des réductions !









![Comment choisir un commutateur réseau (commutateur, commutateur, commutateur anglais) [tambourin]](https://fixit.tomathouse.com/wp-content/uploads/9/5/6/956baac2fbc984e03e4da6236d49f2a3.jpeg)





































