- But du clapet anti-retour ^
- L'ordre et les nuances d'installation
- Clapet anti-retour pour l'eau d'une pompe: prix et fabricants
- Matériaux, marquages, dimensions
- Ce qui est indiqué sur l'étiquette
- Dimensions des clapets anti-retour pour l'eau
- Comment vérifier
- Matériaux et accessoires pour l'installation
- Raccordement d'une station de pompage
- Approvisionnement en eau d'un puits pour résidence permanente
- Raccordement de la station de pompage à l'alimentation en eau
- Bien connecté
- Le principe de fonctionnement et les types de clapets anti-retour
- Vannes papillon Wafer - Ressort et papillon
- Vérifier la soupape de levage
- Clapet à bille
- Clapet anti-retour rotatif ou clapet
- Une caractéristique distinctive de la conception et du but du clapet anti-retour
- Astuce avec une station d'eau dans la maison
- Types d'appareils par type d'accessoire
- 2 Pourquoi ai-je besoin d'un clapet anti-retour pour une pompe submersible ?
- 2.1 Installation de la vanne
- 2.2 Nuances d'installation
- 2.3 Vanne maison
- Conclusions et vidéo utile sur le sujet
But du clapet anti-retour ^
La tâche du clapet anti-retour est de laisser l'eau s'écouler vers la pompe et d'empêcher son retour. Les vannes de ce type sont dispositifs à action directe.
Cela signifie qu'il ne nécessite aucune commande externe ou source d'alimentation pour fonctionner. Le clapet anti-retour s'ouvre et se ferme sous l'influence du mouvement du fluide à travers celui-ci.
Lorsque la pompe est en marche, la vanne s'ouvre et fait passer l'eau à travers la canalisation, et en cas d'arrêt de l'unité, elle se ferme et ne la fait pas passer dans la direction opposée.
Dans ce cas, la pression dans la conduite avant le clapet anti-retour tombe à zéro, et après elle reste.
L'ordre et les nuances d'installation
Avant d'installer l'élément d'arrêt après la pompe, il convient de garder à l'esprit que la puissance de l'appareil diminuera en raison du dépassement de la résistance du ressort ou de l'obturateur. Mais d'un autre côté, la pompe n'a pas besoin d'accumuler de la pression dans le système tout le temps, elle est créée une fois et ensuite seulement maintenue. Ainsi, le fonctionnement de l'unité devient plus rationnel.
Si l'appareil est installé sur un système d'alimentation en eau déjà installé, le site d'installation est sélectionné entre la pompe et la station de pompage. Il est nécessaire de faire une pause dans la canalisation, d'installer une vanne sur l'un de ses bords et de la connecter avec un entraînement à l'autre bord. Dans les canalisations d'égout, le dispositif est installé pour empêcher l'écoulement inverse des eaux usées et des déchets. De cette façon, les fuites de liquide à travers la cuvette des toilettes peuvent être évitées lorsque l'égout public est bouché. L'installation est effectuée sur une coupe horizontale ou verticale dans un système d'égout existant ou nouveau, dans des endroits où il y a des tuyaux du diamètre requis. Le diamètre de la vanne d'arrêt peut ici être de 50 à 100 mm. La connexion se fait à l'aide d'un adaptateur de fonte à plastique. Pour puiser dans un tuyau en fonte, vous aurez besoin d'une meuleuse d'angle.
Il existe des systèmes de mouvement parallèle où une pompe est utilisée avec l'écoulement naturel de l'eau. Dans ce cas, l'installation d'une vanne est nécessaire.
Pour installer l'élément de verrouillage sur le système d'alimentation en eau et de chauffage, vous avez besoin d'outils pour puiser dans le tuyau: une meuleuse pour les tuyaux en métal et une scie à métaux ordinaire convient aux tuyaux en plastique. Sur les tuyaux métalliques pour le raccordement, il est nécessaire de réaliser un filetage à l'aide d'un outil de coupe de fil. Un clapet anti-retour est installé à l'aide d'une clé à molette et à gaz. Après cela, le tuyau auquel l'appareil est vissé est relié à son autre partie par un entraînement utilisant la clé souhaitée. Pour connecter des tuyaux en plastique, des adaptateurs spéciaux sont utilisés.
Si vous êtes un peu familiarisé avec la plomberie et que vous avez du temps libre, l'installation de l'appareil vous-même n'est pas difficile. Les non-spécialistes en la matière peuvent toujours confier le travail à un maître expérimenté.
Clapet anti-retour pour l'eau d'une pompe: prix et fabricants
Lors du choix d'un clapet anti-retour pour l'eau d'une pompe, le prix et le lieu de production revêtent une importance fondamentale. Tout le monde s'efforce d'acquérir un produit de qualité qui peut durer longtemps. En privilégiant les marques bien connues, cela ne fait aucun doute: dans la fabrication d'un modèle particulier, les matériaux déclarés ont été utilisés et la technologie a été strictement respectée.

Modèle fabriqué en Italie
Le coût du produit dépend non seulement du fabricant, mais également du diamètre nominal du produit et des caractéristiques de conception :
| polypropylène | ||
| VALTEC (Italie) | 20 25 32 | 128 160 274 |
| Systèmes de tuyauterie AQUA-S | 20 25 32 | 110 136 204 |
| Accouplement à ressort | ||
| VALTEC (Italie) | 15 20 25 | 191 263 390 |
| Danfoss CO (Danemark) | 15 20 25 | 561 735 962 |
| Tésofi (France) | 15 20 25 | 282 423 563 |
| ITAP (Italie) | 15 20 25 | 366 462 673 |
| Ressort combiné avec drainage et purgeur d'air | ||
| VALTEC (Italie) | 15 20 25 | 652 1009 1516 |
| Accouplement à ressort avec bobine en laiton | ||
| VALTEC (Italie) | 15 20 25 | 198 228 498 |
Matériaux, marquages, dimensions
Le clapet anti-retour pour l'eau est en acier inoxydable, en laiton, en fonte de grandes tailles. Pour les réseaux domestiques, ils prennent généralement du laiton - pas trop cher et durable. L'acier inoxydable est certainement meilleur, mais ce n'est généralement pas le corps qui tombe en panne, mais l'élément de verrouillage. C'est son choix et doit être abordé avec prudence.
Pour les systèmes de plomberie en plastique, les clapets anti-retour sont fabriqués à partir du même matériau. Ils sont en polypropylène, plastique (pour HDPE et PVD). Ce dernier peut être soudé/collé ou fileté. Vous pouvez, bien sûr, souder des adaptateurs sur du laiton, mettre une valve en laiton, puis à nouveau un adaptateur de laiton sur PPR ou plastique. Mais un tel nœud est plus cher. Et plus il y a de points de connexion, plus la fiabilité du système est faible.
Pour les systèmes en plastique et en polypropylène, il existe des clapets anti-retour fabriqués dans le même matériau
Le matériau de l'élément de verrouillage est le laiton, l'acier inoxydable ou le plastique. Ici, soit dit en passant, il est difficile de dire lequel est le meilleur. L'acier et le laiton sont plus résistants, mais si un grain de sable s'interpose entre le bord du disque et le corps, la soupape se coince et il n'est pas toujours possible de la remettre en marche. Le plastique s'use plus vite, mais il ne se coince pas. À cet égard, il est plus fiable. Pas étonnant que certains fabricants de stations de pompage installent des clapets anti-retour avec des disques en plastique. Et en règle générale, tout fonctionne pendant 5 à 8 ans sans échec. Ensuite, le clapet anti-retour commence à "empoisonner" et il est changé.
Ce qui est indiqué sur l'étiquette
Quelques mots sur le marquage du clapet anti-retour. Il est dit:
- Type de
- Passe conditionnelle
- Pression nominale
-
GOST selon lequel il est fabriqué. Pour la Russie, il s'agit de GOST 27477-87, mais il n'y a pas que des produits nationaux sur le marché.
La réussite conditionnelle est désignée par DU ou DN.Lors du choix de ce paramètre, il est nécessaire de se concentrer sur d'autres raccords ou sur le diamètre du pipeline. Ils doivent correspondre. Par exemple, vous installerez un clapet anti-retour d'eau après une pompe submersible et un filtre. Les trois composants doivent avoir la même taille nominale. Par exemple, tous doivent être écrits DN 32 ou DN 32.
Quelques mots sur la pression conditionnelle. Il s'agit de la pression dans le système à laquelle les vannes restent opérationnelles. Vous devez le prendre exactement pas moins que votre pression de travail. Dans le cas des appartements - pas moins qu'un test. Selon la norme, il dépasse celui de travail de 50%, et dans des conditions réelles, il peut être beaucoup plus élevé. La pression de votre maison peut être obtenue auprès de la société de gestion ou des plombiers.
À quoi d'autre faire attention
Chaque produit doit être accompagné d'un passeport ou d'une description. Il indique la température de l'environnement de travail. Toutes les vannes ne peuvent pas fonctionner avec de l'eau chaude ou dans un système de chauffage. De plus, il indique dans quelle position ils peuvent travailler. Certains ne doivent se tenir qu'horizontalement, d'autres uniquement verticalement. Il en existe également des universels, par exemple, des disques. Par conséquent, ils sont populaires.
La pression d'ouverture caractérise la « sensibilité » de la vanne. Pour les réseaux privés, cela importe rarement. Sauf sur les lignes d'alimentation proches de la longueur critique.
Faites également attention au fil de connexion - il peut être interne ou externe. Choisissez en fonction de la facilité d'installation
N'oubliez pas la flèche qui indique le sens du mouvement de l'eau.
Dimensions des clapets anti-retour pour l'eau
La taille du clapet anti-retour pour l'eau est calculée en fonction de l'alésage nominal et ils sont libérés pour tout - même les diamètres de canalisation les plus petits ou les plus grands. Le plus petit est DN 10 (diamètre nominal 10 mm), le plus grand est DN 400. Ils sont du même calibre que tous les autres robinets d'arrêt : robinets, vannes, piquages... Une autre "taille" peut être attribuée à la pression conditionnelle. Le plus bas est de 0,25 MPa, le plus élevé est de 250 MPa.
Chaque entreprise produit des clapets anti-retour pour l'eau en plusieurs tailles.
Cela ne signifie pas que l'une des vannes sera dans n'importe quelle variante. Les tailles les plus populaires vont jusqu'au DN 40. Ensuite, il y a les principales, et elles sont généralement achetées par les entreprises. Vous ne les trouverez pas dans les magasins de détail.
Et pourtant, veuillez noter que pour différentes entreprises avec le même passage conditionnel, les dimensions extérieures de l'appareil peuvent différer. La longueur est claire
Ici, la chambre dans laquelle se trouve la plaque de verrouillage peut être plus grande ou plus petite. Les diamètres des chambres diffèrent également. Mais la différence dans la zone du filetage de raccordement ne peut être due qu'à l'épaisseur de la paroi. Pour les maisons privées, ce n'est pas si effrayant. Ici, la pression de travail maximale est de 4-6 atm. Et pour les immeubles de grande hauteur, cela peut être critique.
Comment vérifier
Le moyen le plus simple de tester un clapet anti-retour est de souffler dedans dans la direction qui le bloque. L'air ne doit pas passer. En général. Certainement pas. Essayez également d'appuyer sur la plaque. La tige doit se déplacer en douceur. Pas de clics, de frottements, de distorsions.
Comment tester un clapet anti-retour : souffler dedans et vérifier la douceur
Matériaux et accessoires pour l'installation
Les canalisations en acier de l'approvisionnement en eau central, qui fournissent de l'eau sale et rouillée à nos maisons, appartiennent à jamais au passé.Pour l'alimentation en eau d'une maison privée à partir d'un puits ou d'un puits, utilisez des tuyaux modernes en polyéthylène HDPE de la marque PE-100 d'une épaisseur de paroi de 3 mm, faciles à poser et à introduire dans la maison de vos propres mains. Dans la grande majorité des cas, un diamètre de 32 mm suffit pour un câblage externe.
Pour fournir de l'eau selon le premier schéma (avec immersion de l'unité de pompage) à partir du puits, vous aurez besoin de:
- adaptateur de tête ou de fond de trou ;
- câble de suspension d'un diamètre de 3 mm;
- la pompe elle-même, équipée d'un clapet anti-retour ;
- accumulateur hydraulique d'une capacité de 25 à 100 l;
- pressostat type RDM-5 et fonctionnement "à sec" ;
- filtre grossier et collecteur de boue ;
- manomètre;
- robinets à tournant sphérique, raccords;
- câble électrique et disjoncteurs calibrés à 16 A.
Si le schéma avec une station de pompage vous convient mieux, vous n'avez pas besoin d'acheter un relais et un accumulateur hydraulique séparément, car ils sont inclus dans le kit d'installation. Comment calculer correctement le volume minimum du réservoir de stockage et la puissance de la pompe, voir la vidéo:
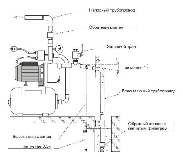
Raccordement d'une station de pompage
Le choix de l'équipement et du lieu d'installation représente la moitié de la bataille. Vous devez également tout connecter correctement dans un système - une source d'eau, une station et des consommateurs. Le schéma de raccordement exact de la station de pompage dépend de l'emplacement choisi. Mais de toute façon il y a :
- Canalisation d'aspiration qui descend dans un puits ou un puits. Il se rend à la station de pompage.
- La gare elle-même.
- Le pipeline allant aux consommateurs.
Tout cela est vrai, seuls les schémas de cerclage changeront selon les circonstances. Considérons les cas les plus courants.
Approvisionnement en eau d'un puits pour résidence permanente
Si la station est placée dans une maison ou dans un caisson quelque part sur le chemin de la maison, le schéma de connexion est le même.Un filtre (le plus souvent un maillage régulier) est installé sur la canalisation d'alimentation descendue dans un puits ou un puits, un clapet anti-retour est placé après, puis un tuyau passe déjà. Pourquoi le filtre - c'est clair - pour se protéger des impuretés mécaniques. Un clapet anti-retour est nécessaire pour que, lorsque la pompe est arrêtée, l'eau sous son propre poids ne reflue pas. Ensuite, la pompe s'allumera moins souvent (elle durera plus longtemps).
Schéma d'installation d'une station de pompage dans une maison
Le tuyau est sorti à travers la paroi du puits à une profondeur juste en dessous du niveau de congélation du sol. Ensuite, il entre dans la tranchée à la même profondeur. Lors de la pose d'une tranchée, elle doit être rendue droite - moins il y a de virages, plus la chute de pression est faible, ce qui signifie que l'eau peut être pompée à partir d'une plus grande profondeur.
Pour être sûr, vous pouvez isoler le pipeline (posez des feuilles de mousse de polystyrène sur le dessus, puis remplissez-le de sable, puis de terre).
Option de passage pas à travers la fondation - chauffage et isolation sérieuse sont nécessaires
A l'entrée de la maison, le tuyau d'alimentation traverse la fondation (le lieu de passage doit également être isolé), dans la maison il peut déjà monter jusqu'au site d'installation de la station de pompage.
Cette méthode d'installation d'une station de pompage est bonne car si tout est fait correctement, le système fonctionne sans problème. L'inconvénient est qu'il est nécessaire de creuser des tranchées, ainsi que de faire sortir / rentrer le pipeline à travers les murs, et aussi dans le fait qu'il est difficile de localiser les dommages en cas de fuite. Pour minimiser les risques de fuite, prenez des tuyaux de qualité éprouvée, posez une pièce entière sans joints. S'il y a une connexion, il est souhaitable de faire un trou d'homme.
Schéma détaillé de la tuyauterie d'une station de pompage lorsqu'elle est connectée à un puits ou à un puits
Il existe également un moyen de réduire le volume des travaux de terrassement: posez la canalisation plus haut, mais isolez-la bien et utilisez en plus un câble chauffant. Cela peut être la seule issue si le site a un niveau élevé d'eau souterraine.
Il y a un autre point important - le couvercle du puits doit être isolé, ainsi que les anneaux à l'extérieur jusqu'à la profondeur de congélation. C'est juste que la section du pipeline allant du miroir d'eau à la sortie du mur ne doit pas geler. Pour cela, des mesures d'isolation sont nécessaires.
Raccordement de la station de pompage à l'alimentation en eau
Souvent, une station de pompage est installée pour augmenter la pression dans le système d'alimentation en eau avec une alimentation en eau centralisée. Dans ce cas, une conduite d'eau est connectée à l'entrée de la station (également via un filtre et un clapet anti-retour), et la sortie va aux consommateurs.
Schéma de raccordement de la station de pompage à l'alimentation en eau
Il est conseillé de mettre une vanne d'arrêt (bille) à l'entrée afin de pouvoir en cas de besoin éteindre votre système (pour des réparations par exemple). La deuxième vanne d'arrêt - devant la station de pompage - est nécessaire pour réparer le pipeline ou l'équipement lui-même. Ensuite, il est également judicieux de placer un robinet à tournant sphérique à la sortie - afin de couper les consommateurs si nécessaire et de ne pas évacuer l'eau des tuyaux.
Bien connecté
Si la profondeur d'aspiration de la station de pompage pour le puits est suffisante, la connexion n'est pas différente. Sauf si le pipeline sort au point où le tube de tubage se termine. Une fosse à caissons est généralement aménagée ici et une station de pompage peut être installée à cet endroit.
Installation de la station de pompage : schéma de connexion du puits
Comme dans tous les schémas précédents, un filtre et un clapet anti-retour sont installés à l'extrémité du tuyau. A l'entrée, vous pouvez mettre un robinet de remplissage à travers un té. Vous en aurez besoin pour le premier démarrage.
La principale différence entre cette méthode d'installation est que le pipeline menant à la maison longe en fait la surface ou est enterré à une faible profondeur (tout le monde n'a pas une fosse sous la profondeur de congélation). Si la station de pompage est installée dans le pays, ça va, l'équipement est généralement retiré pour l'hiver. Mais si l'alimentation en eau est prévue pour être utilisée en hiver, elle doit être chauffée (avec un câble chauffant) et isolée. Sinon ça ne marchera pas.
Le principe de fonctionnement et les types de clapets anti-retour
Dans les systèmes d'approvisionnement en eau, le clapet anti-retour joue un rôle important. Il fournit un approvisionnement continu en eau et maintient sa pression.
Le plus souvent, la conception est installée devant la station de pompage ou sur la pompe elle-même. L'emplacement d'installation dépend des caractéristiques et des caractéristiques du système.
Le principe de fonctionnement de l'appareil est que la bobine, la plaque ou toute autre constipation qu'il contient empêche le retour de l'eau vers la pompe et maintient en même temps la pression nécessaire dans l'alimentation en eau.
Il existe plusieurs types de clapets anti-retour pour la pompe, qui diffèrent par leur objectif et leur conception interne.
Vannes papillon Wafer - Ressort et papillon
Parmi tous les types de vannes, la conception à ressort est la plus compacte. L'obturateur qu'il contient est une plaque (disque) équipée d'un ressort. Les dimensions d'un tel dispositif peuvent aller de 15 à 200 millimètres.
En cas de baisse de pression dans la canalisation, le ressort presse la plaque contre le siège, obstruant ainsi le trou d'écoulement. Une fois la pression rétablie, la source est essorée et l'eau est alimentée en écoulement libre.
Dans les systèmes hydrauliques complexes et de grande taille, des structures à double vantail avec amortisseurs sont utilisées. Ils adoucissent les coups de bélier lorsque la pompe s'arrête, ce qui peut endommager le système.
Le principe de leur fonctionnement est que sous l'action du flux de fluide, la plaque de verrouillage se plie en deux. Le flux inverse presse la plaque contre le siège, la ramenant à sa position d'origine. Les dimensions de la structure peuvent aller de 50 à 700 millimètres.
Avantages des clapets anti-retour de type Wafer :
- Poids léger et petite taille. Il n'y a pas de brides dans la conception, grâce à quoi sa longueur est 6 à 8 fois inférieure et son poids est 5 fois inférieur à celui des clapets anti-retour standard de diamètre d'alésage identique.
- La possibilité d'installer non seulement sur des sections horizontales, mais également verticales et inclinées de l'alimentation en eau.
- Facilité d'utilisation et d'installation.
L'inconvénient du dispositif de plaquette est que sa réparation nécessite un démontage complet.
Vérifier la soupape de levage
Dans de telles conceptions, la bobine de levage joue le rôle d'un obturateur. Si la pression de l'eau dans la canalisation est faible, la bobine tombe sur la selle, bloquant ainsi le chemin de retour du fluide. À haute pression, la vanne monte, laissant passer l'eau.
Les structures de levage ne sont utilisées que sur les sections horizontales des canalisations, tandis que l'axe de la bobine doit être vertical.
Les structures de levage inversées sont divisées selon le mode de fixation :
-
Les appareils avec fixation entre brides n'ont pas leur propre unité de fixation, ils sont donc installés entre les brides des tuyaux. Utilisé dans les zones restreintes.
-
Les instruments montés sur union sont montés dans des systèmes de petit diamètre à l'aide d'une douille filetée.
-
Les structures montées sur bride sont équipées de brides spéciales avec joints, avec lesquelles elles sont installées dans le système d'alimentation en eau.
-
Les appareils à souder sont montés par soudage et sont utilisés dans des environnements agressifs.
Si l'appareil tombe en panne, il peut être réparé sans démonter toute la structure. Les inconvénients du clapet anti-retour comprennent leur grande sensibilité à la pollution de l'eau.
Clapet à bille
L'élément de verrouillage dans la conception est une bille équipée d'un ressort qui la presse contre le siège. Le principe de fonctionnement du dispositif à bille est identique au fonctionnement du dispositif à ressort à plaquette, cependant, il perd en dimensions.
Les clapets anti-retour à bille sont le plus souvent utilisés en plomberie dans des tuyaux de petit diamètre.
Clapet anti-retour rotatif ou clapet
Le rôle de l'élément de verrouillage dans cette conception est joué par une bobine, appelée "slam". Son axe est situé au-dessus du trou traversant, donc, sous la pression de l'eau, le «clap» se penche en arrière et l'eau passe sans encombre. En cas de baisse de pression dans l'alimentation en eau, le tiroir tombe, bloquant le canal.
Dans les dispositifs rotatifs de grand diamètre, la bobine heurte le siège, ce qui peut entraîner une défaillance rapide de la structure. Par conséquent, les vannes à clapets sont divisées en deux groupes :
-
Les conceptions sans impact sont équipées de dispositifs spéciaux qui adoucissent l'atterrissage du "clap" sur la selle.
-
Des vannes simples sont installées dans les systèmes où les phénomènes d'impact n'affectent pas le fonctionnement de la structure et du système lui-même.
Les clapets anti-retour papillon pour pompes sont insensibles à la contamination et peuvent être installés dans des systèmes de plus grand diamètre.
L'inconvénient d'une conception de si grand diamètre est l'utilisation obligatoire d'un amortisseur.
Une caractéristique distinctive de la conception et du but du clapet anti-retour
L'appareil est de petite taille, mais sans lui, il n'est pas possible de maintenir la pression de l'eau dans le système. Il appartient à ce raccord de plomberie, qui est destiné à empêcher un changement de sens d'écoulement du fluide. Vous pouvez rencontrer des installations pneumatiques à pression d'eau, dans les modèles dont un clapet anti-retour est incorporé. Dans la plupart des cas, il est complété par un tuyau d'aspiration. Mais la plupart des produits sont fournis sans cette pièce, vous devez l'acheter séparément. Le principe de fonctionnement est similaire à la vanne de ventilation connue de beaucoup : elle permet l'écoulement dans un sens et le bloque dans l'autre.
Il existe de nombreux types de clapets anti-retour. Pour un usage domestique, appliquer :
- 1. Accouplement à ressort. Ils se composent de 2 parties, unies par un filetage et un joint en caoutchouc installé entre elles.
- 2. Similaire, mais avec une bobine en laiton de forme sphérique. Ils se distinguent par un débit élevé.
- 3. Ressort combiné, y compris un évent, à travers lequel l'air est purgé. Grâce à des dispositifs similaires, la maintenance du système devient plus facile.
- 4. Ressort chargé avec corps en polypropylène. Mettez un ensemble de compteur d'eau du même matériau.
Lieu d'installation : ligne d'alimentation, entrée dans un système indépendant directement derrière la pompe ou devant celle-ci. Selon hébergement les clapets anti-retour sont en bas et canalisations. Les premiers protègent contre le retour d'eau remontée de la source lorsque l'équipement est éteint. Ces derniers protègent de la chute de pression dans le système.S'il n'y a pas de vanne au début du tuyau d'aspiration, lorsque la pompe s'arrête, l'eau reflue, des poches d'air apparaissent dans la conduite. Lors du démarrage «à sec», les joints deviennent inutilisables, après quoi le moteur électrique humide brûle.
Station de pompage avec vanne de fond
Les pompes modernes sont protégées de ces conséquences redoutables, et les modèles plus anciens ne le sont pas. Mais tout de même, après chaque arrêt de la station, il faudra faire le plein d'eau - c'est comme ça que ça marche. L'installation de vannes d'arrêt sur le tuyau d'admission est obligatoire. En fait, il faut ce dispositif simple qui fonctionne mécaniquement, du fait qu'aucune électronique n'est capable de vaincre la force de gravité terrestre, sous l'influence de laquelle le liquide s'écoule des tuyaux, s'il n'y a pas de clapet anti-retour.
Les vannes d'arrêt jouent un rôle légèrement différent. Il est destiné à protéger en grande partie non pas la pompe, mais le système de distribution d'eau domestique. En fermant le flux, il ne permet pas de retourner au réservoir à membrane, en maintenant la pression. L'installation d'une station de pompage sans clapet anti-retour au niveau de la distribution provoque des coups de bélier, le fonctionnement de l'appareil en mode d'urgence. L'installation d'un volet augmente la fiabilité et l'efficacité du fil d'eau, augmente la durée de vie des équipements de plomberie, des appareils utilisés à la maison.
Astuce avec une station d'eau dans la maison
Les dimensions des clapets anti-retour dépendent du domaine d'utilisation :
- ordinaire - utilisé dans presque tous les systèmes d'approvisionnement en eau;
- très petit - placé au milieu des segments de conduite du compteur d'eau;
- pas très grand - situé à la sortie du dispositif comptable;
- grand - en fonte, utilisé dans les systèmes industriels.
La pièce est coulée en laiton : le métal résiste à l'influence des sels, des minéraux et des acides dissous dans l'eau. Le matériau pour les autres éléments est le cuivre et le zinc ou des compositions polymères spécialisées. Tous les joints sont en caoutchouc ou en silicone. Des appareils en acier inoxydable sont également vendus. Ils se distinguent par leur prix élevé en raison de leur robustesse et de leur très grande résistance à la corrosion. S'il est possible d'acheter une telle pièce, vous n'avez pas besoin de regarder le coût - elle sert fidèlement. Le laiton doit être changé ou réparé très souvent.
Dispositif pour station de pompage
Le domaine d'utilisation n'est pas limité à une station avec une pompe. À des fins domestiques, le clapet anti-retour est utilisé :
- sur les colonnes montantes d'eau chaude et d'eau froide, si la surface habitable se trouve dans un immeuble de grande hauteur ;
- dans les appareils de chauffage - un chauffe-eau électrique, une colonne électrique ou à gaz;
- pour le chauffage local d'une maison privée;
- ils sont équipés d'égouts pour éliminer les situations dangereuses.
Types d'appareils par type d'accessoire
Les caractéristiques importantes des dispositifs de verrouillage incluent la méthode de fixation, qui dépend du matériau et de la technologie des canalisations de raccordement. Selon la méthode de connexion avec le pipeline, les clapets anti-retour sont divisés en:
- couplage;
- gras;
- à brides ;
- entre bride.
La première variété est reliée aux tuyaux par une transition filetée. La version à souder est plus adaptée à une utilisation dans des conduites à travers lesquelles des fluides agressifs sont pompés. Les appareils à brides sont équipés de brides avec des joints à travers lesquels la connexion est établie. Concernant clapets anti-retour avec fixation entre brides, ils ont des goupilles de fixation spéciales.Dans ce cas, cette dernière option est disponible exclusivement en version double-feuille ou disque.
Dans les systèmes d'alimentation en eau, des dispositifs de verrouillage avec un mécanisme à ressort de levage et une connexion de couplage sont généralement utilisés. Ils se distinguent par leur facilité d'installation et de démontage, et leur réparation se limite le plus souvent au remplacement du ressort, qui est l'élément le plus faible de tous les raccords.
2 Pourquoi ai-je besoin d'un clapet anti-retour pour une pompe submersible ?
Les clapets anti-retour pour pompes empêchent l'eau de s'écouler dans les tuyaux dans la direction opposée ou de mélanger l'eau des robinets avec des températures différentes. Tout dépend de l'endroit où cette vanne est installée. Récemment, les vannes à inversion de flux fabriquées selon la norme API, conçues pour des niveaux de pression de 10 à 170 bars, se sont généralisées. Dimensions de soudage par recouvrement pour tuyaux selon la même norme - ANSI B16.11.
Les vannes de la pompe sont :
- avec mécanismes de pliage;
- avec des mécanismes de levage.
Les mécanismes à charnière se distinguent par le fait qu'un volet à charnière est fixé au-dessus de la selle, qui s'ouvre sous la pression du flux d'eau entrant. Le hayon élévateur est actionné en déplaçant de haut en bas un cylindre monté verticalement. Lorsque l'obturateur (volet) est appuyé contre le siège, le flux d'eau cesse de s'écouler.
2.1 Installation de la vanne
Très souvent, sur les forums, vous pouvez trouver des débats houleux autour d'une seule question: "Combien faut-il mettre un clapet anti-retour sur la pompe?".

Vérifiez l'emplacement de la vanne lors de l'installation d'une pompe de forage
Pompes submersibles avec clapet anti-retour, si vous avez un puits dans votre cour ou une pompe à eau électrique installée à proximité du puits, puis lorsque vous allumez l'unité de pression, sans attendre que l'eau déplace l'air des tuyaux, alimentez immédiatement l'eau au robinet. Si, par exemple, vous installez des vannes d'arrêt sur la pompe pour l'eau chaude, vous n'aurez pas besoin de vidanger l'eau froide du tuyau, en attendant que la «chaleur s'en aille».
2.2 Nuances d'installation
Afin de ne pas effectuer de réparations permanentes dues à des dépôts de saleté et de sédiments sur la membrane, et la source, qui finalement ne retient tout simplement pas l'eau, doit être installée verticalement.
Selon le type de puits ou de puits, compte tenu des caractéristiques de la canalisation, les vannes doivent être installées soit par le bas, soit par le haut. La position au-dessus est requise lorsque le puits est foré à faible profondeur (jusqu'à huit mètres, ce qui est typique pour les Abyssins).
Si vous mettez un verrou par le bas, vous pouvez suivre le débit d'eau du puits lorsque vous entrez déjà dans l'aquifère uniquement lorsque vous utilisez une pompe à main ou à pied.
Si vous mettez un mécanisme de verrouillage arrière sur les dispositifs de fond de trou, son objectif direct est d'empêcher l'eau de retourner constamment dans le puits. Cela permettra de gagner du temps pour que l'eau pénètre dans les robinets. Par conséquent, il est nécessaire d'installer des vannes d'arrêt à la sortie de l'appareil sous pression.
Avec un faible niveau d'immersion de l'appareil de pompage et si la distance à la maison est faible, vous pouvez vous limiter à installer une vanne.Si les chiffres de distance sont supérieurs, une paire de vannes d'arrêt est installée - à la sortie de l'appareil sous pression et à l'entrée de la maison ou directement au point de prise d'eau près de l'accumulateur hydraulique et du contrôle automatique de l'appareil sous pression .
Si vous avez une station de pompage, vous devez installer des vannes d'arrêt soit dans le puits directement à l'entrée du tuyau d'aspiration d'eau, soit directement devant l'entrée de la station de pression. Compte tenu des caractéristiques du mécanisme des clapets anti-retour, la deuxième option est préférable.
Et, par exemple, des clapets anti-retour pour les pompes d'égout sont nécessaires pour que l'eau ne revienne pas des toilettes. L'installation de ce mécanisme de verrouillage est implicite sur un tuyau d'égout commun. Mais, vous pouvez toujours améliorer votre vie et installer des clapets anti-retour sur chaque drain séparément.
2.3 Vanne maison
Vous n'avez pas besoin d'avoir sept travées sur le front ou d'avoir des compétences et une éducation en plomberie pour essayer de le fabriquer vous-même au lieu d'un mécanisme de verrouillage acheté.

Règles d'installation du clapet anti-retour à bille
Pour fabriquer votre propre mécanisme de verrouillage arrière, vous devez acheter les pièces suivantes :
- raccord avec raccord fileté extérieur ;
- té avec raccord fileté interne ;
- un ressort pénétrant librement dans le té ;
- la bille métallique est inférieure de 2 à 3 mm au diamètre intérieur du té ;
- bouchon fileté;
- ruban fumé.
Au lieu d'un corps de verrouillage arrière, nous utilisons un té standard en laiton, acier, fonte ou plastique avec filetage femelle. Mieux vaut prendre du laiton. Installez ensuite l'embrayage. Nous insérons la bille et le ressort dans le boîtier en laiton de l'autre côté, installons le bouchon.
Conclusions et vidéo utile sur le sujet
Vidéo #1Tout sur la technologie d'installation d'un clapet anti-retour pour l'eau:
Vidéo #2 Vue d'ensemble des clapets anti-retour :
Vidéo #3 Quelle option de clapet anti-retour privilégier pour le système d'alimentation en eau du chalet :
L'utilisation de clapets anti-retour simplifie le fonctionnement des stations de pompage et réduit les risques d'accidents dans le système d'alimentation en eau
Ne lésinez pas sur cet article petit mais important.
Les fabricants proposent désormais une multitude d'options pour ce raccord de différentes tailles, la manière dont la constipation est actionnée et le type de fixation. Pour tout système d'alimentation en eau et type de pompe, il est facile de trouver la meilleure solution.
Nous serons ravis de connaître votre avis. Ceux qui souhaitent clarifier des problèmes techniques complexes, partager leur expérience ou signaler une faille dans le matériel du bloc ci-dessous peuvent laisser des commentaires.













































