- Ma maison peut tout faire toute seule : nous comprenons les concepts
- Liste des appareils et leurs fonctions
- Chauffage sans gaz. Alternatives
- Description du système
- Les principales fonctions et propriétés d'un thermostat intelligent
- Composants clés d'une sous-station
- Système de chauffage dans une maison intelligente chaudière intelligente et pas seulement
- Système de contrôle automatique - le premier pas vers une chaudière intelligente
- Chaudière de chauffage intelligente
- Système d'autodiagnostic de la chaudière
- "Maison intelligente" - chauffage intelligent
- Comment chauffer une maison avec de l'électricité
- Avantages de l'appareil
- Les derniers systèmes de chauffage
- Comment assurer le contrôle du chauffage dans le système Smart Home ?
- Régulation du chauffage en fonction de la météo
- Régulation complète du chauffage dans le système "Smart Home"
- Avantages et inconvénients
- Avantages du système
- Défauts
- Avantages et inconvénients
- Les moins
- Quel est l'avantage du système Smart Home ?
- Avantages de l'automatisation complète du chauffage
Ma maison peut tout faire toute seule : nous comprenons les concepts
Le rythme de vie moderne exige beaucoup plus d'efforts et de dépenses de réserves internes d'une personne qu'auparavant. Par conséquent, un coin facile à manipuler et confortable dans ce monde qui fait rage n'est pas un luxe, mais simplement une nécessité. Cela explique le nombre croissant de fans de maisons intelligentes.La particularité d'un tel logement est que certaines de ses fonctions sont automatisées. Par exemple, les mêmes portes sur les ferme-portes peuvent être considérées comme l'un des appareils domestiques intelligents.
Mais le système effectue des opérations beaucoup plus complexes. Vous pouvez contrôler les équipements situés dans l'appartement, même sans être chez vous, à l'aide de votre smartphone. Disons que vous conduisez après le travail et que vous voulez que le dîner soit chaud à votre arrivée, vous lancez le programme approprié, qui donne un signal de four à micro-ondes. Lorsque vous y arrivez, vous pouvez simplement sortir le steak déjà chaud.
L'automatisation de certains processus, par exemple, allumer la lumière lorsque vous marchez dans le couloir, est réalisée en raison de la présence de capteurs de mouvement intégrés, de la chaleur, des changements d'éclairage et d'autres choses. Il y a aussi des détails qui sont contrôlés par un logiciel.
Des systèmes hautement intelligents sont proposés par plusieurs sociétés. Mais une version plus simplifiée peut être créée par chacun seul, bien sûr, vous devrez travailler dur, mais cela en vaut la peine.
Liste des appareils et leurs fonctions
Pour qu'une maison ou un appartement fonctionne en mode complet, vous devez déterminer quels appareils seront nécessaires pour cela.
Principaux appareils :
- manette;
- systèmes d'extension de communication;
- éléments de commutation de circuits électriques;
- capteurs, jauges, appareils de mesure;
- appareils de controle;
- mécanismes exécutifs.

Le contrôleur est l'élément principal du système. La fonction principale est de contrôler tous les appareils et d'alerter sur l'état de la maison et des appareils. L'appareil peut être programmé pour un fonctionnement autonome ou contrôlé via un smartphone ou un ordinateur.Le contrôleur collecte des informations à partir de capteurs sur la température, le niveau de lumière, l'humidité et régule le fonctionnement du système de chauffage, l'éclairage, la climatisation, la ventilation.
Les systèmes d'extension de communication relaient les messages au propriétaire. Les données peuvent être transférées par méthode filaire (Internet, USB) ou sans fil (Wi-Fi). Les modules GSM / GPRS informent de l'état de la maison par SMS.
Les éléments de commutation du circuit électrique sont responsables de la fermeture / ouverture, de la régulation de tension. Cela comprend l'alimentation, les transformateurs, les relais, les convertisseurs. Les éléments empêchent la surcharge du réseau et les courts-circuits.
Les capteurs et les capteurs envoient un signal au contrôleur concernant la température dans la maison et dans la rue, l'humidité, le niveau de lumière, la pression atmosphérique. Les appareils de mesure prennent en compte davantage de paramètres. Il s'agit notamment des compteurs d'eau et de gaz, des baromètres.


Les appareils de commande sont fournis sous forme d'ensemble. Ce sont des panneaux tactiles ou des télécommandes radio. En installant un programme spécial sur un smartphone ou une tablette, vous pouvez le contrôler de n'importe où.
Les actionneurs sont des moteurs, des vannes, des serrures. Ils sont mis en mouvement par une commande du contrôleur. Ces mécanismes ouvrent ou ferment portes, fenêtres, portails, rideaux, vannes de ventilation.
Séparément, un chauffage automatique en fonction des conditions météorologiques est installé. La fonction principale du kit est d'assurer le fonctionnement de la chaudière de chauffage selon un certain algorithme : la température extérieure diminue - elle monte à l'intérieur de la maison. Dans un immeuble à appartements, le fonctionnement de l'automatisation diffère par le principe du chauffage - si nécessaire, modifiez la température, le contrôleur mélange les caloporteurs.
La connexion du système de maison intelligente nécessite un câblage spécial, qui crée un réseau unique et démarre le fonctionnement de tous les appareils et capteurs.


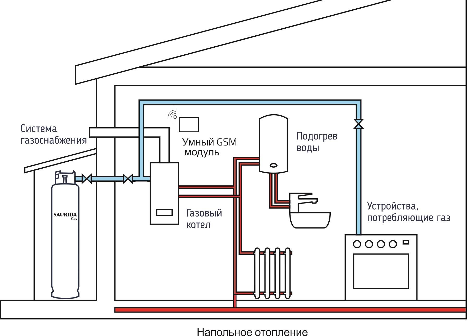
Chauffage sans gaz. Alternatives
Avec l'absence permanente ou temporaire des types de carburant auxquels une personne est habituée, il est possible d'organiser chauffage domestique sans gaz et même sans électricité. Selon la pratique, si ces technologies sont remplacées, il sera possible d'économiser de manière significative.

Considérant différentes façons de résoudre le problème, vous préférerez peut-être les cheminées et les poêles qui fonctionnent au charbon ou au bois. Lors du choix de cette option, il sera nécessaire de construire les structures en briques appropriées ou d'acheter une unité prête à l'emploi. Cela aidera à organiser un mode de chauffage respectueux de l'environnement, et certains modèles de poêles permettent de cuire des aliments grâce à la présence d'un four et d'une plaque de cuisson.
Si vous êtes confronté à une question urgente, comment chauffer une maison sans gaz, nous vous recommandons de suivre l'expérience de certains propriétaires de logements privés qui ont recours à des technologies originales. Ils sont chauffés par leur propre source d'électricité. Dans ce cas, vous pouvez utiliser l'une des deux façons de produire de l'électricité de manière autonome.
Description du système
Le système de maison intelligente est conçu pour le confort et la sécurité personnels.
Représente une seule commande des systèmes suivants dans la maison :
- approvisionnement en eau;
- Système de conditionnement d'air;
- alarmes de sécurité et d'incendie;
- ingénierie électrique;
- chauffage;
- vidéosurveillance.
L'invention présente les caractéristiques suivantes :
- un large éventail d'options;
- économie d'énergie, d'eau, de gaz;
- la possibilité de contrôler à distance via une tablette ou un smartphone ;
L'intelligence artificielle contrôle toutes les techniques et dispositifs mécaniques (portes, fenêtres, portails, stores), contrôle la température, l'humidité, régule la consommation d'eau ou d'électricité.La télécommande vous permet d'allumer / éteindre l'eau, les appareils électriques. Par exemple, le système pourra prendre un bain ou faire bouillir une bouilloire tout seul pour votre retour.
Des capteurs spéciaux sur les fenêtres et les portes, lorsque vous essayez de les ouvrir, déclenchent instantanément une alarme et envoient une alerte SMS. De plus, dans les paramètres, vous pouvez ajouter la fonction d'appel de la police ou des services de sécurité. Des capteurs d'urgence supplémentaires vous avertiront d'un incendie, d'une fuite de gaz ou d'une inondation. Également dans les paramètres, vous pouvez spécifier le nombre de services spéciaux qui seront appelés automatiquement.
La configuration d'appareils numériques peut résoudre le problème du contrôle de l'alimentation ou du divertissement. Lorsque vous vous déplacez dans les pièces, le contrôle intelligent éteindra ou allumera la lumière, basculez le téléviseur sur la chaîne spécifiée. Tous les appareils audio et vidéo sont intégrés dans un seul nœud qui distribue les informations. Par exemple, si vous avez commencé à regarder un programme dans une pièce, alors lorsque vous entrez dans la cuisine, vous continuerez à regarder depuis le même endroit.
"Smart Home" est capable de régler automatiquement la lumière dans la pièce, en tenant compte non seulement de l'heure de la journée, mais également des paramètres individuels. Avec ce système, vous pouvez oublier les interrupteurs et profiter d'un éclairage confortable dans la maison et économiser de l'énergie. Les statistiques montrent qu'avec un système de maison intelligente, les coûts d'électricité sont réduits en moyenne de 4 %.
Le réglage des systèmes de climatisation dans un appartement est un peu plus compliqué que dans une maison. Le chauffage individuel est rare dans les appartements, mais des vannes spéciales sur les radiateurs et un contrôleur vous permettront de maintenir la température optimale pour vous.
Le chauffage au sol dans l'appartement donne au système plus d'options.Pour garantir la température souhaitée, il bascule entre les batteries et le chauffage au sol.
Le climatiseur aidera à contrôler la température pendant la saison chaude ou, si nécessaire, à chauffer la pièce avant le début de la saison de chauffage. Le contrôle intelligent ajustera indépendamment le fonctionnement de l'équipement, à l'exclusion du fonctionnement simultané de la climatisation et du chauffage.
L'équipement d'un appartement est différent de l'appareil d'une maison privée. L'objectif principal est le confort et la sécurité. Mais l'appartement n'a pas besoin d'automatisation de la partie attenante (éclairage de la cour, vidéosurveillance, arrosage de la pelouse, ouverture du portail pour la voiture). Il y a aussi des nuances avec le chauffage - dans les appartements, il est centralisé, et si des problèmes surviennent, cela ne fonctionnera pas pour bloquer la colonne montante dans un immeuble à plusieurs étages. Mais cela est résolu à l'aide de capteurs à la sortie du radiateur, en installant un climatiseur ou un chauffage au sol.
Le système de sécurité dans les immeubles à appartements est plus simple. Des capteurs sont installés sur les portes d'entrée et les fenêtres. Dans une maison privée, le territoire et les bâtiments sont également contrôlés.
Les principales fonctions et propriétés d'un thermostat intelligent
Les principales fonctions des thermostats sont :
- Contrôle de la température ambiante ;
- Économiser les ressources énergétiques.
Les thermostats intelligents modernes sont capables de réguler la température dans la maison en fonction d'un certain nombre de paramètres qu'ils apprennent par eux-mêmes. Ils surveillent la température à l'intérieur et à l'extérieur de la maison, contrôlent l'humidité de l'air et d'autres conditions météorologiques. En conséquence, sur la base des données reçues, l'appareil sélectionne le régime de température optimal.
De plus, le système surveille le nombre de personnes présentes dans la pièce et en tient compte lors de la régulation du régime de température.

Une autre caractéristique importante des nouveaux thermostats intelligents est leur capacité d'auto-apprentissage. Ils étudient la routine quotidienne des propriétaires de la maison, leurs préférences, calculent le temps nécessaire pour atteindre la température souhaitée lors de l'utilisation de radiateurs ou de climatiseurs, puis l'utilisent pour travailler plus efficacement.
Composants clés d'une sous-station
Composants du dispositif ITP
Le complexe thermal comprend plusieurs éléments principaux :
- L'échangeur de chaleur est un analogue de la chaudière à chaleur de la chaufferie. Ici, la chaleur du liquide dans le système de chauffage principal est transférée au liquide de refroidissement TP. C'est un élément d'un complexe moderne.
- Pompes - circulation, appoint, mélange, booster.
- Filtres à boue - montés à l'entrée et à la sortie du pipeline.
- Régulateurs de pression et de température.
- Vannes d'arrêt - fonctionnent en cas de fuites, modifications d'urgence des paramètres.
- Unité de mesure de la chaleur.
- Peigne de distribution - dilue le liquide de refroidissement aux consommateurs.
Les TP plus grands incluent d'autres équipements.
Système de chauffage dans une maison intelligente chaudière intelligente et pas seulement
La température de l'air dans la maison dépend du bon fonctionnement des appareils de chauffage, dont le transfert de chaleur doit compenser les déperditions de chaleur du bâtiment, le niveau peut varier en fonction des conditions météorologiques : vitesse du vent, humidité, heure de la journée.
Une relation simple apparaît : plus la perte de chaleur est élevée (ou plus le temps est mauvais), plus le transfert de chaleur doit être assuré par les appareils de chauffage et plus la chaudière de chauffage doit produire de chaleur.
Le fonctionnement de la chaudière peut être contrôlé manuellement en augmentant ou en diminuant l'alimentation en combustible de la chambre de combustion. Mais, voyez-vous, il est préférable que la chaudière de chauffage puisse déterminer elle-même la quantité de chaleur qu'elle doit générer et la quantité de combustible qu'elle doit brûler.
Système de contrôle automatique - le premier pas vers une chaudière intelligente
Les chaudières de chauffage modernes dans les maisons intelligentes sont équipées de systèmes de contrôle automatique qui peuvent ajuster l'intensité de la combustion du combustible en fonction du besoin réel d'énergie thermique.
Cependant, la réponse aux conditions météorologiques changeantes d'une chaudière conventionnelle peut être retardée de plusieurs heures, en fonction du degré d'inertie du système de chauffage. Le fait est que le système de contrôle automatique des chaudières de chauffage (appelons-les ordinaires, contrairement aux chaudières de chauffage «intelligentes») est en grande partie réglé pour modifier la température de l'eau dans le tuyau de retour: l'eau dans le tuyau de retour s'est refroidie de plus, l'alimentation en carburant de la chambre de combustion augmente, la température du flux de retour est plus élevée, l'alimentation en carburant de la chambre de combustion est réduite.
À son tour, le liquide de refroidissement refroidit plus vite, plus la température de l'air dans la pièce chauffée est basse.
Autre détail important: la réponse rapide de la chaudière aux changements de température de l'air n'est possible que lors de l'utilisation d'appareils de chauffage à faible volume interne, par exemple des radiateurs en aluminium ou bimétalliques.
Vidéo - Chaudière Bitherm avec une grille mobile et une unité de contrôle intelligente
Chaudière de chauffage intelligente
Le fonctionnement de la chaudière intelligente est contrôlé par un thermostat avec une sonde de température installée dans l'une des pièces.Le principe de fonctionnement est extrêmement simple: à l'aide d'un thermostat, la température souhaitée est réglée, une fois atteinte, la chaudière s'éteint. Lorsque la température baisse, la chaudière s'allume et le processus se répète à nouveau.
En plaçant le capteur de température sur la rue, vous pouvez régler le fonctionnement de la chaudière "à l'avance": la température extérieure a baissé, la chaudière fonctionne en mode plus intensif.
La minuterie dans le fonctionnement d'une chaudière intelligente est conçue pour sélectionner les modes de fonctionnement intensif et modéré. Ainsi, par exemple, la nuit, une température légèrement inférieure est plus confortable, d'environ 2-3 degrés par rapport à la température diurne. Dans le même temps, vous pouvez éteindre le chauffage de l'eau dans la chaudière la nuit. Le mode de fonctionnement modéré de la chaudière peut être programmé pendant la journée, lorsque tous les habitants de la maison sont au travail. Les modes de fonctionnement de la chaudière peuvent être réglés en journée, en semaine, au mois et même à l'année.
Pour ce faire, la chaudière intelligente est équipée d'un système d'autodiagnostic.
Système d'autodiagnostic de la chaudière
Le système d'autodiagnostic de la chaudière permet de déterminer de 10 à 40 (selon le modèle de chaudière) dysfonctionnements, dont certains peuvent être éliminés automatiquement. Les informations sur les défauts détectés sont affichées sur l'écran et stockées dans la mémoire de l'appareil.
Tout cela rend le fonctionnement des chaudières intelligentes non seulement pratique, mais également sûr, excluant la possibilité de situations d'urgence, telles qu'une diminution de la température du liquide de refroidissement en dessous d'un niveau critique, une diminution de la poussée, une chute de pression dans le gaz réseau de canalisations et un certain nombre d'autres situations tout aussi dangereuses qui ne sont pas exclues lors du fonctionnement de la chaudière. .
"Maison intelligente" - chauffage intelligent
Quelle que soit l'efficacité de la chaudière, pour garantir des conditions vraiment confortables dans la maison, des appareils de chauffage contrôlés sont nécessaires, capables de réagir aux changements de température dans la pièce. Pour ce faire, des radiateurs sont installés dans le système de chauffage, équipés de thermostats et de servocommandes qui modifient le débit du liquide de refroidissement en fonction de la température ambiante.
Résumé
Le système de chauffage d'une maison intelligente peut être basé sur une chaudière de chauffage équipée d'un système d'autodiagnostic et d'une automatisation dépendante des conditions météorologiques, dont le fonctionnement n'est efficace qu'avec des radiateurs équipés de thermostats et de servocommandes.
Comment chauffer une maison avec de l'électricité
Considérez les options les plus populaires pour le chauffage électrique d'une maison de campagne.
- Chauffage à eau avec chaudière électrique.
- Chauffage par convecteurs électriques.

La première option implique la création d'un circuit de chauffage, qui utilise des tuyaux pour transporter le liquide de refroidissement, des radiateurs pour transférer l'énergie thermique dans la pièce, ainsi que des dispositifs et mécanismes nécessaires au fonctionnement du système (vase d'expansion, pompe de circulation, vannes d'arrêt et de régulation, dispositifs de sécurité et de régulation).
De plus, vous avez besoin du bon système de CO pour votre maison, en fonction de l'architecture du bâtiment, des caractéristiques de conception et d'autres facteurs.
La deuxième option consiste à installer le nombre requis de convecteurs électriques dans chaque pièce. Les avantages sont évidents : pas besoin de créer des circuits de chauffage, de conception et d'installation complexe d'équipements. Tous les travaux peuvent être effectués de manière indépendante, sans surpayer des spécialistes coûteux.
Considérez les caractéristiques de conception et le principe de fonctionnement de chaque option de chauffage, ce qui permettra de déterminer si l'électricité peut être utilisée pour chauffer des maisons privées et des maisons de campagne.
Avantages de l'appareil
Les principaux avantages d'un thermostat intelligent sont :
- Confort. La possibilité de régler et de contrôler la température dans chaque pièce séparément.
- Commodité. La possibilité de contrôler le chauffage en ligne, via n'importe quel appareil avec accès à Internet.
- Le thermostat intelligent est capable de apprendre et s'adapter aux préférences du propriétaire de la maison et à sa routine quotidienne.
- Économie. Un thermostat intelligent vous permet d'économiser considérablement sur la consommation de chaleur. L'appareil surveille s'il y a quelqu'un dans la pièce et, en fonction de cela, évalue le besoin de chauffage ou de refroidissement.
- Polyvalence dispositifs. Il existe des modèles de thermostats intelligents compatibles avec 95 % de tous les systèmes de chauffage existants, y compris le système de chauffage central.
En utilisant des thermostats intelligents dans votre maison, vous pouvez suivre vos données de consommation d'énergie, en tenant compte des changements de conditions météorologiques, ainsi que de la présence d'occupants dans la maison.
Les derniers systèmes de chauffage
Un exemple de système assez abordable et en même temps efficace, adapté à la fois à une maison de campagne et à un appartement, est un chauffage au sol électrique. Ayant engagé des dépenses relativement faibles pour l'installation d'un tel chauffage, il est possible de chauffer une maison et de ne pas acheter de chaudières. Le seul inconvénient est le coût de l'électricité.Mais étant donné que le chauffage au sol moderne est assez économique, oui, si vous avez un compteur multitarif, cette option peut être acceptable.

Dans les régions du sud à forte activité solaire, un autre système de chauffage moderne fonctionne bien. Ce sont des capteurs solaires à eau installés sur le toit des bâtiments ou autres lieux ouverts. En eux, avec des pertes minimales, l'eau est chauffée directement par le soleil, après quoi elle est introduite dans la maison. Un problème - les collecteurs sont absolument inutiles la nuit, ainsi que dans les régions du nord.

Divers systèmes solaires qui prélèvent la chaleur du sol, de l'eau et de l'air et la transfèrent à une maison privée sont des installations dans lesquelles les technologies de chauffage les plus modernes sont mises en œuvre. Ne consommant que 3 à 5 kW d'électricité, ces unités sont capables de "pomper" de l'extérieur 5 à 10 fois plus de chaleur, d'où le nom de pompes à chaleur. De plus, à l'aide de cette énergie thermique, vous pouvez chauffer le liquide de refroidissement ou l'air - à votre discrétion.

Comment assurer le contrôle du chauffage dans le système Smart Home ?
Si vous essayez de mettre en place un système de chauffage "maison intelligente" de vos propres mains, des effets positifs peuvent être obtenus même sans combiner les systèmes de chauffage sous le contrôle général d'un ordinateur.
Les éléments chauffants et les unités de chauffage peuvent être équipés de contrôleurs reliés à des capteurs de température intérieure. Après cela, les appareils de chauffage peuvent être réglés sur le mode de fonctionnement (l'ordre d'allumage et d'extinction dans le temps ou lorsque la température atteint une certaine valeur).
Les inconvénients de cette solution sont :
- chacun de ces appareils devra être configuré séparément ;
- il ne coordonnera pas son travail avec d'autres systèmes à la maison ;
- chaque système individuel ne répondra pas aux changements de température de l'extérieur, car il ne dispose tout simplement pas de telles données.
Une solution plus efficace consiste à créer un système de chauffage des locaux sous le contrôle d'une seule unité de contrôle, qui peut être réglée sur un mode de fonctionnement général (en tenant compte des caractéristiques de fonctionnement de chaque groupe d'appareils de chauffage séparément).
Pour les systèmes de chauffage simples et combinés, il est judicieux de définir des zones de température en définissant des paramètres de chauffage distincts pour chacune d'entre elles. Une maison intelligente avec un chauffage configuré de cette manière chauffera davantage les pièces à vivre, chauffera moins le garage et garantira que la température dans la cave à vin n'augmente pas.
Régulation du chauffage en fonction de la météo

Un maillon important du système « maison intelligente » est un contrôleur dépendant de la météo
Un régulateur de chauffage en fonction de la météo est l'un des éléments clés pour créer du confort avec une maison intelligente. Une sonde de température extérieure permet de corréler la température extérieure et intérieure de la pièce, puis, à partir d'une courbe donnée de ce rapport, de déterminer le mode de fonctionnement sans intervention humaine.
Le régulateur de chauffage en fonction de la météo contrôle le chauffage de la pièce en réagissant aux changements de temps à l'extérieur : augmentez uniformément la température lorsqu'il fait froid ou arrêtez le chauffage s'il fait chaud à l'extérieur.
Le régulateur de chauffage météo réagissant à la température extérieure, il peut maintenir la chaleur selon un programme donné et éviter les dépassements. Le chauffage intelligent d'une maison de campagne fera baisser la température lorsqu'il n'est pas nécessaire de chauffer les locaux (si les propriétaires sont partis).
Régulation complète du chauffage dans le système "Smart Home"
Une approche intégrée implique la gestion du chauffage en combinaison avec le contrôle du système de ventilation et du système d'alimentation en eau. Cela vous permet de mettre en œuvre le maintien complet d'un certain climat dans la maison, en tenant compte de l'humidité de l'air et des indicateurs températures dans différentes pièces.
Vous pouvez définir différents scénarios de travail pour tous les systèmes contrôlés par la Smart Home et implémenter une fonction de notification en cas de défaillance de l'un des sous-systèmes.
De plus, vous pouvez utiliser la communication mobile pour donner une commande au système. Le chauffage intelligent d'une maison de campagne commencera à préparer des logements pour recevoir des invités à un tel signal à l'avance.
La gestion intégrée du chauffage, de la ventilation, de l'alimentation en eau et de l'électricité dans le système "Smart Home" permet des économies d'énergie et augmente l'efficacité énergétique (la crise énergétique dicte également des solutions dans la construction domestique).
Avantages et inconvénients
Bien sûr, nous ne pouvons pas dire que de tels systèmes sont complètement parfaits. Considérez les avantages et les inconvénients de la "maison intelligente".

Avantages du système
Le confort de vie est un ajustement individuel du système à votre propre rythme de vie ou à vos préférences. "Smart Home" peut préparer votre café préféré tous les matins à une certaine heure, allumer la musique ou la télévision, tandis que le week-end, vous pouvez changer ou faire d'autres réglages. Même s'il y a plusieurs membres de la famille dans la maison, la "maison intelligente" apportera un confort à chacun, en le libérant des bagatelles du quotidien.
Il vaut la peine d'installer une "maison intelligente" pour les jeunes parents ou les familles qui s'occupent de parents âgés. Le système est capable d'analyser les informations 24 heures sur 24. Des bracelets spéciaux pour les personnes âgées surveillent en permanence leur santé.Certains paramètres vous rappelleront de prendre vos médicaments.
Les parents "maison intelligente" apporteront également une aide indispensable. L'écolier dans la cuisine aura un déjeuner chaud après l'école, la télévision ne diffusera que les chaînes de télévision approuvées par les parents à certaines heures. Si l'enfant quitte la maison, une alerte sera envoyée sur le téléphone des parents.


"Smart Home" pourra prendre soin des animaux domestiques - à un certain moment dans le bol, il y aura la bonne quantité de nourriture.
La sécurité dans la "maison intelligente" est assurée par un système de contrôle à plusieurs niveaux. Le système vérifie tous ceux qui tentent de se connecter. S'il n'y a pas de données humaines, une alarme est déclenchée et une alerte est envoyée au propriétaire en cas de tentative d'intrusion. Les propriétaires du système intelligent pourront autoriser ou restreindre l'accès à leur logement ou à certaines pièces. Par exemple, vous pouvez empêcher l'au pair d'accéder au bureau du propriétaire.
Dans les maisons privées, la surveillance est également effectuée à l'extérieur de la maison, l'ensemble du territoire est surveillé 24 heures sur 24. Il y a une fonction pratique "simulation de présence". Si de longues vacances sont prévues, le système ouvrira et fermera les rideaux ou les stores, allumera la lumière le soir.
Toutes les communications sont contrôlées par le système. Les capteurs signaleront les fuites dans les tuyaux, les problèmes de câblage, la fumée ou le monoxyde de carbone.


Le climat intérieur est régulé par le système en tenant compte des réglages. Pour chaque pièce, vous pouvez définir vos propres paramètres. Le système prend en compte les indicateurs externes de température, d'humidité et réagit immédiatement aux changements, en fournissant les paramètres définis par le propriétaire.
L'épargne est le principal avantage du système.Les experts disent que les coûts d'exploitation sont réduits de 30% grâce à l'intelligence artificielle.
L'énergie est économisée de plusieurs façons :
- installation de détecteurs de mouvement ;
- l'utilisation de « lampes intelligentes » et de détecteurs de lumière ;
- automatisation complète des systèmes climatiques.


Défauts
L'équipement, l'installation et la maintenance de la maison intelligente à l'avenir ne sont pas des plaisirs bon marché, et c'est le principal inconvénient du système.
La complexité de l'installation est le deuxième inconvénient. L'installation nécessite le remplacement du câblage, le rééquipement de la plomberie, du système de chauffage, le remplacement des fenêtres, des portes, l'installation de stores ou de rideaux à entraînement électrique. De plus, des fils seront tendus dans toute la maison pour connecter de nombreux capteurs. Si, au lieu de fils, des canaux radio sont utilisés pour contrôler les capteurs, le coût du système augmentera plusieurs fois. Beaucoup de gens se posent des questions sur la sécurité de vivre dans une telle maison. Les experts assurent que tous les matériaux sont respectueux de l'environnement.
Et le dernier inconvénient est la salle pour l'équipement. Les surtensions, les pannes de courant peuvent perturber le système.


Avantages et inconvénients
Nous allons maintenant analyser les avantages et les inconvénients d'une maison intelligente. En fait, nous avons déjà analysé tous (ou presque tous) les avantages de tels systèmes. Reste maintenant à savoir s'il y a des inconvénients à la "maison intelligente".

Les moins
Bien sûr, il y a des inconvénients et ils suffisent :
- Prix. Ces kits que nous avons déjà mentionnés sont le kit initial, pour ainsi dire, pour la semence. Un système à part entière de fournisseurs russes est de l'ordre de 5 à 15 000 dollars, si vous avez un appartement ou une petite maison de campagne. Un système à part entière, initialement conçu avec compétence et correctement installé par une entreprise fiable, atteindra plusieurs millions de roubles!
- Qui installe et la qualité de l'équipement. En Russie, il n'y a pas un si grand choix d'entreprises pour l'installation de systèmes à grande échelle. Si les entreprises occidentales proposent un système prêt à l'emploi, les nôtres l'assemblent en plusieurs parties. Et remplacer un capteur cassé n'est pas facile non plus. Tous les éléments peuvent ne pas être compatibles les uns avec les autres.
- N'oublions pas qu'il s'agit toujours d'un système complexe et que les composants d'une maison intelligente peuvent très bien tomber en panne. Et s'il arrivait qu'un composant du système «vole», il est plus probable qu'il puisse entraîner d'autres éléments avec lui.
- Opportunité. Pourtant, ces complexes ont été initialement conçus pour être utilisés dans des maisons de campagne avec chauffage autonome. Et dans ce cas, un tel investissement se justifie. Et nous avons le chauffage urbain dans nos appartements et il n'y a pas d'économies ici.
- Alimentation électrique ininterrompue. Dans notre réalité, les pannes de courant périodiques sont une chose courante et assurer une alimentation électrique ininterrompue est également une histoire à part. Surtout si c'est une option de banlieue. C'est possible, mais difficile.
- Préparez-vous au fait que dans quelques années votre kit deviendra obsolète et que trouver des composants ne sera plus aussi facile qu'avant.
- Sécurité. Bien qu'il s'agisse de l'objectif principal de ces systèmes, les vulnérabilités de sécurité sont souvent remarquées par les utilisateurs. Les propriétaires eux-mêmes sont en partie responsables de cela. Les propriétaires de la maison n'ont pas assez d'imagination pour trouver un mot de passe fort. Il s'avère être court et simple, par exemple - le nom de jeune fille de la femme, le nom du chien, l'année de sa naissance - ce sont des mots de passe standard. Il est clair qu'il n'est pas difficile pour un attaquant de deviner le mot de passe du système de sécurité et d'entrer dans la maison intelligente.

Sans aucun doute, Smart House a plus d'avantages que d'inconvénients.Cette technologie est en cours de développement et ces kits ne sont pas demandés partout. En Amérique, environ 20% des maisons privées sont équipées de tels complexes. Il n'y a pas de telles statistiques en Russie, mais, très probablement, le chiffre sera bien moindre.
Franchement, faire un choix en faveur d'un complexe de maisons intelligentes ou vivre à l'ancienne - chacun fait son choix lui-même. Ces systèmes sont en constante amélioration et les fabricants s'efforcent constamment d'identifier et d'éliminer les lacunes en ajoutant de nouvelles fonctionnalités et options.
Quel est l'avantage du système Smart Home ?
Avantages de cette technologie :
- Haut niveau de confort. Tous les éléments sont conçus avec les dernières tendances à l'esprit. Les écrans tactiles et les télécommandes sont présentés dans un design moderne et convivial.
- Économies budgétaires. En l'absence du propriétaire, l'éclairage, le chauffage et d'autres complexes d'ingénierie commencent à fonctionner de manière modérée.
- Sécurité. Le programme aide à détecter à temps la fumée ou la pénétration de personnes non autorisées. En cas de fuite d'eau ou de gaz, le programme ferme la vanne d'alimentation de ces ressources. Des informations sur chaque incident d'urgence sont immédiatement fournies au client et aux services d'urgence concernés.
- Gagner du temps. En appuyant sur 1 bouton, le système allumera le programme souhaité, fermera les stores, tamisera la lumière, abaissera l'écran et allumera le projecteur pour la lecture.
- Contrôle des paramètres internes de la pièce. Les problèmes complexes sont résolus en appuyant sur 1 bouton.
- Augmenter la valeur de l'immobilier grâce à la technologie.
La technologie est considérée comme coûteuse, mais les avantages de son utilisation l'emportent sur le coût de son acquisition.
Avantages de l'automatisation complète du chauffage
Avant de discuter des avantages du chauffage intelligent, il y a une sorte d'inconvénient initial pour l'utilisateur final.
En organisant un système de ce type, vous devrez dépenser de l'argent pour acquérir les composants requis, ainsi que pour l'installation et la configuration.

Pas l'ensemble le plus cher et le plus avancé de chauffage "intelligent", néanmoins, vous permettant d'organiser un système de contrôle automatique domestique complètement efficace
Il n'est pas exclu, bien sûr, la possibilité de tout faire de vos propres mains. Cependant, pour mettre en œuvre cette option, vous devez avoir le statut de spécialiste hautement qualifié, ou de touche-à-tout. Mais le coût de mise en place du système est finalement intégralement compensé.
Les calculs moyens ont montré jusqu'à 30 % d'économies sur les coûts de chauffage pendant la saison froide. Ainsi, le dispositif de chauffage "intelligent" est rentable en peu de temps.
Parmi les avantages évidents de la technologie, la possibilité de contrôler tous les paramètres directement depuis un téléphone ou une tablette se démarque.
Les smartphones modernes permettent l'installation d'applications spéciales à travers lesquelles la surveillance et le réglage des paramètres du système de chauffage sont effectués.

Un smartphone et la possibilité de créer à distance un environnement confortable dans la maison sont une réalité de la vie moderne. En même temps, il est possible de contrôler le chauffage à partir d'autres appareils numériques populaires.
L'avantage évident de tels systèmes est le facteur de température de fond précise et stable.
De plus, à l'aide de l'application, vous pouvez définir le mode souhaité à un certain moment de la journée: plus frais la nuit pour un sommeil réparateur et une heure avant de rentrer du travail - une augmentation progressive de la température.
Lorsque l'intérieur de la pièce n'est «pas froid - pas chaud», c'est-à-dire que la température de fond est optimale pour le corps, le risque de rhume est fortement réduit. Dans de telles conditions, le corps est dans une phase active, une personne ressent un état de confort.
Le facteur de commodité est également un avantage. Inutile de tourner les robinets, mesurez la température avec un thermomètre. Toutes ces actions seront effectuées par automatisation avec une grande précision. De plus, il devient possible de prendre en compte l'énergie consommée. Et là encore, ce sont des économies.












































