- Chauffage au gaz autonome
- Chaudière à vapeur dans une maison privée
- Schéma de chauffage à la vapeur: description et principe de fonctionnement
- Avantages et inconvénients du chauffage à la vapeur
- Chauffage à la vapeur à faire soi-même à partir d'un poêle
- Technologie de travail
- Système de circulation naturelle
- Schéma de passage à deux tuyaux du système de chauffage
- Pourquoi choisir le chauffage vapeur ?
- Choisir un mode de chauffage pour une maison privée
Chauffage au gaz autonome
Toutes les colonies de Russie ne disposent pas d'un gazoduc. La solution consiste à utiliser des hongres à gaz.
Le mélange propane-butane pompé dans des réservoirs sous pression est utilisé pour le chauffage. Ces bouteilles peuvent être connectées à presque toutes les chaudières à gaz.


Tout le monde n'est pas capable de comprendre indépendamment les schémas de chauffage au gaz à partir d'une photo sur le réseau, il est donc préférable de se tourner vers des professionnels. Après tout, le chauffage dans la maison est l'un des éléments les plus importants de la vie confortable fondamentale.

De nombreuses critiques positives sur le chauffage au gaz nous permettent de comprendre qu'il n'y a pas d'alternative valable en termes de commodité et d'efficacité du chauffage.

Chaudière à vapeur dans une maison privée
Une chaudière à vapeur est un type de chauffage alternatif pour les maisons privées et les chalets.Le chauffage de l'eau des bâtiments est appelé à tort «vapeur» - une telle confusion dans les noms est associée au principe du chauffage des immeubles d'habitation, où un liquide de refroidissement externe sous pression s'écoule d'une cogénération vers des maisons individuelles et transfère sa chaleur à un vecteur interne (eau ), qui circule dans un système fermé.
Le chauffage à la vapeur dans une maison privée est utilisé beaucoup moins fréquemment que les autres méthodes de chauffage des locaux. Il est économiquement justifié d'utiliser la chaudière dans une maison de campagne ou une maison de campagne, lorsqu'il n'y a pas de vie toute l'année, et le rôle principal dans le chauffage est joué par la rapidité de chauffage des locaux et la facilité de préparation du système pour la conservation .
La possibilité d'installer un tel équipement en plus de celui existant, par exemple un four, est un autre avantage de l'utilisation de la vapeur comme caloporteur.
À la suite de l'ébullition de l'eau dans la chaudière (générateur de vapeur), de la vapeur se forme, qui est fournie au système de canalisations et de radiateurs. En cours de condensation, il dégage de la chaleur, assurant un chauffage rapide de l'air de la pièce, puis revient à l'état liquide dans un cercle vicieux vers la chaudière. Dans une maison individuelle, ce type de chauffage peut être mis en œuvre sous la forme d'un schéma à circuit simple ou double (chauffage et eau chaude sanitaire).
Selon la méthode de câblage, le système peut être monotube (connexion en série de tous les radiateurs, la canalisation s'étend horizontalement et verticalement) ou bitube (connexion parallèle des radiateurs). Les condensats peuvent être renvoyés au générateur de vapeur par gravité (circuit fermé) ou de force au moyen d'une pompe de circulation (circuit ouvert).
Le schéma de chauffage à la vapeur de la maison comprend:
- Chaudière;
- chaudière (pour un système à deux circuits);
- radiateurs;
- pompe;
- vase d'expansion;
- dispositifs d'arrêt et de sécurité.
Description de la chaudière à vapeur
L'élément clé du chauffage des locaux est le générateur de vapeur, dont la conception comprend :
- four (chambre de combustion du combustible);
- tuyaux d'évaporateur;
- économiseur (échangeur de chaleur pour chauffer l'eau en raison des gaz d'échappement);
- tambour (séparateur pour séparer le mélange vapeur-eau).
Les chaudières peuvent fonctionner avec différents types de combustibles, mais il est préférable pour les maisons privées d'utiliser une chaudière à vapeur domestique avec la possibilité de passer d'un type à l'autre (combiné).
L'efficacité et la sécurité d'un tel chauffage des locaux dépendent d'une approche compétente pour choisir un générateur de vapeur. La puissance de la chaudière doit être en rapport avec ses tâches. Par exemple, pour créer un microclimat optimal dans une maison d'une superficie de 60 à 200 m 2, vous devez acheter une chaudière d'une capacité de 25 kW ou plus. À des fins domestiques, il est efficace d'utiliser des unités à tubes d'eau, qui sont plus modernes et fiables.
Auto-installation d'équipements
Le travail est effectué par étapes, dans un certain ordre:
1. Élaboration d'un projet prenant en compte tous les détails et solutions techniques (longueur et nombre de canalisations, type de générateur de vapeur et son emplacement d'installation, emplacement des radiateurs, vase d'expansion et vannes d'arrêt). Ce document doit être convenu avec les autorités de contrôle de l'État.
2. Installation de la chaudière (réalisée sous le niveau des radiateurs pour assurer la remontée de la vapeur).
3. Tuyauterie et installation de radiateurs. Lors de la pose, une pente d'environ 5 mm doit être définie pour chaque mètre. L'installation des radiateurs s'effectue à l'aide d'un raccord fileté ou d'un soudage.Dans les examens d'un système de chauffage à la vapeur, les utilisateurs expérimentés recommandent d'installer des robinets pour éliminer les problèmes lorsque des poches d'air se produisent et faciliter le fonctionnement ultérieur.
4. L'installation du vase d'expansion s'effectue à 3 mètres au-dessus du niveau du générateur de vapeur.
5. La tuyauterie du groupe chaudière doit être réalisée uniquement avec des tuyaux métalliques de même diamètre avec des sorties de la chaudière (les adaptateurs ne doivent pas être utilisés). Le circuit de chauffage étant fermé dans l'unité, il est souhaitable d'installer un filtre et une pompe de circulation. Une unité de vidange doit être installée au point le plus bas du système afin que la canalisation puisse être facilement vidée pour des travaux de réparation ou de conservation de la structure. Les capteurs nécessaires qui contrôlent le processus et assurent la sécurité sont nécessairement montés sur la chaudière.
6. Il est préférable de tester un système de chauffage à la vapeur en présence de spécialistes qui peuvent non seulement effectuer toutes les procédures conformément aux normes et standards applicables, mais également éliminer de leurs propres mains les lacunes et les inexactitudes du schéma d'installation.
Schéma de chauffage à la vapeur: description et principe de fonctionnement
Le chauffage à la vapeur est assez simple dans son principe. Une chaudière à vapeur qui chauffe l'eau à son point d'ébullition génère de la vapeur, qui imprègne les radiateurs et les tuyaux de manière appropriée. En se condensant, l'eau retourne à la chaudière. Ici, la différence de système de chauffage réside dans le choix de la méthode d'évacuation des condensats.Une turbine à vapeur ou une installation de réduction-refroidissement extrait de la vapeur, le condensat résultant pénètre par une certaine inclinaison technologique du tuyau dans la chaudière ou dans la pompe qui pompe le condensat. Les appareils de chauffage peuvent être des convecteurs, des radiateurs ou des tuyaux (striés ou lisses), selon le choix. En règle générale, on utilise souvent soit des tuyaux, comme l'option la plus économique, soit des radiateurs.

Voici une distinction basée sur les critères suivants :
Systèmes de vapeur sous pression :
- Haute pression (pression 0,18 - 0,47 MPa);
- Basse pression (de 0,15 à 0,17 MPa).
Retour de condensat :
- Type fermé (le condensat est renvoyé directement à la chaudière à un certain angle des tuyaux);
- Type ouvert (le réservoir recueille le condensat, d'où il est ensuite pompé vers la chaudière par une pompe).
- Câblage supérieur (L'emplacement de la conduite de vapeur est au-dessus des appareils de chauffage, le condenseur est en dessous);
- Câblage inférieur (la conduite de vapeur et le condenseur sont situés sous les réchauffeurs).
Le choix d'un système monotube ou bitube dépend principalement de la pièce dans laquelle il sera installé. Dans une maison privée, un système monotube plus compact est souhaitable, combinant moins d'espace et la capacité de chauffer une petite pièce, contrairement au système à deux tubes, qui est utilisé dans de grands locaux, souvent non résidentiels.
Types de chaudières à vapeur :
De plus, les chaudières diffèrent par le type de combustible brûlé :
- combustible solide;
- liquide;
- Combiné (choix possible du combustible, à la fois solide et liquide);
- Gaz.
Avantages et inconvénients du chauffage à la vapeur
Comme tout autre système de chauffage, le chauffage à la vapeur a ses avantages et ses inconvénients. Considérez-les plus en détail et commencez par les avantages :
- Le faible coût de l'équipement est le plus évident pour tout consommateur ;
- Faible perte de chaleur - une efficacité élevée permet de réduire le coût du chauffage des locaux ;
- Dissipation thermique élevée - grâce à cela, un chauffage rapide des locaux est assuré.
Non sans inconvénients :
- Augmentation du niveau de bruit - rappelez-vous à quel point les moteurs à vapeur et les locomotives à vapeur sont bruyants. Par conséquent, lors du remplissage des tuyaux et des radiateurs avec de la vapeur, vous entendrez du bruit ;
- Température élevée des tuyaux et des radiateurs - en raison de la température élevée de la vapeur, des brûlures peuvent survenir ;
- Un niveau élevé de corrosion des éléments individuels est résolu en utilisant des composants plus coûteux ;
- Il n'y a pas de contrôle de température en douceur - il n'y a qu'un réglage de l'alimentation en vapeur. Parfois, la température dans la maison est abaissée en éteignant le système, ce qui sera difficile lorsqu'il fonctionne au charbon ou au bois;
- Faible niveau de sécurité - en raison d'éventuels accidents, les systèmes de chauffage à la vapeur ne sont pas utilisés pour chauffer les locaux d'habitation.
Naturellement, les lacunes individuelles peuvent être traitées, mais cela entraîne des coûts supplémentaires.
Chauffage à la vapeur à faire soi-même à partir d'un poêle
Afin de ne pas installer une chaudière de chauffage pour un système de chauffage à vapeur et de dépenser de l'argent, vous pouvez utiliser le poêle disponible dans la maison. Il agira comme une source de chaleur avec un combustible solide peu coûteux, de plus, il ne dépend pas de l'approvisionnement central en gaz et en électricité. Le générateur de vapeur est un échangeur de chaleur, qui peut être fabriqué sur commande ou indépendamment.Les inconvénients d'un poêle à chaudière à vapeur sont les mêmes que ceux d'un poêle ou d'une cheminée conventionnels: l'impossibilité de régler avec précision la température de chauffage, l'absence de sécurité incendie complète et la possibilité de fumée dans la pièce en raison d'un allumage inapproprié. Ainsi, le four-chaudière présente les mêmes inconvénients que le classique, mais il y a beaucoup plus d'avantages.
Chauffage à la vapeur du poêle
Avant de faire chauffer la vapeur à partir du poêle, vous devez vérifier l'échangeur de chaleur pour détecter les fuites. Cela peut être fait comme suit: du kérosène est versé dans l'appareil, tandis que les coutures sont délimitées à la craie. Les endroits où la craie s'est assombrie indiquent une fuite, ce qui signifie que cet appareil ne peut pas être utilisé pour un système de chauffage à la vapeur.
Pour détourner le chauffage à la vapeur du poêle, vous aurez besoin des composants suivants :
- Batteries chauffantes. Leur nombre doit être égal au nombre de fenêtres dans la pièce.
- échangeur de chaleur
- Tuyaux en cuivre ou galvanisés pour conduites de condensat et de vapeur.
- Vannes d'arrêt (robinets de purge d'air, vannes)
- Raccords de raccordement : coudes, colliers de serrage, raccords.
- Supports pour radiateurs
- obturateur hydraulique
- Unité de réduction-refroidissement, à l'aide de laquelle la vapeur est transférée à l'état liquide.
- Réducteur pour réduire la pression à l'intérieur du système.
- Pompe pour circulation forcée de liquide.
- machine à souder à onduleur
Avant de commencer les travaux, un schéma de raccordement et l'installation des tuyaux sont préalablement développés. Le dessin détermine l'emplacement du four-chaudière, à partir duquel le schéma de câblage avec tous les éléments de connexion nécessaires est ensuite posé. Pour une zone de chauffage pas plus de 80 m². un schéma de raccordement de radiateur monotube convient.Avec cette méthode de connexion, les convecteurs chauffent séquentiellement, le premier d'entre eux est plus fort que les autres. Le schéma à deux tuyaux convient au chauffage des locaux de plus de 80 m². et des maisons à deux étages. Les tuyaux sont connectés aux convecteurs en parallèle. S'il est prévu d'installer un système selon le principe de la circulation naturelle, l'échangeur de chaleur doit être situé sous tous les convecteurs et tuyaux avec un angle d'inclinaison. Cela nécessite l'installation d'une pompe pour une circulation ininterrompue du système de chauffage.
Une fois le schéma élaboré et tous les éléments structurels nécessaires au montage du système de chauffage pris en compte, vous pouvez établir un devis pour l'achat de matériaux et vous mettre au travail.
Une fois le schéma élaboré et tous les éléments structurels nécessaires au montage du système de chauffage pris en compte, vous pouvez établir un devis pour l'achat de matériaux et vous mettre au travail.
Technologie de travail
Il faut garder à l'esprit qu'il est impossible d'installer un système de chauffage à la vapeur sans démonter l'ancien four. Afin d'intégrer un échangeur de chaleur, il est nécessaire de le monter à l'intérieur du four au stade de la pose du four.
Des radiateurs sont disposés sous chaque fenêtre, auxquels sont raccordés des tuyaux d'entrée et de sortie avec une légère pente de 3 mm. Chaque radiateur est fourni avec une vanne de purge d'air.
Chauffage à la vapeur du poêle
Pour sécuriser le système, des vannes d'arrêt sont installées devant chaque convecteur et devant l'ensemble du système dans son ensemble. Au début du système, un réducteur de refroidissement et une vanne de réduction de pression sont également installés. À la fin du système, un réservoir de collecte des condensats est installé avec la même légère pente que les tuyaux.De là, l'eau s'écoule dans l'échangeur de chaleur. Une pompe est installée devant le poêle dans un système à circulation forcée.
Système de circulation naturelle
C'est l'option de chauffage la plus simple qui ne nécessite pas d'investissements financiers importants. La conception et l'installation du système n'impliquent pas de travaux complexes et tous les composants et matériaux sont disponibles. Par conséquent, un tel système de chauffage de l'eau pour une maison privée peut être réalisé indépendamment - une description détaillée est contenue dans les instructions de l'équipement.

Le principe de fonctionnement du chauffage de l'eau à circulation naturelle est extrêmement simple. L'eau chauffée dans la chaudière monte dans la canalisation (cela est dû à la différence de température) et finit par pénétrer dans tous les radiateurs situés autour de la maison. L'eau déjà refroidie est renvoyée à la chaudière. Ainsi, le liquide de refroidissement circule naturellement dans le système de chauffage, sans l'utilisation d'équipements spéciaux.
Pour le câblage, des tuyaux de différents diamètres sont utilisés - le choix dépend des caractéristiques de l'équipement et des radiateurs. Il est impératif d'observer une diminution de la section des tuyaux vers le point extrême du système de chauffage - la dernière batterie.

Le tuyau par lequel l'eau chauffée dans la chaudière est fournie au système est installé de telle manière qu'il y ait une pente maximale vers les batteries. Le point d'entrée vers le générateur de chaleur de retour est rendu aussi bas que possible par rapport aux radiateurs - cela est nécessaire pour une circulation efficace du liquide de refroidissement. A cet effet, une chaudière de chauffage est souvent installée au sous-sol ou au sous-sol.
Le vase d'expansion fait partie intégrante de la structure de circulation naturelle de l'eau.Cet appareil est installé, contrairement à la chaudière, au point le plus élevé de la maison, par exemple dans le grenier. Des réservoirs hydroaccumulateurs sont également parfois utilisés, mais dans ce cas, il est nécessaire d'installer des vannes de sécurité et d'air, des manomètres.
Pour le câblage du système de chauffage, vous pouvez utiliser non seulement des tuyaux en métal, mais également des tuyaux en plastique. Ces derniers sont faciles à installer et le délai d'exécution est réduit.
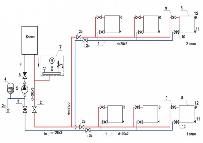
Schéma de passage à deux tuyaux du système de chauffage
Le schéma à deux tuyaux est la plus haute qualité en termes de contrôle. Dans celui-ci, les appareils de chauffage sont connectés à des canalisations en parallèle. Ce principe offre une commodité dans le contrôle de la température, vous permet d'éteindre des appareils individuels pour l'entretien et la réparation.
Une partie du liquide de refroidissement de la conduite d'alimentation pénètre dans le radiateur, la majeure partie se déplace vers les appareils de chauffage suivants. Ce type de tuyauterie est applicable pour les systèmes de chauffage autonomes et centralisés. L'installation de têtes thermostatiques permet d'automatiser entièrement le processus de contrôle du chauffage.
Pourquoi choisir le chauffage vapeur ?
Il faut admettre que les systèmes de chauffage à la vapeur ne peuvent pas être qualifiés de très populaires. Un tel chauffage est plutôt rare. Examinons de plus près ses avantages et ses inconvénients.
Les premiers sont sans aucun doute :
- L'efficacité du système de chauffage. Il est si élevé qu'un petit nombre de radiateurs suffira à chauffer les locaux, et dans certains cas on peut s'en passer : il y aura suffisamment de tuyaux.
- La faible inertie du système, grâce à laquelle le circuit de chauffage se réchauffe très rapidement. Littéralement quelques minutes après le démarrage de la chaudière, la chaleur commence à se faire sentir dans les pièces.
- Il n'y a pratiquement pas de pertes de chaleur dans le système, ce qui le rend très économique par rapport aux autres.
- La possibilité d'utilisation rare, car en raison de la faible quantité d'eau dans les tuyaux, le système ne dégivre pas. En option, il peut être installé dans des maisons de campagne, où ils viennent de temps en temps.
Le principal avantage du chauffage à la vapeur est considéré comme son efficacité. Les coûts initiaux pour son agencement sont assez modestes, pendant son fonctionnement, il nécessite des investissements relativement faibles.
Cependant, même avec autant d'avantages, les inconvénients du système sont très importants. Ils sont principalement liés au fait que la vapeur d'eau est utilisée comme liquide de refroidissement, dont la température est très élevée.
La vapeur d'eau se condense à l'intérieur du radiateur de chauffage à vapeur. Au cours de ce processus, une grande quantité d'énergie thermique est libérée, ce qui explique le haut rendement du système.
De ce fait, tous les éléments du système sont chauffés jusqu'à 100 °C et même plus. Il est clair que tout contact accidentel avec eux provoquera une brûlure. Par conséquent, tous les radiateurs, tuyaux et autres détails structurels doivent être fermés. Surtout s'il y a des enfants dans la maison.
La température élevée des radiateurs et des tuyaux provoque une circulation active de l'air dans la pièce, ce qui est plutôt inconfortable et parfois dangereux, par exemple en cas de réaction allergique à la poussière.
Lors de l'utilisation du chauffage à la vapeur, l'air des pièces devient trop sec. Les tuyaux chauds et les radiateurs l'assèchent. Cela nécessite l'utilisation supplémentaire d'humidificateurs.
Tous les matériaux de finition qui décorent les pièces chauffées de cette manière ne peuvent pas résister à la proximité de radiateurs et de tuyaux chauffés au rouge. Par conséquent, leur choix est très limité.
L'option la plus acceptable dans ce cas est le plâtre de ciment peint avec une peinture résistante à la chaleur. Tout le reste est en question. Le chauffage à la vapeur présente un autre inconvénient qui affecte le confort des personnes vivant dans la maison : le bruit que produit la vapeur passant dans les tuyaux.
Les inconvénients les plus importants comprennent la mauvaise contrôlabilité du système. Le transfert de chaleur de la structure est pratiquement impossible à contrôler, ce qui entraîne une surchauffe des locaux.

Le chauffage à la vapeur est un système potentiellement dangereux, le choix de l'équipement doit donc être traité de manière très responsable. Les tuyaux du système ne doivent être qu'en métal
Il existe des solutions. Le premier est l'installation de l'automatisation, qui allumera la chaudière lorsque les pièces se refroidiront. Dans ce cas, les personnes vivant dans la maison seront très mal à l'aise à cause des fluctuations constantes de température.
Une manière plus "douce", mais chronophage, consiste à aménager plusieurs branches parallèles qu'il faudra mettre en service au fur et à mesure des besoins.
Le principal inconvénient du chauffage à la vapeur, en raison duquel il est peu utilisé, est son risque d'urgence accru. Il faut comprendre qu'en cas de rush, de la vapeur chaude s'échappera d'un tuyau ou d'un radiateur sous pression, ce qui est extrêmement dangereux.
C'est pourquoi de tels systèmes sont désormais interdits dans les immeubles d'habitation et sont rarement utilisés en production. Dans les maisons particulières, ils peuvent être équipés sous la responsabilité personnelle du propriétaire.
Choisir un mode de chauffage pour une maison privée
Dans les conditions de la Russie, de nombreux facteurs influencent le choix:
- conditions climatiques de la région de construction;
- la disponibilité d'un combustible particulier ;
- disponibilité d'unités de chauffage du type requis sur le marché ;
- préférence personnelle du constructeur.
S'il n'y a pas de gazoduc dans la zone de construction, vous pouvez construire un réservoir de gaz et organiser le chauffage avec des appareils à gaz. Mais cela est à condition qu'il y ait une organisation impliquée dans l'installation des équipements et la fourniture de propane-butane pour eux. Le coût de ce type d'approvisionnement en gaz est inférieur à celui de l'utilisation du gaz principal.
Lorsque vous choisissez un type de système, choisissez-en généralement plusieurs. Des interruptions dans l'approvisionnement en carburant sont possibles, il ne devrait pas y avoir de tels problèmes de chauffage. Par conséquent, en parallèle d'une chaudière à gaz ou électrique, des poêles à bois ou des unités à combustible liquide, comme le carburant diesel, sont installés. Dans ce cas, le chauffage est garanti en cas de panne.

Il s'agit d'un dispositif de génération d'énergie thermique. Mais la répartition rationnelle de la chaleur à l'intérieur de la pièce est également importante. Dans une maison privée, le chauffage de l'eau par radiateur est le plus souvent utilisé. Récemment, des dispositifs de chauffage par le sol ont été activement inclus dans de tels systèmes en tant qu'élément auxiliaire.
Les systèmes modernes, en règle générale, sont multi-circuits, avec un contrôle de température séparé dans chacun d'eux. Habituellement, le contrôle automatique du débit de retour est effectué avec le mélange d'eau chaude de la chaudière ou d'eau froide du vase d'expansion pour obtenir le chauffage souhaité du système.
Certaines caractéristiques ont des systèmes de chauffage d'une maison à deux étages. Une hauteur de montée importante du caloporteur permet dans ce cas une circulation spontanée de manière naturelle.Cela vous permet de refuser d'utiliser une pompe de circulation dans les canalisations, et le vase d'expansion peut être installé non pas dans le grenier, mais directement dans la chaufferie.
Ces appareils sont remplis d'une quantité importante d'eau, ils se réchauffent donc lentement. Pour se débarrasser de cet inconvénient, il est recommandé d'utiliser une unité de circulation. Sa puissance n'est pas élevée et, en règle générale, ne dépasse pas 90 W, et elle peut être allumée périodiquement.











































