- Conseils utiles
- Ce qu'il faut pour brancher un moteur triphasé 220 V
- Installation d'équipements supplémentaires
- L'appareil et les caractéristiques du flotteur
- Choisir la bonne unité
- Comment connecter une pompe de circulation à l'électricité - Construction et réparation
- Méthodes de connexion
- Qu'est-ce qu'une pompe de circulation et pourquoi est-elle nécessaire
- Se préparer à se connecter
- Branchement d'un moteur électrique : par où commencer
- Connexion d'une pompe de forage à l'alimentation électrique avec une unité de contrôle (unité d'automatisation)
- Qu'est-ce qu'il est important de savoir ?
- Commutation supplémentaire : nous travaillons avec un démarreur magnétique fonctionnel
- Pourquoi ELM327 ne se connecte-t-il pas à l'ECU ?
- Pour quels véhicules l'ELM327 est-il adapté ?
- Pannes et réparation de l'interrupteur à flotteur
- moteur à carburateur
- Caractéristiques de l'installation de l'équipement
- Avant le premier démarrage.
- Façons d'automatiser les puits d'eau
- Raccordement d'une pompe de forage sans équipement auxiliaire
- Résumons le travail effectué
Conseils utiles
Parfois, un moteur électrique d'une ancienne machine à laver automatique ne peut pas être démarré, et les raisons en sont à la fois mécaniques et électriques.
Les raisons des difficultés de démarrage d'un moteur électrique peuvent se manifester comme suit.
- Lorsqu'il est allumé, le moteur chauffe, mais l'arbre ne tourne pas.Si vous essayez de faire tourner l'arbre à la main, vous pouvez entendre le cliquetis des pièces métalliques. Ce bruit indique que le mécanisme de roulement du moteur électrique est endommagé et doit être retiré et remplacé.
- Parfois, la rotation de l'arbre du moteur électrique peut être difficile si des corps étrangers se sont accumulés dans l'espace entre le stator et le rotor, qui doivent être retirés et le démarrage doit être réessayé.
- Faire sonner tout le circuit électrique avec un multimètre permettra de déceler la présence d'une coupure. Pour les moteurs de type collecteur, le problème de démarrage peut être que les balais sont usés, de sorte qu'ils ne peuvent pas être étroitement liés au collecteur et qu'aucune énergie n'est générée.
Parfois, lors du démarrage d'un moteur électrique à partir de modèles modernes de machines à laver, ils essaient de déterminer l'enroulement de démarrage, mais les nouvelles générations de moteurs électriques ne l'ont pas, et un tel moteur est démarré sans utiliser de condensateur.

Vous trouverez ci-dessous un moyen simple de connecter un moteur de machine à laver sans appareils.
Ce qu'il faut pour brancher un moteur triphasé 220 V
Fait intéressant, en présence de nombreux démarreurs magnétiques différents que j'ai trouvés dans le garage, un problème inattendu a été découvert. Cela consistait en l'absence de boutons de démarrage normaux - seuls des échantillons assez anciens étaient à portée de main. Mais avant tout.
Pour le travail, vous aurez besoin de:
- Le moteur électrique lui-même.
- Deux condensateurs (démarrage et travail).
- Démarreur magnétique de calibre approprié.
- Un deuxième démarreur pour alimenter l'un des condensateurs (s'il y avait un poste de bouton-poussoir plus récent avec deux contacts constamment ouverts, il ne serait pas nécessaire).
- Fils de la section appropriée.
- Poteau de bouton pour 2 points de contrôle.
- Pinces, tournevis, clés.
Après avoir préparé tout ce dont vous avez besoin, mettons-nous au travail.
Installation d'équipements supplémentaires
Quel que soit le type de circuit de chauffage utilisé, où une chaudière sert de producteur de chaleur, il suffira d'installer un seul dispositif de pompage.
Si le système est structurellement plus complexe, il est possible d'utiliser des dispositifs supplémentaires qui assurent une circulation forcée du liquide.

Un exemple de schéma de tuyauterie commun pour une chaudière à combustible solide associée à une chaudière électrique. Ce système de chauffage comporte deux dispositifs de pompage
La nécessité de cela apparaît dans les cas suivants :
- lors du chauffage d'une maison, plusieurs chaudières sont impliquées;
- s'il y a une capacité tampon dans le schéma de strapping ;
- le système de chauffage diverge en plusieurs branches, par exemple, entretien d'une chaudière indirecte, plusieurs étages, etc. ;
- lors de l'utilisation d'un séparateur hydraulique;
- lorsque la longueur du pipeline est supérieure à 80 mètres;
- lors de l'organisation de la circulation de l'eau dans les circuits de chauffage au sol.
Pour réaliser le bon raccordement de plusieurs chaudières fonctionnant avec des combustibles différents, il est nécessaire d'installer des pompes de secours.
Pour un circuit avec un accumulateur de chaleur, il est également nécessaire d'installer une pompe de circulation supplémentaire. Dans ce cas, la ligne se compose de deux circuits - chauffage et chaudière.

Le réservoir tampon sépare le système en deux circuits, bien qu'en pratique il puisse y en avoir plus.
Un schéma de chauffage plus complexe est mis en œuvre dans les grandes maisons sur 2-3 étages. En raison de la ramification du système en plusieurs conduites, les pompes de pompage du liquide de refroidissement sont utilisées à partir de 2 ou plus. Ils sont chargés de fournir le liquide de refroidissement à chacun des étages à divers appareils de chauffage.

Quel que soit le nombre de dispositifs de pompage, ils sont installés sur la dérivation. Hors saison, le système de chauffage peut fonctionner sans pompe, qui est fermée à l'aide de vannes à boisseau sphérique
S'il est prévu d'organiser des planchers chauffants dans la maison, il est conseillé d'installer deux pompes de circulation. Dans le complexe, l'unité de pompage et de mélange est chargée de préparer le liquide de refroidissement, c'est-à-dire de maintenir la température à 30-40 ° C.

Pour s'assurer que la puissance du dispositif de pompage principal est suffisante surmonter la résistance hydraulique locale contours du sol, la longueur de la ligne ne doit pas dépasser 50 m, sinon le chauffage des sols deviendra inégal, respectivement, et les locaux
Dans certains cas, l'installation d'unités de pompage n'est pas du tout nécessaire. De nombreux modèles de générateurs électriques et à gaz muraux ont déjà des dispositifs de circulation intégrés.
L'appareil et les caractéristiques du flotteur
Les flotteurs sur le marché ont presque le même design. Ils consistent en :
- commutateur d'usine;
- levier pour connecter les contacts de l'interrupteur ;
- boule de métal;
- trois fils placés dans un câble.
Les parties internes du flotteur sont protégées par un boîtier en plastique étanche. Il empêche le câblage électrique d'entrer en contact avec l'eau.
Chaque flotteur de la pompe est équipé de trois fils. Le premier est connecté à un contact ouvert normal et le second à un contact fermé. Le troisième fil reste commun à tous.
Parfois, sur le marché, vous pouvez trouver une pompe avec un flotteur équipé de deux fils fins. Lorsque la pompe est éteinte, ils coupent le circuit électrique et le reconnectent lorsque l'utilisateur allume l'équipement de pompage.
Un flotteur à trois fils est universel.Il convient non seulement pour surveiller la marche à sec, mais également pour arrêter l'unité en cas de débordement. La commutation des modes s'y produit entre deux fils connectés et un fil commun.
La pompe à flotteur peut être équipée de fils de différentes couleurs. En règle générale, le fil noir est commun. Grâce au fil bleu, l'équipement s'éteint si le niveau d'eau atteint un niveau critique. Le fil marron est responsable de la régulation de la pompe si l'unité est utilisée pour remplir un réservoir.
Vous pouvez empêcher un débordement accidentel ou l'assèchement de l'équipement en ajustant les fils à l'intérieur du flotteur. Dans ce cas, il convient de garder à l'esprit que la pompe doit être éteinte lorsqu'elle est encore sous la colonne d'eau.
La bille d'acier est responsable de la position du flotteur. Un levier intégré à la conception est nécessaire pour commuter les contacts qui allument et éteignent l'équipement.
Les aimants aident à fixer la balle dans la position souhaitée. Dans ce cas, l'inclinaison qui permet à la balle de se déplacer librement est de 70°. Ce paramètre peut varier en fonction de la modification de l'équipement.
Choisir la bonne unité
Lors du choix d'une pompe, l'attention est portée sur deux paramètres principaux: la force du flux de liquide de refroidissement et la résistance hydraulique qu'elle surmonte lors de la création de pression. Dans le même temps, les caractéristiques de la pompe de circulation achetée doivent être inférieures de 10 à 15% aux valeurs calculées. Si vous installez une pompe puissante dans le système de chauffage, vous pouvez rencontrer le problème de l'augmentation de la consommation d'énergie, du bruit excessif et de l'usure rapide des pièces de l'équipement.
Une pompe de faible puissance ne pourra pas assurer le pompage du liquide de refroidissement dans le volume requis.De nombreux modèles de pompes de circulation modernes sont équipés de régulateurs de vitesse d'arbre moteur électroniques ou manuels. La valeur d'efficacité la plus élevée est atteinte à la vitesse maximale de l'arbre
Si vous installez une pompe puissante dans le système de chauffage, vous pouvez rencontrer le problème de l'augmentation de la consommation d'énergie, du bruit excessif et de l'usure rapide des pièces de l'équipement. Une pompe de faible puissance ne pourra pas assurer le pompage du liquide de refroidissement dans le volume requis. De nombreux modèles de pompes de circulation modernes sont équipés de régulateurs de vitesse d'arbre moteur électroniques ou manuels. La valeur de rendement la plus élevée est atteinte à la vitesse maximale de l'arbre.
Les vannes thermiques, installées dans de nombreux systèmes de chauffage, régulent la température dans la pièce en fonction des paramètres définis. La vanne se ferme lorsque la température augmente. Cela augmente la résistance hydraulique et, par conséquent, augmente la pression. Ces processus s'accompagnent de l'apparition de bruit, qui peut être éliminé en basculant la pompe à basse vitesse. Les pompes avec électronique intégrée capables de réguler en douceur les chutes de pression en fonction des variations de la quantité d'eau s'acquittent plus efficacement de cette tâche.
Comment connecter une pompe de circulation à l'électricité - Construction et réparation

La pompe de circulation est un élément important des systèmes de chauffage modernes. Il est nécessaire à la circulation forcée de l'eau dans le système de chauffage, ce qui vous permet d'économiser jusqu'à 30% sur le chauffage des maisons et des chalets privés.
L'économie réside dans le fait que le liquide de refroidissement passe rapidement à travers les tuyaux, ce qui fait que l'eau ne se refroidit pas aussi rapidement et, par conséquent, il n'est pas nécessaire de la chauffer beaucoup. Cet article traite de la connexion correcte de la pompe de circulation au réseau.
Des schémas et des instructions vidéo vous aideront à effectuer le câblage sans erreur !
Méthodes de connexion
Connexion au secteur à l'aide d'une fiche et d'une prise. Cette méthode consiste à installer une prise électrique à proximité de l'endroit où la pompe de circulation est montée. Parfois ils peuvent être fournis avec un câble branché et une prise inclus, comme sur la photo :
Dans ce cas, vous pouvez simplement brancher l'appareil sur le secteur à l'aide de la prise située à portée du câble. Vous devez juste vous assurer qu'il y a un troisième contact de mise à la terre dans la prise.
En l'absence de cordon avec prise, ils doivent être achetés en complément, ou retirés d'un appareil électrique non utilisé
Vous devez faire attention à la section des conducteurs du cordon. Elle doit être comprise entre 1,5 mm 2 et 2,5 mm 2
Les fils doivent être en cuivre toronné, offrant une résistance aux flexions répétées. Un cordon avec une prise pour connecter des appareils électriques au réseau est illustré sur la photo ci-dessous:
Avant de connecter la pompe de circulation, il est nécessaire de savoir lequel des trois fils du cordon est connecté au contact de mise à la terre de la fiche. Cela peut être fait avec un ohmmètre, tout en vérifiant l'intégrité des fils restants.
On dévisse la pince du manchon de câble (sur la première photo c'est un écrou en plastique dans lequel le câble est inséré), on le met sur notre cordon, on met le cordon dans le manchon. S'il y a un serre-câble à l'intérieur de la boîte, nous y passons le cordon.Nous connectons les extrémités des fils du cordon, préalablement dénudés, aux bornes.
Aux bornes L et N, vous devez connecter les fils connectés aux fiches de la prise (n'ayez pas peur de les mélanger, ce n'est pas critique), à la borne PE, vous devez connecter le fil du contact de terre du plug (mais vous ne pouvez pas vous tromper ici).
L'instruction jointe au produit interdit son fonctionnement sans mise à la terre de protection. Ensuite, serrez la pince (le cas échéant), serrez fermement la pince du presse-étoupe, enterrez couvercle de boîte à bornes.
La pompe est prête à être raccordée au secteur.
Connexion fixe. Le schéma de raccordement de la pompe de circulation au réseau avec mise à la terre est fourni ci-dessous :
Les exigences relatives à la section des fils sont les mêmes que dans la version précédente. Le câble pour cette installation peut être utilisé à la fois flexible et rigide, en cuivre, de marque VVG. ou aluminium, AVVG. Si le câble est rigide, l'installation doit assurer son immobilité. Pour ce faire, le câble tout au long du parcours est fixé avec des pinces.
Dans ce mode de réalisation, un dispositif à courant résiduel (disjoncteur différentiel) est utilisé. Au lieu de cela, vous pouvez utiliser une machine unipolaire conventionnelle, en y faisant passer uniquement le fil de phase.
Si la machine est installée dans un panneau avec un bus PE, le câble de la pompe à la machine doit être à trois conducteurs. En l'absence d'un tel bus, la borne PE doit être connectée à un dispositif de mise à la terre.
Une telle connexion peut être réalisée avec un fil séparé.
Séparément, je voudrais envisager une telle option d'installation comme la connexion de la pompe à l'onduleur. Il est le plus préférable et assure l'indépendance du fonctionnement du système de chauffage des pannes de courant. Schéma de raccordement de la pompe de circulation à Alimentation sans interruption ci-dessous:
La puissance de l'onduleur doit être sélectionnée en fonction de la puissance du moteur de la pompe.
La capacité de la batterie est déterminée par le temps d'alimentation autonome estimé de la pompe de circulation, c'est-à-dire le moment où l'alimentation est coupée.
Enfin, nous vous recommandons de regarder les instructions vidéo pour connecter différents modèles de pompes au réseau électrique :
Schéma de raccordement de la pompe de circulation au thermostat
Nous avons donc examiné comment la pompe de circulation est correctement connectée au réseau. Le schéma et les exemples vidéo ont permis de consolider le matériel et de bien voir les nuances de l'installation !
Il sera utile de lire :
Schéma de raccordement de la pompe de circulation au thermostat
Qu'est-ce qu'une pompe de circulation et pourquoi est-elle nécessaire
Une pompe de circulation est un dispositif qui modifie la vitesse de déplacement d'un milieu liquide sans modifier la pression. Dans les systèmes de chauffage, il est placé pour un chauffage plus efficace. Dans les systèmes à circulation forcée, c'est un élément indispensable, dans les systèmes gravitationnels, il peut être réglé s'il est nécessaire d'augmenter la puissance thermique. L'installation d'une pompe de circulation à plusieurs vitesses permet de modifier la quantité de chaleur transférée en fonction de la température extérieure, maintenant ainsi une température stable dans la pièce.

Pompe de circulation à rotor noyé en coupe
Il existe deux types de telles unités - avec un rotor sec et humide. Les appareils à rotor sec ont un rendement élevé (environ 80%), mais ils sont très bruyants et nécessitent un entretien régulier. Les unités à rotor humide fonctionnent presque silencieusement, avec une qualité de liquide de refroidissement normale, elles peuvent pomper de l'eau sans panne pendant plus de 10 ans.Ils ont un rendement inférieur (environ 50%), mais leurs caractéristiques sont plus que suffisantes pour chauffer n'importe quelle maison privée.
Se préparer à se connecter
Avant de vous connecter, vous devez vous assurer que le modèle de convertisseur correspond à celui de conception et que toutes les caractéristiques du contrôleur de fréquence correspondent aux paramètres du moteur électrique. De plus, la tension dans le réseau d'alimentation ne doit pas être inférieure ou supérieure à la tension nominale du convertisseur de fréquence. Ensuite, choisissez un endroit pour placer le convertisseur. Il doit satisfaire aux conditions suivantes :
- La classe de protection du boîtier contre l'humidité et la poussière doit correspondre à l'emplacement du variateur de fréquence. La plupart des appareils sont classés IP20 et conçus pour être installés dans des locaux à faible humidité, des armoires électriques ventilées, des tableaux de commande de variateurs. Chastotniki IP54 et IP65 peuvent être installés dans des zones ouvertes à proximité des moteurs. Cette règle s'applique également aux panneaux de commande externes, qui sont équipés de convertisseurs de fréquence de nombreux fabricants.
- Lors du montage dans des armoires, il est nécessaire de prévoir la distance nécessaire par rapport aux murs et entre les autres variateurs de fréquence et les dispositifs d'automatisation qui chauffent pendant le fonctionnement. La distance dépend de la puissance des appareils électriques. La puissance des ventilateurs doit correspondre au nombre de convertisseurs de fréquence et autres appareils électriques et appareils placés dans une armoire afin d'assurer une dissipation thermique suffisante.
- Le contrôleur de fréquence est installé à une distance suffisante des sources d'un champ électromagnétique puissant, de fortes vibrations. Si cette condition ne peut être remplie, les appareils sont installés dans des armoires de blindage sur des supports antivibratoires.L'appareil est monté sur une surface plane en matériau incombustible, dans un endroit où l'exposition à la lumière directe du soleil est exclue.
- La version climatique du convertisseur de fréquence doit également correspondre à la plage de température, à l'altitude, à l'humidité et aux autres conditions de fonctionnement.
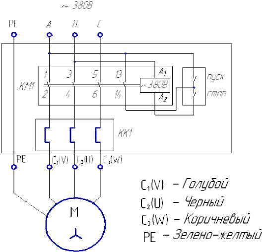
Branchement d'un moteur électrique : par où commencer
Cette étape ne sera pas difficile. Les deux premiers contacts du moteur électrique sont reliés aux bornes "C1" et "C2" à l'aide d'un fil (dans mon cas, des fils d'une section de 4 mm² ont été utilisés). Cependant, si le premier contact du moteur est immédiatement serré fermement, le deuxième écrou ne doit pas encore être vissé.
Début de connexion - les deux premiers fils sont en place
Du fait que ce moteur nécessite une tension de 380 V, nous devons prévoir un déphasage. Ceci est réalisé en connectant un condensateur de marche. Dans mon cas, sa capacité est de 20 microfarads, ce qui est largement suffisant. Il est connecté aux deuxième et troisième contacts du moteur électrique. Ainsi, la tension du troisième enroulement traversera le condensateur, ce qui créera le déphasage nécessaire. De plus, l'un des fils du condensateur de démarrage est connecté au troisième contact (phase C).
Contacts des enroulements du moteur des phases B et C. Aucune autre connexion ne sera établie ici
Nous ne connectons pas encore le deuxième fil du condensateur de démarrage, dont la capacité est de 50 uF - il sera commuté via un autre démarreur magnétique de puissance inférieure.
Précautions concernant les condensateurs
Lorsque vous effectuez un tel travail, vous devez être prudent. Le fait est que les condensateurs peuvent être chargés.Cela conduira à un choc électrique inoffensif, mais très désagréable. Dans notre cas, des éléments avec une tension de 400 V sont utilisés - une telle décharge à court terme peut être obtenue. Pour éviter de tels problèmes, il est nécessaire de connecter les contacts des condensateurs ensemble. S'il reste de la tension, une étincelle se glissera, un clic se fera entendre, après quoi vous pourrez travailler avec l'élément sans craindre un choc électrique.
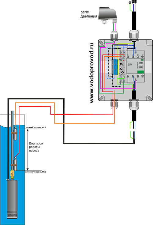
Connexion d'une pompe de forage à l'alimentation électrique avec une unité de contrôle (unité d'automatisation)
La connexion directe de la pompe entraîne une défaillance rapide de la pompe. La cause principale du dysfonctionnement est le fonctionnement inactif de la pompe lorsque le niveau d'eau baisse.
Pour les systèmes d'alimentation en eau simples, la meilleure option consiste à inclure des unités d'automatisation prêtes à l'emploi (usine) dans le schéma d'alimentation en eau (exemple sur la photo). Parfois, ces unités sont appelées stations de commande de pompes submersibles. Parfois un contrôleur hydraulique. Ils sont nécessaires :
- Pour un démarrage et un arrêt progressifs de la pompe ;
- Pour le maintien automatique de la pression ;
- Protection de la pompe contre le "pompage à sec", sans eau ;
- Protection de la pompe contre les surtensions ;
- Protection contre le manque d'apport d'eau;
- Protection contre les surcharges du réseau.
Les modèles de bloc sont différents et l'ensemble des fonctions répertoriées peut changer. L'unité de commande automatique pour une pompe de forage est un appareil nécessaire, et pour cette raison, des entreprises réputées l'incluent dans l'ensemble de la pompe, souvent avec des fonctionnalités limitées.
En apparence, l'unité d'automatisation (contrôleur hydraulique) est assez compacte. La connexion est également simple, et un circuit électrique simple d'une pompe de forage avec une unité de commande peut être représenté comme suit.
Cependant, pour un fonctionnement plus long de l'unité d'automatisation, il est préférable de considérer le schéma de connexion via un contacteur.Le contrôleur assurera l'activation simultanée de l'unité d'automatisation avec la pompe submersible.
Qu'est-ce qu'il est important de savoir ?
Le schéma de câblage et les méthodes de connexion d'un appareil tel qu'une pompe de circulation à l'électricité peuvent avoir différentes versions. Le choix d'une option particulière est déterminé par les caractéristiques objet chauffé, ainsi que l'endroit où se trouve l'appareil. Il y a deux possibilités pour le connecter :
- raccordement direct au secteur 220 V ;
- raccordement à une alimentation sans interruption, elle-même connectée à un réseau 220 V ou 220/380 V (dans le cas d'une ASI triphasée).
En choisissant la première méthode, le consommateur court le risque de se retrouver sans chauffage en cas de longue panne de courant. Cette option ne peut être considérée comme justifiée qu'avec un degré élevé de fiabilité de l'alimentation électrique, ce qui réduit au minimum la probabilité d'une longue panne de courant, et également s'il existe une source d'énergie électrique de secours dans l'installation. La deuxième méthode est préférable, bien qu'elle nécessite des coûts supplémentaires.
C'est intéressant : Connexion correcte du générateur à la maison - étapes de connexion
Commutation supplémentaire : nous travaillons avec un démarreur magnétique fonctionnel
Ici, nous connectons également les fils d'alimentation - ils proviennent de la machine d'introduction. Dans ce cas, le fil de phase est connecté au contact "L1" du démarreur de travail et le fil zéro (neutre) à "L2". "L3" ne sera pas activé en raison de l'absence d'un système triphasé.
Raccordement des fils d'alimentation au démarreur magnétique
Connectez immédiatement l'un des côtés de la bobine de l'électroaimant, sans laquelle le démarreur ne peut pas fonctionner
Lors du choix de l'équipement, vous devez porter une attention particulière à sa tension de fonctionnement. Il peut être 220 ou 380 V
Dans ce dernier cas, le démarreur ne fonctionnera pas. Ici, la connexion est établie en installant un cavalier entre le contact du fil neutre et la borne de la bobine.
Réglage du cavalier de la borne d'alimentation à la bobine
Pourquoi ELM327 ne se connecte-t-il pas à l'ECU ?
Les principales raisons pour lesquelles l'utilisateur ne peut pas connecter le mini-scanner Bluetooth ELM327 à une voiture (OBD2) :
- Un adaptateur de mauvaise qualité ou défectueux est utilisé. Si l'appareil ne fonctionne pas et ne trouve pas de smartphone, le problème peut être une carte défectueuse ou des dommages pendant le fonctionnement.
- Pour se connecter via USB, un câble défectueux ou endommagé est utilisé qui ne se connecte pas et ne communique pas avec l'appareil Android. Si Mini Elm Bluetooth "ne voit pas" la sortie de diagnostic OBD 2, vous devez vérifier l'intégrité du câble et vous assurer que l'isolation n'est pas endommagée.
- Le firmware est "perdu" ou obsolète. Si la version du logiciel ne correspond pas au micrologiciel du programme utilisé pour la vérification, l'équipement non seulement ne voit pas les anciens, mais ne recherche pas non plus de nouveaux appareils.
Pour quels véhicules l'ELM327 est-il adapté ?
Le fonctionnement des adaptateurs de voiture EML327 YUSB est possible sur certains modèles de voiture :
- Chevrolet Niva;
- VAZ 2105, 2107, 2110, 2114, 111740, Kalina;
- Patriote UAZ ;
- Lada Granta, Priora;
- TAGAZ ;
- GAZ 31105, 2217 ;
- Acura Integra, RSX, 2.3 DCI;
- Alfa Romeo 166, 147, Araignée ;
- Audi A4, A6, TT ;
- BMW 316, 318, E46, 325, 328, E90, 520, 540, 740, 760, X3, X5, Z3, 320, 530, X6 ;
- Buick LeSabre, Rendez-vous;
- BYD F3 ;
- Chevrolet Astro, Avalans, Camaro, Cavalier, Captiva, Colorado, Corse, Impala, Lacetti, C10, Silverado, TrailBlazer, Ventur, Starcraft ;
- Cherie Amulet, A13;
- Chrysler Cirrus, Cruiser, Grand Voyager, Interpid, Sebring ;
- Citroën C2, C3, C5, Cxo, Xsara, Picasso ;
- Daihatsu ;
- Daewoo Lanos, Matiz, Nexia ;
- Dodge Caravan, Dakota, Interpid, Néon, Ram ;
- Fiat Doblo, Punto, Marea, Stilo ;
- Ford Crown, E350, Escape, Escort, Explorer, Fiesta, Focus, Fusion, Maverick, Mondeo, Mustang, Prob, Ranger, S-Mac, Scorpio, Taurus, Windstar, Galaxy, T280, Transit, Tourneo;
- GCM ;
- Honda Accord, Civic, CR-v, R-v, Fit, Element, Odyssey, Passport, Prelude ;
- Hyundai Accent, Elantra, Getz, Matrix, I20, Tiburon, Solaris, Santa Fe, Grand Stareh ;
- Infiniti ;
- Isuzu ;
- Jaguar;
- Jeep Cherokee, Grand Cherokee, Wrangler;
- Kia cerate, Rio, Spectra, Sedona, Sorento, Soul, Carnival, Bongo ;
- Lexus;
- Mazda Demio, 3, 323, 6, CX7, MX-5, RX-8, Xedos ;
- Mercedes ;
- Mitsubishi Montero Sport, Carisma, Galant, Diamond, Colt, Eclipse, Lancer, Outlander, Space, Pajero;
- Nissan Altima, Almera, Beetle, Maxima, Murano, Pathfinder, Primera, Sentra, Vingroad, Tiida, Note, Navarre ;
- Opel Astra, Corsa, Zafira, Vectra, Oméga, Vivaro ;
- Peugeot 206, 307, 308, 406 ;
- Pontiac;
- Porsche ;
- Renault Logan, Duster, Megan, Safran, Sandero, Twingo, Clio, Espace, Laguna, Scenic, Traffic, RX-4 ;
- Saab 9-5, 900 ;
- Saturne;
- Seat Tolède, Leon, Ibiza, Cordoue, Tolède ;
- Skoda Felicia, Octavia, Fabia;
- Intelligent;
- Ssang Yong ;
- Subaru Forester, Impreza, Héritage, Outback ;
- Suzuki Igniz, Vitara, Wagon ;
- Toyota Auris, Avensis, Avalon, Camry, Karina, Crown, Corolla, Matrix, Land Cruiser, Rav4, Vista ;
- Volkswagen Golf, Jetta, Passat, Polo, Santana, Rabbit, Touareg, Caddy, Tuaran, Tiguan, Transporter;
- Volvo 960, S40, S60, S70, S90, V40, V70, XC70, XC90.
Pannes et réparation de l'interrupteur à flotteur
Il existe certaines des défaillances de flotteur les plus courantes.Ils peuvent être éliminés de vos propres mains, mais pour cela, vous devez agir strictement dans l'ordre spécifié.
L'interrupteur à flotteur fonctionne sur le principe de l'effet de levier. Il est responsable de la connexion des bornes, grâce auxquelles le moteur de la pompe est alimenté, et de leur séparation. Dans certains cas, la rouille et la saleté s'accumulent à l'intérieur du plan où les bornes se touchent. Pour cette raison, le flotteur fonctionne d'abord avec des gouttes, puis s'arrête complètement de fonctionner. Pour éliminer la panne, vous devrez le démonter et le nettoyer soigneusement sans toucher les fils.
Pour éviter le colmatage à l'avenir, vous devez étudier le but de la pompe et de son flotteur. L'équipement de pompage d'eau potable propre ne doit pas être utilisé pour manipuler des liquides contaminés.
Parfois, l'appareil cesse de fonctionner en raison d'une rupture du fil le reliant à la pompe elle-même. Vous pouvez vérifier cela en connectant un deuxième fil en parallèle. Si après cela l'équipement a commencé à fonctionner, l'ancien fil devra être retiré, en installant un nouveau à la place.
moteur à carburateur
Tout d'abord, quelques mots sur la pompe à essence mécanique bien connue. Il pompe le carburant dans les voitures équipées d'un carburateur. L'élément clé est le diaphragme, qui monte et descend pour acheminer le carburant du réservoir au carburateur. La conception prévoit un système de soupapes, grâce auquel l'injection d'essence est assurée et son retour dans la conduite de carburant est empêché.
Le mouvement des pièces mécaniques s'effectue directement à partir du moteur lui-même, pour cela, là où se trouve la pompe à essence, son entraînement est prévu dans le bloc-cylindres. L'injection de carburant peut être effectuée manuellement, à l'aide du levier fourni. La pompe ne nécessite pas de système de lubrification indépendant, car elle est incluse dans la ligne commune avec le moteur.

Caractéristiques de l'installation de l'équipement
Il existe deux options de montage de la pompe :
- Le dispositif d'auto-amorçage est monté à côté de la source d'eau. Un tuyau submersible spécial est abaissé dans l'eau à une extrémité et attaché à la pompe avec l'autre.
- Le dispositif submersible est fixé au tuyau. S'il s'agit d'un tuyau flexible, un ajout aux attaches peut être un câble, qui est attaché à une extrémité à la pompe, la seconde à tout élément stable avec un puits. Une option de montage flexible est préférable, car elle vous permet d'ajuster la profondeur d'immersion de l'unité. La pompe est complètement immergée dans l'eau. La plupart de ces appareils ne tolèrent pas le fonctionnement à sec. Par conséquent, il vaut toujours la peine de surveiller le niveau dans le puits ou d'acheter une pompe avec un interrupteur à flotteur qui protégera l'appareil en cas de manque ou de niveau d'eau extrêmement bas.
Il est recommandé d'installer un clapet anti-retour sur le tuyau lui-même, ce qui maintiendra l'eau dans le système.
L'algorithme d'installation de l'équipement submersible comprend combien de points :
- Tous les tuyaux sont installés. Si la pompe doit être installée sur un tuyau rigide, il est recommandé de placer un petit morceau de tuyau flexible entre celle-ci et le canal principal pour amener l'eau dans la maison, ce qui amortira les vibrations du moteur.
- Sont raccordés à l'appareil : - un câble, - un fil électrique, - un tuyau.
- La pompe est abaissée en douceur au fond du puits.
- Lorsque l'unité touche le fond, toute la structure doit être élevée à une hauteur d'un demi-mètre à un mètre du point de contact.
- Le câble doit être solidement fixé, le fil connecté au réseau, le tuyau connecté au reste du système et posé dans les canaux de fixation.
- Il est recommandé de prévoir un couvercle pour le trou supérieur du puits, afin d'empêcher les corps étrangers et la saleté de pénétrer dans le système.
Le raccordement électrique doit être effectué uniquement sur une source mise à la terre à l'aide d'un disjoncteur selon le schéma suivant :

Schéma de connexion électrique de la pompe de forage
Lors de l'installation de la pompe, vous aurez peut-être besoin de bagues en métal-fluoroplastique, leurs options peuvent être consultées ici
Avant le premier démarrage.
Avant la première mise en marche, vous devez soit immerger le moteur dans l'eau s'il est submersible, soit le remplir d'eau s'il est de surface. Cette information n'est pas liée au sujet de l'article en cours. Peut-être en parlerai-je dans un autre article.
Si nous avons tout vérifié et préparé, nous basculons l'interrupteur et le moteur commence à fonctionner. Cela signifie que nous avons tout connecté correctement !.
Nous courons vers la pompe et regardons avec impatience la pression monter. Nous avons un manomètre pour cela. Supposons qu'elle ait atteint 1,5 atmosphère et que la pompe se soit éteinte. Hourra ! Tout fonctionne. Il ne reste plus qu'à régler le relais sur la pression souhaitée. Mais avant cela, nous ouvrons l'eau dans les toilettes (nous crions à l'un de nos proches, ou appelons si la maison est grande) et regardons comment la pression commence à baisser. Supposons qu'il tombe à 1 atmosphère et que la pompe se mette en marche. Oui! Tout fonctionne vraiment.
Façons d'automatiser les puits d'eau
Le moyen le plus simple et le moins cher d'automatiser les puits est de les installer sur un régulateur de pression mécanique.Si la pression créée par l'eau est trop basse, les contacts de l'équipement de pompage sont fermés, puis il est allumé. Après avoir coupé l'alimentation en eau, le robinet doit être fermé et le niveau de pression doit être augmenté.
L'installation d'un pressostat équipé d'un manomètre s'effectue en tout point du système de pompage, dont l'inconvénient est l'absence de protection contre la "marche à sec". Le pressostat fournit de l'électricité à l'équipement si la pression commence à chuter. La pompe continuera à fonctionner jusqu'à ce que tout le système tombe en panne. Son fonctionnement doit être régulé, par conséquent, un accumulateur hydraulique est intégré au système, qui remplit les fonctions suivantes :
- prévention des allumages fréquents de la pompe ;
- prendre en charge le coup de bélier qui se produit en cas de fermeture brutale de la grue.
Un accumulateur hydraulique est un réservoir pour la fabrication duquel on utilise du métal ferreux ou de l'acier inoxydable. L'appareil peut être peint en bleu. La capacité de l'appareil est de 5 à 500 litres. Le nombre d'enclenchements du système de pompage dépend du volume du réservoir.
L'installation d'une unité d'automatisation de puits est un autre moyen de contrôler le fonctionnement de la pompe. Ces systèmes sont avancés, leur coût est donc 10 à 15 fois supérieur au prix d'un simple relais. Le système d'automatisation doit inclure les éléments suivants :
- Affichage LCD;
- protection contre la marche à sec ;
- protection contre le blocage de la pompe ;
- démarrage automatique ;
- accumulateur hydraulique.
Le type le plus cher automatisation de fond pompes est considéré comme un convertisseur de fréquence. Il délivre la fréquence nécessaire pour maintenir la pression dans le système de pompage. Il ne devient opérationnel qu'après avoir ouvert le 2ème robinet et augmenté le débit d'eau.
Lors de l'utilisation de convertisseurs de fréquence, la vitesse minimale du moteur est utilisée. C'est 20-30% de la valeur nominale, ce qui est indiqué dans la documentation technique de l'appareil. Si l'exigence n'est pas remplie, l'appareil peut tomber en panne.
Raccordement d'une pompe de forage sans équipement auxiliaire
Sans unité de commande, unité d'automatisation et autres équipements auxiliaires, le câble d'alimentation de la pompe est connecté à une prise électrique préinstallée avec un contact de mise à la terre.
La mise à la terre de la pompe de forage (submersible) est obligatoire. Pour une connexion directe à la terre, le GZSH (bus de terre principal) de la maison est utilisé, qui à son tour est connecté à la boucle de terre existante de la maison.
Un câble électrique avec un fil de terre est utilisé pour alimenter la prise de la pompe. La tension d'alimentation de la pompe submersible est de 220 volts.
Pour alimenter la pompe, vous devez sélectionner un groupe électrique séparé et protéger ce groupe avec un disjoncteur. Le calibre du disjoncteur est calculé à partir de la puissance électrique de la pompe. Donc pour pompes jusqu'à 3000 W vous avez besoin d'un disjoncteur de 10 ampères, pour les pompes de puissance supérieure, vous aurez besoin d'un disjoncteur de 16 ampères.
Important! Cette connexion ne peut pas être considérée comme correcte. Il ne montre que le principe général de connexion d'une pompe de puits
Le manque d'automatisation dans le contrôle du fonctionnement de la pompe entraînera ses dysfonctionnements lors de la disparition de l'eau (marche à sec) dans le système d'alimentation.
Ceci est intéressant : un système de chauffage par rayonnement convient-il à chauffer une maison à un étage: expliquer en détail
Résumons le travail effectué
Si vous disposez des composants nécessaires pour assembler un tel circuit, cette option de connexion mérite votre attention. Cela s'applique même à ceux qui n'utiliseront la machine que pour affûter ou redresser des couteaux 2 à 3 fois par an. Après tout, cela ne nécessite pas de frais, et parfois cela peut être simplement nécessaire. J'espère vraiment que ce que j'ai dit aujourd'hui sera utile à tous les lecteurs de cette ressource.
Les éditeurs d'Homius invitent les artisans de la maison et les artisans à devenir co-auteurs de la rubrique Histoires. Des histoires utiles de la première personne seront publiées sur les pages de notre magazine en ligne.
Histoires précédentes Comment fabriquer un miroir lumineux extraordinaire : l'expérience Homius Reader
HISTOIRES suivantes ballons à faire soi-même Sans investissement supplémentaire : l'expérience Homius Reader















![Le câble réseau n'est pas correctement connecté ou peut être endommagé [Résolu]](https://fixit.tomathouse.com/wp-content/uploads/a/1/9/a1934d49429207ce4d7d7df629243aaa.jpeg)

















![Le câble réseau n'est pas correctement connecté ou peut être endommagé [Résolu]](https://fixit.tomathouse.com/wp-content/uploads/c/2/e/c2e87c5d482c29a73a76abb1823cfddd.jpeg)










