Relais temporisé : principe de fonctionnement, schéma de raccordement et préconisations de réglage

Relais temporisé à faire soi-même - comment l'assembler soi-même

Classification et pourquoi vous avez besoin d'un relais

Étant donné que les relais sont des dispositifs de commutation très fiables, il n'est pas surprenant qu'ils soient largement utilisés dans divers domaines de l'activité humaine. Ils sont utilisés dans l'industrie pour automatiser les processus de travail, ainsi que dans la vie quotidienne dans une grande variété d'appareils, par exemple dans les réfrigérateurs et les machines à laver habituels.

Relais temporisé : principe de fonctionnement, schéma de raccordement et préconisations de réglageLa variété des types de relais est très grande et chacun est conçu pour effectuer une tâche spécifique.

Les relais ont une classification complexe et sont divisés en plusieurs groupes :

Par périmètre :

  • gestion de systèmes électriques et électroniques;
  • protection des systèmes ;
  • automatisation des systèmes.

Selon le principe d'action:

  • thermique;
  • électromagnétique;
  • magnétolectique;
  • semi-conducteur;
  • induction.

Selon le paramètre entrant, provoquant le fonctionnement du KU :

  • du courant ;
  • de tension;
  • du pouvoir;
  • à partir de la fréquence.

Selon le principe d'influence sur la partie commande de l'appareil :

  • Contactez;
  • sans contact.

Relais temporisé : principe de fonctionnement, schéma de raccordement et préconisations de réglageLa photo (entourée de rouge) montre où se trouve l'un des relais dans la machine à laver

Selon le type et la classification, les relais sont utilisés dans les appareils électroménagers, les voitures, les trains, les machines-outils, l'informatique, etc. Cependant, le plus souvent, ce type de dispositif de commutation est utilisé pour contrôler des courants importants.

protection

La plupart des fabricants recommandent des fusibles à action rapide comme protection.
Ceci est nécessaire pour qu'en cas de surcharge ou de court-circuit de la charge, il n'y ait pas de panne du SSR.

Cependant, comme le coût de ces fusibles est comparable au coût du SSR lui-même,
il existe une option pour installer des disjoncteurs au lieu de fusibles.
De plus, les fabricants recommandent uniquement des disjoncteurs avec une caractéristique temps-courant de type "B".

Pour expliquer le principe de protection, considérons les graphiques bien connus des caractéristiques temps-courant des disjoncteurs:

Relais temporisé : principe de fonctionnement, schéma de raccordement et préconisations de réglage

On peut voir sur le graphique que lorsque courant du disjoncteur avec caractéristique "B"
plus de 5 fois son temps de désactivation - environ 10 ms (une demi-période de tension avec une fréquence de 50 Hz).

On peut en déduire que pour avoir une grande chance de maintenir les performances du SSR en cas de court-circuit,
vous devez utiliser des disjoncteurs avec la caractéristique "B".
Dans ce cas, il est nécessaire de calculer les courants de la charge et du disjoncteur en conséquence, en fonction du courant maximum du relais statique.

Portée des appareils

Les minuteries sont utilisées dans de nombreux appareils entourant l'homme moderne.Souvent, dans la vie, il est nécessaire d'automatiser les cycles de démarrage et d'arrêt de divers équipements.

Le schéma de connexion du relais temporisé est si simple qu'il permet d'utiliser un tel contrôleur de fonctionnement dans une large gamme d'équipements domestiques et industriels, en démarrant ou en éteignant l'équipement après certaines périodes. Des exemples d'utilisation sont les machines à laver, les fours à micro-ondes, les machines-outils, les feux de circulation, l'éclairage public, les systèmes d'irrigation et les commandes de chauffage domestique. Relais horaire moderne

Les relais temporisés sont utilisés depuis si longtemps que même les informations sur le premier ingénieur qui a introduit de telles fonctions dans son équipement n'ont pu être trouvées. La première mention et tentative de séparer les systèmes de contrôle du temps de travail selon le principe de fonctionnement a été faite en 1958, dans le livre de V. Bolshov "Electronic Time Relays".

Il est significatif que même alors, la nécessité d'un démarrage et d'un arrêt périodiques de l'équipement ait été tenue pour acquise. Le livre suggérait de diviser les minuteries en horaires, aériennes, électroniques et électromagnétiques, selon le type de mécanisme de fonctionnement. Relais temporisés utilisés en URSS

Dans la vie moderne, les minuteries qui éteignent et contrôlent la puissance des équipements, et c'est un autre nom pour un tel appareil, sont utilisées partout, à la fois pour contrôler les processus de production et l'électronique grand public.

Les relais temporisés sont particulièrement importants dans les systèmes de maison intelligente, dans lesquels ils mesurent des intervalles de temps et contrôlent certains processus. L'exemple le plus simple est l'éclairage automatique dans les entrées des bâtiments résidentiels. Le capteur, lorsqu'un mouvement est détecté, donne un signal pour démarrer la minuterie, qui allume l'éclairage. S'il n'y a pas de signal du capteur pendant une longue période, le relais temporisé est activé et la lumière s'éteint.L'un des schémas de connexion d'un relais temporisé à l'éclairage d'entrée

C'est intéressant: déclencheur shunt ou relais de tension - quel est le meilleur choix

La minuterie 12V la plus simple à la maison

La solution la plus simple est un relais temporisé 12 volts. Un tel relais peut être alimenté à partir d'une alimentation 12v standard, dont il existe de nombreux vendus dans divers magasins.

La figure ci-dessous montre un schéma d'un dispositif d'allumage et d'extinction du réseau d'éclairage, monté sur un compteur de type intégral K561IE16.

Image. Une variante du circuit de relais 12v, lorsque l'alimentation est appliquée, il allume la charge pendant 3 minutes.

Ce circuit est intéressant en ce que la LED clignotante VD1 agit comme un générateur d'impulsions d'horloge. Sa fréquence de scintillement est de 1,4 Hz. Si la LED d'une marque particulière est introuvable, vous pouvez en utiliser une similaire.

Lire aussi :  Examen du système split Centek CT-65A09 : des économies raisonnables ou de l'argent perdu ?

Considérez l'état de fonctionnement initial, au moment de l'alimentation 12v. Au moment initial, le condensateur C1 est complètement chargé à travers la résistance R2. Log.1 apparaît sur la sortie sous le n°11, rendant cet élément nul.

Le transistor connecté à la sortie du compteur intégré s'ouvre et fournit une tension de 12V à la bobine du relais, à travers les contacts de puissance dont le circuit de commutation de charge se ferme.

L'autre principe de fonctionnement du circuit fonctionnant sous une tension de 12V est de lire les impulsions provenant de l'indicateur VD1 avec une fréquence de 1,4 Hz sur la broche n°10 du compteur DD1. A chaque diminution du niveau du signal entrant, il y a, pour ainsi dire, une augmentation de la valeur de l'élément de comptage.

Lorsqu'une impulsion 256 arrive (cela équivaut à 183 secondes ou 3 minutes), un journal apparaît sur la broche n° 12. 1. Un tel signal est une commande pour fermer le transistor VT1 et interrompre le circuit de connexion de charge via le système de contact de relais.

Dans le même temps, log.1 de la sortie sous le n ° 12 est transmis via la diode VD2 à la jambe d'horloge C de l'élément DD1. Ce signal bloque la possibilité de recevoir des impulsions d'horloge à l'avenir, la minuterie ne fonctionnera plus, jusqu'à ce que l'alimentation 12V soit réinitialisée.

Les paramètres initiaux du temporisateur de fonctionnement sont définis de différentes manières en connectant le transistor VT1 et la diode VD3 indiqués sur le schéma.

En transformant légèrement un tel appareil, vous pouvez créer un circuit qui a le principe de fonctionnement opposé. Le transistor KT814A doit être remplacé par un autre type - KT815A, l'émetteur doit être connecté au fil commun, le collecteur au premier contact du relais. Le deuxième contact du relais doit être connecté à la tension d'alimentation 12V.

Image. Une variante du circuit de relais 12v qui allume la charge 3 minutes après la mise sous tension.

Maintenant, après la mise sous tension, le relais sera éteint et l'impulsion de commande ouvrant le relais sous la forme de la sortie log.1 12 de l'élément DD1 ouvrira le transistor et appliquera une tension de 12V à la bobine. Après cela, via les contacts de puissance, la charge sera connectée au réseau électrique.

Cette version de la minuterie, fonctionnant à partir d'une tension de 12V, maintiendra la charge à l'état éteint pendant une période de 3 minutes, puis la connectera.

Lors de la réalisation du circuit, n'oubliez pas de placer un condensateur de 0,1 uF, marqué C3 sur le circuit et avec une tension de 50V, le plus près possible des broches d'alimentation du microcircuit, sinon le compteur tombera souvent en panne et le temps d'exposition du relais sera parfois inférieur à ce qu'il devrait être.

Il s'agit notamment de la programmation du temps de pose. En utilisant, par exemple, un tel commutateur DIP comme indiqué sur la figure, vous pouvez connecter un contact de commutation aux sorties du compteur DD1, et combiner les seconds contacts ensemble et se connecter au point de connexion des éléments VD2 et R3.

Ainsi, à l'aide de micro-interrupteurs, vous pouvez programmer le temps de retard du relais.

La connexion du point de connexion des éléments VD2 et R3 à différentes sorties DD1 modifiera le temps d'exposition comme suit :

Numéro de contre-pied Chiffre du compteur temps de maintien
7 3 6 s
5 4 11 s
4 5 23 s
6 6 45 s
13 7 1,5 mn
12 8 3 minutes
14 9 6 minutes 6 secondes
15 10 12 min 11 s
1 11 24 min 22 s
2 12 48 min 46 s
3 13 1 heure 37 min 32 s

Schéma et principe de fonctionnement d'un relais électromagnétique

Considérez comment ce mécanisme fonctionne de l'intérieur.

  1. L'inducteur contient une armature en acier mobile.
  2. Lorsqu'une tension est appliquée à la bobine, un champ électromagnétique se forme autour d'elle, ce qui attire cette armature vers la bobine.
  3. La fréquence et la durée de l'alimentation en tension sont régulées électriquement ou mécaniquement.

La structure de l'appareil se compose de trois éléments principaux:

  1. Percevoir ou primaire - en fait, c'est l'enroulement de la bobine. Ici, la quantité de mouvement est convertie en force électromagnétique.
  2. Ralentissement ou intermédiaire - une ancre en acier avec un ressort de rappel et des contacts. Ici, l'actionneur est mis en état de fonctionnement.
  3. Exécutif - dans cette partie, le groupe de contact a un impact direct sur les équipements électriques.

Relais temporisé : principe de fonctionnement, schéma de raccordement et préconisations de réglage

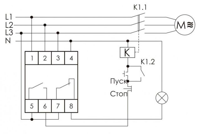
Démarrage du moteur "Triangle"

Après un certain temps (installé sur le panneau avant du relais), le relais temporisé KT1 commute son contact du 17-18 au contact 17-28, éteignant ainsi le contacteur KM3 en mode "Étoile".

Après avoir commuté le contact exécutif du relais temporisé KT1, le contacteur KM2 est activé. Les contacts de puissance KM2 appliquent une tension à l'extrémité de l'enroulement U2-V2-W2, le mode "Triangle" est activé.

Le contact auxiliaire 53-54 sur le contacteur KM2 alimente la lampe HL2 en tension (le démarrage du moteur en mode "Delta" est activé)

Ouf, c'est peut-être tout selon le schéma))). Donc, cela fonctionne réellement, et pour tout éteindre, vous devez appuyer sur le bouton SB1.

Et pourtant, quel est l'avantage réel de ce relais ?

Je vais essayer de le dire avec mes propres mots: pour les moteurs à haute puissance, le courant de démarrage au démarrage peut dépasser le courant de fonctionnement de 5 à 7 fois.

Lire aussi :  Analyse de la structure interne et du principe de fonctionnement d'une pompe à eau auto-amorçante

Pour cette simple raison, des relais temporisés tels que RT-SD sont utilisés pour démarrer le moteur selon le schéma étoile-triangle.

Le relais temporisé RT-SD est pour ainsi dire "l'essentiel est de ne pas se tromper", une alternative aux démarreurs progressifs. Car les démarreurs progressifs sont beaucoup plus chers que les relais temporisés, c'est pourquoi ils sont assez souvent utilisés aujourd'hui.

D'accord, chers amis ! J'attends avec impatience vos commentaires sur le sujet et n'oubliez pas de cliquer sur les boutons pour partager ce sujet avec vos amis. Sur ce je conclus cet article, mais je ne ferme pas complètement ce sujet, j'ai encore une pensée en réserve.

Court-circuit de la bobine

Figure 2. Schéma d'obtention de la temporisation pour les relais temporisés électromagnétiques avec différentes options d'activation de la bobine d'appel.

Lorsque le relais RV est activé, l'armature est attirée très rapidement (le temps de charge du relais est de 0,8 sec). Lorsqu'il est déconnecté, une temporisation est créée, tandis que le relais peut être désactivé à la fois en coupant le circuit de la bobine et en le court-circuitant (Fig. 2a).La temporisation lors du court-circuit de la bobine est obtenue pour la raison suivante. Pour que l'armature tombe (et, par conséquent, que les contacts du relais fonctionnent), il faut que le flux dans le système magnétique disparaisse ou diminue jusqu'à une certaine valeur, ce qui se produit lorsque la bobine du relais est éteinte, c'est-à-dire lorsqu'elle est éteint.

Si, toutefois, la bobine de relais est shuntée (par exemple, par connexion en parallèle de tous les contacts d'un autre relais intermédiaire RP), alors en raison de l'auto-induction dans le circuit formé par la bobine de relais et le contact RP, le courant est maintenu pendant un certain temps. temps. Par conséquent, le flux magnétique et la force d'attraction de l'induit vers le noyau s'estomperont également progressivement. La résistance R dans le circuit de la bobine doit être prévue pour éviter un court-circuit (s'il n'y a pas d'autres consommateurs dans ce circuit).

Relais électromagnétiques sur les schémas : enroulements, groupes de contacts

La particularité du relais est qu'il se compose de deux parties - enroulement et contacts. L'enroulement et les contacts ont une désignation différente. L'enroulement ressemble graphiquement à un rectangle, les contacts des différents ont chacun leur propre désignation. Il reflète leur nom/objectifs, il n'y a donc généralement aucun problème d'identification.

Relais temporisé : principe de fonctionnement, schéma de raccordement et préconisations de réglage

Types de contacts de relais électromagnétiques et leur désignation sur les schémas

Parfois, une désignation de type est placée à côté de l'image graphique - NC (normalement fermé) ou NO (normalement ouvert). Mais le plus souvent, ils prescrivent l'appartenance au relais et le numéro du groupe de contact, et le type de contact ressort clairement de l'image graphique.

En général, vous devez rechercher des contacts de relais dans tout le circuit. Après tout, physiquement, il se trouve au même endroit et ses différents contacts font partie de différents circuits. Ceci est illustré dans les schémas. Enroulement en un seul endroit - dans le circuit d'alimentation.Les contacts sont dispersés à différents endroits - dans les circuits dans lesquels ils travaillent.

Relais temporisé : principe de fonctionnement, schéma de raccordement et préconisations de réglage

Exemple de circuit sur relais électromagnétiques : les contacts sont dans les circuits correspondants (voir code couleur)

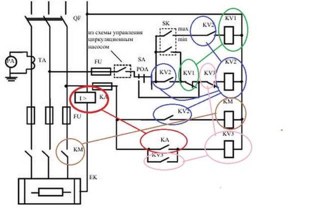
Pour un exemple, regardez le schéma avec le relais. Les relais KA, KV1 et KM ont un groupe de contacts, KV3 - deux, KV2 - trois. Mais trois, c'est loin d'être la limite. Les groupes de contact dans chaque relais peuvent être dix ou douze ou plus. Et le schéma est simple. Et s'il occupe quelques feuilles de format A2 et qu'il contient de nombreux éléments ...

Comment tester un relais électromagnétique

Les performances du relais électromagnétique dépendent de la bobine. Par conséquent, tout d'abord, nous vérifions l'enroulement. Ils l'appellent un multimètre. La résistance de l'enroulement peut être de 20 à 40 ohms ou de plusieurs kilohms. Lors de la mesure, sélectionnez simplement la gamme appropriée. S'il existe des données sur ce que devrait être la valeur de résistance, nous comparons. Sinon, on se contente du fait qu'il n'y a pas de court-circuit ou de circuit ouvert (la résistance tend vers l'infini).

Relais temporisé : principe de fonctionnement, schéma de raccordement et préconisations de réglage

Vous pouvez vérifier le relais électromagnétique à l'aide d'un testeur / multimètre

Le deuxième point est de savoir si les contacts commutent ou non et dans quelle mesure les plots de contact s'adaptent. La vérification est un peu plus difficile. Une alimentation peut être connectée à la sortie d'un des contacts. Par exemple, une simple batterie. Lorsque le relais est déclenché, le potentiel doit apparaître sur l'autre contact ou disparaître. Cela dépend du type de groupe de contact testé. Vous pouvez également contrôler la présence de courant à l'aide d'un multimètre, mais il faudra le basculer sur le mode approprié (le contrôle de la tension est plus facile).

Si vous n'avez pas de multimètre

Un multimètre n'est pas toujours à portée de main, mais des piles sont presque toujours disponibles. Prenons un exemple. Il y a une sorte de relais dans un boîtier scellé.Si vous connaissez ou avez trouvé son type, vous pouvez voir les caractéristiques par leur nom. Si la donnée n'est pas trouvée ou qu'il n'y a pas de nom de relais, on regarde le cas. Habituellement, toutes les informations importantes sont indiquées ici. Une tension d'alimentation et des courants/tensions commutés sont nécessaires.

Relais temporisé : principe de fonctionnement, schéma de raccordement et préconisations de réglage

Vérification du bobinage du relais électromagnétique

Dans ce cas, nous avons un relais qui fonctionne à partir de 12 V DC. Eh bien, s'il existe une telle source d'énergie, nous l'utilisons. Sinon, nous récupérons plusieurs batteries (en série, c'est-à-dire une par une) afin d'obtenir la tension requise au total.

Lire aussi :  Comment choisir un sèche-serviettes pour une salle de bain : ce qu'il faut rechercher avant d'acheter + un aperçu des marques populaires

Relais temporisé : principe de fonctionnement, schéma de raccordement et préconisations de réglage

Lorsque les batteries sont connectées en série, leur tension est additionnée

Après avoir reçu une source d'alimentation de la puissance souhaitée, nous la connectons aux bornes de la bobine. Comment déterminer où mène la bobine ? Ils sont généralement signés. Dans tous les cas, il existe des désignations «+» et «-» pour connecter des alimentations CC et des signes pour un type de variable tel que «≈». Nous alimentons les contacts correspondants. Que ce passe-t-il? Si la bobine de relais fonctionne, un clic se fait entendre - il s'agit d'une ancre tirée. Lorsque la tension est supprimée, on l'entend à nouveau.

Vérification des contacts

Mais les clics sont une chose. Cela signifie que la bobine fonctionne, mais vous devez toujours vérifier les contacts. Peut-être qu'ils sont oxydés, le circuit se ferme, mais la tension chute fortement. Peut-être qu'ils sont usés et que le contact est mauvais, peut-être qu'au contraire ils bouillent et ne s'ouvrent pas. En général, pour une vérification complète du relais électromagnétique, il est également nécessaire de vérifier les performances des groupes de contact.

La manière la plus simple d'expliquer est de prendre l'exemple d'un relais avec un groupe. On les trouve généralement dans les voitures. Les automobilistes les appellent par le nombre de broches : 4 broches ou 5 broches.Dans les deux cas, il n'y a qu'un seul groupe. C'est juste qu'un relais à quatre contacts contient un contact normalement fermé ou normalement ouvert, et un relais à cinq contacts contient un groupe de commutation (contacts inverseurs).

Relais temporisé : principe de fonctionnement, schéma de raccordement et préconisations de réglage

Relais électromagnétique 4 et 5 broches : disposition des broches, schéma de câblage

Comme vous pouvez le voir, l'alimentation est fournie dans tous les cas aux conclusions signées 85 et 86. Et la charge est connectée au reste. Pour tester un relais à 4 broches, vous pouvez assembler un simple faisceau d'une petite ampoule et une batterie de la puissance souhaitée. Visser les extrémités de ce faisceau aux bornes des contacts. Dans un relais à 4 broches, ce sont les broches 30 et 87. Que se passe-t-il ? Si le contact est fermé (normalement ouvert), lorsque le relais est activé, le voyant doit s'allumer. Si le groupe est ouvert (normalement fermé) doit s'éteindre.

Dans le cas d'un relais 5 broches, le circuit sera un peu plus compliqué. Ici, vous aurez besoin de deux paquets d'ampoules et de piles. Utilisez des lampes de tailles et de couleurs différentes ou séparez-les d'une manière ou d'une autre. S'il n'y a pas de courant sur la bobine, vous devriez avoir une lumière allumée. Lorsque le relais est activé, il s'éteint, un autre s'allume.

Principales caractéristiques de KU

Les principales caractéristiques auxquelles vous devez prêter attention lors du choix de ce type d'appareil de commutation sont les suivantes :

  • sensibilité - fonctionnement à partir d'un courant d'une certaine intensité fourni à l'enroulement, suffisant pour allumer l'appareil;
  • résistance d'enroulement d'électroaimant ;
  • tension de fonctionnement (courant) - la valeur minimale autorisée suffisante pour commuter les contacts ;
  • tension de libération (courant) - la valeur du paramètre à laquelle le CU est éteint;
  • le moment de l'attraction et de la libération de l'ancre ;
  • fréquence de fonctionnement avec charge de fonctionnement sur les contacts.

Instruments à échelle mécanique

L'un des appareils dotés d'une balance mécanique est une minuterie domestique. Cela fonctionne à partir d'une prise régulière. Un tel appareil vous permet de contrôler les appareils ménagers dans une certaine plage de temps. Il dispose d'un relais "prise", qui est limité à un cycle de fonctionnement quotidien.

Pour utiliser la minuterie quotidienne, vous devez la configurer :

  • Soulevez tous les éléments situés sur la circonférence du disque.
  • Omettez tous les éléments responsables du réglage de l'heure.
  • En faisant défiler le disque, réglez-le sur l'intervalle de temps actuel.

Relais temporisé : principe de fonctionnement, schéma de raccordement et préconisations de réglage

Par exemple, si les éléments sont abaissés sur l'échelle marquée des chiffres 9 et 14, alors la charge sera activée à 9h00 et s'éteindra à 14h00. Jusqu'à 48 activations de l'appareil peuvent être créées par jour.

Pour ce faire, vous devez activer le bouton situé sur le côté du boîtier. Si vous l'exécutez, la minuterie s'allumera en mode urgent, même si elle était allumée.

Minuterie hebdomadaire

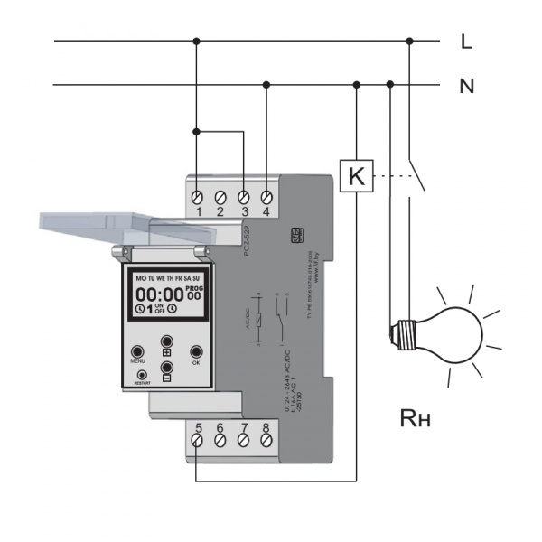
La minuterie électronique marche-arrêt en mode automatique est utilisée dans divers domaines. Le relais « hebdomadaire » commute dans un cycle hebdomadaire prédéfini. L'appareil permet :

  • Fournir des fonctions de commutation dans les systèmes d'éclairage.
  • Activer/désactiver les équipements technologiques.
  • Démarrer/désactiver les systèmes de sécurité.

Les dimensions de l'appareil sont petites, la conception fournit des touches de fonction. En les utilisant, vous pouvez facilement programmer l'appareil. De plus, il y a un écran à cristaux liquides qui affiche des informations.

Relais temporisé : principe de fonctionnement, schéma de raccordement et préconisations de réglageLe mode de contrôle peut être activé en appuyant et en maintenant le bouton "P". Les paramètres sont réinitialisés avec le bouton "Réinitialiser". Lors de la programmation, vous pouvez régler la date, la limite est une période hebdomadaire.Le relais temporisé peut fonctionner en mode manuel ou automatique. L'automatisation industrielle moderne, ainsi que divers modules domestiques, sont le plus souvent équipés d'appareils configurables à l'aide de potentiomètres.

La face avant du panneau suppose la présence d'une ou plusieurs tiges de potentiomètre. Ils peuvent être ajustés avec une lame de tournevis et réglés dans la position souhaitée. Il y a une écaille marquée autour de la tige. De tels dispositifs sont largement utilisés dans le contrôle des systèmes de ventilation et de chauffage.

Évaluation
Site sur la plomberie

Nous vous conseillons de lire

Où remplir la poudre dans la machine à laver et combien de poudre verser