- L'utilisation d'accumulateurs de chaleur
- Nous résumons : Quels sont les avantages et les inconvénients d'utiliser des réservoirs tampons ?
- Le principe de fonctionnement du système avec une chaudière à combustible solide
- Comment fonctionne un système de chauffage avec un accumulateur de chaleur ?
- Accumulateur de chaleur: but et principe de fonctionnement
- 3 Accessoires
- Accumulateur de chaleur à faire soi-même: schémas et description du processus
- Réchauffement de l'accumulateur de chaleur
- Qu'est-ce qu'un accumulateur de chaleur et à quoi sert-il ?
- Choisir un accumulateur de chaleur
- Schémas de tuyauterie d'accumulateur de chaleur
- Schéma avec une chaudière à combustible solide et un accumulateur de chaleur
- Fonctions clés du stockage de chaleur
L'utilisation d'accumulateurs de chaleur
Il existe plusieurs méthodes pour calculer le volume d'un réservoir. L'expérience pratique montre qu'en moyenne, 25 litres d'eau supplémentaires sont nécessaires pour chaque kilowatt d'équipement de chauffage. L'efficacité des chaudières à combustible solide, qui comprend un système de chauffage avec un accumulateur de chaleur, passe à 84%. Grâce au nivellement des pics de combustion, jusqu'à 30% des ressources énergétiques sont économisées.
Lors de l'utilisation de ballons pour la fourniture d'eau chaude sanitaire, il n'y a pas d'interruption pendant les heures de pointe. La nuit, lorsque les besoins sont réduits à zéro, le liquide de refroidissement dans le réservoir accumule de la chaleur et le matin fournit à nouveau tous les besoins en totalité.
L'isolation thermique fiable de l'appareil avec du polyuréthane expansé (mousse de polyuréthane) vous permet d'économiser la température.De plus, il est possible d'installer des éléments chauffants, ce qui permet de «rattraper» rapidement la température souhaitée en cas d'urgence.

Accumulateur de chaleur sectionnel
Le stockage de chaleur est recommandé en cas de :
- forte demande en eau chaude. Dans un chalet où vivent plus de 5 personnes, et où deux salles de bain sont installées, c'est un vrai moyen d'améliorer les conditions de vie ;
- lors de l'utilisation de chaudières à combustible solide. Les accumulateurs lissent le fonctionnement des équipements de chauffage pendant l'heure de plus grande charge, éliminent l'excès de chaleur, empêchent l'ébullition et augmentent également le temps entre la pose de combustible solide;
- lors de l'utilisation de l'énergie électrique à des tarifs séparés pour le jour et la nuit ;
- dans les cas où des batteries solaires ou éoliennes sont installées pour stocker l'énergie électrique ;
- lorsqu'il est utilisé dans le système d'alimentation en chaleur des pompes de circulation.
Ce système est parfait pour les pièces chauffées par des radiateurs ou un chauffage au sol. Ses avantages sont qu'il est capable d'accumuler l'énergie reçue de différentes sources. Le système d'alimentation en énergie combinée vous permet de choisir l'option la plus optimale pour obtenir de la chaleur dans un laps de temps donné.
Nous résumons : Quels sont les avantages et les inconvénients d'utiliser des réservoirs tampons ?
Les "avantages" évidents des systèmes de chauffage autonomes à combustible solide avec accumulateur de chaleur sont les suivants :
- Le potentiel énergétique du combustible solide est utilisé au maximum. En conséquence, l'efficacité des équipements de chaudière augmente fortement.
- Le fonctionnement du système nécessitera beaucoup moins d'intervention humaine - de la réduction du nombre de chargements de chaudières en combustible à l'élargissement des possibilités d'automatisation du contrôle des modes de fonctionnement des différents circuits de chauffage.
- La chaudière à combustible solide elle-même reçoit une protection fiable contre la surchauffe.
- Le fonctionnement du système devient plus fluide et plus prévisible, offrant une approche différenciée pour chauffer différentes pièces.
- Il existe de nombreuses possibilités de mise à niveau du système, y compris le lancement de sources supplémentaires d'énergie thermique, sans démanteler les anciennes.
- Dans la plupart des cas, le problème de l'approvisionnement en eau chaude à la maison est également résolu en même temps.
Les inconvénients sont très particuliers, et vous devez également en être conscient :
- Le système de chauffage, équipé d'un ballon tampon, se caractérise par une très grande inertie. Cela signifie qu'il faudra beaucoup de temps entre le moment de l'allumage initial de la chaudière et l'atteinte du mode de fonctionnement nominal. Il est peu probable que cela soit justifié dans une maison de campagne, que les propriétaires ne visitent en hiver que le week-end - dans de telles situations, un chauffage rapide est nécessaire.
- Les accumulateurs de chaleur sont des structures encombrantes et lourdes (surtout lorsqu'elles sont remplies d'eau). Ils nécessitent suffisamment d'espace et une base solide bien préparée. Et - à proximité de la chaudière de chauffage. Ce n'est pas possible dans toutes les chaufferies. De plus, il y a des difficultés avec la livraison par déchargement, et souvent aussi avec l'introduction du conteneur dans la pièce (il peut ne pas passer par la porte). Tout cela doit être pris en compte à l'avance.
- Les inconvénients comprennent le prix très élevé de tels appareils, qui dépasse même parfois le coût de la chaudière.Ce "moins", cependant, renforce l'effet d'économie attendu d'une utilisation plus rationnelle du carburant.
- L'accumulateur de chaleur ne révélera pleinement ses qualités positives que si la puissance nominale de la chaudière à combustible solide (ou la puissance totale des autres sources de chaleur) est au moins deux fois supérieure à la valeur calculée requise pour un chauffage efficace de la maison. Dans le cas contraire, l'acquisition de capacité tampon est considérée comme non rentable.
Le principe de fonctionnement du système avec une chaudière à combustible solide

La chaleur dégagée lors de la combustion du carburant, à travers l'échangeur de chaleur à travers le pipeline, pénètre dans les registres ou radiateurs, qui sont essentiellement les mêmes échangeurs de chaleur, seulement ils ne reçoivent pas de chaleur, mais, au contraire, la donnent aux objets environnants, l'air, en général, à la chaufferie.
En se refroidissant, le liquide de refroidissement - eau dans les batteries, descend et s'écoule à nouveau dans le circuit de l'échangeur de chaleur de la chaudière, où il se réchauffe à nouveau. Dans un tel schéma, il y a au moins deux points associés à une perte de chaleur importante, voire énorme :
- direction directe du mouvement du liquide de refroidissement de la chaudière aux registres et refroidissement rapide du liquide de refroidissement;
- un petit volume de liquide de refroidissement à l'intérieur du système de chauffage, ce qui ne permet pas de maintenir une température stable;
- la nécessité de maintenir constamment une température élevée et constante du liquide de refroidissement dans le circuit de la chaudière.
Il est important de comprendre qu'une telle approche ne peut être qualifiée que de gaspillage. Après tout, lors de la pose de combustible, d'abord à une température de combustion élevée dans les locaux, l'air se réchauffe assez rapidement
Mais dès que le processus de combustion s'arrête, le chauffage de la pièce s'arrête également et, par conséquent, la température du liquide de refroidissement baisse à nouveau et l'air de la pièce se refroidit.
Comment fonctionne un système de chauffage avec un accumulateur de chaleur ?
Un accumulateur de chaleur pour chaudières de chauffage fait partie du système de chauffage conçu pour augmenter le temps entre le chargement de combustible solide dans la chaudière. C'est un réservoir dans lequel il n'y a pas d'accès aérien. Il est isolé et a un volume assez important. Il y a toujours de l'eau dans l'accumulateur de chaleur pour le chauffage, elle circule également dans tout le circuit. Bien sûr, un liquide antigel peut également être utilisé comme liquide de refroidissement, mais toujours, en raison de son coût élevé, il n'est pas utilisé dans les circuits avec TA.
En plus de cela, dans remplissage du système de chauffage avec un accumulateur de chaleur avec antigel, cela n'a aucun sens, car de tels réservoirs sont placés dans des locaux résidentiels. Et l'essence de leur application est de garantir que la température dans le circuit est toujours stable et, par conséquent, que l'eau du système est chaude. L'utilisation d'un grand accumulateur de chaleur pour le chauffage dans les maisons de campagne de résidence temporaire n'est pas pratique et il y a peu de sens à partir d'un petit réservoir. Cela est dû au principe de fonctionnement de l'accumulateur de chaleur pour le système de chauffage.
- Le TA est situé entre la chaudière et le système de chauffage. Lorsque la chaudière chauffe le liquide de refroidissement, il entre dans le TA ;
- puis l'eau s'écoule à travers les tuyaux vers les radiateurs;
- La ligne de retour retourne au TA, puis immédiatement à la chaudière.
Pour que TA remplisse sa fonction principale de stockage de chaleur, ces flux doivent être mélangés. La difficulté réside dans le fait que la chaleur monte toujours et que le froid a tendance à baisser. Il est nécessaire de créer des conditions telles qu'une partie de la chaleur tombe au fond de l'accumulateur de chaleur dans système de chauffage et chauffé le liquide de refroidissement lignes de retour.Si la température s'est stabilisée dans tout le réservoir, il est alors considéré comme complètement chargé.
Une fois que la chaudière a allumé tout ce qui y était chargé, elle cesse de fonctionner et TA entre en jeu. La circulation continue et elle libère progressivement sa chaleur à travers les radiateurs dans la pièce. Tout cela se produit jusqu'à ce que la prochaine portion de combustible pénètre à nouveau dans la chaudière.
Si le stockage de chaleur pour le chauffage est faible, sa réserve durera très peu de temps, tandis que le temps de chauffage des batteries augmente, car le volume de liquide de refroidissement dans le circuit est devenu plus important. Inconvénients de l'utilisation pour les résidences temporaires :
- le temps de préchauffage augmente ;
- un plus grand volume du circuit, ce qui rend plus coûteux son remplissage avec de l'antigel;
- coûts d'installation plus élevés.
Comme vous l'avez compris, remplir le système et vidanger l'eau à chaque fois que vous arrivez à votre datcha est pour le moins gênant. Considérant que le réservoir seul sera de 300 litres, pour plusieurs jours par semaine, il est inutile de prendre de telles mesures.
Des circuits supplémentaires sont intégrés dans le réservoir - ce sont des tuyaux métalliques en spirale. Le liquide dans la spirale n'a pas de contact direct avec le liquide de refroidissement dans l'accumulateur de chaleur pour chauffer la maison. Il peut s'agir de contours :
- ECS ;
- chauffage basse température (plancher chaud).
Ainsi, même la chaudière à circuit unique la plus primitive ou même un poêle peut devenir un appareil de chauffage universel. Il fournira à toute la maison la chaleur et l'eau chaude nécessaires en même temps. En conséquence, les performances de l'appareil de chauffage seront pleinement utilisées.
Dans les modèles de série fabriqués dans des conditions de production, des sources de chauffage supplémentaires sont intégrées. Ce sont aussi des spirales, seulement elles sont appelées éléments chauffants électriques.Il y en a souvent plusieurs et ils peuvent travailler à partir de différentes sources :
- circuit;
- panneaux solaires.
Un tel chauffage fait référence à des options supplémentaires et n'est pas obligatoire, considérez-le si vous décidez de fabriquer un accumulateur de chaleur pour le chauffage de vos propres mains.
Accumulateur de chaleur: but et principe de fonctionnement
Dans le but de l'accumulateur de chaleur, tout est plus ou moins clair - il sert à composition du système de chauffage l'eau chaude dans les moments où la chaudière n'est pas en mesure de chauffer l'eau pour une raison quelconque. De plus, l'un des effets secondaires du fonctionnement de cet appareil est la capacité d'économiser les ressources énergétiques - si vous laissez l'accumulateur de chaleur se décharger en temps opportun, vous pouvez obtenir une réduction de vingt pour cent de la consommation d'énergie. Et cela à notre époque, croyez-moi, ce n'est pas si peu. Soit dit en passant, si vous le souhaitez, vous pouvez installer un tel appareil dans un système de chauffage avec n'importe quelle chaudière - il y a cependant un inconvénient que vous devez supporter - ce sont ses dimensions (s'il n'y a pas de pièce spéciale (four ), alors il faudra beaucoup de surface utilisable).

Accumulateur de chaleur pour chaudière à combustible solide photo
L'accumulateur de chaleur d'une chaudière à combustible solide fonctionne de manière simple - en fait, il s'agit d'un grand réservoir de stockage bien isolé, dans lequel pénètre le liquide de refroidissement le plus chauffé pendant le fonctionnement de la chaudière. Grâce à, qu'il s'écrase dans le système de chauffage le premier du pieu, l'eau qu'il contient est constamment mise à jour à grande vitesse et a la température la plus élevée. Lorsque la chaudière cesse de fonctionner en raison d'un manque de combustible, l'eau qui s'est refroidie dans les conduites principales commence progressivement à faire sortir le liquide de refroidissement chaud du réservoir dans le système, assurant ainsi son fonctionnement ininterrompu à votre avantage.Il faut comprendre que la ressource de cet appareil est limitée et qu'elle ne suffira pas pendant longtemps. Cependant, avec une configuration appropriée du système et une isolation de haute qualité du bâtiment, vous bénéficierez d'une nuit chaude !

Accumulateurs de chaleur pour le chauffage photo
3 Accessoires
Le ballon tampon de la chaudière se présente sous la forme d'un fût métallique classique, avec isolation thermique extérieure
Malgré sa conception très simple, cette unité est très efficace et économique, ce qui est très important dans le système de chauffage.

Pour qu'un tel appareil fonctionne correctement, vous devez savoir de quels éléments il se compose et quelle fonction ils remplissent tous:
Échangeur de chaleur en spirale. Cet élément est installé uniquement dans les modèles connectés au système de chauffage avec plusieurs types de caloporteurs à la fois (capteurs solaires puissants, pompe à chaleur). Pour sa fabrication, exclusivement de l'acier inoxydable est utilisé.
Réservoir de grande capacité. Disponible en tôle émaillée ou en inox. Des tuyaux spéciaux partent du réservoir, qui destiné à être connecté au système chauffage et générateur de chaleur
Il est important de comprendre que la durée de son fonctionnement dépend du matériau à partir duquel le réservoir est fabriqué.
Batterie ECS intégrée. Certains modèles modernes, en plus de maintenir la température de chauffage du liquide de refroidissement rempli, chauffent l'eau à des fins domestiques.
Accumulateur de chaleur à faire soi-même: schémas et description du processus
Si vous décidez de créer un accumulateur de chaleur de vos propres mains, vous devez:
- Effectuez un calcul de capacité.
- Déterminez la conception appropriée - le conteneur peut être cylindrique ou rectangulaire.
- Préparez le matériel et les composants nécessaires.
- Assemblez et vérifiez l'étanchéité de l'appareil.
- Connectez le récipient au système de chauffage.
Le volume du réservoir déterminera combien de temps la chaleur durera dans la pièce pendant l'arrêt de la chaudière. La photo montre le calcul du volume pour une pièce de 100 m² :

Le stockage optimal pour stocker le liquide de refroidissement chauffé sera un réservoir cylindrique à fond convexe. Cette forme permet de stocker une assez grande quantité d'eau. De tels conteneurs ne peuvent être fabriqués qu'en usine.
Un maître de maison facilitera grandement la tâche s'il trouve une opportunité et utilise un conteneur prêt à l'emploi. Pour cela, vous pouvez utiliser :
- Bouteilles pour le stockage et le transport de gaz.
- Récipients inutilisés destinés à fonctionner sous pression.
- Récepteurs installés dans le système pneumatique du transport ferroviaire.
Mais, bien sûr, l'utilisation de réservoirs faits maison est également acceptable. Pour leur fabrication, une tôle d'une épaisseur d'au moins 3 mm est utilisée. À l'intérieur du conteneur, un tube de cuivre de 8 à 15 mètres et de 2 à 3 cm de diamètre, pré-plié en spirale, est placé. Un tuyau est placé en haut du réservoir pour évacuer l'eau chaude, et de même pour l'eau froide en bas. Chacun est équipé d'un robinet pour contrôler le débit de fluide.

Le fonctionnement normal du stockage thermique est basé sur le mouvement du liquide de refroidissement chaud et froid à l'intérieur, le temps de "charger" la batterie. Il doit être effectué strictement horizontalement et au moment de la "décharge" - verticalement.

Pour assurer un tel mouvement, il faut veiller à respecter quelques règles simples :
- Le circuit de la chaudière doit être raccordé au ballon de stockage par l'intermédiaire d'une pompe de circulation.
- Le système de chauffage est alimenté en fluide de travail à l'aide d'une unité de pompage séparée et d'un mélangeur, qui comprend une vanne à trois voies - il prélève le volume d'eau requis du réservoir de stockage.
- L'unité de pompage, qui est installée dans le circuit de la chaudière, ne peut pas être inférieure en efficacité à l'unité qui fournit le fluide de travail aux appareils de chauffage.

Réchauffement de l'accumulateur de chaleur
Comment les conteneurs sont-ils isolés ? Pour la solution à ce problème est la meilleure considérons la laine de basalte, dont l'épaisseur est de 60 à 80 mm. La mousse de polystyrène ou la mousse de polystyrène extrudée n'est pas recommandée. Une autre raison pour laquelle la laine de coton est utilisée est sa sécurité incendie. Une isolation thermique est installée entre le réservoir et un boîtier métallique en tôle - il doit être peint.
Qu'est-ce qu'un accumulateur de chaleur et à quoi sert-il ?
L'accumulateur de chaleur est un réservoir isolé hermétique en acier noir, ayant des tuyaux de dérivation - deux supérieurs et deux inférieurs afin de connecter la source et le consommateur de chaleur. L'accumulateur de chaleur pour les examens de chauffage montre qu'il s'agit d'un appareil efficace. Et il sert à accumuler l'énergie excédentaire émise par la source de chaleur (chaudière).
Accumulateur de chaleur pour le chauffage
Ainsi, si votre chaudière à combustible solide fonctionne dans le mode de combustion optimal (à pleine puissance) depuis le chargement du combustible jusqu'à sa combustion complète, alors il y aura un maximum d'effet. Ainsi, la chaleur résultante pénètre dans le système de chauffage. Mais le système n'a pas toujours besoin tant de chaleur. C'est à ces fins que la capacité tampon du système de chauffage existe.
Choisir un accumulateur de chaleur
TA est choisi lors de la conception d'un système de chauffage. Les ingénieurs thermiques vous aideront à choisir le bon accumulateur de chaleur.Mais, s'il est impossible d'utiliser leurs services, vous devrez choisir par vous-même. Ce n'est pas difficile à faire.
Accumulateur de chaleur pour chaudière à combustible solide
Les principaux critères de sélection de cet appareil sont considérés comme étant les suivants :
- pression dans le système de chauffage;
- le volume du réservoir tampon ;
- dimensions extérieures et poids ;
- équipement avec échangeurs de chaleur supplémentaires ;
- la possibilité d'installer des appareils supplémentaires.
La pression de l'eau (pression) dans le système de chauffage est l'indicateur principal. Plus il est élevé, plus il fait chaud dans la pièce chauffée.
Compte tenu de ce paramètre, lors du choix d'un accumulateur de chaleur pour chaudières à combustibles solides, une attention particulière est portée à la pression maximale qu'il peut supporter. L'accumulateur de chaleur d'une chaudière à combustible solide, illustré sur la photo, est en acier inoxydable et peut résister à une pression d'eau élevée. Capacité tampon
La capacité d'accumuler de la chaleur pour le système de chauffage pendant le fonctionnement en dépend. Plus il est grand, plus la chaleur s'accumulera dans le récipient. Ici, vous devez tenir compte du fait qu'il est inutile d'élever la limite à l'infini. Mais si l'eau est inférieure à la norme, l'appareil ne remplira tout simplement pas la fonction d'accumulation de chaleur qui lui est assignée. Par conséquent, pour le bon choix d'un accumulateur de chaleur, il sera nécessaire de calculer sa capacité tampon. Nous vous montrerons comment procéder un peu plus tard.
Le volume du réservoir tampon. La capacité d'accumuler de la chaleur pour le système de chauffage pendant le fonctionnement en dépend. Plus il est grand, plus la chaleur s'accumulera dans le récipient. Ici, vous devez tenir compte du fait qu'il est inutile d'élever la limite à l'infini. Mais si l'eau est inférieure à la norme, l'appareil ne remplira tout simplement pas la fonction d'accumulation de chaleur qui lui est assignée. Par conséquent, pour le bon choix d'un accumulateur de chaleur, il sera nécessaire de calculer sa capacité tampon.Un peu plus tard, il sera montré comment il est exécuté.
Dimensions extérieures et poids. Ce sont également des indicateurs importants lors du choix d'un TA. Surtout dans une maison déjà construite. Lorsque le calcul de l'accumulateur de chaleur pour le chauffage est effectué, la livraison sur le site d'installation est effectuée, il peut y avoir un problème avec l'installation elle-même. En termes de dimensions globales, il se peut qu'il ne rentre tout simplement pas dans une porte standard. De plus, des TA de grande capacité (à partir de 500 litres) sont installés sur une fondation séparée. Un appareil massif rempli d'eau deviendra encore plus lourd. Ces nuances doivent être prises en compte. Mais il est facile de trouver une issue. Dans ce cas, deux accumulateurs de chaleur pour chaudières à combustible solide sont achetés avec un volume total de réservoirs tampons égal à celui calculé pour l'ensemble du système de chauffage.
Équipement avec échangeurs de chaleur supplémentaires. En l'absence de système d'eau chaude dans la maison, son propre circuit de chauffage d'eau dans la chaudière, il est préférable d'acheter immédiatement un TA avec des échangeurs de chaleur supplémentaires. Pour ceux qui vivent dans les régions du sud, il sera utile de connecter un capteur solaire au TA, qui deviendra une source de chaleur gratuite supplémentaire dans la maison. Un simple calcul du système de chauffage montrera combien d'échangeurs de chaleur supplémentaires il est souhaitable d'avoir dans un accumulateur de chaleur.
Possibilité d'installer des appareils supplémentaires. Cela implique l'installation d'éléments chauffants (réchauffeurs électriques tubulaires), d'instrumentation (instruments), soupapes de sécurité et autres dispositifs, garantissant un fonctionnement ininterrompu et sûr du réservoir tampon dans l'appareil. Par exemple, en cas d'atténuation d'urgence de la chaudière, la température dans le système de chauffage sera maintenue par des éléments chauffants. Selon le volume de chauffage de l'espace, ils peuvent ne pas créer une température confortable, mais ils empêcheront certainement le dégivrage du système.
La présence d'instruments permettra une attention rapide aux éventuels problèmes survenus dans le système de chauffage
Important
Lors du choix d'un accumulateur de chaleur pour le chauffage, faites attention à son isolation thermique. Cela dépend de la conservation de la chaleur reçue.
Schémas de tuyauterie d'accumulateur de chaleur
Nous osons supposer que si vous êtes intéressé par cet article, vous avez probablement décidé de fabriquer un accumulateur de chaleur pour le chauffage et de l'attacher vous-même. Vous pouvez proposer de nombreux schémas de connexion, l'essentiel est que tout fonctionne. Si vous comprenez correctement les processus qui se produisent dans le circuit, vous pouvez tout à fait expérimenter. La façon dont vous connectez le HA à la chaudière affectera le fonctionnement de l'ensemble du système. Analysons d'abord le schéma de chauffage le plus simple avec un accumulateur de chaleur.
Simple Schéma de tuyauterie TA
Sur la figure, vous voyez le sens de déplacement du liquide de refroidissement
Veuillez noter que le mouvement vers le haut est interdit. Pour éviter que cela ne se produise, la pompe entre le TA et la chaudière doit pomper une plus grande quantité de liquide de refroidissement que celle qui se dresse contre le réservoir. Ce n'est que dans ce cas qu'une force de rétraction suffisante sera formée, qui absorbera une partie de la chaleur de l'alimentation
L'inconvénient d'un tel schéma de connexion est le long temps de chauffage du circuit. Pour le réduire, vous devez créer un anneau de chauffage de chaudière. Vous pouvez le voir dans le schéma suivant.
Ce n'est que dans ce cas qu'une force de rétraction suffisante sera formée, qui absorbera une partie de la chaleur de l'alimentation. L'inconvénient d'un tel schéma de connexion est le long temps de chauffage du circuit. Pour le réduire, vous devez créer un anneau de chauffage de chaudière. Vous pouvez le voir dans le schéma suivant.
Schéma de tuyauterie TA avec circuit de chauffage chaudière
L'essence du circuit de chauffage est que le thermostat ne mélange pas l'eau du TA jusqu'à ce que la chaudière la réchauffe au niveau défini. Lorsque la chaudière est réchauffée, une partie de l'alimentation va au TA, et la partie est mélangée avec le liquide de refroidissement du réservoir et pénètre dans la chaudière. Ainsi, le réchauffeur fonctionne toujours avec un liquide déjà chauffé, ce qui augmente son efficacité et le temps de chauffe du circuit. Autrement dit, les batteries se réchaufferont plus rapidement.
Cette méthode d'installation d'un accumulateur de chaleur dans le système de chauffage vous permet d'utiliser le circuit en mode hors ligne lorsque la pompe ne fonctionnera pas.
Veuillez noter que le schéma ne montre que les nœuds de connexion du TA à la chaudière. La circulation du liquide de refroidissement vers les radiateurs se fait d'une manière différente, qui passe également par le TA. La présence de deux bypass permet de jouer la sécurité deux fois :
La présence de deux bypass permet de jouer la sécurité deux fois :
- le clapet anti-retour est activé si la pompe est arrêtée et le robinet à boisseau sphérique du by-pass inférieur est fermé ;
- en cas d'arrêt de la pompe et de défaillance du clapet anti-retour, la circulation s'effectue par le by-pass inférieur.
En principe, certaines simplifications peuvent être apportées à une telle construction. Étant donné que le clapet anti-retour a une résistance élevée à l'écoulement, il peut être exclu du circuit.
Schéma de tuyauterie TA sans clapet anti-retour pour système gravitaire
Dans ce cas, lorsque la lumière disparaît, vous devrez ouvrir manuellement le robinet à tournant sphérique. Il faut dire qu'avec un tel câblage, le TA devrait être au dessus du niveau des radiateurs. Si vous ne prévoyez pas que le système fonctionnera par gravité, la tuyauterie du système de chauffage avec un accumulateur de chaleur peut être réalisée selon le schéma ci-dessous.
Schéma de tuyauterie TA pour un circuit à circulation forcée
Dans TA, le mouvement correct de l'eau est créé, ce qui permet à balle après balle, en partant du haut, de la réchauffer. Peut-être que la question se pose, que faire s'il n'y a pas de lumière? Nous en avons parlé dans un article sur les sources d'énergie alternatives pour le système de chauffage. Ce sera plus économique et plus pratique. Après tout, les circuits gravitaires sont constitués de tuyaux de grande section et, de plus, des pentes pas toujours pratiques doivent être observées. Si vous calculez le prix des tuyaux et des raccords, pesez tous les inconvénients de l'installation et comparez le tout avec le prix d'un onduleur, alors l'idée d'installer une source d'alimentation alternative devient très attrayante.
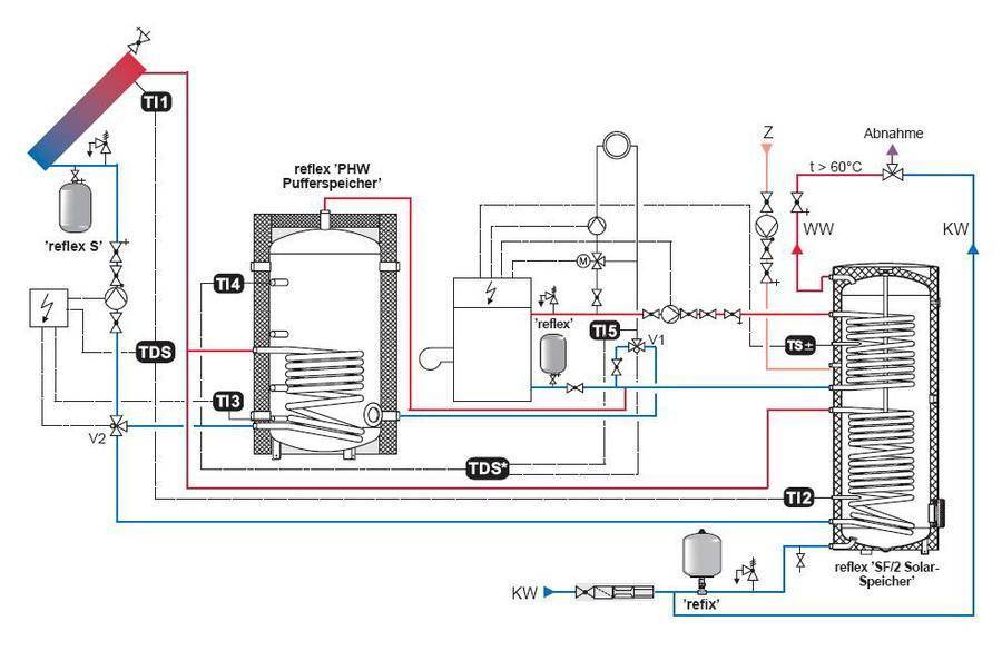
Schéma avec une chaudière à combustible solide et un accumulateur de chaleur
Dans ce schéma, TA est un lien intermédiaire entre la chaudière et le circuit de chauffage. Le liquide de refroidissement est chauffé dans une chaudière à combustible solide, il passe par un groupe de sécurité, qui est immédiatement alimenté. Une protection contre la corrosion à basse température est assurée : la pompe de circulation pompera le liquide de refroidissement en circuit fermé à travers le by-pass jusqu'à ce que sa température à l'entrée de la chaudière atteigne 65 °C.
Si la température de l'eau à l'entrée de la chaudière est inférieure à 65 °C, des condensats commenceront à apparaître sur les parois des tuyaux passant à l'intérieur de la chaudière. Cela entraînera une augmentation de la corrosion et l'appareil tombera rapidement en panne.
Après cela, la vanne de la dérivation se ferme et le liquide de refroidissement commence à chauffer l'eau du réservoir de stockage. Après l'épuisement du combustible, le circuit de la chaudière est fermé. Clôture commence liquide de refroidissement vers le circuit de chauffage du haut du réservoir. Sa température est régulée par une vanne thermostatique à trois voies qui dilue l'eau chaude avec l'eau froide de retour. Après avoir traversé tous les radiateurs de chauffage, l'eau retourne dans la partie inférieure de l'accumulateur de chaleur.Le système est fermé, le fluide est déplacé au moyen de pompes de circulation.
Fonctions clés du stockage de chaleur
Le principe de fonctionnement de l'accumulateur de chaleur
L'accumulateur de chaleur possède de nombreuses fonctionnalités utiles, notamment :
- fournir de l'eau chaude à l'utilisateur ;
- normalisation du régime de température dans les pièces chauffées;
- augmenter l'efficacité du système de chauffage avec une diminution simultanée des coûts de chauffage;
- la possibilité de combiner plusieurs sources de chaleur en un seul circuit ;
- accumulation d'énergie excédentaire produite par la chaudière, etc.
Avec tous ses avantages, les accumulateurs de chaleur n'ont que 2 inconvénients, à savoir :
- la ressource du liquide chaud accumulé dépend directement du volume du réservoir utilisé, mais en aucun cas elle reste strictement limitée et se termine assez rapidement, il est donc impératif d'envisager la question de l'aménagement d'un système de chauffage supplémentaire;
- les grands variateurs nécessitent beaucoup d'espace pour être installés, par exemple une chaufferie.
Accumulateur de chaleur pour chaudière à combustible solide WIRBEL CAS-500Dispositif pour le fonctionnement efficace d'une chaudière à combustible solide et le chargement d'un réservoir de stockage thermiqueSchéma d'installation










































