Organisation du chauffage des bâtiments multi-pièces à l'aide de poêles à bois

Organisation du chauffage des bâtiments multi-pièces à l'aide de poêles à bois

Nous installons un four à briques

Choisir un four pour un bain avec un réservoir pour l'eau, vous devez faire attention aux paramètres suivants :

  • Volume du réservoir. Plus il est grand, plus il y aura d'eau chaude disponible pour le lavage.
  • La conception du four - la commodité de son fonctionnement dépend en grande partie de l'emplacement du réservoir d'eau et d'autres caractéristiques de conception de l'appareil.
  • La marque sous laquelle l'équipement est produit. Aujourd'hui, des dizaines de fabricants fabriquent des poêles pour un bain avec un réservoir d'eau, et seuls quelques-uns d'entre eux produisent des appareils vraiment réfléchis et fiables.

Si vous avez une expérience pratique dans la construction de fours en briques, essayez de construire un poêle de sauna massif de vos propres mains. Nous proposons une version d'un poêle-réchauffeur aux dimensions de 102 x 129 cm, équipé d'une cuve de 170 litres et conçu pour chauffer un bain d'une superficie de 12 m².

Pour construire le poêle illustré sur le dessin, préparez un ensemble de matériaux:

  • brique d'argile solide (rouge) - 580 pièces;
  • pierre réfractaire de la marque SHA-8 - 80 pièces;
  • grilles en fonte de 30 x 25 cm - 2 grilles ;
  • porte principale pour le chargement du bois de chauffage - 210 x 250 mm;
  • porte de la chambre à cendres - 14 x 25 cm;
  • clapet anti-fumée - 320 x 450 mm;
  • porte du radiateur - 51 x 42 cm;
  • tuyau en acier d'un diamètre de 57 x 4 mm - 6,3 m;
  • bande de fer d'une section de 40 x 5 mm - 2 m;
  • le même, 80 x 10 mm - 2,5 m;
  • carton de basalte, feutre de toiture.

Organisation du chauffage des bâtiments multi-pièces à l'aide de poêles à bois

De plus, avant la construction, il est nécessaire de souder une chaudière à réservoir de dimensions 102 x 77 x 25 cm en tôle d'acier de qualité St20 d'une épaisseur d'au moins 3 mm. Nous ne décrirons pas la technologie de la fondation en béton armé, la préparation du mortier et la maçonnerie du poêle - elle est décrite en détail dans les instructions de construction du foyer.

Nous vous invitons à vous familiariser: Finir le bain à l'intérieur de vos propres mains

Procédons à la construction du four selon les commandes présentées:

  1. Les rangées zéro et première correspondent à une ligne continue. Les niveaux 2 et 3 forment un cendrier, une porte soufflante est installée.
  2. La rangée numéro 4, bloquant la porte, est le fond de la chambre à combustible, partiellement aménagé avec des pierres réfractaires avec un espace de 5 mm à partir de briques rouges. La coupe est faite, une grille et une porte de chargement sont insérées.
  3. Lors de la pose des niveaux 5 à 9, les murs de la chambre de combustion sont construits. Au 10e rang, les cellules sont préparées pour les tuyaux, découpées en flans de 1050 mm de long.Ces pièces sont placées dans des nids et scellées avec du carton de basalte, un réservoir d'eau est installé.
  4. Du 11e au 20e étage, les parois du four sont construites autour de la cuve. Au 20e rang, l'extrémité de la chaudière est recouverte de deux bandes d'acier L = 35 cm.
  5. Au 21e rang, la porte du radiateur est installée, la pose des murs extérieurs se poursuit selon le schéma jusqu'au 26e étage. Au-dessus de la porte, nous mettons 2 bandes de 650 mm de long.
  6. Au 27e rang, le chevauchement du poêle commence à se former. Des découpes sont faites pour la pose de grandes bandes de 120 cm de long.Les briques du 28e étage bloquent la cavité de l'appareil de chauffage, laissant une ouverture de cheminée.
  7. La vanne de fumée est placée sur la 28e rangée, les rangées 29-32 forment enfin la voûte du four et la transition vers la cheminée.

Comment construire un four à eau à la maison?

  • Il existe trois façons de chauffer le poêle avec un circuit d'eau de vos propres mains:
  • acheter un four d'acier d'un fabricant dont les services incluent l'installation du système ;
  • embaucher un artisan - un spécialiste sélectionnera le matériau, fabriquera l'appareil, disposera le four et installera la chaudière;
  • fais le toi-même.

Comment fabriquer soi-même un tel four

Le principe de la chaudière pour le chauffage de l'eau

Pouvez-vous créer un tel système vous-même? Assez, juste assez d'expérience en soudure et en pose de briques lors de la construction du four. Vous devez d'abord préparer la chaudière (registre, serpentin, échangeur de chaleur).

Un tel appareil peut être acheté ou fabriqué indépendamment à l'aide de tôles et de tuyaux. Le processus complet de fabrication et d'installation d'un circuit d'eau ne pouvant être résumé en un bref aperçu, voici les principales recommandations.

Options de fabrication et recommandations

Chauffage de l'eau à partir d'un poêle à bois - schéma

Pour la chaudière, une tôle d'une épaisseur d'au moins 5 mm est utilisée et sa conception est conçue de manière à ce qu'il y ait un chauffage maximal de l'eau pour une circulation ultérieure. La chaudière, soudée en tôle d'acier, est facile à fabriquer et à utiliser - elle est facile à nettoyer.

Mais un tel échangeur de chaleur a une zone de chauffage plus petite, contrairement au registre des tuyaux. Il est difficile de créer soi-même un registre de tuyaux à la maison - vous avez besoin d'un calcul précis et de conditions de travail appropriées, généralement ces chaudières sont fabriquées sur commande par des spécialistes qui installent eux-mêmes le système sur place.

La façon la plus simple d'utiliser un échangeur de chaleur à combustible solide est un poêle à ventre ordinaire avec un système d'eau intégré. Ici, vous pouvez prendre un tuyau épais comme base, il y aura alors beaucoup moins de travaux de soudure.

Attention! Tous les cordons de soudure doivent être doublés, car la température dans le four n'est pas inférieure à 1000 degrés. Si vous faites bouillir des coutures ordinaires, il est possible que cet endroit s'éteigne rapidement.

La disposition des pièces de la maison et l'emplacement des meubles doivent également être pris en compte. Ici, il faut faire attention qu'il est préférable de choisir un schéma avec des chaudières en tôle - elles n'ont pas de coudes de tuyauterie connectés en un seul circuit inséparable. Une telle structure n'est pas si gênante à construire. C'est également pratique car après l'installation, vous pouvez utiliser la table de cuisson sans problème, ce qui n'est pas le cas de certaines chaudières à tubes

Suivez les dessins du registre en fonction des dimensions du four à la maison. La disposition des pièces de la maison et l'emplacement des meubles doivent également être pris en compte.

Ici, il faut faire attention qu'il est préférable de choisir un schéma avec des chaudières en tôle - elles n'ont pas de coudes de tuyauterie connectés en un seul circuit inséparable. Une telle structure n'est pas si difficile à construire.

C'est également pratique car après l'installation, il est possible d'utiliser la table de cuisson sans problème, ce qui n'est pas le cas de certaines chaudières à tubes.

Registre des tuyaux lisses - dessin

Lorsque le liquide de refroidissement se déplace par gravité, vous devez alors élever le vase d'expansion plus haut et utiliser des tuyaux de gros diamètres. Si les tuyaux sont de taille insuffisante, une pompe ne peut pas être supprimée, car il n'y aura pas de bonne circulation.

Les chaudières équipées de pompes ont leurs avantages et leurs inconvénients: vous pouvez économiser de l'argent en installant des tuyaux de plus petit diamètre et en n'élevant pas le système si haut, mais il y a un inconvénient important - lorsque l'électricité est coupée ou que la pompe de circulation brûle, le chauffage la chaudière peut tout simplement exploser.

Il est préférable d'assembler la structure à la maison, sur place, car l'appareil, comme les pièces individuelles, a un poids et des dimensions très importants.

Mise en place du système

Échangeur de chaleur de batterie en fonte

  • Avant l'installation, une fondation solide est coulée, sur laquelle il est préférable de poser une couche de briques.
  • Vous pouvez poser la grille à différentes étapes : avant la chaudière, si la structure double, dont la partie inférieure peut être égale ou supérieure à la partie supérieure de la grille, lorsque le poêle est bas et que le système est placé un peu plus haut , puis la grille, les portes, le coin du poêle sont généralement placés après l'installation de la chaudière.
  • Un boîtier est installé - il se compose généralement de deux conteneurs reliés par des tuyaux.
  • L'ensemble du système d'échange de chaleur est soudé à la chaudière: le tuyau de sortie va au détendeur, passe en cercle, à travers les radiateurs, et de l'autre côté, le tuyau de retour est soudé à la chaudière par le bas.
Lire aussi :  Nous créons un chauffage par convecteur pour chauffer la maison

Le chauffage au poêle avec un circuit d'eau permet, d'une part, d'utiliser le bois de chauffage de manière beaucoup plus rationnelle, et d'autre part, de répartir uniformément l'air chaud dans toute la pièce chauffée.

Après avoir décidé de fabriquer indépendamment un système de chauffage à la maison avec un circuit d'eau au bois, réfléchissez à toutes les étapes du travail et, en cas de doute sur le succès, il est préférable de contacter des spécialistes.

Le choix des tuyaux pour le câblage

Le résultat final dépend de la qualité de chaque partie du système, qui consiste à économiser et à économiser de la chaleur. Par conséquent, les éléments les plus longs - les tuyaux - doivent également faire l'objet d'une attention particulière.

D'un point de vue technologique, les tuyaux et raccords doivent avoir les qualités suivantes :

  • force;
  • faciliter;
  • aptitude à la réparation;
  • étanchéité;
  • faible niveau sonore.

Le faible coût est également un élément important lors du choix, car l'équipement du système de chauffage nécessite un grand nombre de produits à des fins diverses. Tuyaux en polypropylène - la meilleure option pour l'auto-assemblage du système de chauffage

Vous pouvez apprendre à utiliser une machine à souder pour coudre des tuyaux en 10 minutes

Tuyaux en polypropylène - la meilleure option pour l'auto-assemblage du système de chauffage. Vous pouvez apprendre à utiliser une machine à souder pour coudre des tuyaux en 10 minutes

Maintenant, il est peu probable que quiconque entreprenne l'installation de câblage à partir de tuyaux métalliques. Les produits en acier, en cuivre et galvanisés appartiennent au passé, laissant la place à des produits moins chers et plus fonctionnels.

La meilleure alternative sont les produits polymères. qui peut être divisé en trois groupes :

  • polypropylène;
  • métal-plastique.

Les avantages des tuyaux en polypropylène sont leur faible coût, leur facilité de soudage et leur longue durée de vie.Moins - manque d'élasticité. Lors du remplacement d'un tuyau, vous devrez changer tout le fragment de connexion en connexion.

Sur une longue section du pipeline, les tuyaux en polypropylène s'affaissent, car ils ont une expansion de 6 mm / 5 m.Une fixation solide est fournie avec des supports ou des clips montés dans le mur à des intervalles de 1 à 1,1 m

Les tuyaux en métal-plastique durables résistent aux changements brusques de température. Capable de servir sans réparations majeures jusqu'à 30 ans. Le point faible réside dans les éléments de raccordement - les raccords avec une zone d'écoulement déraisonnablement rétrécie. En cas de gel du liquide de refroidissement, une percée est probable.

Lors du choix des tuyaux, laissez-vous guider par les principaux indicateurs techniques de l'équipement et le type de liquide de refroidissement.

Système de chauffage au sol

Un excellent moyen d'isoler une propriété privée sera un système de plancher isolé.

La principale commodité est que vous n'avez pas besoin de beaucoup d'équipement, d'équipements différents.

Des tuyaux flexibles mais à haute résistance sont disposés sur la base, à travers lesquels passeront de l'eau chaude ou de la vapeur. D'en haut, la disposition est coulée avec du mortier de ciment, réalisant une chape de sol. En raison de la conductivité thermique du béton, la surface se réchauffe uniformément.

Des sols toujours chauds ne permettent pas de refroidir les locaux.

Dans un climat tempéré, cette mesure est suffisante pour créer du confort.

Certains propriétaires combinent avec succès le chauffage à la vapeur avec un système de base isolé, ce qui est très important pour les résidents des régions froides du pays.

Exemple de chauffage combiné

L'essentiel est que l'installation soit sûre, puis qu'elle réponde aux exigences de la sélection. Ensuite - calculs prenant en compte les facteurs de correction afin d'acheter le bon équipement.

Les calculs et l'établissement d'un schéma sont les étapes les plus importantes de la pose des lignes de chauffage, il est donc préférable de les commander auprès de professionnels.

Le principe de la pose d'un chauffage au sol est clairement illustré dans la vidéo suivante :

note moyenne

notes supérieures à 0

Lien de partage

Calcul de la taille du registre

Afin de créer de vos propres mains un circuit d'eau pour le poêle, vous devez déterminer ses dimensions, ou plutôt la surface de la surface d'échange de chaleur. Pour ce faire, utilisez l'algorithme suivant :

  1. Découvrez quelle est la superficie des pièces chauffées et multipliez-la par 0,1 kW. Si vous habitez dans l'une des régions froides du nord, multipliez la superficie des locaux par 0,2 kW. Pour une maison de 100 m², il vous faudra respectivement 10 et 20 kW d'énergie thermique.
  2. Des observations pratiques, il s'ensuit qu'un registre installé directement dans le foyer est capable de transférer jusqu'à 10 kW de chaleur au liquide de refroidissement à partir de chaque mètre carré de sa surface. Divisez la valeur de la demande de chaleur par ce chiffre pour obtenir la surface du radiateur.
  3. Pour un économiseur et un réservoir montés dans un canal de cheminée, où la température est plus basse, prendre la valeur du transfert de chaleur spécifique non pas 10, mais 6 kW à partir de 1 m² de surface.
  4. Connaissant la superficie, il n'est pas difficile de calculer les dimensions d'un conteneur rectangulaire. Mais la longueur des tuyaux à partir desquels le registre est brassé est calculée par la formule: L \u003d S / πD (S est la surface, D est le diamètre du tuyau).

Organisation du chauffage des bâtiments multi-pièces à l'aide de poêles à bois

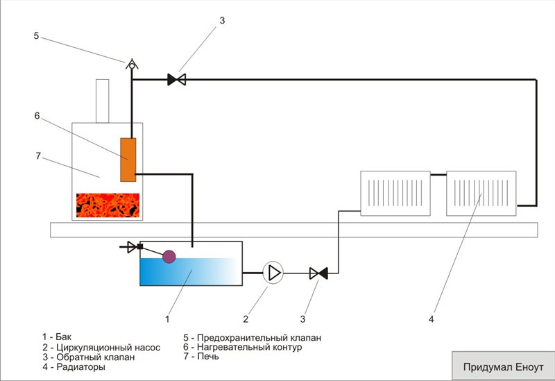
Schéma d'un four à briques avec une chaudière à eau chaude placée dans le four

Si, à titre d'exemple, nous prenons des pièces de cottage avec un carré de 100 m², la surface d'échange thermique du radiateur intégré au four doit être d'au moins 1 m². Lorsqu'il est installé dans un conduit de gaz, cette surface passera à 10 / 6 = 1,67 m².

De quoi est composé le poêle ?

L'acier durable ou la fonte sont de bonnes options pour fabriquer des poêles

Ils ont une excellente dissipation de la chaleur et, ce qui est très important, réchauffent la pièce très rapidement. S'il n'y avait pas auparavant d'alternative valable aux fours à briques, aujourd'hui les avantages des modèles en métal ont déjà été appréciés par de nombreux propriétaires de maisons et de chalets.

Les surfaces chauffantes des appareils en fonte ont une température plusieurs fois supérieure à celle des poêles en brique pour une maison à bois. Ils sont compacts et sûrs si les exigences de fonctionnement sont respectées.

Organisation du chauffage des bâtiments multi-pièces à l'aide de poêles à bois

La fonte est plus lourde que l'acier, elles doivent être posées sur une base solide. Mais ils ont un grand avantage - ils peuvent accumuler de la chaleur, résister à des températures élevées. Ils sont plus durables. Les modèles de conception les plus intéressants sont en fonte.

Autres conseils

Le salon avec la cuisine peut être combiné et décoré avec divers défauts.

Il est important de tout calculer et de tout anticiper à l'avance.
Les concepteurs et les artisans partagent des conseils pour éviter les problèmes lors des réparations et des aménagements :

Le résultat dépend du niveau de détail du projet. Curieusement, cela vaut la peine de considérer la croissance des êtres chers et des proches. Il est également conseillé de calculer le nombre approximatif d'invités possibles.
Vous pouvez vous débarrasser de l'odeur de nourriture si vous installez une hotte ou un système de ventilation solide.

Les petits modèles sont plus adaptés aux femmes au foyer qui cuisinent peu.
Si un lieu de couchage est prévu dans le salon, il est important que la sonnerie des appareils et autres ustensiles de cuisine ne soit pas entendue. Les lave-vaisselle et autres appareils silencieux seront utiles.

De plus, vous pouvez installer une porte coulissante et installer une cloison insonorisée. S'il y a une sensibilité à la lumière ultraviolette, les propriétaires accrochent des rideaux épais en tissu opaque.
Si les appareils électroménagers ne correspondent pas à la direction de l'intérieur, ils sont cachés derrière des meubles ou rangés dans des armoires de cuisine.
Lors de l'installation des luminaires et des lampes sont guidés par plusieurs critères

Il est important que la lumière tombe uniformément dans tout l'espace. Un éclairage particulièrement lumineux est préféré dans la cuisine et là où la table à manger est installée

Dans le salon, les designers créent une ambiance tamisée à l'aide d'appliques et de lampes à poser. Les plafonds tendus à plusieurs niveaux avec bande LED ont également fière allure dans cette pièce.Organisation du chauffage des bâtiments multi-pièces à l'aide de poêles à bois
Les matériaux de finition résistants à l'humidité sont plus durables, ils sont faciles à laver. Ainsi, ils conservent longtemps leur apparence.Organisation du chauffage des bâtiments multi-pièces à l'aide de poêles à bois
La cuisine, associée au salon, combine :

  • goûts personnels des propriétaires;
  • matériaux de finition fiables;
  • idées de conception actuelles ;
  • commodité;
  • les tendances. Les meilleures photos de conception de cuisine de salon
Lire aussi :  Calcul hydraulique du système de chauffage d'une maison privée - procédure de calcul + aperçu des programmes utiles

Organisation du chauffage des bâtiments multi-pièces à l'aide de poêles à bois

Organisation du chauffage des bâtiments multi-pièces à l'aide de poêles à bois

Organisation du chauffage des bâtiments multi-pièces à l'aide de poêles à bois

Organisation du chauffage des bâtiments multi-pièces à l'aide de poêles à bois

Organisation du chauffage des bâtiments multi-pièces à l'aide de poêles à bois

Organisation du chauffage des bâtiments multi-pièces à l'aide de poêles à bois

Organisation du chauffage des bâtiments multi-pièces à l'aide de poêles à bois

Organisation du chauffage des bâtiments multi-pièces à l'aide de poêles à bois

Organisation du chauffage des bâtiments multi-pièces à l'aide de poêles à bois

Organisation du chauffage des bâtiments multi-pièces à l'aide de poêles à bois

Organisation du chauffage des bâtiments multi-pièces à l'aide de poêles à bois

Organisation du chauffage des bâtiments multi-pièces à l'aide de poêles à bois

Organisation du chauffage des bâtiments multi-pièces à l'aide de poêles à bois

Organisation du chauffage des bâtiments multi-pièces à l'aide de poêles à bois

Organisation du chauffage des bâtiments multi-pièces à l'aide de poêles à bois

Organisation du chauffage des bâtiments multi-pièces à l'aide de poêles à bois

Organisation du chauffage des bâtiments multi-pièces à l'aide de poêles à bois

Organisation du chauffage des bâtiments multi-pièces à l'aide de poêles à bois

Organisation du chauffage des bâtiments multi-pièces à l'aide de poêles à bois

Organisation du chauffage des bâtiments multi-pièces à l'aide de poêles à bois

Organisation du chauffage des bâtiments multi-pièces à l'aide de poêles à bois

Organisation du chauffage des bâtiments multi-pièces à l'aide de poêles à bois

Organisation du chauffage des bâtiments multi-pièces à l'aide de poêles à bois

Organisation du chauffage des bâtiments multi-pièces à l'aide de poêles à bois

Organisation du chauffage des bâtiments multi-pièces à l'aide de poêles à bois

Organisation du chauffage des bâtiments multi-pièces à l'aide de poêles à bois

Organisation du chauffage des bâtiments multi-pièces à l'aide de poêles à bois

Organisation du chauffage des bâtiments multi-pièces à l'aide de poêles à bois

Organisation du chauffage des bâtiments multi-pièces à l'aide de poêles à bois

Organisation du chauffage des bâtiments multi-pièces à l'aide de poêles à bois

Organisation du chauffage des bâtiments multi-pièces à l'aide de poêles à bois

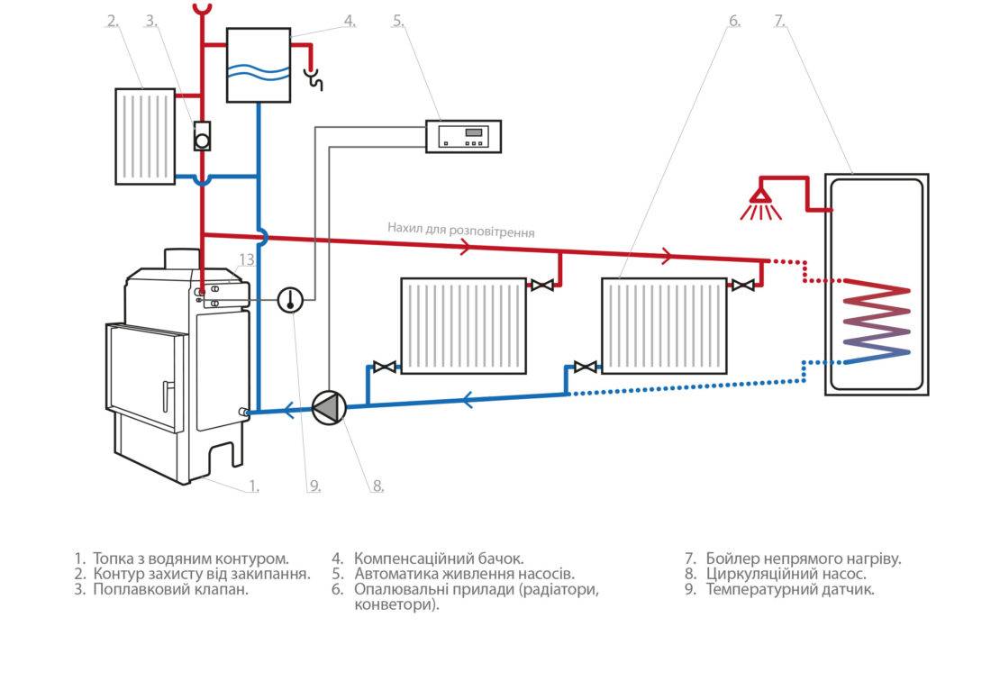
1 Conception et principe de fonctionnement

Un four à circuit d'eau chauffe rapidement la pièce grâce au liquide de refroidissement. Il peut s'agir d'eau ou d'un autre liquide qui se déplace dans le système. Il est chauffé par la chaleur du poêle lui-même. C'est ainsi que fonctionne le système.

Pour que le système fonctionne, il est impératif d'installer un conteneur métallique qui remplira les fonctions d'un échangeur de chaleur. Cela ressemble à un réservoir ordinaire avec des raccords auxquels des tuyaux sont connectés. Les prototypes modernes de tels appareils sont en métal et en briques résistantes au feu, peuvent être équipés de diverses décorations sur le dessus, de carreaux colorés, etc.

La conception peut se faire de deux manières :

  1. 1. L'échangeur de chaleur est dans le four.Cette conception est conçue pour chauffer de grandes surfaces, se caractérise par un fonctionnement et une durabilité à long terme. Mais il y a aussi des inconvénients. Il s'agit notamment de la proximité du feu, qui contribue à la combustion des pièces métalliques. Si vous ne nettoyez pas la cheminée de la suie, l'efficacité diminuera constamment.
  2. 2. Échangeur de chaleur dans la cheminée. Facilité d'utilisation et de fonctionnement, performances élevées et longue durée de vie de cet appareil. Mais il est peu probable qu'il soit possible de chauffer de grandes pièces à l'aide d'un tel appareil.

Caractéristiques du système

Un four à briques conventionnel se compose de composants tels qu'une chambre de combustion, un cendrier, des grilles et des cheminées. Ces composants d'un simple poêle russe sont probablement familiers à tout villageois. Visuellement, les types de poêles modernes ne sont pratiquement pas différents des conceptions rustiques traditionnelles.

Les principales caractéristiques des fours à eau chaude

Les fours traditionnels se caractérisent par des caractéristiques telles que :

  • Un simple poêle rustique peut dégager plus de 6500 kcal de chaleur en une heure. Cette quantité de chaleur est suffisante pour chauffer une maison avec une petite surface. Un tel système de chauffage sera une solution idéale pour une petite maison de campagne. Un poêle à eau, dont le composant principal est une chaudière à eau, sera environ 2,5 fois plus efficace. Grâce à un tel système de chauffage, vous pouvez déjà chauffer une maison avec une surface beaucoup plus grande. Pour chauffer la maison, la même quantité de combustible est nécessaire, ce qui signifie qu'un tel système sera plus économique.
  • Un système de chauffage combinant un poêle et une chaudière sera également efficace.Si les deux systèmes fonctionnent simultanément, leurs performances augmentent plusieurs fois. Un tandem de deux de ces systèmes de chauffage peut produire plus de 21 000 kcal de chaleur en une heure de fonctionnement. Cette quantité de chaleur est suffisante pour chauffer une maison d'une superficie allant jusqu'à 300 mètres carrés. mètres.

Organisation du chauffage des bâtiments multi-pièces à l'aide de poêles à boisFournaise reliée au chauffage de l'eau

  • Le plus souvent, un tel système de chauffage utilise un combustible tel que le charbon ou le bois. Le prix d'un tel carburant n'est pas élevé et son transport ne devrait pas poser de difficultés particulières. Le bois de chauffage peut être combiné avec du charbon en même temps.
  • Il n'est pas nécessaire de chauffer constamment les poêles avec chauffage à eau. Le combustible peut être mis dans le four plusieurs fois par jour. Vous pouvez créer des conditions confortables à l'intérieur, quel que soit le temps ou la température extérieure.
  • Si l'on compare l'efficacité du chauffage au poêle traditionnel avec un système combiné, ce chiffre passera de 50% à 85%. Pour le chauffage au bois, cet indicateur peut être qualifié d'idéal.
  • Les matériaux nécessaires pour organiser un tel système de chauffage sont assez abordables et ne sont pas inclus dans la catégorie de prix onéreuse.

Inconvénients des poêles à eau chaude

Le chauffage au poêle a aussi ses inconvénients, et il serait injuste de ne pas les énumérer.

Un four en brique avec chauffage à eau peut être installé non seulement dans une maison rurale ou de campagne, mais également dans des chalets d'élite. Habituellement, les propriétaires de maisons d'élite s'efforcent de faire en sorte qu'un tel four pour le chauffage de l'eau, en plus de ses fonctions habituelles, remplisse également un rôle décoratif. Lors du fonctionnement d'un tel système combiné, il est nécessaire de respecter certaines règles de sécurité et d'entretien du système:

La fournaise pour le chauffage de l'eau à la maison doit être sous contrôle humain à tout moment

Cela concerne non seulement la question du chargement du combustible, mais également le nettoyage de la chambre à cendres.
Les canaux de fumée nécessitent également une attention particulière. Avant d'allumer un feu dans le levier, assurez-vous que les vannes du canal de fumée sont en position ouverte.
De tels systèmes ne peuvent être utilisés que pendant la saison froide.

En saison chaude, il ne sera pas pratique d'utiliser un tel poêle avec un circuit d'eau pour cuisiner. Si vous devez faire cuire des aliments, il est préférable d'utiliser une autre source de chaleur alternative à cet effet.

Si vous souhaitez fabriquer des poêles pour chauffer l'eau à la maison sur commande, il est préférable de faire appel à des professionnels. Si votre four est fabriqué par une personne non qualifiée, il n'y a aucune garantie que le four fonctionnera normalement ou sera complètement sûr. La surchauffe du four peut causer des problèmes, qui finiront par entraîner une panne complète du four.

Organisation du chauffage des bâtiments multi-pièces à l'aide de poêles à boisUn poêle conventionnel est généralement conçu pour chauffer une petite pièce.

Étant donné que la flamme a des indicateurs de température élevée, elle finira par violer l'intégrité des parois de la chaudière. Cela signifie que le moment viendra où l'échangeur de chaleur devra être changé. Ce n'est pas si facile à faire, puisqu'il faut enlever une bonne partie de la maçonnerie.

Fours à table de cuisson

Si le four a une plaque de cuisson, c'est un grand avantage. Vous pouvez cuire des aliments et faire bouillir de l'eau dans une bouilloire sans utiliser de source de chaleur supplémentaire. Dans les conditions d'une maison de campagne, qui n'a pas de cuisine séparée, un tel poêle aidera. Il existe de nombreux modèles similaires, la table de cuisson est même intégrée dans des poêles à ventre ordinaires.Les brûleurs sont amovibles ou fixes.

En règle générale, la table de cuisson est située dans la partie supérieure du foyer, la distance au combustible est minimale, cela garantit une cuisson ou un chauffage rapide des plats avec une faible consommation de bois.

Organisation du chauffage des bâtiments multi-pièces à l'aide de poêles à bois

Il est également possible d'installer un réservoir dans lequel l'eau est chauffée pour les besoins domestiques. Les modèles avec four intégré sont intéressants.

De tels modèles utilisent de manière optimale l'énergie thermique du combustible.

Systèmes de chauffage au bois à la maison

Organisation du chauffage des bâtiments multi-pièces à l'aide de poêles à bois

Schéma de raccordement chaudière avec accumulateur de chaleur

Le point clé dans la conception du chauffage au bois est le choix du schéma. Cela dépend - si une chaudière à bois sera installée de vos propres mains ou si un poêle ou une cheminée remplira ses fonctions. Pour déterminer l'option optimale, il est nécessaire de prendre en compte tous les facteurs possibles.

Tout d'abord, la superficie du bâtiment et le nombre de pièces sont pris en compte. Le plus souvent, les poêles à bois pour chalets d'été sont installés s'il y a un maximum de deux pièces. Dans ce cas, il n'est pas nécessaire de faire un système de chauffage de l'eau.

Considérez les principaux facteurs influençant le choix du type de chauffage:

  • Eau. Il se compose d'une chaudière (poêle, cheminée) reliée à la canalisation. Le transfert d'énergie thermique se produit grâce aux radiateurs installés. La meilleure option pour une maison d'une superficie de 80 m²;
  • Fourneau. Les poêles à bois sont utilisés pour chauffer l'air de la pièce. Ils se caractérisent par une faible efficacité et une petite surface de chauffe. Cependant, leur disposition nécessite le moins d'effort. L'exception concerne les constructions en briques réfractaires. Ce type est utilisé pour chauffer les maisons d'une superficie inférieure à 60 m²;
  • Cheminée. Analogique à l'alimentation en chaleur du four.La différence sera pompée dans la taille de la chambre de combustion - elle est beaucoup plus grande près du foyer. De plus, chauffer une maison privée avec une chaudière à bois implique parfois la présence d'une plaque de cuisson dans la conception.

Organisation du chauffage des bâtiments multi-pièces à l'aide de poêles à bois

Échangeur de chaleur dans le four

Comme vous pouvez le constater, le choix de l'option dépend directement de la superficie de la maison. Il convient de garder à l'esprit que le système de chauffage au bois peut être mis à niveau. Il suffit d'installer un échangeur de chaleur dans le four pour permettre une alimentation en eau chaude à part entière.

Mais l'option la plus courante consiste à installer une chaudière à bois pour le chauffage domestique. Il est beaucoup plus pratique et plus facile à utiliser qu'une cheminée ou un poêle.

Pour le fonctionnement normal du chauffage au bois d'une maison de campagne, il est nécessaire de réfléchir à l'avance au système de cheminée. Le diamètre optimal du tuyau et sa hauteur sont pris en compte.

Caractéristiques de l'appareil et choix du schéma de circulation

Organisation du chauffage des bâtiments multi-pièces à l'aide de poêles à bois

La circulation est basée sur l'une des méthodes suivantes :

  • Le processus naturel est basé sur la différence de densité entre l'eau chaude et l'eau froide. Au cours du processus de chauffage, la densité du liquide diminue, la gravité spécifique diminue et, par conséquent, il commence à remonter les tuyaux. En refroidissant, au contraire, la densité augmente, la solution a tendance à descendre. Le principal avantage de cette méthode est l'autonomie absolue, l'indépendance vis-à-vis de l'électricité, ainsi que la simplicité constructive. Le principal inconvénient est la consommation accrue de matériaux, le circuit est constitué d'un grand nombre de tuyaux de diamètre impressionnant. De plus, lors de l'installation, une pente d'environ 2 degrés doit être maintenue.
  • Système de chauffage d'une maison à un étage avec une pompe de circulation.L'excès d'eau, qui se forme inévitablement lors du chauffage, se trouve à l'intérieur d'un vase d'expansion spécial, généralement fermé, qui empêche le phénomène d'évaporation. De plus, des manomètres sont nécessaires pour contrôler la pression. Les avantages d'un tel schéma sont le volume minimum de liquide de refroidissement requis, le petit diamètre des tuyaux et leur faible consommation. Le principal inconvénient est la dépendance vis-à-vis de l'approvisionnement en électricité, qui est souvent un problème pour le secteur privé.
  • Combinaison. La pompe est installée dans un circuit déjà réalisé à circulation naturelle. Cette option fonctionne sans pompe, mais avec son inclusion, la puissance et l'efficacité augmentent considérablement.

Plusieurs modèles de four populaires

Parmi les modèles de poêles les plus populaires pour le chauffage des maisons et des chalets figurent les suivants :

Four pour la maison TOP-modèle 200 avec une porte en fonte d'un fabricant national Teplodar. Fournit un chauffage par convection à grande vitesse des pièces et maintient la chaleur en mode de combustion longue jusqu'à 8 heures. Convient pour chauffer des maisons jusqu'à 200 mètres cubes. Le poêle est fabriqué dans un style laconique et s'intégrera donc parfaitement dans n'importe quel intérieur.

Organisation du chauffage des bâtiments multi-pièces à l'aide de poêles à bois

Termofor Fire-battery 7 - unité murale d'une capacité de 10 kW, peut chauffer une pièce d'un volume de 15 mètres cubes. mètres. L'apparence ressemble à un radiateur en fonte gonflé avec de puissantes ailettes. La trappe à carburant transparente est une fenêtre de visualisation à travers laquelle vous pouvez observer la flamme du feu. La conception comprend une plaque de cuisson.

Breneran AOT-06/00 est un modèle de plancher pour la maison ou les chalets d'été. Pour une efficacité de chauffage, la structure est renforcée par des tuyaux creux. Avec seulement 6 kW de puissance, le poêle fera une pièce chaude jusqu'à 100 mètres carrés. mètres.Le volume de la chambre de combustion est de 40 litres

Son design est inhabituel, attirera l'attention des amateurs d'exotisme.

META Angara Aqua est un poêle de type cheminée équipé d'une grande porte de foyer transparente renforcée de trois verres. Étagères à bois de chauffage incluses

Une unité de 13 kW chauffera facilement jusqu'à 230 mètres cubes. mètres. Peut être installé dans les grandes habitations, car il est possible de raccorder un circuit d'eau.

Il existe des centaines de milliers de modèles de poêles chauffants sur le marché. Ces échantillons sont considérés comme les meilleurs poêles pour une maison au bois, ils sont le plus souvent choisis par les consommateurs. Chacun des modèles répond à certaines exigences et a sa propre catégorie de prix.

Avantages et inconvénients du chauffage à partir d'un poêle

Les fours avec circuit d'eau sont faciles à fabriquer par vous-même, mais vous pouvez acheter des appareils de chauffage prêts à l'emploi dans le magasin. Les modèles se caractérisent par les avantages suivants :

  1. Les fours avec circuit d'eau n'ont pas besoin d'être raccordés au secteur. Ils n'utilisent pas de gaz comme carburant. Les appareils fonctionnent au charbon, à la tourbe et au bois, qui sont des combustibles renouvelables.
  2. Le chauffage de l'eau du four est complètement autonome, alors qu'il peut être combiné avec d'autres systèmes.
  3. Le réglage est effectué par un amortisseur manuel.
  4. Les parois du four sont massives, elles transfèrent la chaleur, chauffant l'air et les objets environnants. La pièce est chauffée uniformément grâce à l'utilisation d'un liquide de refroidissement. Il passe à travers les tuyaux, les chauffant et les radiateurs.
  5. Chauffer une maison privée ne nécessite pas de grosses dépenses. Le charbon, la tourbe et le bois sont à la disposition de tous.
  6. Les fours ne chauffent pas seulement la pièce, ils sont utilisés pour la cuisson et le chauffage de l'eau.
  7. Des appareils dont la façade est recouverte de verre permettent de contempler une flamme nue. Les cheminées créent une atmosphère confortable dans les maisons.
  8. La conception du four est massive, pendant la saison froide, il accumule une grande quantité d'énergie thermique. Le poêle se refroidit progressivement, il chauffe donc la pièce longtemps après l'épuisement du combustible. En été, les processus se déroulent dans le sens inverse. Si le poêle d'une maison en bois est construit sur une fondation séparée, pendant la saison chaude, il évacue l'excès de chaleur dans le sol, fonctionnant comme un climatiseur.
  9. Le combustible naturel sur lequel fonctionne le poêle pollue modérément l'environnement.
  10. L'eau est utilisée comme caloporteur. Il a une capacité calorifique volumétrique, ce qui permet de transférer la chaleur sur de longues distances. L'eau est abordable. Il ne brûle pas, il n'est pas toxique.

Organisation du chauffage des bâtiments multi-pièces à l'aide de poêles à bois

Mais les fours à circuit d'eau présentent également des inconvénients. Il est nécessaire de les surveiller en permanence, de poser du bois de chauffage à temps et de réguler la traction. La cheminée doit être nettoyée et les cendres enlevées.

Un four à briques puissant est grand, il est donc placé sur une base solide. Il occupe la surface utilisable de la pièce, de ce fait, de grandes structures sont installées dans des pièces spacieuses. Un tel four a un faible rendement.

Organisation du chauffage des bâtiments multi-pièces à l'aide de poêles à bois

Lors de l'installation du poêle, vous devez construire une cheminée. Le tirage doit être fort, puis le carburant brûle intensément et la fumée est rapidement évacuée. Le tuyau est isolé des éléments en bois du toit et des planchers. Après avoir installé un poêle dans la maison, il est nécessaire de maintenir un approvisionnement en combustible, d'éliminer les cendres et les scories à temps. Cela ajoute du travail aux propriétaires d'une maison privée.

Le principal inconvénient du chauffage de l'eau peut être appelé le fait que l'eau gèle rapidement. Se transformant en glace, il se dilate, endommageant les appareils. Associé à l'air, il contribue à l'apparition de corrosion sur les éléments métalliques du système de chauffage.Si l'eau est dure, du tartre se formera à l'intérieur des radiateurs et des tuyaux.

Organisation du chauffage des bâtiments multi-pièces à l'aide de poêles à bois

Technologie pour installer le chauffage de l'eau dans un poêle à bois conventionnel

La conception du four avec un circuit d'eau contient des instructions pour son emplacement et ses dimensions

Il est important de considérer l'emplacement des cloisons intérieures et des meubles. Pour les grandes structures de poids considérable, une base solide en béton est posée.

La base du poêle et le matériau de finition au sol doivent être séparés par un renfoncement de protection contre le feu.

Pour la mise en œuvre de la maçonnerie, un mortier spécial et des briques de haute qualité sont utilisés. Compte tenu de la complexité de la préparation du mélange et des exigences de qualité, il est parfois plus fiable de l'acheter tout prêt. La fondation a besoin d'une imperméabilisation obligatoire. Avant de poser les briques, il est recommandé de les immerger dans l'eau pendant une journée. Armés des dimensions des éléments de maçonnerie, ils sélectionnent l'ordre approprié.

Organisation du chauffage des bâtiments multi-pièces à l'aide de poêles à bois

Une bobine de registre est montée à l'intérieur de la structure en construction: les conduites d'alimentation et de retour y sont ensuite commutées. L'un d'eux sert à fournir du liquide de refroidissement chaud à travers le vase d'expansion au système. Le deuxième tuyau est un canal pour renvoyer le liquide refroidi vers le registre. Le mouvement de l'eau est assuré par les forces gravitationnelles. Les dimensions des coutures de raccordement sont autorisées à moins de 4 mm. Il est nécessaire de s'assurer qu'il n'y a pas de coins pointus à l'intérieur du foyer et de la cheminée. Il est préférable d'utiliser des raccordements arrondis qui n'affectent pas l'efficacité du désenfumage. Cela réduira considérablement la quantité de suie formée dans le foyer.

Évaluation
Site sur la plomberie

Nous vous conseillons de lire

Où remplir la poudre dans la machine à laver et combien de poudre verser