Exigences pour l'installation d'une chaudière à gaz dans une maison privée: conseils d'installation et règles de fonctionnement en toute sécurité

Installation à faire soi-même d'une chaudière à gaz au sol: normes techniques et algorithme de travail

Installation d'évacuation et de ventilation

Les mesures de sécurité exigent qu'une ventilation forcée soit effectuée dans la pièce où la chaudière est installée.

Tout est assez facile si l'on parle d'un appareil à chambre de combustion fermée (et ce sont désormais la majorité). En installant un conduit de cheminée coaxial, le propriétaire obtient deux en un : à la fois l'afflux d'air frais directement dans la chaudière et l'évacuation des gaz d'échappement.

Si la hotte est montée sur le toit, elle est généralement réalisée dans le même bloc que le conduit de fumée, mais ce dernier doit être un mètre plus haut.

Les travailleurs du gaz vérifieront périodiquement le pipeline pour sa propreté et son tirage. Des trappes de nettoyage et des collecteurs de condensat doivent être disposés.

Normes pour les maisons privées

Selon la réglementation, il est possible de placer des équipements de chauffage au gaz uniquement dans des pièces bien ventilées, situées:

  • Au rez-de-chaussée de l'immeuble;
  • Au sous-sol ou au sous-sol;
  • Dans le grenier;
  • Dans la cuisine (seules les chaudières d'une puissance maximale de 35 kW peuvent être installées dans les cuisines).

Dans ce dernier cas, il faut prendre en compte non pas une norme, mais deux à la fois. Le premier d'entre eux vous permet d'installer des unités d'une puissance allant jusqu'à 35 kW, et la seconde - jusqu'à 60 kW. Ces normes ne concernent que les équipements de chauffage - aucune exigence n'est imposée sur les autres appareils utilisant du gaz.

Afin de savoir exactement quelle norme doit être suivie dans une situation particulière, vous devez contacter le service de gaz local - ce sont ses employés qui mettront l'équipement en service après l'installation. Des informations sur les normes en vigueur peuvent également être obtenues auprès du concepteur - au final, la source d'information n'a pas vraiment d'importance, seul le résultat est important.

Exigences pour l'installation d'une chaudière à gaz dans une maison privée: conseils d'installation et règles de fonctionnement en toute sécurité

Le résultat dans ce cas est une compréhension des règles d'installation des chaudières à gaz. De plus, vous devez avoir une idée du type de pièce nécessaire pour une chaudière à gaz afin qu'elle puisse être installée et mise en service, après avoir passé l'étape de coordination avec les services concernés.

Le placement d'une chaudière à gaz dans une maison privée, en fonction de sa capacité totale, doit être effectué comme suit:

  • Puissance jusqu'à 150 kW - l'installation est possible à n'importe quel étage où il y a une pièce séparée libre ;
  • Puissance de 150 à 350 kW - l'équipement peut être installé dans une pièce séparée ne dépassant pas le premier étage, ainsi que dans des dépendances.

Réalisation d'un essai

Ceci termine les travaux principaux de raccordement de la chaudière à gaz. L'exception concerne les appareils avec un foyer fermé. Ils doivent être raccordés au réseau électrique. Il est préférable de le faire à travers le stabilisateur.

Après cela, le système peut être rempli de liquide de refroidissement. Cela se fait le plus lentement possible afin de déplacer la majeure partie de l'air qui s'y trouve. Le liquide est pompé jusqu'à ce qu'une pression de 2 atm soit atteinte.

Toutes les connexions sont soigneusement vérifiées pour détecter d'éventuelles fuites. Une fois que le représentant du service de gaz a inspecté la connexion établie et autorisé l'alimentation en gaz, vous devez également examiner attentivement toutes les connexions sur cette canalisation. Ils doivent être enduits d'eau savonneuse et s'assurer qu'il n'y a pas de bulles. Vous pouvez maintenant effectuer le premier démarrage de l'équipement.

Règles et réglementations pour l'installation de chaudières à gaz

Ces chaudières sont installées conformément au projet, qui reflète toutes les normes de sécurité, le site d'installation et les distances ignifuges par rapport aux éléments structurels du bâtiment sont déterminés.

Avant le début des travaux de construction et d'installation, la documentation du projet est coordonnée avec les organismes de réglementation compétents, qui vérifient également sa conformité aux normes nationales.

L'installation de la chaudière est effectuée uniquement par un organisme spécialisé autorisé à effectuer de tels travaux.Une fois les travaux d'installation terminés, la chaudière est mise en service sur la base d'une commission composée de représentants du client, de l'organisation de conception de l'entreprise d'installation, du gaz de ville, de l'architecture, de la construction d'immobilisations, de SES et des pompiers. Ainsi, le propriétaire doit également connaître les exigences relatives à l'emplacement des équipements de la chaudière à gaz afin de bien préparer les termes de référence pour la conception.

mur

Schéma de la chaudière au mur

Les exigences pour les locaux où il est prévu d'installer un appareil de chauffage mural visent principalement à protéger les structures du bâtiment contre le feu

Dans cette option, le propriétaire devra porter une attention particulière au mur sur lequel il envisage de fixer l'appareil, il doit être capable de supporter le poids de la structure et résistant au feu

Exigences de base en matière de pièce pour les unités murales :

  1. Le volume de la pièce pour la chaudière à gaz est supérieur à 7,51 m3.
  2. La présence d'une ventilation naturelle puissante, un bloc de fenêtre avec une fenêtre et une porte avec une ouverture pour l'entrée d'air - 0,02 m2 doit être placé dans la pièce.
  3. Les distances maximales aux éléments de fermeture du bâtiment: sol - 80 cm, plafond - 45 cm, murs sur les côtés - 20 cm, du corps au mur arrière - 40 mm, de l'avant de l'unité à la porte - 100cm.
  4. Le mur de placement est recouvert d'un matériau résistant au feu en tôle d'acier d'une épaisseur supérieure à 3 mm.
  5. Isolez thermiquement les surfaces adjacentes latérales des murs et des meubles.

Extérieur

Pour ces modèles, une plus grande attention doit être accordée à la structure du sol, car ces structures sont lourdes et les pertes de chaleur du corps vont principalement au sol en dessous.

Par conséquent, dans la zone de l'unité de chaudière, une base est constituée d'un matériau incombustible, avec un renfort capable de résister à l'ensemble de la conception du système d'alimentation en chaleur, avec une chaudière et une chaudière à chauffage indirect.

Normes de pièce pour l'installation d'une chaudière à gaz avec installation au sol:

  1. Libre accès aux éléments de travail du groupe chaudière.
  2. La surface minimale pour placer une unité est d'au moins 4 m2, tandis que pas plus de 2 appareils sont autorisés dans la pièce.
  3. La hauteur de la pièce est de 2,20 m.
  4. Ventilation d'alimentation et d'extraction, fenêtres à raison de 0,3 m2 pour 10,0 m3 de volume de la pièce, une porte avec une ouverture de 0,8 m.
  5. L'écart entre la porte et la façade de l'unité est de -1 m.
  6. Les murs et le sol sont en matériaux incombustibles.

Exigences pour l'installation d'une chaudière dans un appartement

Comment installer une chaudière gaz double circuit dans un appartement ? Souvent, l'installation de tels équipements est difficile pour un certain nombre de raisons (absence d'un gazoduc central, difficultés à obtenir une autorisation, manque de conditions, etc.). Pour s'inscrire, la connaissance des lois et des règles de base est requise. En cas d'installation non autorisée d'une chaudière à gaz, vous devrez payer une forte amende et démonter la chaudière. Vous devez commencer par obtenir une autorisation.

Documents requis

Pour monter la chaudière dans un appartement avec chauffage central existant, vous devez collecter un paquet de documents et passer par plusieurs autorités par étapes :

  1. Après avoir soumis une demande aux autorités de surveillance de l'État, si les conditions d'installation et d'entretien de l'appareil de chauffage sont remplies, des spécifications techniques sont émises, qui constituent un permis pour l'installation d'équipements.
  2. Après avoir reçu les conditions, un projet est créé. Elle peut être effectuée par une organisation qui dispose d'une licence pour ce type d'activité. Le meilleur choix serait une compagnie de gaz.
  3. Obtention de l'autorisation d'entrer dans la chaudière. Il est délivré par les inspecteurs des entreprises qui contrôlent la ventilation. Lors de l'inspection, un acte sera rédigé avec des instructions qui doivent être éliminées.
  4. Après avoir collecté tous les documents, la documentation de conception pour l'installation de la chaudière dans un appartement séparé est coordonnée. Dans un délai de 1 à 3 mois, les employés de la supervision de l'État doivent terminer la coordination de l'installation. Si aucune violation n'est constatée lors de la collecte et de la préparation des documents, le consommateur reçoit une licence finale pour l'installation.
  5. Les documents de refus de service sont soumis à l'entreprise fournissant des services de fourniture de chaleur.
Lire aussi :  Chaudière gaz à condensation : spécificités d'action, avantages et inconvénients + différence avec les modèles classiques

Vous ne pouvez pas enfreindre les règles. Seul le respect de toutes les conditions permettra d'obtenir l'autorisation d'installer des équipements à gaz.

exigences de la chaufferie

La pièce dans laquelle la chaudière est installée doit répondre aux exigences suivantes :

  1. Les équipements à gaz ne peuvent être installés que dans des locaux non résidentiels aux portes bien fermées. Pour l'installation, n'utilisez pas la chambre à coucher, les buanderies, les cuisines et les toilettes.
  2. Il est préférable d'installer un compteur de gaz dans la cuisine. Dans ce cas, un tuyau supplémentaire est introduit dans la pièce.
  3. Toutes les surfaces (murs et plafond) de la pièce doivent être revêtues de matériaux réfractaires. Il est conseillé d'utiliser des carreaux de céramique ou des plaques de fibres de gypse.
  4. La surface de la pièce à installer doit être d'au moins 4 m2. Il est nécessaire de fournir un accès à tous les nœuds de la chaudière à gaz pour une maintenance de haute qualité du système.

Pose de cheminée

L'installation de chauffage au gaz dans les appartements n'est autorisée qu'avec une ventilation fonctionnant normalement et un système d'évacuation des produits de combustion. Par conséquent, il serait optimal d'utiliser une chaudière avec une chambre de combustion fermée, qui est reliée à un tuyau horizontal pour évacuer la fumée. Dans ce cas, il ne sera pas nécessaire de réaliser plusieurs canalisations pour la ventilation et le désenfumage.

Si plusieurs propriétaires de la maison souhaitent passer au chauffage individuel en même temps, les cheminées sont regroupées en un seul groupe. Attaché de l'extérieur est un tuyau vertical, auquel sont connectés des tuyaux horizontaux provenant des appartements.

Pour un fonctionnement normal du système, il est nécessaire d'installer des dispositifs de circulation d'air à haut débit dans la chaufferie. Une telle ventilation doit être installée séparément, sans contact avec la ventilation générale.

Passer au chauffage individuel : avantages et inconvénients

Passer du chauffage central au gaz demande beaucoup d'argent et de travail. La délivrance des permis prend beaucoup de temps, vous devez donc planifier et commencer à collecter les papiers nécessaires bien avant l'installation proposée.

La plupart des représentants des structures étatiques empêcheront la déconnexion du système de chauffage central. Les permis sont délivrés à contrecœur. Par conséquent, les problèmes de paperasse sont le principal inconvénient de la transition vers le chauffage au gaz.

Inconvénients de commutation :

  1. Inadéquation de l'appartement pour l'installation de systèmes de chauffage individuels. Pour obtenir un permis, plusieurs étapes doivent être franchies. La reconstruction partielle coûte cher.
  2. Les appareils de chauffage nécessitent une mise à la terre.Il est difficile de le faire dans un appartement, car selon SNiP, il est impossible d'utiliser des conduites d'eau ou un réseau électrique pour cela.

Le principal avantage d'un tel chauffage est l'efficacité et la rentabilité. Le coût du rééquipement est amorti en quelques années et le consommateur bénéficie d'une indépendance énergétique.

Construction finie

Réalisation d'un essai

Ceci termine les travaux principaux de raccordement de la chaudière à gaz. L'exception concerne les appareils avec un foyer fermé. Ils doivent être raccordés au réseau électrique. Il est préférable de le faire à travers le stabilisateur.

Après cela, le système peut être rempli de liquide de refroidissement. Cela se fait le plus lentement possible afin de déplacer la majeure partie de l'air qui s'y trouve. Le liquide est pompé jusqu'à ce qu'une pression de 2 atm soit atteinte.

Toutes les connexions sont soigneusement vérifiées pour détecter d'éventuelles fuites. Une fois que le représentant du service de gaz a inspecté la connexion établie et autorisé l'alimentation en gaz, vous devez également examiner attentivement toutes les connexions sur cette canalisation. Ils doivent être enduits d'eau savonneuse et s'assurer qu'il n'y a pas de bulles. Vous pouvez maintenant effectuer le premier démarrage de l'équipement.

Procédure de remplacement d'une chaudière obsolète

L'équipement à gaz est considéré comme un appareil à danger accru.

Par conséquent, tous les travaux d'installation et d'entretien d'appareils à gaz sont également classés comme travaux à danger accru. Les règles existantes répondent sans équivoque à la question - comment remplacer une chaudière à gaz dans une maison privée - il est interdit d'installer ou de remplacer vous-même l'équipement de la chaudière. L'installation de chaudières ne peut être effectuée que par des autorités spéciales (gorgaz, rygaz, oblgaz) par l'intermédiaire d'entreprises titulaires d'une licence pour de tels travaux.

Pour commencer à remplacer la chaudière, vous devez procéder comme suit :

  1. Écrivez une demande au service du gaz pour obtenir l'autorisation de remplacer la chaudière. Vous devez savoir que lors du remplacement d'une ancienne chaudière par une similaire, vous n'avez pas besoin de créer un nouveau projet, mais si des modifications ont eu lieu - une chaudière d'un type différent, l'emplacement ou le schéma d'alimentation en gaz change, puis un nouveau projet est créé.
  2. Après avoir reçu une réponse, vous devez remettre un passeport de construction au service du gaz. Recueillir et soumettre les certificats d'inspection DVK, et si une chaudière importée est installée, un certificat de conformité.

Quels documents sont nécessaires lors du remplacement d'une chaudière à gaz

Avant de remplacer une chaudière à gaz, il est nécessaire de collecter de nombreux documents et d'obtenir des autorisations pour de tels travaux.

Vous aurez besoin des documents suivants :

  • Si l'équipement provient de fabricants étrangers, vous devez fournir un certificat conforme à nos normes de sécurité ;
  • Si la chaudière est à double circuit, il est nécessaire d'avoir un certificat sanitaire et hygiénique pour fournir de l'eau chaude pour les besoins domestiques. Habituellement, un tel document est fourni immédiatement avec la carte de garantie ;
  • Document sur la vérification des conduits de ventilation et de fumée ;
  • Contrat de garantie d'au moins 1 an, qui est conclu avec une société de services ;
  • Un document avec les résultats de la connexion des équipements aux réseaux d'ingénierie.
  • Agir sur les travaux cachés lors de l'installation d'une cheminée coaxiale à travers le mur;
  • Projet avec modifications. La condition principale: la nouvelle chaudière doit être légalisée.

Vous devez rassembler tous les documents vous-même. Si vous n'avez pas une telle opportunité, vous pouvez contacter une entreprise d'installation spéciale. Mais dans ce cas, des coûts supplémentaires doivent être calculés.

Ai-je besoin d'un nouveau projet lors du remplacement d'une chaudière à gaz

Le projet précise le modèle, le type et la puissance de l'unité de chauffage. De plus, chaque chaudière a son propre numéro de série, indiqué dans la fiche technique et inclus dans la documentation du projet. Par conséquent, lors du remplacement, vous devrez créer un nouveau projet avec de nouvelles données.

Vous devez à nouveau suivre les étapes suivantes :

  • Obtenir un devis pour le remplacement d'une chaudière à gaz. À ce stade, la société de distribution de gaz peut modifier la capacité de l'unité en fonction de la surface habitable réelle de la maison.
  • Faire un nouveau projet.
  • Obtenez l'approbation en soumettant un projet de distribution de gaz, les spécifications et les résultats de la vérification du conduit de cheminée.
  • Remplacez l'ancienne unité par une nouvelle.

Lors du remplacement d'une ancienne chaudière à gaz par une nouvelle, les documents suivants sont nécessaires :

  • Le passeport.
  • Documents du propriétaire du logement.
  • Passeport technique pour les équipements à gaz.
  • Caractéristiques.

Les prix standard pour le remplacement des équipements à gaz déjà installés sont de 1 000 à 1 500 roubles, selon la région.

Caractéristiques du remplacement d'une chaudière de même puissance

Si la consommation de gaz par heure de la nouvelle chaudière est similaire à la consommation de gaz de l'ancienne, cela simplifie grandement la tâche. Étant donné que tout ce qui est nécessaire de la part du propriétaire est de soumettre une notification de remplacement à Gorgaz.

Lire aussi :  Codes d'erreur de la chaudière à gaz Viessmann : méthodes de dépannage et de récupération

Et à cela devrait être attaché:

  1. Certificat de raccordement chaudière.
  2. L'acte d'inspection de la ventilation, de la cheminée.
  3. Contrat d'au moins un an de maintenance des équipements gaz.

Après examen, la demande est autorisée. Après cela, l'équipement est remplacé, testé et son fonctionnement commence. Ainsi, le RF GD n° 1203 p.61(1) permet de fonctionner.

Est-il possible de remplacer une chaudière à gaz par une électrique

Le remplacement est tout à fait possible, mais pour cela, vous devrez obtenir l'autorisation d'un autre organisme impliqué dans l'alimentation électrique. Les documents ne sont nécessaires que si la chaudière électrique a une puissance supérieure à 8 kW. Jusqu'à cette limite de performance, l'unité appartient aux chauffe-eau domestiques ordinaires par le type de chaudière, par conséquent, elle est installée sans permis ni approbation.

Pour les chaudières électriques productives, une ligne d'alimentation électrique séparée sera nécessaire. Vous devrez faire un projet et obtenir la permission d'augmenter la quantité d'électricité produite. Séparément, il est nécessaire d'écrire une déclaration sur la déconnexion de la chaudière à gaz du réseau.

Exigences relatives aux chaufferies pour l'installation de chaudières à combustibles solides et liquides

Les exigences de volume, de dimensions et de matériaux pour la chaufferie sont les mêmes. Cependant, il y en a plusieurs spécifiques qui sont associés à la nécessité d'organiser une cheminée et un endroit pour stocker le combustible. Voici les exigences de base (la plupart du temps, elles sont écrites dans le passeport de la chaudière):

  • La section de la cheminée ne doit pas être inférieure au diamètre du tuyau de sortie de la chaudière. Il est interdit de réduire le diamètre sur toute la longueur de la cheminée.
  • Il est nécessaire de concevoir une cheminée avec le moins de coudes. Idéalement, il devrait être droit.
  • Au bas du mur, il devrait y avoir une entrée (fenêtre) pour que l'air puisse entrer. Sa superficie est calculée à partir de la puissance de la chaudière : 8 m². voir par kilowatt.
  • La sortie de la cheminée est possible par le toit ou dans le mur.
  • Sous l'entrée de la cheminée, il devrait y avoir un trou de nettoyage - pour la révision et l'entretien.
  • Le matériau de la cheminée et ses raccords doivent être étanches au gaz.
  • La chaudière est installée sur une base incombustible.Si les sols de la chaufferie sont en bois, une feuille de carton d'amiante ou de laine minérale est posée, sur le dessus - une feuille de métal. La deuxième option est un podium en brique, plâtré ou carrelé.
  • Lors de l'utilisation d'une chaudière à charbon, le câblage n'est que caché, la pose dans des tuyaux métalliques est possible. Les prises doivent être alimentées par une tension réduite de 42 V, et les interrupteurs doivent être plombés. Toutes ces exigences sont une conséquence de l'explosivité de la poussière de charbon.

Veuillez noter que le passage de la cheminée à travers le toit ou le mur doit se faire par un passage spécial incombustible

Les chaudières au fioul sont généralement bruyantes

Il convient de dire quelques mots sur les chaudières à combustible liquide. Leur travail s'accompagne généralement d'un niveau de bruit assez élevé, ainsi que d'une odeur caractéristique. Donc, l'idée de mettre une telle unité dans la cuisine n'est pas la meilleure idée. Lors de l'attribution d'une pièce séparée, vous devez vous assurer que les murs offrent une bonne isolation phonique et que l'odeur ne pénètre pas à travers les portes. Étant donné que les portes intérieures seront toujours en métal, veillez à la présence d'un joint de haute qualité autour du périmètre. Peut-être que le bruit et les odeurs n'interféreront pas. Les mêmes recommandations s'appliquent aux chaufferies attenantes, bien qu'elles soient moins critiques.

Comment installer une chaudière murale

Avant l'installation, déballez le générateur de chaleur et vérifiez que l'appareil est complet. Assurez-vous que les fixations d'origine s'adaptent à vos murs. Par exemple, des fixations spéciales sont nécessaires pour le béton cellulaire, les chevilles ordinaires ne conviennent pas.

Nous suivons l'ordre de travail suivant :

  1. Marquez le contour de l'unité de chauffage sur le mur. Assurez-vous que les empreintes technologiques des structures du bâtiment ou d'autres surfaces sont respectées: 0,5 m du plafond, d'en bas - 0,3 m, sur les côtés - 0,2 m.Habituellement, le fabricant fournit un schéma avec les dimensions dans le manuel d'instructions.
  2. Pour une chaudière turbo à chambre fermée, nous préparons un trou pour une cheminée coaxiale. Nous le forons avec une pente de 2–3 ° vers la rue afin que le condensat résultant s'écoule. Le processus d'installation d'un tel tuyau est décrit en détail par nous séparément.
  3. Le générateur de chaleur est livré avec un gabarit d'installation en papier avec des trous pré-percés. Fixez le croquis au mur, alignez-le avec le niveau du bâtiment, fixez le schéma avec du ruban adhésif.
  4. Les points de forage sont mieux poinçonnés immédiatement. Retirez le gabarit et faites des trous de 50 à 80 mm de profondeur. Assurez-vous que la perceuse ne va pas sur le côté, cela se produit sur les cloisons en briques.
  5. Installez des bouchons en plastique dans les trous, vissez les crochets de suspension à la profondeur maximale à l'aide d'une pince. Avec l'aide d'une deuxième personne, accrochez soigneusement la machine.

Lorsque vous marquez des trous dans un mur en rondins de bois, assurez-vous que la fixation se trouve sur la crête du rondin. Les crochets se vissent directement dans l'arbre, sans bouchons en plastique.

Où il est possible et où il est impossible de mettre une chaudière à gaz

Les règles d'installation d'une chaudière à gaz prévoient les exigences suivantes pour l'installation d'une chaudière CHAUFFAGE, qu'elle fournisse ou non également de l'eau chaude sanitaire :

  1. La chaudière doit être installée dans une pièce séparée - un four (chaufferie) d'une superficie d'au moins 4 mètres carrés. m., avec une hauteur sous plafond d'au moins 2,5 m. Les règles stipulent également que le volume de la pièce doit être d'au moins 8 mètres cubes. Sur cette base, vous pouvez trouver des indications sur l'admissibilité d'un plafond de 2 m, ce qui n'est pas vrai. 8 cubes est le volume libre minimum.
  2. Le four doit avoir une fenêtre ouvrante et la largeur de la porte (pas celle de la porte) doit être d'au moins 0,8 m.
  3. Finition du four avec des matériaux combustibles, la présence d'un faux plafond ou d'un plancher surélevé est inacceptable.
  4. L'air doit être amené au four par un évent traversant et non obturable d'une section d'au moins 8 cm². pour 1 kW de puissance de la chaudière.

Pour toutes les chaudières, y compris les chaudières murales à eau chaude, les normes générales suivantes doivent également être respectées :

  • L'échappement de la chaudière doit sortir dans un conduit séparé (souvent appelé à tort cheminée); l'utilisation de conduits de ventilation à cet effet est inacceptable - des produits de combustion potentiellement mortels peuvent atteindre les voisins ou d'autres pièces.
  • La longueur de la partie horizontale du conduit de fumée ne doit pas dépasser 3 m à l'intérieur du four et ne doit pas avoir plus de 3 angles de rotation.
  • La sortie du conduit de fumée doit être verticale et surélevée au-dessus du faîte du toit ou du point le plus haut du pignon sur un toit plat d'au moins 1 m.
  • Étant donné que les produits de combustion forment des substances chimiquement agressives lors du refroidissement, la cheminée doit être constituée de matériaux solides résistants à la chaleur et aux produits chimiques. L'utilisation de matériaux stratifiés, par ex. tuyaux en amiante-ciment, autorisés à une distance d'au moins 5 m du bord du tuyau d'évacuation de la chaudière.

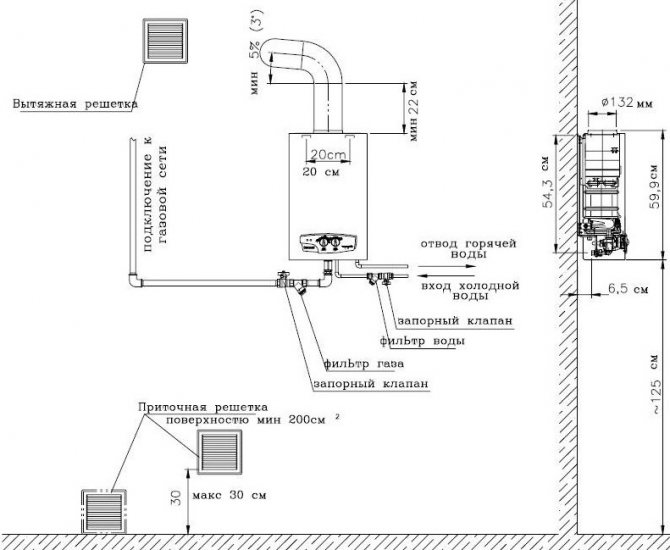
Lors de l'installation d'une chaudière murale à gaz à eau chaude dans la cuisine, des conditions supplémentaires doivent être remplies:

  • La hauteur de la suspension de la chaudière le long du bord du tuyau de dérivation le plus bas n'est pas inférieure au sommet du bec de l'évier, mais pas à moins de 800 mm du sol.
  • L'espace sous la chaudière doit être libre.
  • Une tôle résistante au feu de 1x1 m doit être posée sur le sol sous la chaudière. Les travailleurs du gaz et les pompiers ne reconnaissent pas la résistance de l'amiante-ciment - il s'use et le SES interdit d'avoir quoi que ce soit contenant de l'amiante dans la maison.
  • La pièce ne doit pas comporter de cavités dans lesquelles des produits de combustion ou un mélange gazeux explosif peuvent s'accumuler.
Lire aussi :  Avis sur les chaudières électriques pour le chauffage des maisons privées

Si la chaudière est utilisée pour le chauffage, les ouvriers du gaz (qui, soit dit en passant, ne sont pas très amicaux avec le réseau de chauffage - il leur doit toujours du gaz) vérifieront également l'état du système de chauffage de l'appartement / de la maison:

  • La pente des tronçons horizontaux de tuyauterie doit être positive, mais pas supérieure à 5 mm par mètre linéaire en termes de débit d'eau.
  • Un vase d'expansion et une vanne d'air doivent être installés au point le plus haut de l'installation. Inutile de vous convaincre que vous achèterez une chaudière "cool" dans laquelle tout est prévu : les règles sont les règles.
  • L'état du système de chauffage doit lui permettre d'être testé sous pression à une pression de 1,8 atm.

Les exigences, comme nous le voyons, sont strictes, mais justifiées - le gaz est le gaz. Il vaut donc mieux ne pas penser à une chaudière à gaz, même à eau chaude, si :

  • Vous vivez dans un bloc Khrouchtchev ou un autre immeuble d'appartements sans conduit de fumée principal.
  • Si vous avez un faux plafond dans votre cuisine, que vous ne souhaitez pas nettoyer, ou un chapiteau mezzanine. Sur une mezzanine avec un fond en bois ou en panneau de fibres de bois, qui, en principe, peut être retiré, et il n'y aura alors pas de mezzanine, les travailleurs du gaz regardent à travers leurs doigts.
  • Si votre appartement n'est pas privatisé, vous ne pouvez compter que sur une chaudière à eau chaude : allouer une pièce à une chaudière, c'est un réaménagement que seul le propriétaire peut faire.

Dans tous les autres cas, vous pouvez mettre une chaudière à eau chaude dans l'appartement ; mur de chauffage est possible, et le sol - très problématique.

Dans une maison privée, n'importe quelle chaudière peut être installée: les règles n'exigent pas que la fournaise soit située directement dans la maison.Si vous faites une extension de la maison de l'extérieur sous le four, les autorités n'auront que moins de raisons de pinailler. Vous pouvez y installer une chaudière à gaz au sol de grande puissance pour chauffer non seulement le manoir, mais également les bureaux.

Pour les logements privés de la classe moyenne, la solution optimale est une chaudière murale ; en dessous, il n'est pas nécessaire, comme pour le sol, de disposer une palette en brique ou en béton avec des côtés d'un demi-mètre. L'installation d'une chaudière à gaz murale dans une maison privée se passe également de difficultés techniques et organisationnelles: un placard coupe-feu pour un four peut toujours être blindé, du moins dans le grenier.

Horaire

Le raccordement au réseau de gaz est un processus assez long. Et la plupart du temps n'est pas occupé par l'installation elle-même, mais par des problèmes liés à la documentation.

Exigences pour l'installation d'une chaudière à gaz dans une maison privée: conseils d'installation et règles de fonctionnement en toute sécurité

Le cahier des charges est délivré dans les 14 jours suivant la réception de la demande. Le développement prend 1 à 3 semaines. La négociation prend plus de temps.

Il faut attendre en moyenne 3 semaines à 3 mois pour une réponse. Si le projet n'est pas accepté, vous devez le corriger et le soumettre à nouveau.

Lorsque tous les travaux sont terminés, ils concluent un accord pour le raccordement au gazoduc. Cela doit attendre jusqu'à 30 jours.

Le plus long temps est d'attendre l'approbation. Par conséquent, il est conseillé de rédiger immédiatement la documentation correctement, conformément aux conditions et aux SNiP. Autrement dit, vous devez choisir la bonne entreprise qui a de l'expérience dans le développement et la coordination dans ce domaine particulier.

Ventilation

Ventilation de haute qualité et bien pensée d'une pièce où il n'y a pas de processus d'accumulation d'une concentration accrue de gaz - ce sont les normes qui sont l'une des fondamentales lors de l'installation d'une chaudière à gaz.

L'exigence d'installation d'une chaudière à gaz murale est directement liée à la conception de la ventilation.Les normes ici sont très élevées. Les exigences relatives à la sécurité elle-même, ainsi qu'aux caractéristiques physiques de la chaudière à gaz installée, sont importantes ici. Un flux d'air uniforme et à part entière garantit un fonctionnement à long terme et ininterrompu de l'ensemble du système.

Organisation d'une ventilation de qualité :

  1. Réalisez un puits ou une hotte de ventilation à une hauteur de 25 cm du plafond de la pièce. Le trou doit être rond et son diamètre doit être d'au moins un décimètre.
  2. La vue ouverte de la hotte est fermée avec une grille ou une vanne spéciale. Si les finances le permettent, vous pouvez utiliser différentes girouettes, qui permettent d'ajuster le débit d'air et de protéger le feu d'une atténuation indésirable.
  3. Ce sera mieux si vous installez un petit ventilateur sur la hotte, ce qui améliorera tous les indicateurs de ventilation.

Exigences pour l'installation d'une chaudière à gaz dans une maison privée: conseils d'installation et règles de fonctionnement en toute sécurité

Ventilation

exigences de la chaufferie

Pour utiliser un équipement à gaz d'une puissance de 30 kW ou plus, vous aurez besoin d'un local séparé conforme à toutes les règles et réglementations applicables.

Le plus souvent, une des pièces du sous-sol ou du sous-sol est aménagée en chaufferie. Certes, une telle installation d'une unité de chauffage n'est autorisée que pour les bâtiments résidentiels unifamiliaux.

Dans les ménages privés, les règles d'installation d'une chaudière à gaz permettent l'utilisation d'équipements de toute puissance, car le plus souvent, ils sont placés dans une pièce séparée attenante à la maison, ce qui vous permet de fournir de la chaleur non seulement pour les pièces à vivre, mais également pour pièces de service.

Exigences pour l'installation d'une chaudière à gaz dans une maison privée: conseils d'installation et règles de fonctionnement en toute sécurité

Les exigences importantes auxquelles la chaufferie doit répondre sont les suivantes :

  1. La superficie de la pièce minimale pour une chaudière à gaz basée sur une unité est de 4 m². Dans le même temps, plus de deux appareils ne peuvent pas être placés dans une pièce.Cette taille de chaufferie dans une maison privée est requise.
  2. La hauteur du plafond doit être d'au moins 2,0 à 2,5 mètres.
  3. Pour assurer la lumière naturelle, il est nécessaire d'avoir une fenêtre dont la taille est déterminée à raison de 0,3 m² pour 10 m³ du volume de la pièce pour une chaudière à gaz, mais pas moins de 0,5 m². Une certaine distance entre la chaudière à gaz et la fenêtre est également prévue, en termes de sécurité.
  4. La largeur de la porte ne peut être inférieure à 80 centimètres.
  5. La distance minimale entre la porte d'entrée et l'unité est de 100 centimètres, mais il est préférable qu'elle soit de 130 à 150 centimètres.
  6. Afin de créer les conditions pour la mise en œuvre de mesures de réparation ou de prévention, un espace libre d'au moins 130 centimètres doit être prévu devant la chaudière.
  7. L'installation correcte d'une chaudière à gaz dans une maison privée signifie qu'elle est située en position horizontale et stable. Cela minimise le niveau de bruit possible résultant des vibrations.
  8. Le sol et les murs doivent être faits de matériaux incombustibles, de plus, le revêtement de sol doit être absolument plan.
  9. L'eau froide doit être amenée dans la chaufferie et un égout pour le liquide de refroidissement doit être installé dans le sol.
  10. Pour les prises électriques, une boucle de terre est nécessaire, car l'allumage ou la pompe est connecté à l'alimentation électrique.
  11. Un accès facile à la cheminée, ou plutôt à la fenêtre d'inspection, doit être prévu afin de contrôler la perméabilité des canaux et de les nettoyer.

Conclusions et vidéo utile sur le sujet

La vidéo aborde en détail les exigences réglementaires pour l'installation de chaudières murales à gaz :

La vidéo raconte le schéma de connexion de la chaudière murale:

La vidéo montre le processus d'installation d'une chaudière murale:

p> Installer une unité de chauffage au gaz est une opération responsable et plutôt compliquée, dont la qualité dépend de la sécurité de tous ceux qui vivent dans la maison. Par conséquent, les représentants des services de gaz déconseillent fortement de le faire eux-mêmes.

Oui, et les fabricants d'appareils de chauffage insistent là-dessus. Par conséquent, même les artisans à domicile expérimentés feraient mieux de demander l'aide de professionnels, ce qui garantit un fonctionnement à long terme et surtout sûr de l'appareil.

N'hésitez pas à laisser vos commentaires si vous avez des questions sur le sujet de l'article. Ou peut-être avez-vous vous-même dû vous occuper de l'installation d'appareils muraux à gaz et avez-vous quelque chose à conseiller à nos lecteurs ?

Évaluation
Site sur la plomberie

Nous vous conseillons de lire

Où remplir la poudre dans la machine à laver et combien de poudre verser