- Instructions pour l'installation d'une chaudière à granulés
- Travail préparatoire
- Installation et tuyauterie de chaudière
- Raccordement cheminée, démarrage et réglage
- Exigences pour la pièce sous la chaudière
- Qu'est-ce qu'un harnais
- Fabrication d'un brûleur à granulés
- Contour en polypropylène pour différentes chaudières
- Option 1 : Chauffe-eau au gaz
- Option #2 : Modèle à combustible solide
- Option 3 : Radiateurs à l'huile et électriques
- Les principaux éléments du cerclage
- Vases d'expansion et leurs variétés
- Pompes de circulation
- Comment se fait la reliure de tels équipements ?
- Préparation de la salle
- Fabriquer un appareil économique de vos propres mains
- Installation d'équipements supplémentaires
Instructions pour l'installation d'une chaudière à granulés
Bien sûr, vous pouvez installer l'unité vous-même si vous avez des connaissances particulières, mais encore mieux solliciter l'assistance qualifiée d'un organisme spécialisé disposant d'un permis de construire.
L'étape principale et importante de l'installation est une conception exécutée par des professionnels. Il est suivi des étapes suivantes pour l'installation de l'équipement de chauffage :
- Phase préparatoire. Comprend la préparation de la chaufferie, l'érection d'une colline pour la chaudière, l'installation d'une cheminée, la ventilation;
- Installation de l'unité de chauffage sur une colline;
- Raccordement aux tuyaux de la chaudière du système de chauffage et de l'alimentation en eau chaude ;
- Connexion du canal de cheminée ;
- Réglage et mise en marche de l'appareil de chauffage.
Travail préparatoire
Il est nécessaire de préparer la chaufferie - niveler et renforcer la base, qui doit supporter un poids allant jusqu'à 200 kilogrammes. Selon les exigences, la chaudière est installée verticalement, il ne doit donc pas y avoir de pente. La base doit avoir une surface ignifuge.
La pose du câblage électrique est nécessaire pour automatiser le chauffage et pour éclairer la chaufferie, ce qui assurera la commodité pendant le fonctionnement. La construction d'une cheminée de type sandwich, d'au moins 5 mètres de haut. Une cheminée et une ventilation sont également installées.
Installation et tuyauterie de chaudière
L'installation et le cerclage se déroulent dans l'ordre suivant :
- La chaudière apportée est montée sur le podium;
- Un compartiment à carburant et une vis sans fin fournissant des granulés sont montés ;
- Le peigne de distribution est connecté ;
- Un vase d'expansion et des vannes d'arrêt sont en cours d'installation ;
- La chaudière est raccordée au circuit d'alimentation en fluide caloporteur et au circuit de retour.
Raccordement cheminée, démarrage et réglage
Une fois le système rempli d'un liquide de refroidissement (eau, éthylène glycol ou propylène glycol), il doit être raccordé à la cheminée. De plus, le diamètre de la cheminée doit correspondre au diamètre du tuyau de sortie. Et la hauteur de la cheminée - exigences techniques.
Le diamètre approprié fournira une bonne traction quelle que soit la force du vent et la température de l'air. Une bonne traction est la clé d'un fonctionnement efficace de l'équipement à pellets. Mais ce type de chaudière a peur d'une forte traction, mais une trop petite ne fonctionnera pas non plus. Par conséquent, pour résoudre ce problème, un stabilisateur de poussée ou une porte coulissante est utilisé.
Le plus souvent, la cheminée est constituée d'un tuyau en métal, dans lequel des trappes sont construites pour un nettoyage ultérieur. De plus, la cheminée doit être équipée d'un dispositif pour éliminer le condensat et l'isoler. Une étape importante est le test de pression, s'il est mal fait, les gaz de pyrolyse fuiront, ce qui entraînera une diminution de l'efficacité.
Après cela, un test et un réglage sont effectués. Un appareil mal réglé entraînera de tels problèmes: la chaudière fumera, fumera, s'éteindra et les granulés ne brûleront pas jusqu'au bout.
Exigences pour la pièce sous la chaudière
Le PC est monté dans un bâtiment indépendant ou une extension de celui-ci. Avec une performance PC de plus de 30 kW, il est placé dans un bâtiment séparé - un four.
Pour organiser son travail, les propriétaires des chaudières établissent les documents réglementaires de fonctionnement et de sécurité incendie.
Dimensions à tenir
Exigences de base pour le placement :
- Le sol d'installation doit être en matériaux incombustibles : béton ou tôle.
- La base du PC doit être en béton armé d'une hauteur de 10 à 20 cm.
- Des passages d'urgence et opérationnels doivent être prévus, entre la chaudière et les murs du bâtiment - une distance d'au moins 1 m.
- La pièce doit être sèche et chauffée, avec une température de l'air intérieur supérieure à + 10 C.
- La ventilation d'alimentation et d'évacuation dans le bâtiment doit être calculée en fonction de la puissance du PC, les données peuvent être clarifiées à partir de la documentation technique et de conception de la chaufferie.
- Si la chaufferie est installée dans une pièce séparée, les réseaux de chaleur vers l'installation de chauffage sont posés soit sous terre, avec une pose sous le niveau de congélation du sol, soit par voie aérienne.Dans les deux cas, la conduite de chauffage doit être bien isolée des pertes de chaleur dans l'environnement.
- La hauteur de la cheminée doit être d'au moins 5 m et dépasser le niveau du toit d'au moins 0,5 m ; il est recommandé d'installer un stabilisateur de tirage ou un registre rotatif conventionnel.
- Le calcul du diamètre de la cheminée est effectué en fonction de la puissance de la chaudière. Pour les chaudières à granulés, elle doit être d'au moins 150 mm.
- L'installation d'un purgeur de condensat est obligatoire.
- Le toit est traité avec une chasse d'eau principale, l'espace est rempli de laine minérale incombustible.
Qu'est-ce qu'un harnais
Si vous êtes complètement novice en matière de chauffage, il serait utile de savoir d'abord ce que l'on entend généralement par le terme "cerclage". En fait, il s'agit de l'ensemble du système de chauffage, à l'exception de la chaudière de chauffage. Cela dépend de la tuyauterie, de la manière exacte dont le liquide de refroidissement circulera vers toutes les destinations, de la qualité de son fonctionnement, etc.
Pour tout cela, plusieurs éléments sont utilisés :
tuyaux. Ce sont eux qui nous intéressent aujourd'hui, et c'est d'ailleurs l'une des principales composantes du design. Vous pouvez voir leur apparence sur la photo:
En plus d'eux, les raccords sont également importants - des éléments de connexion qui permettent de poser un pipeline le long de l'itinéraire souhaité et de connecter des tuyaux à divers équipements de chauffage,
- vase d'expansion. Nécessaire pour éliminer l'excès d'air et d'eau du système de chauffage,
- radiateurs de chauffage. Ce sont des appareils fixes installés à l'intérieur et ont un haut niveau de transfert de chaleur,
- contourne. Strictement parlant, ce sont tous les mêmes tuyaux, mais ils ne sont pas destinés à la circulation principale, mais à une circulation supplémentaire. La rocade est une voie de contournement.Si, pour une raison quelconque, vous devez, par exemple, éteindre l'un des radiateurs, vous pouvez le fermer à l'aide de la vanne d'arrêt. S'il n'y a pas de dérivation en même temps, le liquide de refroidissement coulera dans cette barrière et n'ira pas plus loin - ainsi, toutes les batteries situées plus loin que celle en cours de réparation deviendront froides. Et s'il y a un contournement, un tel problème ne se posera pas - le liquide de refroidissement contournera simplement et atteindra avec succès tous les objectifs suivants.
Le cœur de tout système de chauffage est la chaudière de chauffage. C'est lui qui est chargé d'atteindre la température requise par le liquide de refroidissement. Tous les éléments listés sont raccordés directement à la chaudière, directement ou par canalisations.
En plus de ceux déjà cités, certains autres équipements peuvent également participer au cerclage :
- Grue Mayevsky. Il est installé sur chaque radiateur et à d'autres endroits. Il est nécessaire pour une évacuation rapide et facile de l'excès d'air du système, ce qui aide à prévenir la formation de poches d'air qui entravent l'écoulement du liquide de refroidissement. Autrement dit, cet équipement est auxiliaire, en plus du vase d'expansion,
- pompe de circulation. Tous les systèmes de chauffage sont divisés en deux grandes catégories. Dans le premier d'entre eux, la circulation du liquide de refroidissement s'effectue de manière naturelle. Cela est dû à la différence de densité de l'eau froide et de l'eau chaude. L'agencement d'un tel système n'est pas difficile et économiquement très rentable. Mais l'efficacité est faible. La circulation naturelle ne peut être utilisée que dans les petites maisons, car elle ne peut tout simplement pas faire face à un long circuit - l'eau atteindra les radiateurs éloignés, après s'être déjà refroidie. La deuxième catégorie comprend les systèmes à circulation forcée.Le mouvement du liquide de refroidissement dans ce cas est dû au fonctionnement d'un équipement spécial - une pompe de circulation. Cela vous permet de donner au liquide la vitesse nécessaire et, par conséquent, l'empêche de se refroidir au milieu du parcours,
- jauges et thermostats. Cet équipement est nécessaire pour surveiller le bon fonctionnement du système de chauffage dans son ensemble et de ses sections individuelles en particulier. Les thermostats surveillent la température du liquide de refroidissement et les manomètres surveillent le niveau de pression. En conséquence, en cas de dysfonctionnement, vous pouvez les détecter en temps opportun, en vous concentrant sur les indicateurs des appareils.
Fabrication d'un brûleur à granulés
Les usines de granulés sont souvent ignorées par les acheteurs en raison de leur coût élevé par rapport à matériel gaz et électrique, tandis que le problème est résolu en fabriquant l'appareil à la maison.
Schéma général d'autoproduction d'un brûleur à granulés
La chambre de combustion peut être équipée d'un tube carré ou rond. Il est préférable de privilégier l'acier résistant à la chaleur pouvant supporter des températures élevées, l'épaisseur de paroi doit être d'au moins 4 mm.
L'installation artisanale est fixée à la chaudière par une plaque à bride réalisée en acier résistant à la chaleur épaisseur à partir de 3 mm.
Un récipient pour fournir du carburant à la chambre de combustion peut être acheté ou fabriqué à la main. La meilleure option est de faire immédiatement une installation dans laquelle le carburant sera fourni automatiquement. Pour ce faire, nous plaçons une tarière dans le tuyau acheté du diamètre souhaité. La rotation de l'appareil sera effectuée grâce au roulement, à la boîte de vitesses et au moteur, travailler à basse révolutions.
De plus, un ventilateur est acheté dans le magasin, qui pompera l'air. Le ventilateur est monté sur une plaque, qui est fabriquée en fonction de la taille et de la conception de la porte de la chaudière utilisée dans votre maison.
Il est également important de veiller à régler la quantité de carburant entrant et le volume d'air soufflé par le ventilateur, sinon l'appareil fait maison fonctionnera de manière instable. Dans les appareils domestiques ajustement de l'armée de l'air et le nombre de pastilles est produit manuellement. Cette méthode est peu pratique du fait qu'elle nécessite une surveillance constante du brûleur.
Cette méthode est peu pratique du fait qu'elle nécessite une surveillance constante du brûleur.
Pour l'automatisation, un élément électrique à incandescence et un capteur photo sont achetés. Le premier dispositif allume la flamme en cas d'extinction des pellets et régule également l'activation du dispositif. Le capteur photo surveille l'apparition de la flamme : si la flamme est stable, le capteur transmet un signal à l'élément incandescent pour arrêter l'allumage.
Pour automatiser le système, un capteur de remplissage est également acheté. Il informera le remplissage électronique de l'appareil du degré de remplissage de la chambre de combustion en pellets.
Pastille brûleurs - équipement moderne pour chaudières, ce qui améliore le respect de l'environnement du processus et réduit les coûts de carburant. Dans le même temps, l'équipement lui-même dans le magasin a un coût élevé. Pour les besoins domestiques de base, mieux vaut privilégier les appareils faits maison, dont le fonctionnement, si nécessaire, peut être automatisé.
Réduire au minimum le coût d'entretien du logement est aujourd'hui l'une des tâches les plus importantes. La recherche d'outils d'optimisation des coûts est en cours.Le chauffage de la maison, dont les tarifs augmentent régulièrement, est un poste important dans le budget familial.
Vous pouvez le réduire de plusieurs manières. Avec l'aide de technologies d'économie d'énergie dans la construction d'une maison et l'utilisation de systèmes de chauffage efficaces. Une chaudière à granulés est plus économique que ses homologues au gaz, sans parler de l'électricité et des autres sources d'énergie. La raison réside dans le faible coût des consommables et la grande efficacité énergétique de l'appareil.
Contour en polypropylène pour différentes chaudières
La plupart des fabricants de chauffe-eau recommandent que le premier mètre du pipeline soit en métal. Cela est particulièrement vrai pour les appareils à combustible solide avec une température d'eau de sortie plus élevée. Lors du liage, le polypropylène doit déjà être connecté à cette sortie, sinon, en cas de dysfonctionnement de la chaudière, elle recevra un choc thermique et risque d'éclater.
Option 1 : Chauffe-eau au gaz
Il est recommandé de lier une chaudière à gaz avec du polypropylène à l'aide d'un pistolet hydraulique et d'un collecteur. Souvent, les modèles à essence sont déjà équipés de pompes intégrées pour pomper de l'eau. Presque tous sont conçus à l'origine pour des systèmes forcés.
Le plus fiable en termes de sécurité sera un circuit avec un équipement de circulation pour chaque circuit derrière le collecteur.
Dans ce cas, la pompe intégrée mettra sous pression une petite section de la canalisation de la chaudière au distributeur, puis des pompes supplémentaires seront activées. C'est sur eux que la charge principale de pompage du liquide de refroidissement tombera.
Il est possible de lier une chaudière à gaz avec du polypropylène sans longs tuyaux métalliques, l'eau dans un tel appareil de chauffage chauffe rarement jusqu'à 75–80 degrés
Si un la chaudière à gaz a un échangeur de chaleur en fonte, puis lors du raccordement au système, un accumulateur de chaleur supplémentaire doit être installé. Il atténuera les changements brusques de température de l'eau qui ont un effet négatif sur la fonte. Avec un chauffage ou un refroidissement brusque du liquide de refroidissement, il peut même éclater.
Lors de la tuyauterie d'un appareil à double circuit avec chauffage parallèle de l'eau pour l'alimentation en eau chaude, des filtres supplémentaires devront être installés sur cette sortie nettoyage fin et grossier. Ils doivent également être montés à l'entrée du chauffe-eau, où l'eau froide est fournie.
Option #2 : Modèle à combustible solide
La principale caractéristique d'une chaudière à combustible solide est son inertie lorsque l'alimentation en combustible est coupée. Jusqu'à ce que tout dans le four brûle complètement, il continuera à chauffer le liquide de refroidissement. Et cela peut nuire au polypropylène.
Lors du raccordement d'une chaudière à combustible solide, seuls des tuyaux métalliques doivent y être connectés immédiatement, et ce n'est qu'après un mètre et demi que des tuyaux en polypropylène peuvent être insérés. En plus de cela, il est nécessaire de prévoir une alimentation de secours en eau froide pour le refroidissement d'urgence de l'échangeur de chaleur, ainsi que son évacuation à l'égout.

La section de la canalisation allant de la chaudière à combustible solide au collecteur doit être en métal, puis vous pouvez la lier avec du polypropylène - c'est le seul moyen de protéger les tuyaux en plastique de la surchauffe
Si le système est construit sur la circulation forcée, il devra certainement installer une source alimentation sans coupure pour pompe. L'eau doit constamment évacuer la chaleur de la fournaise où brûle du combustible solide, même pendant les pannes de courant.
En plus de cela, vous pouvez créer un petit circuit de gravité ou équiper toutes les batteries de dérivations pour désactiver des sections individuelles du système. En cas d'accident, cela permettra de réparer la section endommagée pendant que le chauffage est en marche.
combustible solide la chaudière doit être recouvert d'une enveloppe de protection, qui limite la propagation de la chaleur des parois du four vers la chaufferie. Mais même s'il est présent, le collecteur et les tuyaux en plastique doivent être retirés du poêle.
Option 3 : Radiateurs à l'huile et électriques
Une chaudière minière ou diesel est liée avec du polypropylène selon un schéma identique à celui d'un homologue à combustible solide. Le polymère doit en être retiré autant que possible.

À tuyauterie d'une chaudière électrique PPR n'a pas à se soucier des ruptures de tuyauterie, il dispose d'une automatisation de protection qui empêche l'eau d'atteindre l'ébullition
Le chauffage du liquide de refroidissement dans le chauffe-eau à l'électricité à des températures critiques pour le polypropylène est pratiquement exclu. Lorsque le courant est coupé, il cesse de fonctionner. Dans ce cas, les tuyauteries sont protégées des chocs hydrauliques par un accumulateur hydraulique et des vannes pour l'allègement de la pression.
Les principaux éléments du cerclage
Dans cette section, nous examinerons les éléments de cerclage requis et souhaitables. Commençons par le plus nécessaire - ce sont des vases d'expansion. Nos recommandations s'appliquent aux appareils de chauffage au gaz et à l'électricité. La tuyauterie de la chaudière de chauffage au gaz et la tuyauterie de la chaudière de chauffage électrique sont les mêmes dans leur équipement.
Vases d'expansion et leurs variétés
Même à l'école, ils nous ont expliqué que lorsque l'eau est chauffée, elle se dilate, et dans les cours de physique, nous avons organisé des travaux de laboratoire confirmant ce fait. La même chose se produit dans les systèmes de chauffage.L'eau est le liquide de refroidissement le plus courant ici, donc sa dilatation thermique doit être compensée d'une manière ou d'une autre. Sinon, des ruptures de tuyauterie, des fuites et des dommages aux appareils de chauffage sont possibles.
La tuyauterie de la chaudière de chauffage comprend obligatoirement un vase d'expansion. Il est placé à côté de la chaudière ou au point le plus haut du circuit - tout dépend du type de système. Dans les systèmes ouverts, on utilise des vases d'expansion traditionnels qui communiquent avec l'atmosphère. Pour le fonctionnement des circuits fermés, des réservoirs à membranes étanches sont nécessaires.
En plein air systèmes de chauffage vases d'expansion jouent trois rôles à la fois - à travers eux, le liquide de refroidissement est ajouté, ils absorbent l'excès d'eau en expansion, à travers eux l'air formé dans les tuyaux et les radiateurs sort. Par conséquent, ils sont placés aux points les plus élevés. Les réservoirs à membrane scellée dans les schémas de tuyauterie sont situés à des endroits arbitraires de circuits fermés, par exemple à côté de la chaudière. Des évents spéciaux sont utilisés pour évacuer l'air.
L'avantage des circuits fermés est que tout type de fluide caloporteur peut y circuler.
Pompes de circulation
La tuyauterie d'une chaufferie dans une maison particulière comprend de plus en plus des pompes de circulation. Auparavant, le chauffage se faisait sur la base de tuyaux métalliques épais. Le résultat était une faible résistance hydrodynamique des circuits. En montant les tuyaux à un certain angle, il était possible d'obtenir circulation naturelle du liquide de refroidissement. Aujourd'hui, les tuyaux métalliques épais ont cédé la place aux échantillons minces en plastique et en métal-plastique.
Les tuyaux fins sont bons car ils sont presque invisibles.Ils peuvent également être cachés dans les murs, les sols ou montés derrière les plafonds, réalisant un déguisement complet. Mais ils se distinguent par une résistance hydrodynamique élevée. De nombreuses connexions et ramifications ajoutent également des barrières. Par conséquent, il est impossible de compter sur le mouvement indépendant du liquide de refroidissement. Dans ce cas, les pompes de circulation sont incluses dans le circuit de tuyauterie de la chaudière de chauffage.
Considérez les principaux avantages de l'utilisation de pompes de circulation:
- Possibilité d'augmenter la longueur des systèmes de chauffage;
- La circulation forcée vous permet de fournir de la chaleur aux points les plus éloignés de la maison ;
- Capacité à concevoir un chauffage de n'importe quel niveau de complexité ;
- Possibilité d'organiser plusieurs circuits de chauffage.
Il y a aussi quelques inconvénients :
- L'achat d'une pompe de circulation entraîne des frais supplémentaires ;
- Augmentation de la consommation d'électricité - en mode de fonctionnement jusqu'à 100 W / h, selon le modèle;
- Bruits possibles se propageant dans toute la maison.
Pour le fonctionnement simultané de plusieurs circuits, il est nécessaire d'acheter et d'installer un collecteur qui assure une distribution uniforme du liquide de refroidissement.
Dans ce dernier cas, il suffit d'acheter une bonne pompe.
Les pompes de circulation dans les circuits de tuyauterie des chaudières de chauffage sont montées immédiatement après ou devant l'équipement de chauffage, et avec un by-pass. Si vous prévoyez de poser plusieurs circuits dans la maison, vous devez mettre un appareil séparé sur chacun d'eux. Cette approche est utilisée s'il y a un chauffage au sol dans la maison - une pompe entraîne le liquide de refroidissement à travers les étages et la seconde - le long du circuit de chauffage principal.
Comment se fait la reliure de tels équipements ?
Régime général l'installation de chaudières de chauffage consiste à la série d'étapes suivantes :
- installation de peignes de distribution ;
- installation de circuits de pompage appropriés pour chaque consommateur ;
- installation d'équipements de sécurité;
- installation d'un vase d'expansion;
- installation de vannes d'arrêt;
- raccordement de la chaudière aux circuits d'alimentation et de retour ;
- remplir les circuits de liquide de refroidissement ;
- essais sous pression des équipements et contrôle de leur fonctionnement.
En pratique, tout dépend de la puissance de l'équipement, du nombre de consommateurs, des caractéristiques de conception de la chaudière, etc. Il convient de noter que des exigences assez élevées sont imposées à la tuyauterie des chaudières à granulés. Premièrement, parce que la teneur en humidité du carburant doit rester suffisamment faible, et deuxièmement, parce que le carburant et le liquide de refroidissement sont chauffés à des températures très élevées. Une tuyauterie de mauvaise qualité peut entraîner une violation des conditions de fonctionnement de l'équipement et une panne rapide de la chaudière.
Conformément aux normes de sécurité incendie, il est recommandé d'utiliser des canalisations métalliques incombustibles pour la tuyauterie des chaudières à granulés. L'utilisation de structures en polypropylène dans la pratique est non seulement dangereuse, mais également non rentable, car la température du liquide de refroidissement à la sortie de la chaudière dépasse souvent les performances des matériaux polymères. En conséquence, les pipelines devront être remplacés dans quelques années.
La chaudière à granulés est un appareil assez compliqué. Les experts déconseillent fortement aux débutants inexpérimentés de s'engager dans l'installation et le cerclage de tels dispositifs. Cependant, la connaissance des principales étapes du cerclage et de certaines des nuances de ce processus vous permettra de contrôler efficacement le travail de l'équipe d'installateurs invités.
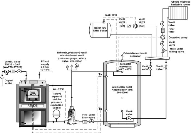
Le schéma montre une des possibilités de raccordement d'une chaudière à pellets : 1 - pompe MK ; 2 - vanne mélangeuse MK ; 3 - pompe TK1 ; 4 - mitigeur TK1 ; 5 - recirculation de l'eau dans TC1 ; 6 - pompe TK2 ; 7 - mitigeur TK2 ; 8 - recirculation de l'eau dans TC2 ; 9 - Pompe ECS ; 10 - échangeur de chaleur à eau chaude ; 11 - alimentation en eau courante de l'alimentation en eau chaude
Pour raccorder une chaudière à granulés, vous devez :
- effectuer l'installation de la chaudière ;
- connecter le brûleur approprié (si un modèle de chaudière combiné est utilisé) ;
- installer une trémie à granulés ;
- connecter la tarière pour l'alimentation en carburant;
- brancher le tableau de commande automatique de la chaudière.
Après cela, vous devez exécuter :
- Installation pour l'alimentation de la chaudière d'un groupe de sécurité comprenant un manomètre, un purgeur d'air automatique et une soupape de décharge.
- Installation d'un capteur de vanne thermique, si prévu par la conception du modèle ;
- Installation d'une cheminée dont le diamètre et la hauteur répondent aux exigences techniques.
- Installation d'un système de dispositifs de maintien d'un flux inversé : deux vannes manométriques pour l'alimentation et le retour, une pompe de circulation et une tête thermique.
- Lorsqu'il y a une forte probabilité de coupures de courant soudaines, il est recommandé de compléter le système avec un modèle d'onduleur approprié.
La prise en charge du reflux vous permet de contrôler le niveau de chauffage du liquide de refroidissement avant qu'il n'entre dans le système. Alors que la température non-retour atteint le niveau requis (généralement 60 degrés et plus), le liquide de refroidissement restera dans le petit cercle de circulation.Ce n'est que lorsque le liquide de refroidissement est chauffé au niveau requis que la tête thermique s'ouvre et que le liquide de refroidissement froid commence à la traverser, et que le liquide de refroidissement chaud commence à circuler dans le cercle principal.
Il ne faut en aucun cas utiliser une chaudière à granulés avec une température de caloporteur basse. Une température de 55 degrés est ce que l'on appelle le "point de rosée", une fois atteinte, une quantité importante de condensat se forme. En conséquence, la quantité de suie dans la cheminée et également sur l'échangeur de chaleur peut augmenter considérablement. L'équipement nécessitera des efforts de maintenance supplémentaires et sa puissance diminuera sensiblement.
Voici à quoi ressemble la chambre de combustion d'une chaudière à granulés après exposition à un excès de condensat qui apparaît en raison d'erreurs lors de l'installation du système de recirculation
Le processus de liage d'une chaudière à pellets combinée est présenté en détail dans la vidéo:
De nombreux fabricants de chaudières à granulés recommandent de compléter la conception avec un réservoir de stockage spécial qui vous permet d'accumuler de la chaleur. Les économies de carburant dans ce cas peuvent atteindre 20 à 30%. De plus, l'utilisation d'un réservoir de stockage vous permet d'éviter la surchauffe de la chaudière et d'atteindre le rendement le plus élevé possible.
Préparation de la salle
Lors de l'installation d'une chaudière à granulés, il est tout d'abord nécessaire de bien préparer la pièce où sera situé le générateur de chauffage. Il est préférable d'utiliser une zone éloignée de l'habitation (caves, dépendances, garages sont bien adaptés, parfois les chaudières sont placées dans les combles).
Si la pièce avec la chaudière est située à proximité des pièces à vivre, il est préférable de prendre soin d'une porte bien fermée et de recouvrir les sols et les portes de matériaux lavables (la poussière de bois et les cendres se déposeront constamment dessus).La meilleure option pour le revêtement est une tuile standard.
La superficie de la pièce pour une chaudière d'une puissance de 15 à 18 kW ne doit pas être inférieure à 2,5 à 3 mètres carrés. m., sinon il viole les règles de sécurité incendie. La température dans la pièce n'était pas inférieure à +10 degrés, pour ce faire, les murs et le plafond peuvent être isolés avec de la mousse (une couche de 10 centimètres suffit). Il n'y a pas besoin de radiateurs.
Une humidité supérieure à 40% n'est pas la bienvenue, car elle réduira la durée de vie du système - si de l'eau pénètre dans la pièce par le toit ou à travers les murs, il sera alors nécessaire de réaliser le revêtement périphérique avec un matériau de membrane d'étanchéité.
Quelques conditions plus importantes dans la préparation des locaux :
- Fournir une ventilation. Un trou d'un diamètre de 12 à 15 centimètres suffit. Aucun système de climatisation particulièrement complexe n'est nécessaire. Vous pouvez faire une hotte pour qu'il soit confortable d'être dans la pièce.
- Disponibilité de l'accès à la cheminée ou l'organisation d'une nouvelle. Pour les chaudières à granulés, seule une cheminée de type "sandwich" (avec une couche d'isolant) convient. La hauteur du tuyau doit être d'au moins 5 mètres. Un collecteur de condensat est recommandé afin que l'accumulation d'humidité n'interfère pas avec le fonctionnement de la fournaise.
- Présence d'alimentation électrique dans la chambre. Les chaudières à pellets ont besoin d'électricité pour automatiser leur travail. Il est également recommandé d'apporter de la lumière dans la pièce, ce qui facilitera grandement l'entretien de la fournaise.

Schéma général, mais lisez plus ci-dessous
Fabriquer un appareil économique de vos propres mains
La chaudière à granulés a un dispositif assez simple, il est donc facile de l'assembler de vos propres mains. Pour cela, vous aurez besoin tubes ou tôles d'acier d'épaisseur 3-5 millimètres, meuleuse et machine à souder.Si vous n'avez jamais eu à vous occuper de soudure auparavant, contactez un professionnel.

L'élément principal de la chaudière est l'échangeur de chaleur. Il est préférable de créer une forme rectangulaire à partir de tuyaux à section carrée. Pour ça:
- Des tuyaux de même taille sont pris.
- Une fenêtre ronde est réalisée dans un rack vertical.
- Des trous de drainage sont découpés dans les tuyaux avant (un pour l'eau froide, l'autre pour l'eau chaude).
- Les pièces structurelles sont reliées à l'aide d'une machine à souder.
Pour uniformiser les coutures, il est préférable de placer les racks sur une surface plane.
Avant d'effectuer les travaux d'installation, la résistance de l'appareil est vérifiée:
- l'appareil est placé verticalement ;
- fermez le trou du bas;
- verser de l'eau dans le récipient.
Attention! La conception ne doit pas laisser passer de liquide même en petite quantité. Sinon, il est nécessaire d'effectuer à nouveau des travaux de soudage.
Une fois la chaudière assemblée et testée, procédez à son installation. Il existe des règles simples pour installer cet appareil:
La chaudière doit être installée dans une zone non résidentielle, par exemple au sous-sol. Prenez soin du sol à l'avance
Il est important que le sol soit en béton ou en carreaux de céramique. La pièce doit être bien aérée
Dans la pièce avec la chaudière, surveillez l'humidité et la température. La chaufferie ne doit pas être petite taille, car il ne sera pas pratique d'y effectuer des travaux de maintenance.
Installation d'équipements supplémentaires
Dans les cas suivants, il est nécessaire d'améliorer le système de chauffage existant :
- Le pompage du liquide de refroidissement se produit naturellement.
- Agrandissement de la surface chauffante.
- La pompe existante dans la chaudière ne fournit pas une distribution uniforme du caloporteur.
Dans chacune de ces situations, l'installation d'un appareil supplémentaire peut garantir un chauffage de qualité pour chaque pièce de la maison.
Une façon de résoudre ce problème consiste à installer une pompe de circulation supplémentaire. Cette solution sera beaucoup plus rentable qu'un remplacement complet de l'équipement principal par un équipement adapté.
La plupart des maisons privées sont équipées de pompes sans fente.
La caractéristique de conception du système est l'absence de lubrifiants spéciaux.
Le fluide chauffant agit comme un liquide de refroidissement et lubrifie les éléments rotatifs.
En ce sens, les règles suivantes doivent être respectées :
- l'arbre de la pompe est strictement horizontal par rapport au sol ;
- Le sens d'écoulement du liquide de refroidissement doit correspondre au marquage spécial sur l'appareil ;
- Installation dans la section du système avec la température minimale du liquide.
La mise en œuvre des recommandations ci-dessus fournira les conditions nécessaires au fonctionnement de la pompe. La surchauffe et l'activation du système de protection sont exclues.
L'équipement supplémentaire pour le système de chauffage est connecté via un panneau de commande central, qui peut être contrôlé.
Les nouveaux modèles de pompes de circulation ont une protection intégrée et une résistance de courant de blocage, ce qui vous permet d'établir une terre normale.
Il faut également veiller à ce que les liquides n'entrent pas en contact direct avec la boîte à bornes. Par conséquent, lors de l'installation, la boîte à bornes doit être positionnée côté ou dessus.







































