- Top 5 des meilleurs accumulateurs de chaleur
- Comment améliorer les performances de la chaudière
- Différents types et schémas de tuyauterie d'une chaudière à combustible solide
- Le ballon de stockage agit comme une chaudière ECS
- Raccordement d'un ballon de stockage de chaleur et d'un ballon ECS séparé
- Connexion parallèle de deux chaudières de chauffage
- Sélection d'un accumulateur de chaleur
- L'appareil et les caractéristiques de l'accumulateur de chaleur
- Le principe de fonctionnement des chaudières à pyrolyse et leurs caractéristiques
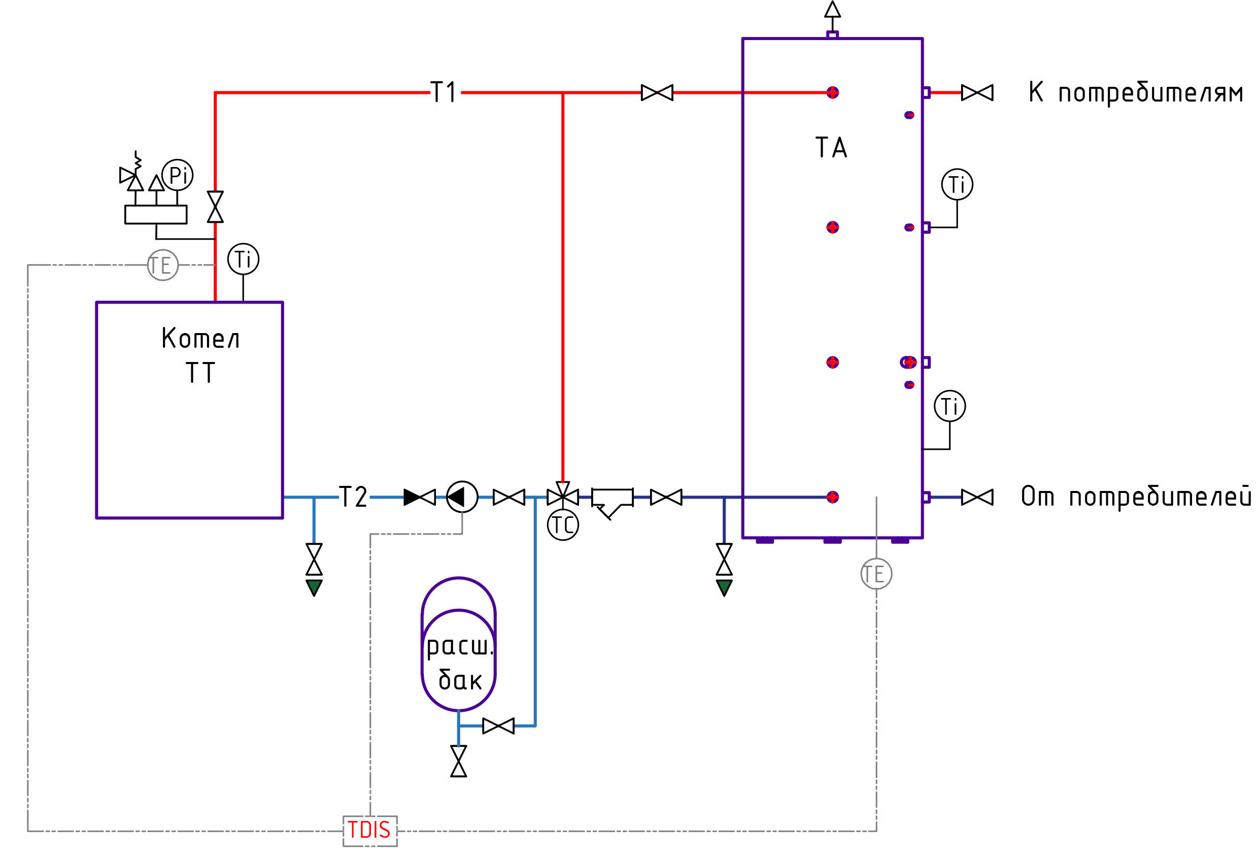
- Schémas de raccordement d'un accumulateur de chaleur à une chaudière à combustible solide et à un système de chauffage
- Certaines fonctionnalités
- Calcul de conception
- Accumulateur thermique: qu'est-ce que c'est
- Le principe de fonctionnement du système de chauffage avec un accumulateur de chaleur
- Les principales fonctions des accumulateurs de chaleur
- L'utilisation d'un accumulateur de chaleur : quand l'équipement est nécessaire
- Mélange d'eau chaude et ajout de vanne
- Le principe de fonctionnement des chaudières à combustible solide et leur dispositif
Top 5 des meilleurs accumulateurs de chaleur
______________________________________________________________________________________
| Modèle | Caractéristique | Avantages |
| S-TANK CHEZ PRESTIGE - 500 (Biélorussie) | Poids - 105 kg. Diamètre - 78 cm. Hauteur - 157 cm. Volume du réservoir - 500 l. | facilité d'entretien et d'installation facile; L'eau chauffe vite Protégé contre la surchauffe multifonctionnalité; Compatible avec diverses sources de chaleur. |
| HAJDU PT 300 (Hongrie) | Hauteur - 1595 mm. Poids - 87 kg. Volume du réservoir - 300 l. | Fonctionne en système fermé, avec pompes, chauffage et batteries solaires; · boîte installer des éléments chauffants ; installation, construction et entretien simples; bonne isolation thermique. |
| HAJDU AQ PT 1000 (Hongrie) | Volume du réservoir - 750 l. Poids - 93 kg. Diamètre - 79 cm. Hauteur - 191 cm. | ergonomie; La présence d'isolation thermique; Isolation et enveloppe amovibles ; compatibilité avec diverses chaudières ; fonctionnement à long terme. |
| S-TANK À AT-1000 (Biélorussie) | Poids - 131 kg. Hauteur - 2035 mm. Diamètre - 92 cm. Volume du réservoir - 1000 l. | · d'en haut l'appareil est calorifugé (70 mm) ; · pour une connexion pratique, les buses sont tournées à un angle de 90° et situées à différentes hauteurs ; · Il y a 4 trous de 0,5 pouces pour les manomètres thermostatiques et les capteurs. |
| S-Tank AT 300 (Biélorussie) | Poids - 65 kg. Hauteur - 1545 mm. Diamètre - 500 mm. Volume du réservoir - 300 l. | · il est bien combiné avec tous les types de cuivres ; · l'isolation a une haute résistance au feu ; Le réservoir est protégé de l'extérieur par un gainage (plastique ou tissu, Le dessus du réservoir est peint avec une peinture résistante à la chaleur. |
______________________________________________________________________________________ Accumulateurs de chaleur pour chaudières de chauffage Les produits fabriqués en Russie ont fait leurs preuves sur le marché. Ils ne perdent pas face aux analogues étrangers, ils ont également une haute qualité et une longue durée de vie, et le prix est beaucoup plus bas. Des modèles bien connus de dispositifs de protection sont produits par des marques: Prometey, Vodosistema, BTS, Gorynya, RVS-engineering LLC, Teplodar.
Comment améliorer les performances de la chaudière
En règle générale, une chaudière à combustible solide auto-assemblée se caractérise par des pertes de chaleur importantes associées à l'échappement de chaleur dans la cheminée. De plus, plus la cheminée est droite et haute, plus la perte de chaleur est importante.La solution dans ce cas sera la création d'un soi-disant bouclier chauffant, c'est-à-dire une cheminée incurvée, qui vous permet de transférer plus d'énergie thermique à la maçonnerie. La brique, à son tour, dégagera de la chaleur dans l'air de la pièce, la chauffant. Souvent, de tels mouvements sont disposés dans les murs entre les pièces. Cependant, une telle approche n'est réalisable que si la chaudière est située au sous-sol ou au sous-sol, ou si une cheminée volumineuse à plusieurs étages est construite.
Alternativement, vous pouvez augmenter l'efficacité de la chaudière en installant un chauffe-eau autour de la cheminée. Dans ce cas, la chaleur des gaz de combustion chauffera les parois de la cheminée et sera transférée à l'eau. À ces fins, la cheminée peut être fabriquée à partir d'un tuyau plus fin, qui est intégré dans un tuyau plus grand.

Le moyen le plus efficace d'augmenter l'efficacité d'une chaudière à combustible solide consiste à installer une pompe de circulation qui pompe l'eau de manière forcée. Cela augmentera la productivité de l'usine d'environ 20 à 30 %.
Bien sûr, il est nécessaire de concevoir la chaudière de manière à ce que le liquide de refroidissement puisse circuler tout seul si l'électricité est coupée dans la maison. Et si elle est disponible, la pompe accélérera le chauffage de la maison à des températures confortables.
Différents types et schémas de tuyauterie d'une chaudière à combustible solide
Il existe de nombreuses façons de connecter la chaudière et les équipements connexes au système de chauffage général de la maison. Considérons les plus courants d'entre eux.
Le ballon de stockage agit comme une chaudière ECS
La conception du réservoir de stockage est une spirale située à l'intérieur de l'accumulateur de chaleur.Le liquide de refroidissement chaud qui se trouve à l'intérieur chauffe l'eau courante du circuit d'eau chaude. En cas de panne et d'arrêt de la chaudière, l'accumulateur de chaleur vous permet de maintenir une température acceptable dans la pièce, jusqu'à 2 jours. A condition que la fonction ECS ne soit pas utilisée.
Pour contrôler le débit et la température du liquide de refroidissement, un dispositif de mélange thermique automatique est utilisé :
- robinet à tournant sphérique ;
- Thermomètre;
- Pompe.
L'appareil est également équipé d'un clapet anti-retour, d'une vanne de circulation naturelle automatique d'urgence (en cas de coupure de courant), d'une vanne thermique intégrée et d'un raccord.
Le principe de fonctionnement de l'appareil est le suivant. Lorsque le liquide de refroidissement atteint une certaine température (780C), la vanne thermique ouvre l'alimentation en eau de l'accumulateur. La température est maintenue à un niveau donné en régulant la section du passage de retour du système de chauffage central au canal de dérivation.
Schéma de raccordement d'une chaudière à combustible solide à un accumulateur de chaleur à double usage :
1. Groupe de sécurité ; 2. Réservoir de stockage thermique ; 3. Mélangeur thermique ;
4. Vase d'expansion de type membrane ; 5. Vanne d'appoint du système ; 6. Pompe de circulation du système de chauffage ;
7. Radiateurs ; 8. Vanne de mélange à trois voies ; 9. Clapet anti-retour ; 10. Pompe de circulation ECS.
Raccordement d'un ballon de stockage de chaleur et d'un ballon ECS séparé
Le volume de la chaudière pour le chauffage passif du système ECS dépend du nombre de consommateurs et de la puissance de l'équipement utilisé. À fixation des chaudières à granulés Il n'est pas recommandé d'utiliser des matériaux et des structures en polypropylène. La température de l'échangeur de chaleur à la sortie aux pics de charge dépasse souvent les performances des tuyaux en matériaux polymères.
Tuyauterie d'une chaudière à combustible solide avec une chaudière à eau chaude séparée :
1. Chaudière.2. Groupe de sécurité.3. Réservoir à membrane d'expansion.
4. Pompe de circulation. 5. Vanne mélangeuse manuelle à trois voies.6. Vanne d'appoint du système.
7. Radiateur de chauffage.8. Chauffage indirect de la chaudière ECS.9. Réservoir de stockage thermique.
Connexion parallèle de deux chaudières de chauffage
Afin de prolonger la durée de vie et de répartir uniformément les ressources utilisées, les utilisateurs combinent souvent deux types de sources de chauffage différents en un seul système d'alimentation en chaleur. Dans ce cas, la principale source de chaleur en hiver est une chaudière à combustible solide. La chaudière électrique est allumée en mode d'urgence et pendant les mois d'été lorsqu'elle est utilisée pour chauffer l'eau.
Schéma de cerclage chaudière à combustible solide avec connexion électrique parallèle :
1. Chaudière à granulés.2. Groupe de sécurité du système de chauffage.3. Chaudière alternative (électrique ou gaz).4. Séparateur pour éliminer l'air du système.
5. Pompe de circulation.6. Vanne mélangeuse manuelle à trois voies.7. Soupape de protection contre la marche à sec.8. Vase d'expansion.
9. Vanne pour alimenter le système en eau.10. Réservoir de stockage thermique.11. Radiateur de chauffage.12. Lavabo.13. Pompe de circulation ECS.
Un système de chauffage basé sur une chaudière à granulés est assez complexe et nécessite un réglage minutieux. Avant d'effectuer des travaux d'installation, lisez attentivement les instructions fournies par les fabricants.
Sélection d'un accumulateur de chaleur
Les critères restants pour choisir une capacité ne sont pas si importants et concernent principalement différentes options. L'un d'eux est un serpentin intégré qui chauffe l'eau pour les besoins domestiques.Cela peut être utile s'il n'y a pas d'autre moyen de chauffage, mais pour des coûts élevés dans le réseau ECS, cette méthode n'est certainement pas adaptée. De plus, l'échangeur de chaleur enlèvera une partie de la "charge" de l'accumulateur de chaleur, réduisant ainsi la durée de vie de la batterie de chauffage.
Une option utile est un élément chauffant intégré dans la partie supérieure du réservoir, capable de maintenir la température du liquide de refroidissement à un certain niveau. Grâce au chauffage électrique, le système ne dégivrera pas en cas d'accident et pourra même chauffer la maison pendant un certain temps après que la batterie se soit "déchargée" et que la chaudière n'ait pas encore été démarrée.
La deuxième bobine pour connecter le système solaire n'est utile que dans les régions du sud, où l'activité solaire permettra de charger l'accumulateur de chaleur
Mais ce à quoi vous devez faire attention lors du choix, c'est la pression de travail du réservoir. Il convient de garder à l'esprit que la plupart des chaudières à combustible solide sont conçues pour des pressions de chemise allant jusqu'à 3 bars, ce qui signifie que le réservoir tampon doit facilement supporter la même quantité.
L'appareil et les caractéristiques de l'accumulateur de chaleur
De par sa conception, un accumulateur de chaleur typique est un réservoir en acier avec des buses en haut et en bas, qui sont en même temps les extrémités d'un serpentin constitué d'un tube de cuivre. Les tuyaux de dérivation inférieurs sont connectés à la source de chaleur, les supérieurs - au système de chauffage. À l'intérieur de l'installation se trouve un liquide que le consommateur peut utiliser pour résoudre les problèmes dont il a besoin.
Schéma de câblage
Le principe de fonctionnement de l'unité est basé sur la capacité calorifique élevée de l'eau. En général, le mécanisme d'action d'un accumulateur de chaleur peut être décrit comme suit :
- deux tuyaux sont découpés dans les parois latérales du réservoir.Par l'un, l'eau froide pénètre dans le réservoir à partir du système d'alimentation en eau ou des réservoirs, à travers le second, le liquide de refroidissement chauffé est évacué vers les radiateurs de chauffage;
- l'extrémité supérieure du serpentin installé dans le réservoir est reliée au tuyau d'eau froide de la chaudière, l'extrémité inférieure au tuyau d'eau chaude ;
- circulant dans le serpentin, l'eau chaude chauffe le liquide dans le réservoir. Après avoir éteint la chaudière, l'eau dans les tuyaux de chauffage commence à se refroidir, mais continue de circuler. Lorsqu'il pénètre dans l'accumulateur de chaleur, le liquide froid pousse le liquide de refroidissement chaud accumulé dans le système de chauffage, grâce auquel le chauffage des locaux se poursuit pendant un certain temps (en fonction de la capacité de stockage) même lorsque la chaudière est éteinte.
Important! Pour assurer le mouvement du liquide de refroidissement, le système est équipé d'une pompe de circulation
Le principe de fonctionnement des chaudières à pyrolyse et leurs caractéristiques
En créant chaudières à pyrolyse mains, les gens ont tendance à économiser de l'argent dans leur portefeuille. Si l'équipement à gaz est assez bon marché, les unités à combustible solide sont tout simplement incroyables à leur prix. Un modèle plus ou moins décent d'une capacité de 10 kW coûtera 50 à 60 000 roubles - il est moins cher de conduire du gaz si un gazoduc passe à proximité. Mais s'il n'y en a pas, il existe deux solutions: acheter du matériel d'usine ou le fabriquer vous-même.
Faire une pyrolyse chaudière à combustion longue Vous pouvez le faire vous-même, mais c'est difficile. Commençons par comprendre pourquoi la pyrolyse est nécessaire. Dans les chaudières et poêles conventionnels, le bois est brûlé de manière traditionnelle - à haute température, avec dégagement de produits de combustion dans l'atmosphère.La température dans la chambre de combustion est d'environ + 800-1100 degrés et dans la cheminée - jusqu'à + 150-200 degrés. Ainsi, une partie substantielle de la chaleur s'envole simplement.
La combustion directe du bois est utilisée dans de nombreux appareils de chauffage :
Les chaudières à pyrolyse à combustibles solides peuvent utiliser plusieurs types de combustibles, dont les déchets issus du travail du bois et de la transformation agricole.
- chaudières à combustible solide;
- Poêles-cheminées;
- Cheminées avec circuits d'eau.
Le principal avantage de cette technique est qu'elle est simple - il suffit de créer une chambre de combustion et d'organiser l'évacuation des produits de combustion à l'extérieur de l'équipement. Le seul régulateur ici est la porte du ventilateur - en ajustant le dégagement, nous pouvons ajuster l'intensité de la combustion, affectant ainsi la température.
Dans une chaudière à pyrolyse, assemblée de vos propres mains ou achetée dans un magasin, le processus de combustion du combustible est quelque peu différent. Le bois de chauffage y est brûlé à basse température. On peut dire que ce n'est même pas une combustion, mais une lente combustion lente. Dans le même temps, le bois se transforme en une sorte de coke, tout en libérant des gaz de pyrolyse combustibles. Ces gaz sont envoyés à la post-combustion, où ils brûlent en dégageant une grande quantité de chaleur.
S'il vous semble que cette réaction ne donnera pas d'effet spécial, alors vous vous trompez profondément - si vous regardez dans la postcombustion, vous verrez une flamme rugissante de couleur jaune vif, presque blanche. La température de combustion est légèrement supérieure à +1000 degrés, et plus de chaleur est libérée dans ce processus qu'avec une combustion au bois standard.
Pour qu'une chaudière à pyrolyse auto-assemblée puisse montrer une efficacité maximale, du bois de chauffage à faible teneur en humidité est nécessaire. Le bois mouillé ne permettra pas à l'équipement d'atteindre sa pleine capacité.
La réaction de pyrolyse nous est familière depuis le cours de physique de l'école. Dans un manuel (et peut-être dans une salle de laboratoire), beaucoup d'entre nous ont vu une réaction intéressante - le bois a été placé dans un flacon en verre scellé avec un tube, après quoi le flacon a été chauffé sur un brûleur. Après quelques minutes, le bois a commencé à s'assombrir et des produits de pyrolyse ont commencé à sortir du tube - ce sont des gaz combustibles qui pourraient être incendiés et observer la flamme jaune-orange.
La chaudière à pyrolyse à faire soi-même fonctionne de la même manière :
Sur une charge de combustible, les chaudières à pyrolyse fonctionnent pendant environ 4 à 6 heures. Ainsi, un approvisionnement important et régulièrement renouvelé en bois de chauffage doit être assuré à l'avance.
- Le bois de chauffage est allumé dans le foyer jusqu'à ce qu'une flamme stable apparaisse ;
- Après cela, l'accès à l'oxygène est bloqué, la flamme s'éteint presque complètement ;
- Le ventilateur soufflant démarre - une flamme à haute température apparaît dans la postcombustion.
Le dispositif de la chaudière à pyrolyse est assez simple. Les principaux éléments ici sont : une chambre de combustion dans laquelle le bois de chauffage est stocké et une chambre de post-combustion dans laquelle les produits de pyrolyse sont brûlés. La chaleur est transférée au système de chauffage via un échangeur de chaleur
Dans le schéma de la chaudière à pyrolyse, une attention particulière lui est accordée
Le fait est que les échangeurs de chaleur dans les chaudières à pyrolyse à faire soi-même sont disposés différemment que dans les équipements à gaz. Les produits de combustion avec l'air passent ici par de nombreux tuyaux métalliques lavés par l'eau.Pour augmenter l'efficacité, l'eau de la chaudière lave non seulement l'échangeur de chaleur lui-même, mais également tous les autres nœuds - une sorte de chemise d'eau est créée ici, qui évacue l'excès de chaleur des éléments chauds de la chaudière.
Schémas de raccordement d'un accumulateur de chaleur à une chaudière à combustible solide et à un système de chauffage
Le schéma de connexion le plus simple est un schéma de connexion d'entraînement avec un circuit direct.
Le réservoir comporte quatre tuyaux de dérivation - les supérieurs pour l'alimentation en liquide de refroidissement chaud et les inférieurs pour le raccordement de retour. Des pompes de circulation sont installées sur les tuyaux de retour. Le liquide de refroidissement froid du circuit du radiateur pénètre dans le réservoir. De plus, à travers la pompe de circulation, l'eau pénètre dans le boîtier de la chaudière à combustible solide, en chauffant, elle rentre dans l'accumulateur, uniquement par le tuyau supérieur. Puis à nouveau par le tuyau supérieur, seulement liquide de refroidissement du circuit de chauffage entre dans les radiateurs, où il est refroidi. Dans le réservoir de stockage, pendant la période où le volume principal est rempli de liquide de refroidissement refroidi, un mélange actif d'eau chaude et refroidie ne se produit pas, mais de l'eau chaude s'écoule dans les batteries. Mais à mesure que le carburant commence à brûler plus intensément, plus d'eau chaude pénètre dans le réservoir et, par conséquent, il est rempli d'un liquide de refroidissement chauffé. Étant donné que le réservoir lui-même possède une grande couche d'isolation thermique, l'eau chauffée se refroidit lentement, ce qui permet de maintenir une température stable dans le circuit pendant une longue période.
Pour les maisons privées, en fonction de l'équipement du système avec des appareils de chauffage et d'eau chaude, 7 schémas de connexion principaux sont utilisés:
- Schéma de connexion directe pour les unités à combustible solide ;
- Schéma avec une disposition diagonale des pompes et une vanne à trois voies;
- Circuit en boucle fermée de la chaudière ;
- Schéma avec échangeur de chaleur externe ;
- Schéma avec un échangeur de chaleur d'un système d'alimentation en eau chaude ;
- Appareil avec un réservoir de stockage d'eau chaude ;
- Schéma avec connexion supplémentaire du capteur solaire ;
Certaines fonctionnalités
La configuration de la chaudière, ses caractéristiques, ses dessins dépendront de nombreux facteurs :
- Matériel. L'acier ordinaire (tôle) convient, mais l'acier inoxydable ou la fonte résistant à la chaleur sont les meilleurs.
- Possibilités de bon traitement de l'acier, connexion fiable des pièces structurelles. Habituellement, pour cela, ils utilisent principalement une meuleuse, un coupe-gaz et une soudure électrique.
- Type, caractéristiques du combustible (liquide ou solide). L'acier doit résister à des températures élevées, ne pas se déformer, ne pas fondre sous leur influence. Résiste à la pression interne des vapeurs et des gaz sans lacunes ni fissures.
- Calcul correct de la méthode de circulation du liquide de refroidissement. Sera-t-il naturel (grâce à la manipulation correcte des diamètres des tuyaux, de leur pente, de la hauteur du réservoir, etc.) ou forcé (à l'aide d'une pompe dans le circuit).
- Prise en compte de la pression de vapeur, utilisation de vannes pour évacuer les gaz en excès, condensat (installation de retour).
Calcul de conception
Avant de préparer des dessins et de développer des schémas pour connecter un accumulateur de chaleur à une chaudière et à des canalisations, un certain nombre de calculs sont nécessaires.
Tout d'abord, il est nécessaire de calculer les performances thermiques du système de chauffage.Mais l'indicateur doit être moyen, et non avec une marge pour les jours de gel, sinon le volume du réservoir sera excessivement important et une chaudière de grande puissance sera nécessaire pour le chauffer.
Une solution rationnelle consiste à calculer entièrement la perte de chaleur de la maison, mais ici, il est plus pratique d'utiliser le principe simplifié, selon lequel 1 kW de chaleur est nécessaire pour 10 m2 de surface de la maison pour la réchauffer en cas de fortes gelées. La valeur moyenne sera inférieure à la moitié. Ainsi, pour chauffer votre maison de 100 m2, il vous faut au maximum 10 kW, et une moyenne de 5 kW.
Il découle du fait que la durée pendant laquelle le système doit fonctionner lorsque la chaudière ne fonctionne pas est de 8 heures. Autrement dit, si 5 kW sont requis par heure, l'apport d'énergie thermique requis pendant 8 heures sera de 8 × 5 = 40 kW.
La température maximale de l'eau dans le réservoir sera de 90 degrés et la température optimale du liquide de refroidissement dans le système de radiateur local est d'environ 60 degrés, nous trouvons donc la différence de température, elle sera de 30 degrés.
Pour calculer le volume d'un accumulateur de chaleur (TA) pour une chaudière de chauffage, nous utilisons la formule et nous devons trouver la valeur de m, c'est-à-dire que la formule ressemblera à ceci:
- Q est la consommation d'énergie thermique (nous avons 40 kW) ;
- Δt est la différence de température (nous avons 30°С) ;
- c est la valeur de la capacité calorifique spécifique de l'eau, égale à 0,0012 kW / kg ºС (4,187 kJ / kg ºС);
Nous effectuons des calculs: m \u003d 40 / 0,0012 x 30 \u003d 1111 kg, c'est-à-dire que s'il est arrondi, le volume du réservoir devrait être d'environ 1,2 m3. Connaissant le volume requis et utilisant des formules géométriques simples, il est possible de calculer les dimensions d'un réservoir cylindrique ou rectangulaire.
Un tel appareil est capable de maintenir la température du liquide de refroidissement dans les radiateurs à 60 degrés pendant 8 heures, puis la température diminuera progressivement, mais il faudra encore environ 3 à 4 heures pour que les pièces refroidissent complètement.
Accumulateur thermique: qu'est-ce que c'est
Structurellement, un accumulateur de chaleur à combustible solide est un récipient spécial avec un caloporteur, qui se réchauffe rapidement lors de la combustion du combustible dans le four de la chaudière. Après l'arrêt de l'unité de chauffage, la batterie dégage sa chaleur, maintenant ainsi la température optimale dans le bâtiment.
En combinaison avec une chaudière à combustible solide moderne, l'accumulateur de chaleur permet de réaliser près de 30% d'économies de combustible et d'augmenter l'efficacité du système. De plus, le nombre de charges de l'unité thermique peut être réduit jusqu'à 1 fois, et l'équipement lui-même fonctionne à pleine capacité, brûlant autant que possible tout le carburant chargé.
Découvrez également les avantages des tuyaux en plastique pour le chauffage.

Conception et objectif des réservoirs capacitifs
Tous les accumulateurs thermiques sont fabriqués (et cela peut être vu dans de nombreuses photos ou vidéos sur notre site Web) sous la forme de réservoirs tampons - des réservoirs isolés avec des matériaux spéciaux. Dans le même temps, le volume de ces réservoirs peut atteindre 350 à 3 500 litres. Les appareils peuvent être utilisés aussi bien dans des systèmes de chauffage ouverts que fermés.
Le principe de fonctionnement du système de chauffage avec un accumulateur de chaleur
En règle générale, la principale différence entre un système avec une chaudière à combustible solide et un accumulateur de chaleur d'un système conventionnel est le fonctionnement cyclique.
En particulier, il existe deux cycles :
- Le produit de deux signets de carburant, le brûlant en mode puissance maximale.Dans le même temps, tout excès de chaleur ne s'envole pas «dans le tuyau», comme avec le schéma de chauffage traditionnel, mais s'accumule dans la batterie;
- La chaudière ne chauffe pas et le régime de température optimal du liquide de refroidissement est maintenu grâce au transfert de chaleur du réservoir. Il convient de noter que lors de l'utilisation d'accumulateurs de chaleur modernes, il est possible d'obtenir des temps d'arrêt du générateur de chaleur jusqu'à 2 jours (tout dépend de la perte de chaleur du bâtiment et de la température de l'air extérieur).
Découvrez également les caractéristiques du processus d'installation des chaudières de chauffage.
Les principales fonctions des accumulateurs de chaleur
Une chaudière à combustible solide avec accumulateur de chaleur est un tandem très rentable et productif, grâce auquel vous pouvez rendre le système de chauffage plus pratique, économique et productif.
Les accumulateurs de chaleur remplissent plusieurs fonctions à la fois, parmi lesquelles:
- Accumulation de chaleur de la chaudière avec sa consommation ultérieure à la demande du système de chauffage. Souvent, ce facteur est fourni par l'utilisation d'une vanne à trois voies ou d'une automatisation spéciale;
- Protection du système de chauffage contre les surchauffes dangereuses ;
- Possibilité d'enchaînement simple dans un schéma de plusieurs sources de chaleur différentes ;
- Assurer le fonctionnement des chaudières avec une efficacité maximale. En fait, cette fonction apparaît en raison du fonctionnement des équipements à des températures élevées et d'une diminution de la consommation de carburant;

Accumulateurs de chaleur selon sélection
- Stabilisation des conditions de température dans le bâtiment, réduisant le nombre de chargements de combustible dans la chaudière. Dans le même temps, ces indicateurs sont assez importants, ce qui fait de l'installation de tels équipements une solution plus efficace et financièrement rentable;
- Alimentation du bâtiment en eau chaude.L'installation obligatoire d'une soupape de sécurité thermostatique spéciale à la sortie du réservoir d'accumulation de chaleur est requise, car la température de l'eau peut atteindre plus de 85 ° C.
Calcul accumulateur de chaleur pour combustible solide les chaudières peuvent être produites de différentes manières. Mais, si vous devez effectuer rapidement tous les calculs, il est préférable d'utiliser l'option éprouvée dans la pratique - au moins 25 litres de volume doivent tomber sur 1 kW de puissance de chaudière à combustible solide. Plus la puissance de l'ingénierie thermique est élevée, plus le volume nécessaire pour installer la batterie est important.

Caractéristiques de conception des réservoirs
L'utilisation d'un accumulateur de chaleur : quand l'équipement est nécessaire
Les instructions pour les accumulateurs de chaleur des chaudières à combustible solide indiquent que de telles unités doivent être utilisées dans plusieurs cas principaux:
- Le besoin d'une alimentation en eau chaude efficace dans de grands volumes. Par exemple, si la maison a deux salles de bains ou plus, un grand nombre de robinets, vous ne pouvez pas vous passer d'accumulateurs de chaleur, car la technique augmente considérablement la production d'eau sans frais financiers supplémentaires;
- Lors de l'utilisation de combustibles solides avec différents coefficients de dégagement de chaleur. Grâce à cette technique, il est possible de lisser les pics de combustion et de réduire le nombre de signets ;
- S'il est nécessaire dans la maison de recharger les batteries avec de la chaleur au « tarif de nuit » ;
- Lors de l'utilisation de pompes à chaleur. Dans le cas où, en plus d'une chaudière à combustible solide, il existe également un système de chauffage alternatif dans le bâtiment, la batterie permettra d'optimiser le temps de fonctionnement du compresseur de l'installation.
Mélange d'eau chaude et ajout de vanne
Pour que le système fonctionne, il est nécessaire de prévoir un mélange automatique d'eau chaude dans la conduite de retour. Ainsi, on augmente la température de l'eau entrant dans la chaudière. Si du liquide de refroidissement trop froid y pénètre, la chaudière peut rapidement tomber en panne. Il existe plusieurs schémas de cerclage courants avec l'ajout d'un retour. Nous utilisons une vanne thermostatique mélangeuse à trois voies. L'installation de cette vanne vous permet de former un petit cercle de circulation du liquide de refroidissement, à la suite de quoi le chauffage de la chaudière s'accélérera. Cette approche empêche la formation de condensat, protégeant ainsi l'échangeur de chaleur des dommages dus à une différence de température importante.

Imaginons une situation simulée. Nous réglons la valve à pétales intégrée pour qu'elle fonctionne lorsque la température atteint 55 degrés. Lorsque la chaudière est démarrée, l'eau du système n'est pas chauffée et pendant qu'elle est froide, la vanne se ferme et démarre le transporteur en petit cercle. Une fois l'eau d'alimentation chauffée jusqu'à la valeur seuil de 55 degrés, la vanne s'est légèrement ouverte et a commencé à se mélanger à l'eau réfrigérée du retour. À l'étape suivante, tout le baril est chauffé, tandis que la température de retour dépassera également 55 degrés. À ce stade, la vanne basculera complètement et laissera l'eau s'écouler à travers le grand anneau.
Après avoir raccordé le retour, nous ajoutons une soupape de surpression au circuit de tuyauterie de la chaudière à combustible solide. Il est nécessaire en cas de dépassement des performances. La chaudière à combustible solide a un trou spécial pour le montage de la vanne. Dans d'autres modèles, la vanne peut être installée à travers un té. Nous incluons un vase d'expansion dans le système. Après cela, pour terminer la tuyauterie du côté du générateur de chaleur, il est nécessaire de connecter une chaudière électrique. Il est inclus dans le circuit en parallèle avec la chaudière à combustible solide déjà installée.
Nous avons formé deux alimentations, sur chacune d'elles, il est nécessaire d'installer des clapets anti-retour. Ceci est fait pour que la pompe de l'une des chaudières n'a pas pompé l'eau le long du contour de travail en opposition à un autre. Rappelons que sur une chaudière à combustible solide, nous n'utilisons pas une vanne ordinaire, mais une vanne à pétales.
Le principe de fonctionnement des chaudières à combustible solide et leur dispositif
Le combustible organique solide est la plus ancienne source d'énergie pour l'humanité. Le refuser complètement, même dans le monde moderne, est impossible. De plus, en plus du bois de chauffage et du charbon, de nombreux autres types de solides combustibles sont apparus aujourd'hui :
- briquettes de tourbe - la tourbe séchée et pressée dégage beaucoup de chaleur lors de la combustion;
- briquettes de déchets de travail du bois - sciure de bois comprimée, copeaux et écorces d'arbres;
- charbon de bouleau - le même que pour le barbecue;
- déchets recyclés provenant des décharges ;
- granulés de chauffage au fioul - combustible fin obtenu par pressage de la sciure de bois. Peut être alimenté automatiquement
- sciure sèche ordinaire.
Diverses matières premières à utiliser dans les chaudières à combustible solide
Il est clair que tout ce carburant est obtenu par le traitement de divers déchets, ce qui résout le problème du recyclage dans les entreprises et s'inscrit dans l'économie « verte ».
Conseils utiles Le combustible le plus abordable indiqué ci-dessus est la sciure de bois. Si vous avez l'intention de les utiliser pour le chauffage, assurez-vous qu'ils ont moins de 20 % d'humidité. Des valeurs élevées de ce paramètre ne permettront pas la production de gaz de pyrolyse, car la majeure partie de l'énergie de chauffage ira sécher le combustible.
L'activité humaine génère une énorme quantité de déchets pouvant être convertis en combustible à haute énergie, ce qui a conduit à l'apparition sur le marché de chaudières de chauffage pour combustibles solides à longue durée de vie. Contrairement aux fours conventionnels, ces unités ne fonctionnent pas sur la combustion du combustible lui-même, mais sur sa séparation sous l'effet du chauffage. Dans la chambre de travail de ces chaudières, les produits de décomposition gazeux des combustibles solides sont brûlés. Un tel schéma de fonctionnement est plusieurs fois plus efficace que la combustion conventionnelle de combustibles fossiles. Le gaz de pyrolyse dégage une grande quantité d'énergie.
Le principe de fonctionnement d'une chaudière à combustible solide pour une longue combustion
Le dispositif d'une telle installation de générateur de gaz n'est pas très compliqué. Vous pouvez même construire une chaudière à combustible solide à combustion longue de vos propres mains. Le dessin de la version la plus simple ressemble à ceci :
- un réservoir cylindrique fermé, qui a une trappe pour déposer du carburant, un ventilateur et un trou pour installer une cheminée;
- un distributeur d'air est situé à l'intérieur du réservoir, ce qui crée un tourbillon du gaz de pyrolyse. Il est attaché à un tube télescopique mobile. Toute cette structure, semblable à un piston, appuie sur le carburant par le haut. La combustion du gaz se produit au-dessus du piston et le carburant couve en dessous;
- l'échangeur de chaleur est intégré dans la chambre supérieure où la température maximale est atteinte.
Une combustion lente du combustible solide se produit dans la chambre inférieure. Il est obtenu en ajustant l'alimentation en air du ventilateur. Le gaz libéré brûle intensément dans la chambre supérieure et chauffe le liquide de refroidissement.
Schéma du système de chauffage d'une maison privée utilisant une chaudière à combustible solide
Conseils utiles N'utilisez pas la conception la plus simple pour la fabrication d'une chaudière qui chauffera un bâtiment résidentiel de manière continue.Pour ce faire, vous devez soit acheter un produit fini, soit en créer une version plus complexe et fiable.
Les chaudières à combustibles solides à combustion longue peuvent être indispensables dans les maisons privées, les dépendances, les garages et les serres. Ils seront particulièrement bénéfiques là où il existe une grande industrie de transformation du bois, car les déchets de ces entreprises sont distribués presque gratuitement. Ces unités sont également nécessaires dans les zones où il y a des interruptions régulières de l'approvisionnement en gaz. De telles installations présentent de nombreux avantages, mais il existe également un inconvénient important - un coût très élevé. C'est pourquoi il est aujourd'hui important de fabriquer soi-même des chaudières à combustible solide pour une longue durée de vie. Les dessins pour cela peuvent être utilisés avec différents degrés de complexité. Cela dépend du niveau de compétence.
Chauffage de l'eau à faire soi-même d'une maison privée, schémas de conception. Avantages et inconvénients. La différence entre la circulation naturelle et forcée de l'eau.






































