Schéma de raccordement des relais : appareil, application, subtilités de choix et règles de raccordement

Relais thermique : principe de fonctionnement, types, schéma de raccordement + réglage et repérage

Schémas de câblage

Le télérupteur peut être utilisé pour contrôler la lumière. Pour assurer le fonctionnement des systèmes électriques avec des éléments de commutation installés de ce type, il est nécessaire d'effectuer correctement les travaux sur les conducteurs de connexion.

Schéma de raccordement des relais : appareil, application, subtilités de choix et règles de raccordement

Tout d'abord, il convient de garder à l'esprit que le relais à impulsions n'est équipé d'aucun élément de protection. Par conséquent, si un court-circuit se produit dans le câblage électrique des appareils d'éclairage, non seulement les contacts du relais peuvent brûler, mais également l'inflammation de tout objet inflammable situé à proximité d'un conducteur en cuivre. Pour minimiser les conséquences possibles, l'installation de télérupteurs doit être effectuée uniquement après la machine (ou les fusibles (prises)).

Schéma de raccordement des relais : appareil, application, subtilités de choix et règles de raccordement

Les interrupteurs à bouton-poussoir sont utilisés pour changer de mode de relais.De tels éléments d'équipements électriques sont équipés d'éléments à ressort qui ramènent le bouton dans sa position d'origine immédiatement après la cessation de la pression mécanique sur sa surface. C'est un point très important, car si le contact est fermé trop longtemps, l'enroulement de la bobine peut surchauffer et le produit (électromécanique) tombera en panne.

De nombreux fabricants d'interrupteurs à impulsion indiquent dans la documentation du produit qu'il est impossible de fournir du courant électrique à la bobine pendant une longue période (généralement pas plus de 1 s).

Le nombre d'interrupteurs avec lesquels un signal est envoyé au relais à impulsions n'est en aucun cas limité, mais, dans de nombreux cas, il y a 3-4 boutons dans le schéma de connexion de l'appareil. Cela suffit pour contrôler la lumière depuis plusieurs endroits.

Schéma de raccordement des relais : appareil, application, subtilités de choix et règles de raccordement

Tous les interrupteurs à bouton-poussoir sont connectés en parallèle les uns aux autres. Cette caractéristique de la commande du dispositif d'impulsion permet l'utilisation d'un nombre de fils nettement inférieur, par rapport à d'autres méthodes de montage d'un système de commande pour un appareil d'éclairage à partir de différents emplacements. Un fil du système de contact des interrupteurs est connecté à la phase de câblage, l'autre est connecté au télérupteur (contact A1).

Schéma de raccordement des relais : appareil, application, subtilités de choix et règles de raccordement

En plus de connecter le fil de phase des interrupteurs, la phase est connectée au contact "2" du dispositif à impulsions. Ainsi, la transmission d'un signal d'activation (désactivation), ainsi que l'alimentation du dispositif en courant électrique pour fournir une tension aux consommateurs (dispositifs d'éclairage) sont assurées.

"Zéro" est connecté à la broche "2". Les dispositifs d'éclairage sont connectés à la "terre" et non par un dispositif de commutation. Le fil neutre est connecté au luminaire à partir du bus zéro.

Schéma de raccordement des relais : appareil, application, subtilités de choix et règles de raccordement

Le placement physique du télérupteur est possible à la fois dans les panneaux électriques et à proximité du dispositif d'éclairage (l'installation est effectuée dans une boîte de jonction).

Que sont les minuteries, les relais de pause, les retards

Faisons une réservation tout de suite : des minuteries automatiques faites maison ajustent le délai de quelques secondes à 10-15 minutes. Il existe des régimes uniquement pour incl. et pour marche/arrêt charge, ainsi que pour l'activation à certains moments de la journée. Mais leur plage de retard et leurs options sont limitées, il n'y a pas de fonction d'auto-opération périodique plusieurs fois et d'ajustement des intervalles entre ces cycles, comme les appareils de sortie d'usine. Cependant, les possibilités de produits faits maison (il existe également des modules simples similaires prêts à l'emploi à vendre) suffiront à activer la ventilation du garage, l'éclairage du garde-manger et des opérations similaires pas trop exigeantes.

Un relais temporisé (temporisation, pause, relais temporisé) est un déclencheur automatique qui agit au moment fixé par l'utilisateur, allumant / éteignant (fermant / ouvrant les contacts) un appareil électrique. La minuterie est extrêmement pratique dans les situations où l'utilisateur a besoin que l'appareil soit activé ou désactivé lorsqu'il se trouve dans un endroit différent. De plus, un tel nœud aidera dans les cas domestiques ordinaires, par exemple, il assurera quand ils oublient d'éteindre / allumer l'équipement.

Schéma de raccordement des relais : appareil, application, subtilités de choix et règles de raccordement

Ainsi, le relais temporisé exclura les situations où l'appareil est resté allumé, a oublié de l'éteindre, respectivement, il a brûlé ou, pire encore, a provoqué un incendie. En activant la minuterie, vous pouvez vaquer à vos occupations sans vous soucier de devoir revenir à une certaine heure pour entretenir l'équipement.Le système est automatisé, l'unité s'éteindra lorsque la période définie sur la libération expirera.

Schéma de raccordement des relais : appareil, application, subtilités de choix et règles de raccordement

Où s'appliquer

Beaucoup connaissent les clics dans les machines à laver soviétiques, lorsqu'un certain délai était activé / désactivé avec de grands sélecteurs gradués. Ceci est un exemple frappant de cet appareil: par exemple, ils ont réglé le travail pendant 10 à 15 minutes, le tambour tournait pendant ce temps, puis, lorsque l'horloge à l'intérieur a atteint zéro, la machine à laver s'est éteinte.

Les relais temporisés sont toujours installés par les fabricants dans les fours à micro-ondes, les fours électriques, les chauffe-eau électriques, les arrosages automatiques. Dans le même temps, de nombreux appareils ne l'ont pas, par exemple, l'éclairage, la ventilation (échappement), vous pouvez alors acheter une minuterie. Dans sa forme la plus simple, il ressemble à un petit bloc rectangulaire avec des sélecteurs de temps et une fiche pour une prise ordinaire (prises de minuterie « quotidienne ») dans laquelle il est inséré. Ensuite, la fiche du câble d'alimentation de l'appareil réparé y est insérée, le temps de retard est ajusté par les commandes sur le boîtier. Il existe également des tailles standard pour le placement par connexion à la ligne (avec fils, câblage, pour tableaux), pour intégration dans des appareils.

Lire aussi :  Nous ajustons nous-mêmes le pressostat

Schéma de raccordement des relais : appareil, application, subtilités de choix et règles de raccordement

Appareil, variétés, fonctionnalités

La plupart du temps, les minuteries des appareils électriques d'usine avec déclencheurs sont basées sur un microcontrôleur, qui contrôle souvent également tous les modes de fonctionnement de l'appareil automatisé où ils sont installés. La combinaison de fonctions décrite est moins chère pour le fabricant, car il n'est pas nécessaire de fabriquer des microcircuits séparés.

Nous décrirons les circuits de relais temporisés les plus simples avec un retard, uniquement avec l'option marche / arrêt. et sélection d'une pause temporaire dans une petite plage (jusqu'à 15–20 minutes) :

  • pour alimentation basse tension (5–14 V) - sur transistors;
  • sur diodes - pour l'alimentation directement à partir du secteur 220 volts;
  • sur microcircuits (NE555, TL431).

Il existe des modules spéciaux d'usine, ils peuvent être achetés sur des sites Internet (Aliexpress, ressources similaires et spécialisées), sur les marchés de la radio, dans des magasins spécialisés. Des produits entièrement artisanaux sont créés selon des schémas similaires, principalement pour des tâches simples: déconnexion élémentaire / couplage de contacts à un certain moment, tandis que la plage de retard est petite de quelques secondes à 15-20 minutes.

Variétés et caractéristiques des relais à impulsion

Les relais à impulsions peuvent avoir une conception modulaire, pour un montage sur un rail DIN dans un blindage, mais des dispositifs de différentes tailles et formes sont également disponibles avec une méthode de montage différente. Les appareils modulaires fabriqués par différents fabricants peuvent également différer en apparence. Par exemple, les relais à impulsions d'ABB, Schneider Electric, ont des indicateurs de fonctionnement et un levier de commande de mécanisme manuel.

Ce sera intéressant Description et principe de fonctionnement des solénoïdes

La désignation des bornes de connexion peut également varier. Au cours du développement, les produits de la même marque changent également. Par exemple, le relais de la série E251 auparavant populaire d'ABB, déjà abandonnée, ressemble à ceci, et son E290 analogique a maintenant un aspect légèrement différent. Les séries du même fabricant diffèrent également par les circuits internes. Les principales caractéristiques des télérupteurs sont :

  • Nombre et état initial des contacts ;
  • Tension de commande nominale ;
  • Courant de fonctionnement de la bobine ;
  • Courant nominal du circuit de puissance ;
  • Contrôler la durée des impulsions ;
  • Nombre d'interrupteurs connectés ;

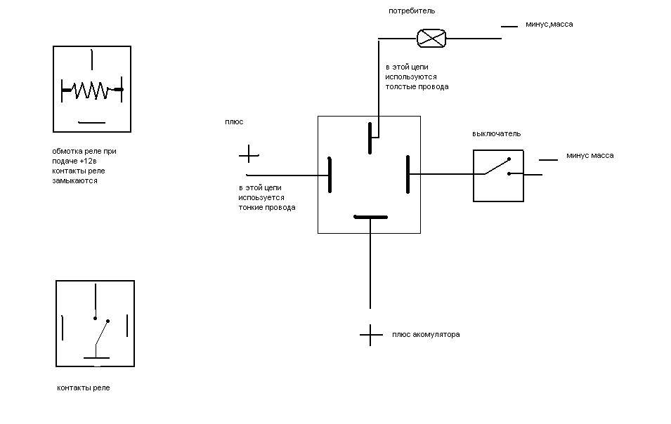
La dernière caractéristique spécifiée dépend de la présence de rétroéclairages dans les interrupteurs, dont le courant total peut conduire au fonctionnement de la bobine. Si un relais d'impulsion électronique, il est alors soumis à l'influence des interférences radio et des interférences des circuits électriques environnants. Comme il existe une grande variété de relais bistables, sans référence à un fabricant spécifique, seul un schéma de connexion généralisé peut être considéré.

Schéma de raccordement des relais : appareil, application, subtilités de choix et règles de raccordement
Schéma d'actionnement du relais

La caractéristique commune de ces relais est qu'ils n'ont pas de protection intégrée contre les surcharges et doivent être protégés par des disjoncteurs.

Comme un faible courant est nécessaire pour faire fonctionner la bobine par rapport à la charge commutée, les circuits de commande peuvent être réalisés avec des câbles de section conducteur de 0,5 mm², mais dans ce cas un disjoncteur séparé doit être installé pour ce câblage, pour empêcher les fils de s'enflammer lorsqu'ils sont en court-circuit.

En règle générale, les fabricants indiquent le temps pendant lequel la bobine peut être alimentée. Par exemple, chez ABB, ce n'est pas limité, mais pour les marques moins connues, les relais à impulsions peuvent chauffer lorsqu'il y a un courant électrique dans le circuit de la bobine pendant une longue période, par conséquent, lors de l'achat d'un relais à impulsions, vous devez spécifier ce paramètre , car il peut y avoir des cas où des meubles déplacés accidentellement entraîneront une pression permanente sur le bouton de l'interrupteur.

Si vous regardez dans le catalogue ABB, vous pouvez voir qu'il existe des relais à impulsions (ancienne série - E256, nouvel analogique E290-16-11 /), ayant un contact normalement ouvert et un contact normalement fermé, fonctionnant en fait en mode de commutation.De tels dispositifs peuvent être utilisés pour contrôler les systèmes d'éclairage en production, pour basculer entre l'éclairage principal et l'éclairage de secours. Grâce à cette fonction, la salle de production ne sera jamais dans l'obscurité en raison de la faute du personnel qui a oublié d'allumer l'éclairage de secours - la commutation s'effectue en appuyant sur le bouton de l'interrupteur.

Schéma de raccordement des relais : appareil, application, subtilités de choix et règles de raccordement
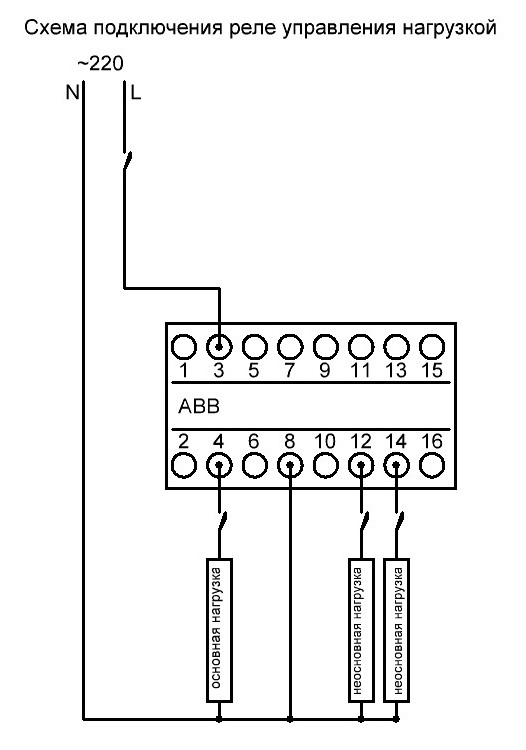
Relais à impulsions à commande numérique

Il est également possible de contrôler l'éclairage à la fois localement (un télérupteur est commandé à l'aide de plusieurs boutons connectés en parallèle) et de manière centralisée (simultanément pour plusieurs appareils identiques) à l'aide de deux touches - marche et arrêt. Par exemple, le schéma de connexion du relais de la série E257. Ici, en appuyant sur les boutons centraux (ON, OFF), tous les relais sont contrôlés, de plus chacun a sa propre commande locale. La ligne mise à jour d'ABB utilise le principe de la combinaison de modules pour créer des systèmes de contrôle à plusieurs niveaux.

Lire aussi :  Comment fonctionne un humidificateur à ultrasons + TOP 10 des modèles populaires

L'utilisation de différentes tensions de commande étend également la fonctionnalité des dispositifs de commande d'éclairage. Par exemple, le relais à impulsions de la série E251-24 (son homologue mis à jour E290-16-10/24) est contrôlé par 12 V CC (ou 24 V CA), ce qui permet de faire fonctionner en toute sécurité des interrupteurs situés dans des environnements humides où il existe un risque de choc électrique.

Ce sera intéressant Qu'est-ce qu'un relais thermique

Un tel dispositif peut être utilisé avec succès pour contrôler l'éclairage d'un bain ou d'un sauna, où l'utilisation d'appareils fonctionnant sur secteur n'est pas autorisée.De plus, un signal de commande basse tension peut être généré par divers dispositifs informatisés, ce qui permet d'automatiser les processus de commande d'éclairage.

Schéma de câblage

Schéma de raccordement des relais : appareil, application, subtilités de choix et règles de raccordement

En fonction des besoins de l'utilisateur et de ses capacités financières, vous pouvez choisir l'une des méthodes de connexion de la pompe profonde au réseau électrique.

Sans automatisation

Sans dispositifs de commande auxiliaires, la pompe est connectée à l'aide d'une prise électrique préinstallée avec un contact de terre. La pompe est également mise à la terre. Pour cela, le bus principal de la maison est utilisé, qui est connecté à la boucle de terre existante du bâtiment.

Un câble à trois conducteurs est utilisé pour fournir de l'électricité à la prise. La tension d'alimentation de la pompe submersible est de 220V. N'utilisez pas de prises de 380 ou 150 volts.

Par pressostat

Pour réduire le coût d'un ensemble d'équipements sous pression, vous pouvez appliquer un schéma de connexion pour une pompe de forage uniquement avec un pressostat sans unité de commande. L'appareil éteint la pompe lorsque la pression atteint son maximum et la démarre lorsque les indicateurs diminuent au minimum.

Avec boîtier de commande

Schéma de raccordement des relais : appareil, application, subtilités de choix et règles de raccordement

Lors de la sélection d'un modèle d'automatisation, vous devez d'abord savoir quel système de protection a déjà été fourni par le fabricant dans la pompe. Les appareils modernes sont déjà protégés contre la surchauffe et le ralenti. Parfois, l'équipement est équipé d'un mécanisme à flotteur. Compte tenu de ces données, vous pouvez choisir l'une des trois options d'automatisation - simple, avec une unité de commande électrique de deuxième ou troisième génération.

La protection la plus simple est le plus souvent utilisée pour l'alimentation en eau automatique. L'unité de contrôle ici est assemblée à partir de trois appareils:

  • Bloqueur de marche à sec.Il éteindra la machine, qui fonctionne sans eau, évitant la surchauffe. Parfois, une installation supplémentaire d'un interrupteur à flotteur est autorisée. Il remplit les mêmes fonctions, éteint l'équipement de pompage lorsque le niveau d'eau baisse, l'empêchant de surchauffer. Il peut sembler que les dispositifs soient primitifs, mais ils assurent une protection efficace du moteur électrique.
  • Accumulateur hydraulique. Sans cela, il ne fonctionnera pas pour fournir une alimentation en eau automatique. Le réservoir hydraulique fonctionne comme un réservoir de stockage d'eau. À l'intérieur se trouve un mécanisme de travail - un diaphragme.
  • Pressostat complet avec manomètre. Cet appareil vous permet de configurer le fonctionnement des contacts de relais.

Il n'est pas difficile d'équiper les équipements sous pression de vos propres mains avec une automatisation simple. Le principe de fonctionnement du système est simple : lorsque l'eau est consommée, la pression dans le réservoir hydraulique diminue. Lorsque l'indicateur minimum est atteint, le relais démarre l'équipement sous pression, qui pompe l'eau dans le réservoir de stockage. Lorsque la pression dans l'accumulateur hydraulique atteint son maximum, le dispositif de relais éteint l'unité. Dans le processus de consommation d'eau, le cycle se répète.

Le réglage des limites de pression dans l'accumulateur est effectué au moyen d'un relais. Dans l'appareil, à l'aide d'un manomètre, définissez les paramètres de réponse minimum et maximum.

Schéma de raccordement des relais : appareil, application, subtilités de choix et règles de raccordement

Dans les automatismes de deuxième génération, la connexion passe par un boitier électrique avec un ensemble de capteurs. Ils sont montés directement sur les équipements sous pression, ainsi qu'à l'intérieur du réseau d'alimentation en eau, et permettent au système de fonctionner sans réservoir hydraulique. L'impulsion des capteurs est transmise à l'unité électronique qui contrôle le système.

Le fonctionnement des équipements sous pression avec un tel schéma pour connecter une pompe de puits submersible à l'automatisation:

  1. Le liquide ne s'accumule que dans l'alimentation en eau, où l'un des capteurs est placé.
  2. Lorsque la pression chute, le capteur envoie une impulsion à l'unité de contrôle, qui démarre la pompe.
  3. Après avoir atteint la pression souhaitée du débit d'eau dans l'alimentation en eau, la pompe est éteinte de la même manière.

Pour installer une telle automatisation, vous aurez besoin de connaissances de base en génie électrique. Cette protection et la protection précédente fonctionnent presque de la même manière - en fonction de la pression de l'eau. Cependant, l'unité électrique avec capteurs est plus chère, c'est pourquoi elle n'est pas si populaire parmi les consommateurs. Même lorsque vous utilisez l'automatisation, vous ne pouvez pas utiliser de réservoir hydraulique, bien qu'en cas de panne de courant, vous ne serez pas laissé sans eau. Il y a toujours une réserve dans le lecteur.

Schéma de raccordement des relais : appareil, application, subtilités de choix et règles de raccordement

L'automatisation de la troisième génération est fiable, de haute qualité et coûteuse. Son installation permet de réaliser d'importantes économies d'électricité grâce au réglage ultra-précis du fonctionnement du moteur électrique. Le schéma de connexion de l'automatisation avancée à une pompe de puits profond est très compliqué, vous devez donc contacter un professionnel pour le connecter. Mais il offre une protection complète du moteur contre diverses pannes, par exemple une surchauffe lors d'un fonctionnement à sec ou la combustion des enroulements lors de surtensions dans le réseau.

Lire aussi :  5 façons de remplir de manière rentable un coin dans une petite cuisine

L'unité fonctionne à partir de capteurs sans réservoir hydraulique. L'efficacité est obtenue grâce à un réglage fin.

Démarreur électromagnétique

Un démarreur électromagnétique est un appareil électrique qui permet de démarrer, d'arrêter et de protéger les moteurs électriques asynchrones triphasés.

De plus, ces appareils vous permettent de démarrer et d'éteindre tout type de charge, par exemple des éléments chauffants, des sources d'éclairage et autres.

Schéma de raccordement des relais : appareil, application, subtilités de choix et règles de raccordement

Les démarreurs électromagnétiques sont produits en version simple ou double. Ces derniers disposent d'une protection mécanique contre le lancement simultané.

Les dispositifs ouverts sont utilisés dans les installations de panneaux, ils sont utilisés à l'intérieur d'armoires spécialisées fermées, ainsi que dans d'autres endroits protégés de manière fiable contre les petites particules et les dommages mécaniques.

En revanche, les démarreurs protégés peuvent être utilisés en intérieur si l'environnement est peu poussiéreux. Il existe également des démarreurs dotés d'une protection fiable contre l'humidité et la poussière, ils peuvent être utilisés à la fois dans des installations intérieures et extérieures.

Caractéristiques de montage

Pour que le démarreur et le relais temporisé fonctionnent de manière fiable, ils doivent être installés correctement. Les appareils doivent être fixés de manière rigide.

N'installez pas d'appareils dans des endroits susceptibles d'être soumis à des chocs et des vibrations, par exemple, là où sont installés des appareils électromagnétiques (plus de 150 A) qui créent des chocs et des vibrations lors de la mise en marche.

Si un conducteur est connecté aux contacts du démarreur magnétique, il doit être plié en forme de U pour éviter que la rondelle élastique de la pince ne soit inclinée.

Si deux conducteurs sont connectés, ils doivent être droits et chacun doit être du même côté de la vis de serrage. Assurez-vous de vérifier la fiabilité de la fixation des conducteurs.

Avant de se connecter au démarreur, les extrémités des conducteurs en cuivre doivent être étamées et les conducteurs toronnés doivent être torsadés. Cependant, les contacts et les pièces mobiles du démarreur ne doivent pas être lubrifiés.

Raccordement du pressostat d'eau

Le pressostat d'eau de la pompe est connecté immédiatement à deux systèmes : à l'électricité et à la plomberie. Il est installé de manière permanente, car il n'est pas nécessaire de déplacer l'appareil.

Partie électrique

Pour connecter un pressostat, une ligne dédiée n'est pas nécessaire, mais souhaitable - il y a plus de chances que l'appareil fonctionne plus longtemps. Un câble avec un noyau en cuivre massif d'une section d'au moins 2,5 mètres carrés doit partir du blindage. mm. Il est souhaitable d'installer un tas d'automatique + RCD ou difavtomat. Les paramètres sont choisis en fonction du courant et dépendent davantage des caractéristiques de la pompe, car le pressostat d'eau consomme très peu de courant. Le circuit doit avoir une mise à la terre - la combinaison de l'eau et de l'électricité crée une zone de danger accru.

Schéma de raccordement des relais : appareil, application, subtilités de choix et règles de raccordement

Schéma de connexion du pressostat d'eau au panneau électrique

Les câbles sont introduits dans des entrées spéciales à l'arrière du boîtier. Il y a un bornier sous le couvercle. Il a trois paires de contacts :

  • mise à la terre - les conducteurs correspondants provenant du blindage et de la pompe sont connectés ;
  • bornes ligne ou "ligne" - pour connecter les fils de phase et neutre du blindage;
  • bornes pour les fils similaires de la pompe (généralement sur le bloc situé au-dessus).

Schéma de raccordement des relais : appareil, application, subtilités de choix et règles de raccordement

L'emplacement des bornes sur le boîtier du pressostat d'eau

La connexion est standard - les conducteurs sont dénudés, insérés dans le connecteur, serrés avec un boulon de serrage. En tirant sur le conducteur, vérifiez s'il est bien serré. Après 30 à 60 minutes, les boulons peuvent être resserrés, car le cuivre est un matériau mou et le contact peut se desserrer.

Connexion de tuyau

Il existe différentes façons de connecter un pressostat d'eau à un système de plomberie. L'option la plus pratique consiste à installer un adaptateur spécial avec toutes les prises requises - un raccord à cinq broches. Le même système peut être assemblé à partir d'autres raccords, il est toujours préférable d'utiliser une version prête à l'emploi.

Il est vissé sur un tuyau au dos du boîtier, un accumulateur hydraulique est relié aux autres sorties, un tuyau d'alimentation de la pompe et une ligne qui va dans la maison. Vous pouvez également installer un puisard à boue et un manomètre.

Schéma de raccordement des relais : appareil, application, subtilités de choix et règles de raccordement

Exemple de lier un pressostat pour une pompe

Un manomètre est une chose nécessaire - pour contrôler la pression dans le système, pour surveiller les réglages du relais. Le collecteur de boue est également un dispositif nécessaire, mais il peut être installé séparément sur la canalisation de la pompe. Il est généralement souhaitable de disposer d'un système complet de filtres pour la purification de l'eau.

Avec ce schéma, à un débit élevé, l'eau est fournie directement au système - en contournant l'accumulateur. Il commence à se remplir après la fermeture de tous les robinets de la maison.

Évaluation
Site sur la plomberie

Nous vous conseillons de lire

Où remplir la poudre dans la machine à laver et combien de poudre verser