Comment connecter un interrupteur d'éclairage à trois gangs

Variétés d'interrupteurs à usage domestique

Chaque fabricant produit différents modèles d'interrupteurs, qui diffèrent à la fois par leur forme et leur structure interne. Cependant, plusieurs types principaux doivent être distingués.

Tableau 1. Types d'interrupteurs selon le principe de commutation

Voir La description
Mécanique Des appareils faciles à installer. Au lieu du bouton habituel, certains modèles ont un levier ou un cordon.
Toucher L'appareil fonctionne d'une simple pression de la main et il n'est pas nécessaire d'appuyer sur une touche.
Avec télécommande Cette conception est équipée d'une télécommande spéciale fournie avec le kit ou d'un capteur, sensible au mouvement autour de.

La plus populaire est la première option, qui est installée partout. De plus, de tels interrupteurs sont devenus demandés dès le début de l'apparition du circuit électrique. La deuxième option est moins populaire, surtout dans notre pays. La troisième option est un modèle moderne, qui remplace progressivement les commutateurs obsolètes du marché.

L'installation d'un détecteur de mouvement dans la structure est conseillée tant en termes d'économies d'énergie que de sécurité de la maison. Par exemple, si vous installez une structure à l'entrée, les résidents remarqueront si des intrus pénètrent dans l'appartement.

Commutateur avec éclairage supplémentaire

Selon les caractéristiques de conception, il existe des appareils à une ou plusieurs touches (en moyenne, les interrupteurs à deux ou trois boutons sont utilisés pour les appareils électriques standard). Chaque bouton est responsable de l'activation et de la désactivation d'un circuit séparé.

Ainsi, si plusieurs lampes sont installées dans une pièce à la fois: le lustre principal, les projecteurs, les appliques, il serait alors conseillé d'installer une structure à trois boutons.

De plus, les appareils à deux boutons non moins populaires sont installés dans tous les appartements sans exception. Le plus souvent, ils sont nécessaires pour un lustre en présence de nombreuses ampoules.

Selon la méthode d'installation Il existe des commutateurs internes et externes. La première option est installée dans l'appartement, car de telles structures ont l'air esthétiques. Pour la sécurité lors de l'installation, un boîtier spécial est installé, appelé boîtier de prise.

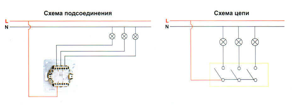
Schéma de câblage

Les interrupteurs encastrés sont utilisés lorsqu'il y a un câblage électrique caché dans le mur. Les dispositifs aériens sont montés en présence de conducteurs externes. Dans ce cas, le schéma de connexion ne présente aucune différence fondamentale.

Où est installé le commutateur ?

Le bon circuit des interrupteurs

Cette opération peut être effectuée sans l'utilisation d'un outil spécial. Schéma d'un luminaire à deux lampes En conséquence, l'ondulation totale du flux lumineux du luminaire est réduite.
Il y a une opinion que pour l'installation de points marche-arrêt intermédiaires pour les appareils d'éclairage, il vaut la peine d'utiliser uniquement un câble à quatre conducteurs. En règle générale, un convertisseur spécial leur est destiné, qui alimente ces lampes. Dans le cas de l'installation de tels commutateurs à l'intérieur, le câblage doit être effectué comme indiqué dans la figure ci-dessous.
De plus, selon les dernières normes, toutes les connexions se produisent uniquement dans des boîtes de jonction et à l'aide de contacteurs.Comment connecter un interrupteur d'éclairage à trois gangs
Le cercle vert n'est rien de plus qu'une boîte de jonction, à l'intérieur de laquelle les fils sont connectés. Le premier chiffre indique le degré de protection contre la poussière, le second - contre l'humidité, sur une échelle à 6 chiffres.Comment connecter un interrupteur d'éclairage à trois gangs
La construction de tels circuits, en règle générale, est réalisée avec la participation du soi-disant commutateur croisé. Deux fils y vont. de la boîte de jonction ou d'une prise.

Pourquoi les interrupteurs de passage sont-ils nécessaires ?

Vous pouvez allumer la lumière à la sortie de la maison - après la fin des travaux, il n'est pas nécessaire d'aller dans le noir. Vous n'en avez besoin que d'un. Où le système à trois interrupteurs est-il utilisé ?

Connexion des fils à un interrupteur triple Il existe différents modèles d'interrupteurs triples: pour une installation externe, interne ou combinée - dans un boîtier avec une prise. La phase n'atteint les contacts supérieurs de l'interrupteur que lorsque le contact de la clé correspondante est fermé. Ici, un double interrupteur est connecté à la tension de sortie du convertisseur, et le convertisseur lui-même reste constamment allumé, ce qui n'est pas très bon.

Comment se connecter - détaillé dans le schéma. Suppression d'une niche technologique dans le mur pour accueillir le boîtier de montage au lieu de plusieurs. Impossibilité d'être utilisé séparément, mais uniquement avec une paire d'interrupteurs de passage. Pour installer un interrupteur croisé, vous aurez besoin de : Boîtes de jonction, leur nombre dépend de la zone où vous devez effectuer cette opération système de contrôle d'éclairage.
Schéma de connexion du commutateur d'intercommunication

Un appareil qui contrôle deux groupes de luminaires

Comment connecter un interrupteur d'éclairage à trois gangsSchéma de câblage pour les interrupteurs à deux boutons

Il est conseillé d'installer un interrupteur double passe-partout dans une grande pièce où il est nécessaire de contrôler plusieurs appareils d'éclairage. Sa conception consiste en deux interrupteurs simples dans un boîtier commun. Le montage d'un appareil pour contrôler deux groupes vous permet d'économiser sur la pose du câble vers chacun des commutateurs simples.

Comment connecter un interrupteur d'éclairage à trois gangsMontage interrupteur à double passage

Cet appareil est utilisé allumer la lumière dans la salle de bain et les toilettes ou dans le couloir et sur le palier, il est capable d'allumer les ampoules du lustre en plusieurs groupes. Pour le montage d'un interrupteur de traversée pour deux ampoulesvous aurez besoin de plus de fils.Six cœurs sont connectés à chacun, car, contrairement à un simple commutateur à deux gangs, le commutateur d'intercommunication n'a pas de borne commune. Essentiellement, ce sont deux interrupteurs indépendants dans un seul boîtier. Le circuit de commutation d'un interrupteur à deux clés s'effectue dans l'ordre suivant:

  1. Des prises de courant pour les appareils sont installées dans le mur. Le trou pour eux est coupé avec un perforateur avec une couronne. Deux fils à trois conducteurs leur sont connectés via les stroboscopes dans le mur (ou un fil à six conducteurs du boîtier de commutation).
  2. Un câble tripolaire est connecté à chaque dispositif d'éclairage : fil neutre, terre et phase.
  3. Dans la boîte de jonction, le fil de phase est connecté aux deux contacts du premier interrupteur. Deux appareils sont interconnectés par quatre cavaliers. Les contacts des lampes sont connectés au deuxième interrupteur. Le deuxième fil des appareils d'éclairage est commuté avec le zéro provenant du tableau de distribution. Lors de la commutation des contacts, les circuits communs des interrupteurs se ferment et s'ouvrent par paires, garantissant que la lampe correspondante est allumée et éteinte.
Lire aussi :  Comment faire un sol chaud sur un balcon et une loggia: choix d'un système de chauffage + instructions d'installation

Comment connecter un interrupteur d'éclairage à trois gangsConnexion d'un interrupteur croisé

Des interrupteurs à deux boutons sont également utilisés, si nécessaire, pour commander l'éclairage à partir de trois ou quatre endroits. Un interrupteur à double croix est installé entre eux. Son raccordement est assuré par 8 fils, 4 pour chaque fin de course. Pour l'installation de connexions complexes avec de nombreux fils, il est recommandé d'utiliser des boîtes de jonction et de marquer tous les câbles.Un boitier standard Ø 60 mm ne pourra pas accueillir un grand nombre de fils, il faudra augmenter la taille du produit ou fournir plusieurs paires ou acheter un boitier de dérivation Ø 100 mm.

Comment connecter un interrupteur d'éclairage à trois gangsFils dans la boîte de jonction

Il est important de se rappeler que tous les travaux de câblage électrique et d'installation d'appareils sont effectués hors tension. Cette vidéo raconte l'appareil, le principe de connexion et l'installation des commutateurs pass-through:

Cette vidéo raconte l'appareil, le principe de connexion et l'installation des commutateurs pass-through:

Cette vidéo montre une expérience dans laquelle divers méthodes de connexion de fil:

Comment connecter un interrupteur d'éclairage à trois gangsSchéma de câblage

Comment connecter un interrupteur d'éclairage à trois gangsLe principe de connexion des interrupteurs

Comment connecter un interrupteur d'éclairage à trois gangsSchéma de câblage d'un interrupteur à deux gangs avec connexion via une boîte de jonction

Tout est écrit correctement dans l'article, mais je suis tombé sur le fait que l'électricien qui avait installé les interrupteurs auparavant n'avait pas laissé de fils de rechange dans la boîte, et lorsqu'un fil d'aluminium s'est cassé, j'ai dû bricoler pour construire ce fil. Je vous conseille de laisser une marge pour au moins deux réparations.

J'ai moi-même étudié pour devenir électricien et parfois je travaille à temps partiel comme électricien. Mais chaque année, voire chaque mois, de plus en plus de questions électriques voient le jour. Je travaille sur des appels privés. Mais votre innovation publiée est nouvelle pour moi. Le schéma est intéressant et sera certainement utile dans un proche avenir. J'essaie toujours de prendre l'avis d'électriciens "expérimentés".

Connexion directe du disjoncteur

La façon de connecter correctement le commutateur peut être trouvée dans diverses sources de littérature.

Il convient de noter qu'à l'intérieur du câblage, il y a des fils de couleurs différentes.C'est généralement le fil marron qui est responsable de la phase.

Et fil jaune-vertresponsable de la mise à la terre

Lors de la connexion des fils aux contacts, il est important de ne pas les mélanger.

Comment connecter un interrupteur d'éclairage à trois gangs

Comment connecter un interrupteur d'éclairage à trois gangs

Les fils placés doivent être serrés avec les vis fournies avec chaque interrupteur. Assurez-vous de vérifier la fiabilité des fils fixes. Si les extrémités du fil ne sont pas suffisamment serrées, le contact se rompra et l'interrupteur ne fonctionnera pas.

Comment connecter un interrupteur d'éclairage à trois gangs

L'espace du câblage connecté doit être plié de manière à ce qu'il rentre dans le boîtier de commutation. Lors de la disposition des fils, vous devez laisser une place pour installer l'interrupteur lui-même. En fixant le boîtier de l'interrupteur, il peut être légèrement fixé avec des vis. Ils n'ont pas besoin d'être serrés jusqu'au bout, il faut d'abord aligner l'interrupteur.

Vous pouvez niveler le commutateur en utilisant le niveau que vous avez préparé à l'avance. Une fois le commutateur aligné, assurez-vous de serrer les vis plus fort. L'essentiel est de ne pas couper le filetage sur la tête de vis, si nécessaire, cela empêchera son démontage.

Comment connecter un interrupteur d'éclairage à trois gangs

La dernière étape est le processus d'installation du boîtier et de la clé de l'interrupteur. Cette procédure est effectuée à la main, en appuyant légèrement sur ces pièces aux endroits où elles se trouvaient au tout début.

Comment connecter un interrupteur d'éclairage à trois gangs

Si, après avoir allumé l'électricité dans l'appartement, la lumière s'allume dans la pièce à l'aide de l'interrupteur installé, la connexion a réussi.

Comment connecter un interrupteur d'éclairage à trois gangs

Grâce à un article détaillé, vous pouvez vous assurer que le montage de l'interrupteur de vos propres mains est tout à fait possible. L'essentiel est de tout préparer et de suivre attentivement les instructions.

Comment connecter un interrupteur d'éclairage à trois gangs

Comment connecter un interrupteur triple : étape par étape

La séquence d'actions lors de la connexion d'un commutateur à trois gangs est la suivante :

  1. Couper l'alimentation générale (ou groupe d'éclairage) au niveau du tableau. Ceci est nécessaire pour assurer la sécurité des travaux effectués. Bouchons de sécurité
  2. Retrait de l'interrupteur. Si l'interrupteur est neuf, son démontage consiste à déconnecter le corps du socle et à desserrer les fixations des bornes. Dans certains appareils modernes, le terminal est agencé selon le principe du loquet, il n'est pas nécessaire de le libérer. Le fil est simplement inséré dans le trou et y est automatiquement fixé. De plus, pour fixer l'interrupteur dans la douille, il est nécessaire de desserrer la tension des pattes d'écartement d'un ou deux tours de vis. Vis de jambe d'espacement
  3. Connexion des fils à l'interrupteur. L'instant le plus important. Il faut comprendre 4 fils. L'un est fixé dans une borne commune, à partir de laquelle la «phase» sera fournie aux trois lampes. Les 3 restants sont connectés dans l'ordre souhaité. Par exemple, l'un alimente le lustre central, le second allume l'applique murale et le troisième éclaire l'îlot au-dessus du canapé du salon. Ou, si le lustre a 6 lampes, allumer 3 paires à tour de rôle. Le nettoyage de l'isolant est pratique à faire avec un décapant, mais vous pouvez également utiliser un couteau ordinaire. La longueur du fil dénudé ne doit pas dépasser 10 mm, de sorte qu'après l'avoir immergé dans la prise de borne, il ne reste pas plus de 1 mm à l'extérieur. Si la pince de borne est vissée, elle doit être suffisamment serrée.

    Fixation des fils dans les bornes

  4. Connexion des fils dans la boîte de jonction. La connexion la plus fiable des fils est la soudure. Ce n'est pas pour rien que la boîte de jonction est encore souvent appelée « à souder » par les électriciens d'aujourd'hui. Cependant, ce travail nécessite des compétences et un fer à souder avec tous les accessoires.Par conséquent, dans la plupart des cas, les fils sont connectés par des borniers, dont il existe une grande variété en vente. En termes de caractéristiques techniques, une telle connexion n'est pratiquement en rien inférieure à la soudure, et dans certains cas encore plus progressive (par exemple, lorsqu'une transition est réalisée d'un conducteur en aluminium à un conducteur en cuivre). Dans les cas extrêmes, la torsion ordinaire des conducteurs métalliques est également acceptable, ce qui se fait à l'aide d'une pince. La mise à nu de l'isolant dans la boîte de jonction doit également suffire à garantir la fiabilité de la fixation, sans plus. Toutes les jonctions de câbles doivent être soigneusement isolées afin qu'elles ne puissent pas entrer en contact les unes avec les autres. Connexion des fils dans la boîte de jonction
  5. Vérification de la connexion correcte. Après avoir enfin connecté tous les fils, avant l'assemblage final, vous pouvez vérifier le fonctionnement de l'ensemble du circuit. Pour ce faire, mettez le tableau sous tension, testez l'interrupteur et coupez à nouveau le courant dans le réseau.
  6. Assemblage de la boîte de jonction et de l'interrupteur. Si tout fonctionne normalement, les fils de la boîte de jonction sont soigneusement posés à l'intérieur et fermés par un couvercle. L'interrupteur est installé dans la prise. Pour ce faire, les vis des pieds d'espacement sont torsadées dans le sens des aiguilles d'une montre. Vous devez les essorer uniformément de chaque côté pour que la base soit bien fixée au centre du trou. Mais il ne faut pas trop serrer non plus, si vous le serrez trop, les pattes peuvent percer le boîtier en plastique de la boîte à douilles et l'interrupteur va "pendiller" dedans. Après cela, le boîtier de protection est vissé et les clés sont insérées dans les rainures. Assemblage terminé. Assemblage de commutateur
  7. Mise sous tension générale.
Lire aussi :  Fosse septique "Voskhod" - appareil, principe de fonctionnement, règles d'installation + avis

En plus des premier et dernier points, l'ordre des travaux peut changer, peu importe. Vous pouvez, par exemple, d'abord connecter les fils dans le boîtier d'installation, puis monter directement le commutateur.

Quelque chose d'autre est important. Selon les règles d'installation des appareils électriques (PUE), il est nécessaire de connecter l'appareil de manière à ce que ce soit le conducteur de courant de phase qui s'ouvre

Si vous échangez la "phase" et le "zéro", tout fonctionnera, mais il y aura toujours de la tension sur la lampe

Et cela est lourd de décharges électriques en cas de contact négligent des contacts nus lors du remplacement d'une ampoule. De plus, les règles réglementent la position des clés

La lumière doit s'allumer en appuyant sur le bouton vers le haut et s'éteindre en appuyant vers le bas.

Le schéma de connexion d'un interrupteur triple ne diffère pas fondamentalement du schéma de connexion d'un ou deux interrupteurs à clavier. La différence réside uniquement dans le nombre de points d'éclairage contrôlés.

Comment connecter un interrupteur d'éclairage à trois gangs

Exemple d'installation pas à pas d'un interrupteur

Nous analysons en détail le schéma de connexion, comment connecter une ampoule et un interrupteur

Comment connecter un interrupteur d'éclairage à trois gangs

Reprenons les fils.

Fil d'alimentation à gauche.

Comment connecter un interrupteur d'éclairage à trois gangs

Le fil approprié d'en haut va à la lampe (lustre). Dans notre exemple, sur une cartouche avec une ampoule.

Comment connecter un interrupteur d'éclairage à trois gangs

Le fil du bas va à l'interrupteur.

Comment connecter un interrupteur d'éclairage à trois gangs

Nous commençons à dessouder le circuit de connexion de l'interrupteur avec le fil allant à l'interrupteur. Nous le nettoyons, retirons la première couche d'isolant. Il n'est pas nécessaire de couper fortement le fil, au moins 10 cm de chaque fil doivent rester dans la boîte.

Comment connecter un interrupteur d'éclairage à trois gangs

Nous enlevons l'isolant du noyau de cuivre des fils de phase et de neutre, environ 4 cm.

Comment connecter un interrupteur d'éclairage à trois gangs

Nous passons au fil qui va à la lampe. On enlève l'isolant supérieur, on nettoie 4 cm chacun sur les fils de phase et de neutre.

Comment connecter un interrupteur d'éclairage à trois gangs

Nous pouvons maintenant commencer à connecter les fils.

Le zéro de l'ampoule provient directement du fil d'alimentation et la phase est transformée en espace. L'interrupteur le cassera, lorsque vous appuierez sur le bouton d'alimentation, il fermera le circuit et fournira la phase à l'ampoule, lorsqu'il sera éteint, il s'ouvrira et la phase disparaîtra.

Nous connectons le fil blanc de phase allant à l'ampoule avec le fil bleu sortant de l'interrupteur.

Comment connecter un interrupteur d'éclairage à trois gangs

Il existe différents types de connexions filaires, dans notre exemple nous réalisons la connexion de la manière la plus simple, par torsion. Tout d'abord, torsadez les fils avec vos doigts.

Comment connecter un interrupteur d'éclairage à trois gangs

Ensuite, nous étirons la connexion à l'aide d'une pince en tordant fermement les deux noyaux ensemble.

Comment connecter un interrupteur d'éclairage à trois gangs

Nous mordons la pointe inégale de la torsion.

Comment connecter un interrupteur d'éclairage à trois gangs

Dans ce schéma, nous n'utilisons pas de fils de terre, nous les isolons donc et les posons dans une boîte de jonction afin de ne pas interférer.

Comment connecter un interrupteur d'éclairage à trois gangs

Comment connecter un interrupteur d'éclairage à trois gangs

Passons maintenant au fil d'alimentation. Nous le nettoyons et préparons les fils de phase et de neutre pour la connexion.

Comment connecter un interrupteur d'éclairage à trois gangs

Comment connecter un interrupteur d'éclairage à trois gangs

Nous isolons le fil de terre et le mettons dans une boîte de jonction.

Comment connecter un interrupteur d'éclairage à trois gangs

Maintenant, nous alimentons le commutateur. Nous connectons le conducteur de phase du fil d'alimentation au conducteur de phase du fil allant à l'interrupteur. Nous tordons deux fils blancs.

Comment connecter un interrupteur d'éclairage à trois gangs

Et à la fin du circuit, nous connectons le conducteur zéro du fil d'alimentation au conducteur zéro du fil allant à la lampe (lampe).

Comment connecter un interrupteur d'éclairage à trois gangs

Schème connexion d'un interrupteur simple prêt.

Maintenant, nous devons tester le schéma en action. Nous vissons l'ampoule dans la douille.

Comment connecter un interrupteur d'éclairage à trois gangs

Nous appliquons la tension. Allumez le disjoncteur.

Comment connecter un interrupteur d'éclairage à trois gangs

Comment connecter un interrupteur d'éclairage à trois gangs

À l'aide de l'indicateur de tension, nous vérifions la connexion correcte du circuit, nous nous assurons que nous n'avons rien confondu, il devrait y avoir une phase sur les fils de phase, zéro à zéro.

Comment connecter un interrupteur d'éclairage à trois gangs

Et seulement après cela, allumez l'interrupteur.

Comment connecter un interrupteur d'éclairage à trois gangs

La lumière est allumée, le circuit est correctement connecté. Nous coupons la tension, isolons les torsions et les plaçons dans une boîte de jonction.

Comment connecter un interrupteur d'éclairage à trois gangs

L'installation du circuit est terminée, la question de savoir comment connecter l'ampoule et l'interrupteur a été démontée et divulguée en détail.

Comment connecter un interrupteur d'éclairage à trois gangs

Dans ce travail, nous avons utilisé :

Matériel

  • boîte de jonction - 1
  • prise - 1
  • interrupteur à clé unique - 1
  • lampe - 1
  • fil (mesuré selon les mesures spécifiques de votre pièce)
  • disjoncteur - 1
  • contact au sol - 1
  • ruban isolant - 1

Outil

  • couteau
  • pinces
  • pinces coupantes
  • tournevis à tête plate
  • tournevis cruciforme
  • indicateur de tension

Combien nous avons économisé en faisant le schéma de câblage de nos propres mains :

  • départ d'un spécialiste - 200 roubles
  • installation d'une boîte de jonction pour installation interne - 550 roubles
  • installation d'un plafonnier - 450 roubles
  • installation d'un boîtier de prise intérieur (mur de briques, forage, installation) - 200 roubles
  • installation d'un interrupteur intérieur simple - 150 roubles
  • installation d'un disjoncteur bipolaire - 300 roubles
  • installation d'un contact au sol - 120 roubles
  • l'installation du fil est ouverte jusqu'à 2 mètres (1 mètre - 35 roubles), par exemple, prenez 2 mètres - 70 roubles
  • installation du fil ouvertement au-dessus de 2 mètres (1 mètre - 50 roubles), par exemple, prenez 8 mètres - 400 roubles
  • chasser les murs 8 mètres (1 mètre - 120 roubles) - 960 roubles

TOTAL : 3400 roubles

*Le calcul est fait pour le câblage caché.

Comment connecter un interrupteur d'éclairage à trois gangs

Comment connecter un interrupteur d'éclairage à trois gangs

Comment connecter un interrupteur d'éclairage à trois gangs

Comment connecter un interrupteur à trois gangs de vos propres mains

La connexion d'un appareil à trois circuits est extrêmement simple. Pour faire ça C'est vrai, vous devez effectuer de nombreuses actions étape par étape. L'ensemble du processus de connexion est divisé en étapes:

  • connecter le câble au trois claviers ;
  • connexion des fils dans la boîte;
  • vérification de la connexion correcte et dépannage.

Avant d'effectuer le processus, il est conseillé d'étudier le schéma de connexion. Cette mesure contribuera à minimiser les éventuels ratés.

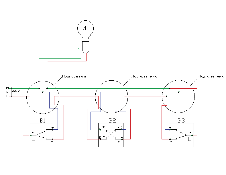
Schéma de câblage d'un interrupteur triple

Il y a plusieurs conducteurs dans la boîte. Chacun remplit sa propre fonction :

  1. Le câble à 3 conducteurs est situé dans la machine présente dans la salle de contrôle.
  2. Un fil à quatre conducteurs descend vers un clavier à trois conducteurs connecté au bas.
  3. Le schéma de câblage d'un interrupteur triple pour 3 lampes implique une connexion avec un fil VVGnG-Ls à 4 ou 5 fils. Sa section transversale est de 1,5 à 2 mm. Un lustre à 6 ou 9 lumières nécessite le même raccordement.
  4. Avec 3 luminaires différents, 3 câbles tripolaires différents doivent être tirés. Cette méthode est courante.

Désormais, le nombre de demandes de "triple switch with socket circuit" a augmenté sur le réseau. Il est facile d'y trouver des algorithmes de connexion détaillés avec des photographies ou des dessins.

Vidéo utile sur le sujet :

Connexion des fils à l'interrupteur

Souvent, l'appareil est installé dans un bloc avec une prise. Les gens s'intéressent à la façon de connecter un commutateur à trois gangs. Vous devez suivre plusieurs étapes consécutives :

  1. Vous aurez besoin d'un fil de cuivre d'une section de 2,5 mm². Dirigez le câble du blindage commun. Quand il passe de la boîte à l'interrupteur, c'est une erreur.
  2. Fil de cuivre 5 * 2,5 mm² en bas du portail. Ensuite, il sera près de l'interrupteur et du bloc de prises. Connectez le fil commun au contact. Cela est dû à une charge plus puissante sur les prises. Sur les lampes, ce n'est pas si prononcé.
  3. A l'aide d'un cavalier, mettre la phase sur la pince supérieure de l'appareil. Zéro envoi à 2 contacts. Faites passer le reste des conducteurs sous les contacts inférieurs.
Lire aussi :  Pourquoi les balles en aluminium n'aident pas avec la lessive

Le raccordement du câble dans le boîtier s'effectue selon la méthode décrite ci-dessus. La différence réside dans la connexion du conducteur zéro auxiliaire au point central.

Connexions de câblage dans la boîte de jonction

Il y a 5 conducteurs dans la boîte. Il est nécessaire de ne pas les confondre et de connecter les fils correctement. Cela vaut la peine de commencer avec 2 cœurs : zéro et masse. Le nombre d'ampoules n'a pas d'importance. Tous les zéros seront au même point.

La règle de réduction à un point commun s'applique aux conducteurs de mise à la terre. Sur les luminaires, ils doivent être connectés au corps. Il manque parfois des fils.

Vous pouvez connecter rapidement les noyaux avec des pinces pour bornes Vago. Ils conviennent aux charges d'éclairage. Il est préférable de choisir les couleurs du vécu, en fonction des normes existantes. Les fils bleus sont nuls. Les fils de terre sont de couleur jaune-vert.

Il ne faut pas oublier que le zéro n'est pas dirigé vers l'interrupteur. Il va directement aux lampes. Par le contact de l'appareil à trois clés, 1 phase est interrompue.

Ensuite, vous devez connecter les noyaux des phases. Commencez par le conducteur provenant de la machine d'entrée. Combinez une phase avec un conducteur de phase commun. Il va au terminal commun des trois claviers. Si le noyau n'est dirigé nulle part ailleurs, la phase démarre sur l'interrupteur.

Combinez 3 conducteurs sortant des touches avec 3 phases. Ils partent des circuits vers les lampes à l'aide de pinces Vago. Le marquage correct des noyaux aidera à les reconnaître rapidement. Chacun contrôle une ampoule dans la pièce. Il y aura 6 points de connexion dans la boîte.

Avant la mise sous tension, vérifiez à nouveau le circuit du triple interrupteur. Allumez ensuite la machine et démarrez les dispositifs d'éclairage avec les clés.

Nous vous recommandons de regarder une vidéo sur le sujet :

Où sont-ils appliqués ?

Les réparations modernes et les solutions de conception proposent de plus en plus d'éclairage à diviser en différents groupes.

Par exemple, une pièce a une configuration complexe - niches, rebords, cloisons ou rideaux. Très souvent maintenant, les grands appartements d'une pièce sont divisés en zones, des soi-disant studios en sont constitués. Dans ce cas, un interrupteur à trois touches est le mieux adapté. Grâce à un éclairage de zone spécialement pensé et monté, il est possible de distinguer une zone de travail où il y aura un bureau d'ordinateur, un canapé, des étagères avec des livres, ici l'éclairage devient plus lumineux. La deuxième zone est la zone de couchage, où une lumière plus tamisée est tout à fait appropriée. La troisième zone est le salon, où se trouvent une table basse, des fauteuils, une télévision, ici l'éclairage peut être combiné.

Comment connecter un interrupteur d'éclairage à trois gangs

Dans quels autres cas est-il conseillé d'utiliser un interrupteur domestique à trois gangs ?

  • Si d'un point il est nécessaire de contrôler l'éclairage de trois pièces à la fois, par exemple, un couloir, une salle de bain et une salle de bain, lorsqu'elles sont proches l'une de l'autre.
  • Dans le cas d'un éclairage combiné dans la pièce - central et ponctuel.
  • Dans une grande pièce, l'éclairage est assuré par un lustre multipiste.
  • Si un plafond en plaques de plâtre à plusieurs niveaux est installé dans la pièce.
  • Lorsque l'éclairage d'un long couloir est divisé en trois zones.

Défauts

1

Comment connecter un interrupteur d'éclairage à trois gangs

Si votre ampoule est grillée et doit être remplacée, avec ce schéma, il n'est pas immédiatement possible de comprendre si la lumière est allumée ou éteinte.

Ce sera désagréable lorsque, lors du remplacement, la lampe peut simplement exploser sous vos yeux. À dans ce cas le plus simple et un moyen fiable d'éteindre l'éclairage automatique du tableau de bord.

2

Comment connecter un interrupteur d'éclairage à trois gangs

Si votre câblage passe sous le plafond, vous devrez abaisser le fil de là à chaque interrupteur, puis le remonter.La meilleure option ici est l'utilisation de relais à impulsions.

Et si vous ne voulez pas du tout poser de fils et creuser des murs, est-il possible de monter des interrupteurs de passage dans ce cas ? C'est possible, alors que tous les coûts seront de l'ordre de 800 à 1000 roubles. Pour savoir comment procéder, lisez l'article "Interrupteur sans fil".

Sortes

Ne vous précipitez pas pour connecter un interrupteur à trois gangs jusqu'à ce que vous décidiez exactement quel appareil vous voulez voir dans votre appartement. Après tout, ces dispositifs de commutation sont de plusieurs types :

  • Ordinaire.
  • Points de contrôle. Ils sont utilisés dans de longs couloirs ou à différents étages, lorsqu'à l'entrée (au début du couloir ou au premier étage) l'éclairage s'allume sur un interrupteur, et à la sortie (au bout du couloir ou au deuxième étage) il éteint l'autre. Autrement dit, vous n'avez pas besoin de vous frayer un chemin dans l'obscurité et de ramper le long du mur avec votre main pour trouver le bouton de l'appareil de commutation.
  • Avec indication. Ces balises lumineuses ont deux options pour indiquer l'état de l'appareil. Ou ils brillent lorsque l'éclairage est éteint et indiquent ainsi dans une pièce sombre où se trouve l'appareil de commutation. Ou vice versa, les balises sont allumées lorsque les touches sont allumées, indiquant ainsi exactement où la lumière est allumée en ce moment.
  • Interrupteur triple avec prise. Ils sont le plus souvent utilisés dans des pièces où se trouvent à proximité des toilettes, une salle de bain et un couloir.

Connexion par prise

S'il y a une prise près du site d'installation prévu pour éteindre la lumière, vous pouvez alors alimenter la phase et la mettre à zéro.

Comment connecter un interrupteur d'éclairage à trois gangs

À brancher l'interrupteur de la prises'est avéré un succès, vous devez suivre la séquence d'actions suivante :

Au départ, vous devez retirer l'alimentation de la prise.Des actions similaires peuvent être effectuées en soulageant le stress de toute la maison.

Comment connecter un interrupteur d'éclairage à trois gangs

Vous devez ouvrir la prise et vérifier la tension.

Comment connecter un interrupteur d'éclairage à trois gangs

Un fil est connecté à la phase de la douille, dont le deuxième côté est attaché à l'entrée de l'interrupteur. Un fil directement connecté à la lampe est attaché à la sortie de l'unité pour éteindre la lumière.

Comment connecter un interrupteur d'éclairage à trois gangs

Un fil est attaché au contact zéro de la douille, dont la deuxième extrémité est connectée à la sortie de la lampe. De la même manière, le fil de protection est connecté uniquement au contact correspondant de la lampe.

Comment connecter un interrupteur d'éclairage à trois gangs

Comment connecter un interrupteur d'éclairage à trois gangs

Particulièrement populaire à ce stade temps, des interrupteurs lumineux ont commencé à être utilisés, il est conseillé de faire appel à un professionnel lors de leur installation, car une mauvaise connexion de ces interrupteurs peut refuser une charge accrue sur le câblage, à la suite de quoi il subira une combustion.

Comment connecter un interrupteur d'éclairage à trois gangs

En l'absence de compétences de base en électricité, il vaut la peine de refuser même d'installer indépendamment des interrupteurs contenant une clé.

Quelques photos de l'interrupteur peuvent être trouvées ci-dessous.

Comment connecter un interrupteur d'éclairage à trois gangs

Évaluation
Site sur la plomberie

Nous vous conseillons de lire

Où remplir la poudre dans la machine à laver et combien de poudre verser