- Types de circulation forcée du caloporteur dans le chauffage
- Faire un collectionneur de vos propres mains
- Types de nœuds collecteurs
- Câblage des faisceaux du système de chauffage: éléments et caractéristiques
- Choisir le bon régime
- La composition du système de chauffage du collecteur
- Raccordement des radiateurs
- Avantages d'un système de collecte pour la distribution de conduites d'eau dans un appartement
- Schémas avec alimentation en liquide de refroidissement différente pour les radiateurs
- Schéma monotube
- Schéma à deux tuyaux
- Système de rayonnement
Types de circulation forcée du caloporteur dans le chauffage
L'utilisation de systèmes de chauffage à circulation forcée dans les maisons à deux étages est utilisée en raison de la longueur des lignes du système (plus de 30 m). Cette méthode est réalisée à l'aide d'une pompe de circulation qui pompe le liquide du circuit. Il est monté à l'entrée du réchauffeur, là où la température du liquide de refroidissement est la plus basse.
Avec un circuit fermé, le degré de pression que la pompe développe ne dépend pas du nombre d'étages et de la superficie du bâtiment. La vitesse d'écoulement de l'eau devient plus grande, par conséquent, lors du passage dans les canalisations, le liquide de refroidissement ne se refroidit pas beaucoup. Cela contribue à une répartition plus uniforme de la chaleur dans tout le système et à l'utilisation d'un générateur de chaleur en mode économe.
Le vase d'expansion peut être situé non seulement au point le plus élevé du système, mais également à proximité de la chaudière.Pour parfaire le circuit, les concepteurs y ont introduit un collecteur accélérateur. Maintenant, s'il y a une panne de courant et l'arrêt subséquent de la pompe, le système continuera à fonctionner en mode convection.
- avec un tuyau
- deux;
- collectionneur.
Chacun peut être monté par vous-même ou inviter des spécialistes.
Variante du schéma avec un tuyau
Des vannes d'arrêt sont également montées à l'entrée de la batterie, ce qui sert à réguler la température dans la pièce, ainsi que nécessaire lors du remplacement de l'équipement. Une vanne de purge d'air est installée sur le dessus du radiateur.
Soupape de batterie
Pour augmenter l'uniformité de la distribution de chaleur, des radiateurs sont installés le long de la ligne de dérivation. Si vous n'utilisez pas ce schéma, vous devrez sélectionner des batteries de différentes capacités, en tenant compte de la perte de caloporteur, c'est-à-dire plus loin de la chaudière, plus il y a de sections.
L'utilisation de vannes d'arrêt est facultative, mais sans elle, la maniabilité de l'ensemble du système de chauffage est réduite. Si nécessaire, vous ne pourrez pas déconnecter le deuxième ou le premier étage du réseau pour économiser du carburant.
Pour s'éloigner de la répartition inégale du caloporteur, des schémas à deux tuyaux sont utilisés.
- impasse;
- qui passe;
- collectionneur.
Options pour les schémas sans issue et de dépassement
L'option associée permet de contrôler facilement le niveau de chaleur, mais il est nécessaire d'augmenter la longueur de la canalisation.
Le circuit collecteur est reconnu comme le plus efficace, ce qui permet d'amener un tuyau séparé à chaque radiateur. La chaleur est répartie uniformément. Il y a un inconvénient - le coût élevé de l'équipement, à mesure que la quantité de consommables augmente.
Schéma de chauffage horizontal du collecteur
Il existe également des options verticales pour fournir le caloporteur, qui se trouvent avec le câblage inférieur et supérieur. Dans le premier cas, le drain avec l'alimentation en caloporteur traverse les étages, dans le second, la colonne montante monte de la chaudière au grenier, où les tuyaux sont acheminés vers les éléments chauffants.
Disposition verticale
Les maisons à deux étages peuvent avoir une superficie très différente, allant de quelques dizaines à des centaines de mètres carrés. Elles se différencient également par l'emplacement des pièces, la présence de dépendances et de vérandas chauffées, la position par rapport aux points cardinaux. En vous concentrant sur ces facteurs et sur de nombreux autres, vous devez décider de la circulation naturelle ou forcée du liquide de refroidissement.
Un schéma simple de circulation du liquide de refroidissement dans une maison privée avec un système de chauffage à circulation naturelle.
Les schémas de chauffage avec circulation naturelle du liquide de refroidissement se distinguent par leur simplicité. Ici, le liquide de refroidissement se déplace seul dans les tuyaux, sans l'aide d'une pompe de circulation - sous l'influence de la chaleur, il monte, pénètre dans les tuyaux, est réparti sur les radiateurs, se refroidit et pénètre dans le tuyau de retour pour revenir à la chaudière. Autrement dit, le liquide de refroidissement se déplace par gravité, obéissant aux lois de la physique.
Schéma d'un système de chauffage fermé à deux tuyaux d'une maison à deux étages à circulation forcée
- Chauffage plus uniforme de toute la maison;
- Sections horizontales sensiblement plus longues (selon la puissance de la pompe utilisée, elle peut atteindre plusieurs centaines de mètres) ;
- La possibilité d'une connexion plus efficace des radiateurs (par exemple, en diagonale);
- Possibilité de monter des raccords et des coudes supplémentaires sans risque de chute de pression en dessous de la limite minimale.
Ainsi, dans les maisons modernes à deux étages, il est préférable d'utiliser des systèmes de chauffage à circulation forcée. Il est également possible d'installer un by-pass, qui vous aidera à choisir entre circulation forcée ou naturelle afin de sélectionner l'option la plus optimale. Nous faisons un choix vers des systèmes coercitifs, car plus efficaces.
La circulation forcée présente quelques inconvénients - il s'agit de la nécessité d'acheter une pompe de circulation et du niveau de bruit accru associé à son fonctionnement.
Faire un collectionneur de vos propres mains
Si vous disposez des compétences nécessaires et d'un équipement suffisant, le groupe de capteurs pour le chauffage peut être assemblé indépendamment. Il est pratique de le fabriquer à partir d'un tube carré. Pour ce faire, deux morceaux de la longueur requise sont coupés, puis un tuyau métallique rond est coupé, un marquage est effectué et des trous correspondants sont découpés dans les tuyaux principaux. Ensuite, la structure est assemblée et les joints sont soudés par soudage. Après assemblage, les coutures sont nettoyées et le produit est peint.

Un exemple de noeud fait maison.
L'assemblage réalisé dans l'atelier à domicile doit être vérifié pour la résistance et l'étanchéité sous une pression accrue avant le raccordement. Après le test, vous pouvez mettre le circuit monté en service. Mais un grand nombre de connexions détachables augmente considérablement le risque de fuites, il est donc préférable de privilégier les échantillons industriels en série.
Types de nœuds collecteurs
Avant d'examiner les types de peignes, nous indiquons comment ils peuvent être utilisés dans les systèmes de chauffage de l'eau pour les maisons et appartements privés :
- distribution et régulation de la température de l'eau dans les contours du chauffage au sol, en abrégé TP;
- distribution du liquide de refroidissement aux radiateurs selon le schéma de faisceau (collecteur);
- distribution globale de la chaleur dans un grand immeuble résidentiel avec un système d'alimentation en chaleur complexe.

En banlieue chalets avec chauffage ramifié le groupe comprend la soi-disant flèche hydraulique (sinon - un séparateur thermohydraulique). En fait, il s'agit d'un collecteur vertical à 6 sorties: 2 - de la chaudière, deux - au peigne, une en haut pour évacuer l'air, l'eau est évacuée par le bas.
Passons maintenant aux types de peignes de distribution :
- Pour limiter la température de l'eau, réguler le débit et équilibrer les contours du sol chaud, des blocs collecteurs spéciaux en laiton, inox ou plastique sont utilisés. La taille du trou de raccordement de la conduite de chauffage principale (à l'extrémité du tuyau) est de ¾ ou 1 pouce (DN 20-25), branches - ½ ou ¾, respectivement (DN 15-20).
- Dans les schémas de faisceaux de radiateurs, les mêmes peignes de systèmes de chauffage par le sol sont utilisés, mais avec des fonctionnalités réduites. Nous expliquerons la différence ci-dessous.
- Des collecteurs en acier de grande taille sont utilisés pour la distribution générale du caloporteur dans la maison, le diamètre de raccordement est supérieur à 1" (DN 25).
Les groupes de collecteurs d'usine ne sont pas bon marché. Par souci d'économie, les propriétaires utilisent souvent des peignes soudés avec leur propre fait à la main en polypropylène, ou prenez des distributeurs bon marché pour les systèmes d'eau. Ensuite, nous indiquerons les problèmes liés à l'installation de collecteurs artisanaux et de plomberie.

Câblage des faisceaux du système de chauffage: éléments et caractéristiques
Un tel système de chauffage par rayonnement est idéal pour les immeubles à plusieurs étages qui comptent de nombreux appartements. Ce système de chauffage réduit la consommation d'énergie et augmente l'efficacité de l'appareil de chauffage.Le principe de fonctionnement d'un tel système est très simple, mais présente certaines caractéristiques. Par exemple, s'il n'y a que quelques étages dans la maison, le capteur doit être installé à tous les étages. De plus, vous devez tenir compte du fait qu'il est possible d'installer plusieurs capteurs à la fois et que le capteur lui-même est déjà vient d'eux. tuyauterie du système de chauffage.
On note aussi que ce système ne sera efficace que si la maison a une bonne isolation et n'a pas une grosse déperdition de chaleur. Si la maison est isolée à l'intérieur et à l'extérieur, l'efficacité du chauffage par rayonnement ne posera aucun problème. Et si, au contraire, la maison n'est pas isolée de part et d'autre, alors toute la chaleur reçue ne sera distribuée qu'aux panneaux de fenêtres, aux sols et aux murs. Le système radiant a une conception complexe, qui comprend des éléments de base et supplémentaires, ils sont nécessaires à la mise en œuvre d'un système de chauffage de haute qualité.
Les composants principaux sont 4 éléments :
L'un des principaux éléments est considéré comme une chaudière
De là, la chaleur est fournie par le système de chauffage et les radiateurs.
Une partie tout aussi importante d'un tel système est la pompe. Il fait circuler le liquide de refroidissement dans le système de chauffage et y crée une pression. Une telle pompe maintient une température confortable dans la pièce et garantit l'efficacité de l'ensemble du système.
Le peigne, populairement le collecteur, est également la partie principale du système de chauffage par rayonnement
Cette composante du chauffage par rayonnement, qui répartit uniformément l'apport de chaleur dans toute la maison.
Un placard est un endroit où tous les éléments de câblage sont cachés. Un collecteur est installé dans une telle armoire, les tuyaux et les raccords sont cachés. Il a un design très simple, mais malgré cela, il est très fonctionnel et pratique.Il peut être situé à la fois à l'extérieur et à l'intérieur des murs.
Une telle pompe maintient une température confortable dans la pièce et garantit l'efficacité de l'ensemble du système.
Un peigne, populairement un collecteur, est également la partie principale d'un système de chauffage par rayonnement. Cette composante du chauffage par rayonnement, qui répartit uniformément l'apport de chaleur dans toute la maison.
Un placard est un endroit où tous les éléments de câblage sont cachés. Un collecteur est installé dans une telle armoire, les tuyaux et les raccords sont cachés. Il a un design très simple, mais malgré cela, il est très fonctionnel et pratique. Il peut être situé à la fois à l'extérieur et à l'intérieur des murs.
Chacun des composants joue un rôle spécifique. L'absence de l'un d'eux rend le processus de chauffage impossible.
Dans le cas de la comparaison du système radiant avec les systèmes conventionnels connus de tous aujourd'hui, le système radiant présente plusieurs fois plus d'avantages que les systèmes de chauffage d'ancienne génération.
Principaux avantages:
- Un tel système n'est pas visible et tous les composants et tuyaux sont cachés et ne gâchent pas l'intérieur de la pièce;
- Il n'a pas de connexions entre la chaudière de chauffage et le collecteur, ce qui signifie qu'il n'a pas de points faibles ;
- L'installation du système de chauffage peut être effectuée seule, ce qui permet d'économiser de l'argent et en même temps la qualité du travail effectué est optimale;
- Le système fonctionne de manière stable et c'est ce qui élimine les coups de bélier et les pannes du système de chauffage ;
- S'il est nécessaire de réparer une partie du système, il n'est pas nécessaire d'éteindre l'ensemble du système, car la réparation d'un tel système n'est pas difficile et ne nécessite pas de destruction structurelle ni de sites d'installation complexes;
- Prix abordable et installation facile.
Il y a aussi un inconvénient majeur. Un tel inconvénient est que les systèmes de ce chauffage ont une conception individuelle, principalement ce détail concerne leurs propres maisons. Pour cette raison, le coût peut augmenter ou diminuer. Et aussi, tout le monde ne peut pas faire face à l'installation et à la configuration, un tel système, de telles personnes devront se tourner vers des spécialistes et, bien sûr, elles devront payer pour cela.
Il n'est pas conseillé d'installer un tel système de chauffage dans des maisons privées à un étage de moins de trois pièces.
Choisir le bon régime
Après avoir pris connaissance des systèmes de chauffage utilisés dans les maisons à deux étages, il est temps de revenir à votre avant-projet, où les types de radiateurs et la chaudière sont sélectionnés, la disposition de cet équipement est déterminée et les souhaits sont répertoriés. Ensuite, sélectionnez le schéma conformément aux recommandations :
- Avec des pannes de courant fréquentes, le choix est restreint - vous avez besoin d'un système de gravité. Si la maison est chauffée avec un poêle en brique, cela vaut la peine de l'utiliser comme source de chaleur et de ne pas acheter de chaudière.
- Si vous ne comprenez toujours pas ce que vous voulez, n'hésitez pas à assembler un circuit sans issue à deux tubes de type fermé. Il est facile de s'adapter à différentes conditions et équipements. Par la suite, installez une chaudière à combustible solide, à gaz ou électrique - il n'y a pas de différence, le chauffage fonctionnera.
- Avec des exigences accrues en matière de design d'intérieur, prenez en charge le câblage du collecteur. Afin de ne pas se tromper sur les dimensions des tuyaux, tirez le diamètre de 32 mm vers le peigne, et effectuez les raccordements aux piles Ø16 x 2 mm (extérieur).
- Les planchers chauds sont disposés sous réserve de la disponibilité des fonds et du désir. Il est préférable de les combiner avec n'importe quel système, à l'exception de celui gravitationnel.
Dans une petite maison de campagne sur 2 étages, il vaut la peine de fabriquer un système monotube à partir de tuyaux PPR. Avec 3-4 piles sur chaque branche, cela fonctionnera parfaitement. Nous ne recommandons pas d'utiliser Leningradka dans un grand chalet. Pour plus d'informations sur le choix d'un câblage, voir la vidéo d'un expert :
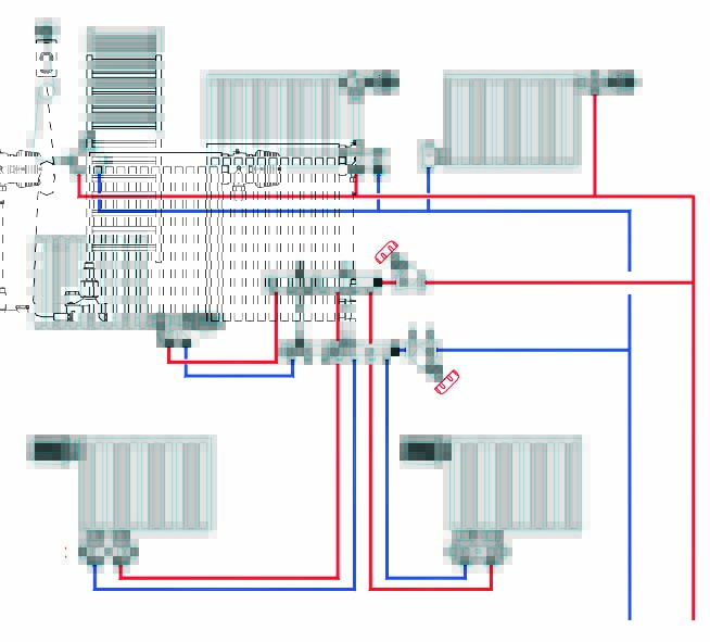
La composition du système de chauffage du collecteur

Dans un premier temps, il est nécessaire de se familiariser avec le principe de conception d'un apport de chaleur autonome. Le schéma de chauffage de collecteur le plus simple consiste en une seule unité de distribution, à laquelle les canalisations individuelles du système sont connectées.
La composition comprend des composants standard - une chaudière, une pompe de circulation, un vase d'expansion et un groupe de sécurité. Le collecteur est installé directement à côté de la chaudière et se compose de deux éléments :
- Saisir
. Il est relié au tuyau d'alimentation du dispositif de chauffage et distribue le liquide de refroidissement chaud le long des circuits ; - Jour de congé
. Des tuyaux de retour d'autoroutes distinctes y mènent. Il est nécessaire de collecter l'eau refroidie et de l'envoyer à la chaudière pour un chauffage supplémentaire.
Les groupes de capteurs complexes pour le chauffage sont équipés de dispositifs de régulation du volume d'alimentation en liquide de refroidissement - têtes thermiques (entrée) et butées mécaniques à la sortie.

Ce principe est appliqué à l'organisation de l'apport de chaleur maison privée à un étage, où la puissance de la pompe de circulation sera suffisante pour assurer une pression normale dans les canalisations. Pour un bâtiment à deux étages, deux groupes de capteurs pour le chauffage peuvent être installés. L'un d'eux sera destiné à être distribué dans des circuits séparés et le second servira de composant principal d'un plancher d'eau chaude.
Pour un tel schéma, il est nécessaire de calculer les paramètres de chaque circuit.Le plus souvent, il devient nécessaire d'installer les composants supplémentaires suivants :
- Pompes de circulation pour chaque circuit ;
- Noeud de mixage. Nécessaire pour contrôler la température du liquide de refroidissement dans le collecteur. Le canal relie les tuyaux direct et de retour et à l'aide d'un dispositif de contrôle (vanne à deux ou trois voies), les flux sont mélangés avec différents degrés de chauffage.
Le schéma de chauffage collecteur traditionnel d'une maison à deux étages comprend des nœuds de distribution aux premier et deuxième niveaux. Mais tout dépend de la superficie totale des locaux et, par conséquent, de la longueur des autoroutes individuelles.
Vous devez également tenir compte du transfert de chaleur et des conditions thermiques optimales dans chaque pièce.
Tous les collecteurs situés dans des locaux résidentiels doivent être installés dans des boîtes fermées spéciales.
Raccordement des radiateurs
Le choix de leur raccordement dépend de leur nombre total, du mode de pose, de la longueur des canalisations, etc. Les méthodes les plus courantes sont :
• diagonale Méthode (croisée): le tuyau droit est connecté au côté de la batterie en haut et le tuyau de retour est connecté à son côté opposé en bas ; cette méthode permet au caloporteur d'être réparti sur toutes les sections aussi uniformément que possible avec une perte de chaleur minimale; utilisé avec un nombre important de sections ;
• unilatéral : également utilisé avec un grand nombre de sections, un tuyau d'eau chaude (tuyau droit) et un tuyau de retour sont connectés d'un côté, ce qui assure un chauffage uniforme suffisant du radiateur;
• selle: si les tuyaux passent sous le sol, il est plus pratique de fixer les tuyaux aux tuyaux inférieurs de la batterie ; en raison du nombre minimum de canalisations visibles, il semble attrayant à l'extérieur, cependant, les radiateurs chauffent de manière inégale;
• fond: la méthode est similaire à la précédente, la seule différence est que le tuyau droit et le tuyau de retour sont situés presque au même point.
Pour se protéger de la pénétration du froid et créer un rideau thermique, les batteries sont situées sous les fenêtres. Dans ce cas, la distance au sol doit être de 10 cm, du mur - 3-5 cm.
Avantages d'un système de collecte pour la distribution de conduites d'eau dans un appartement
Dans les appartements, le câblage le plus souvent simple des conduites d'eau est effectué. Il y a un tuyau qui sort de la colonne montante. De plus, à l'aide de tés, des branches vers les appareils de plomberie en partent. Dans le même temps, peu de gens connaissent un autre type de tuyauterie - le collecteur. Et en vain, car un tel système présente un certain nombre d'avantages dont il faut discuter.
Mais vous devez d'abord parler des types de câblage qui existent dans la plomberie aujourd'hui. Le premier type est un câblage en T. Dans un tel système, tous les consommateurs sont connectés à partir d'un tuyau à l'aide de tés. Il est possible d'installer des vannes d'arrêt devant chaque consommateur en cas d'accident.
Câblage du collecteur. Ce système présente des avantages évidents par rapport au système en T. Une vanne d'arrêt est installée à l'entrée de l'alimentation en eau de l'appartement. La différence est que chaque appareil a un tuyau séparé. Dans ce cas, toutes les vannes sont concentrées en un seul endroit.
Parfois, vous pouvez trouver un système mixte. Cela signifie qu'il contient des éléments d'un câblage en T et d'un collecteur.Par exemple, l'eau peut être fournie au lavabo et à la baignoire à partir du collecteur (c'est-à-dire un tuyau séparé pour chaque consommateur), et la cuvette des toilettes et le bidet sont connectés avec un câblage en T.
Schémas avec alimentation en liquide de refroidissement différente pour les radiateurs
Selon la position des colonnes montantes pour l'alimentation en eau des batteries, on distingue le câblage vertical et horizontal. Dans les maisons privées à un étage, un schéma de câblage horizontal est utilisé. Lors de l'installation, les tuyaux d'alimentation en eau et de drainage peuvent être introduits avec succès à l'intérieur, cachés dans des niches ou sous le sol.
Le débit d'eau chaude et réfrigérée dans le système de chauffage d'une maison privée peut être monté à l'aide d'un ou de deux tuyaux. Chaque option a des nuances du type de câblage, des avantages et des inconvénients.
Schéma monotube
Il s'agit d'une option plus facile et moins chère à installer. Le système de chauffage à un tuyau est un anneau avec des radiateurs installés. L'eau chaude se déplace autour du périmètre, retournant finalement à la chaudière. Le liquide de refroidissement dégage plusieurs degrés de chaleur vers chaque radiateur. Cela signifie que plus l'appareil de chauffage est éloigné de la chaudière, plus la température de l'eau et la capacité de chauffer la pièce sont basses. Vous pouvez augmenter le chauffage de l'eau. Cela nécessitera plus de carburant. L'installation d'une pompe de circulation aidera à déplacer l'eau à une vitesse plus élevée et à répartir uniformément la chaleur. La solution optimale pour un tel schéma serait d'augmenter le nombre de sections des dernières batteries de la ligne.

Les radiateurs sont généralement connectés via une dérivation (tuyau de dérivation), ce qui vous permettra d'éteindre l'un d'eux sans arrêter le mouvement du liquide de refroidissement. Le système ne prévoit pas l'installation de raccords et de robinets, ce qui minimise les risques d'accidents.
Avantages du régime :
- minimiser le périmètre des tuyaux;
- économies sur les éléments du système ;
- rapidité, facilité d'installation.
Schéma à deux tuyaux
L'installation de chauffage dans une maison privée utilisant deux tuyaux fonctionne plus efficacement. Avec un tel schéma, chaque radiateur a une alimentation en liquide de refroidissement séparée de la conduite de chauffage, mais en même temps, la conduite de chauffage, comme dans le cas précédent, est la même pour l'ensemble du système. La différence est que les radiateurs sont inclus dans les systèmes en parallèle et non en série.

Le système a une ligne de courant inverse - un tuyau séparé quitte chaque batterie pour retirer le liquide de refroidissement.
Nous vous proposons de regarder une vidéo détaillée sur les nuances de l'installation d'un système de chauffage à deux tuyaux dans une maison:
Système de rayonnement
Le système de faisceau collecteur prévoit l'installation d'un collecteur à travers lequel le liquide de refroidissement est distribué dans tout le système. Chaque batterie de chauffage a ses propres tuyaux pour fournir le caloporteur et son évacuation directement de la chaudière. Chaque circuit est coupé par des vannes d'arrêt. Cela rend le système plus facile à utiliser et à réparer. Sans éteindre l'ensemble du système, vous pouvez réparer un circuit ou un radiateur séparé.
Parmi les inconvénients - des coûts importants pour les matériaux. Vous aurez besoin de vannes d'arrêt, de tuyaux, de dispositifs de réglage, de capteurs de contrôle.
Le circuit de faisceau avec distributeur fonctionne avec une bonne pression dans la canalisation créée par la pompe de circulation.
Le collecteur répartit uniformément le débit de liquide de refroidissement. L'appareil se compose de deux peignes. On reçoit l'eau chaude de la chaudière. Un autre peigne récupère l'eau réfrigérée et la renvoie à la chaudière. Comment calculer le chauffage dans une maison privée avec un tel schéma?

Le calcul des paramètres, le dessin, la régulation de puissance pendant l'utilisation sont facilités par la connexion de radiateurs en parallèle. Cela garantit une différence minimale de température de l'eau autour du périmètre du circuit. Le système est contrôlé à partir d'un seul endroit avec des indicateurs, des robinets, des pompes et des vannes installés.
L'installation du système de poutre est la plus coûteuse en termes de coût total des composants, elle nécessite une certaine qualification. Il est nécessaire d'élaborer un projet et d'installer le chauffage selon le schéma de faisceau lors de la construction ou des réparations générales. Cela est dû au fait que les tuyaux sont montés dans la chape.










































